|
|
(21), (22) Заявка: 2005131878/09, 14.10.2005
(24) Дата начала отсчета срока действия патента:
14.10.2005
(46) Опубликовано: 10.02.2007
(56) Список документов, цитированных в отчете о поиске:
RU 2159466 C1, 20.11.2000. RU 2249855 C1, 10.04.2005. RU 2015570 C1, 30.04.1994. RU 2239229 С1, 27.10.2004. ЕР 0505651 А1, 30.09.1992. US 5129083 А, 07.07.1992.
Адрес для переписки:
117312, Москва, пр-кт 60-летия Октября, 9, Институт системного анализа РАН, А.Н. Романову
|
(72) Автор(ы):
Романов Анатолий Николаевич (RU), Славин Олег Анатольевич (RU), Семилетов Станислав Иванович (RU)
(73) Патентообладатель(и):
Романов Анатолий Николаевич (RU), Семилетов Станислав Иванович (RU), Славин Олег Анатольевич (RU)
|
(54) ИНФОРМАЦИОННАЯ СИСТЕМА СЛЕЖЕНИЯ ЗА ХОДОМ ГОЛОСОВАНИЯ ИЗБИРАТЕЛЕЙ
(57) Реферат:
Изобретение относится к вычислительной технике, в частности к информационной системе слежения за ходом голосования избирателей. Техническим результатом является повышение быстродействия системы путем локализации адресов записей базы данных по идентификаторам принимаемых системой сообщений от территориально-распределенных источников данных, в роли которых выступают избирательные комиссии. Система содержит первый входной блок, блок идентификации источника данных, блок идентификации входных сообщений, блок формирования адресов базы данных сервера, блок коммутации каналов выдачи данных, второй входной блок, блок селекции базовых адресов источников данных, блок приема записей базы данных сервера, блок формирования интервалов приема данных, блок вычисления текущего итога, блок вычисления нарастающего итога и блок интеграции выходных данных. 11 ил.
Изобретение относится к вычислительной технике, в частности к информационной системе слежения за ходом голосования избирателей, представляющей собой территориально-распределенную систему, организационную структуру которой составляют избирательные комиссии соответствующих уровней иерархии, начиная с участковых избирательных комиссий и заканчивая Центральной избирательной комиссией.
Особенность поставленной задачи заключается в том, чтобы информационная система могла непрерывно с заданным интервалом представления данных отслеживать число избирателей, принявших участие в голосовании, и таким образом свести к минимуму возможность манипуляции голосами избирателей при окончательном подведении итогов голосования.
Известны системы, которые могли бы быть использованы для решения поставленной задачи (1, 2).
Первая из известных систем содержит блоки приема и хранения данных, соединенные с блоками управления и обработки данных, блоки поиска и селекции, подключенные к блокам хранения данных и отображения, синхронизирующие входы которых соединены с выходами блока управления (1).
Существенный недостаток данной системы состоит в невозможности решения задачи оперативного обновления данных, хранимых в памяти в виде соответствующих документов, в реальном масштабе времени.
Известна и другая система, содержащая телекоммуникационную сеть блоков обработки данных, информационные входы которых соединены с блоками приема данных и управления, а выходы подключены к первой группе блоков памяти, центральный процессор, входы которого соединены с выходами блоков памяти первой группы и блоков обработки данных, а выходы соединены с входами блоков памяти второй группы и блоков отображения данных (2).
Последнее из перечисленных выше технических решений наиболее близко к описываемому.
Его недостаток заключается в невысоком быстродействии системы, обусловленном тем, что выполнение процедуры актуализации данных, собираемых системой от территориально-распределенных объектов системы по телекоммуникационной сети передачи данных, реализуется через процедуру их поиска по всему объему базы данных системы с последующим выполнением обработки обновляемых данных центральным процессором, что при больших объемах данных базы данных системы неизбежно приводит к большим затратам времени.
Цель изобретения – повышение быстродействия системы путем локализации адресов записей базы данных по идентификаторам принимаемых системой сообщений от территориально-распределенных объектов системы.
Поставленная цель достигается тем, что в известную систему, содержащую первый входной блок, информационный и синхронизирующий входы которого являются первыми информационным и синхронизирующим входами системы, а один информационный выход соединен с первым информационным входом блока коммутации каналов выдачи данных, информационные выходы группы которого являются информационными выходами группы системы, второй входной блок, информационный и синхронизирующий входы которого являются вторыми информационным и синхронизирующим входами системы, а синхронизирующий выход соединен с управляющим входом первого входного блока, блок вычисления нарастающего итога, синхронизирующий вход которого подключен к синхронизирующему выходу второго входного блока, а выход соединен со вторым информационным входом коммутации каналов выдачи данных, блок приема записей базы данных сервера, информационный и синхронизирующий входы которого являются третьими информационным и синхронизирующим входами системы, а информационный выход соединен с третьим информационным входом блока коммутации каналов выдачи данных, блок формирования адресов базы данных сервера, информационный выход которого является адресным выходом системы, блок интеграции выходных данных, выход которого является информационным выходом системы, введены блок идентификации входных сообщений, информационный вход которого соединен с первым информационным выходом второго входного блока, а первый и второй синхронизирующие выходы которого являются первым и вторым синхронизирующими выходами системы, блок идентификации источников данных, информационный вход которого соединен с другим информационным выходом первого входного блока, синхронизирующий вход подключен к одному синхронизирующему выходу первого входного блока, информационный выход соединен с первым информационным входом блока формирования адресов базы данных сервера, а первый синхронизирующий выход подключен к тактирующему входу блока идентификации входных сообщений, при этом другой синхронизирующий выход первого входного блока соединен с первым синхронизирующим входом блока коммутации каналов выдачи данных, второй синхронизирующий выход блока идентификации источников данных подключен ко второму синхронизирующему входу блока коммутации каналов выдачи данных, первый и второй управляющие входы которого соединены с первым и вторым управляющими выходами блока идентификации источников данных соответственно, блок селекции базовых адресов источников данных, информационный вход которого соединен со вторым информационным выходом второго входного блока, а синхронизирующий вход подключен к синхронизирующему выходу второго входного блока, при этом информационный выход блока селекции базовых адресов источников данных соединен со вторым информационным входом блока формирования адресов базы данных сервера, а синхронизирующий выход подключен к первому синхронизирующему входу блока идентификации входных сообщений, первый и второй тактирующие выходы которого соединены с первым и вторым тактирующими входами блока формирования адресов базы данных сервера соответственно, блок вычисления текущего итога, один информационный вход которого соединен с выходом блока приема записей базы данных сервера, другой информационный вход подключен к третьему выходу второго входного блока, синхронизирующий вход соединен с третьим синхронизирующим входом системы, а управляющий вход подключен к управляющему выходу первого входного блока, при этом информационный выход соединен с одним информационным входом блока интеграции выходных данных, другой информационный вход которого подключен к третьему информационному выходу второго входного блока, подключенному к информационному входу блока вычисления нарастающего итога, блок формирования интервалов приема данных, счетный вход которого соединен с синхронизирующим выходом блока вычисления текущего итога, информационный выход подключен к третьему информационному входу блока формирования адресов базы данных сервера, один синхронизирующий выход соединен со вторым синхронизирующим входом блока идентификации входных сообщений, а другой синхронизирующий выход подключен к синхронизирующему входу блока формирования адресов базы данных сервера и к установочному входу первого входного блока, при этом первый и второй управляющие выходы блока формирования интервалов приема данных соединены с первыми и вторыми управляющими входами блоков формирования адресов базы данных сервера и интеграции выходных данных соответственно, при этом счетный вход блока интеграции выходных данных подключен ко второму синхронизирующему выходу блока идентификации входных сообщений, информационный и синхронизирующий выходы блока интеграции выходных данных являются первым и вторым сигнальными выходами системы, синхронизирующий выход блока формирования адресов базы данных сервера соединен с третьим синхронизирующим входом блока идентификации входных сообщений, а второй синхронизирующий вход первого входного блока подключен к третьему синхронизирующему входу системы.
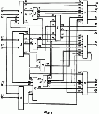
Сущность изобретения поясняется чертежами, где на фиг.1 представлена структурная схема системы, на фиг.2 представлен пример конкретного конструктивного выполнения первого входного блока, на фиг.3 – пример конкретного конструктивного выполнения блока идентификации источника данных, на фиг.4 – пример конкретного конструктивного выполнения блока идентификации входных сообщений, на фиг.5 – пример конкретного конструктивного выполнения блока формирования адресов базы данных сервера, на фиг.6 – пример конкретного конструктивного выполнения блока коммутации каналов выдачи данных, на фиг.7 – пример конкретного конструктивного выполнения второго входного блока приема, на фиг.8 – пример конкретного конструктивного выполнения блока селекции базовых адресов источников данных, на фиг.9 – пример конкретного конструктивного выполнения блока формирования интервалов приема данных, на фиг.10 – пример конкретного конструктивного выполнения блока вычисления нарастающего итога, на фиг.11 – пример конкретного конструктивного выполнения блока интеграции выходных данных.
Система (фиг.1) содержит первый входной блок 1, блок 2 идентификации источника данных, блок 3 идентификации входных сообщений, блок 4 формирования адресов базы данных сервера, блок 5 коммутации каналов выдачи данных, второй входной блок 6, блок 7 селекции базовых адресов источников данных, блок 8 приема записей базы данных сервера, блок 9 формирования интервалов приема данных, блок 10 вычисления текущего итога, блок 11 вычисления нарастающего итога и блок 12 интеграции выходных данных.
На фиг.1 показаны первый 21, второй 22 и третий 23 информационные входы системы, первый 24, второй 25 и третий 26 синхронизирующие входы системы, а также адресный 31 и информационный 32 выходы системы, первый 33 и второй 34 синхронизирующие выходы системы, информационные выходы 35-37 группы системы, первый 38 и второй 39 сигнальные выходы системы.
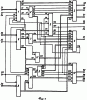
Первый входной блок 1 (фиг.2) содержит регистр 40, триггер 41, элементы 42, 43 И, элемент 44 задержки. На чертеже также показаны входы 21, 24, 46-48 и выходы 50-54 блока.
Блок 2 идентификации источника данных (фиг.3) содержит блок памяти 60, выполненный в виде постоянного запоминающего устройства, дешифратор 61, триггер 62, элементы 63-66 И, элемент 70 ИЛИ, элементы 71-72 задержки.
На чертеже показаны информационный 74 и синхронизирующий 75 входы, а также информационный 77, синхронизирующие 78, 79 и управляющие 80, 81 выходы.
Блок 3 идентификации входных сообщений (фиг.4) содержит дешифратор 82, элементы 83-85 ИЛИ, элементы 86, 87 И, элементы 88-92 задержки. На чертеже показаны информационный вход 93, синхронизирующие 94-97 входы и синхронизирующие 98-101 выходы.
Блок 4 формирования адресов базы данных сервера (фиг.5) содержит сумматор 110, регистры 111, 112, группы 113, 114 элементов И, элемент 116 задержки, группы 117, 118 элементов ИЛИ.
На чертеже показаны информационные 120-122 входы, синхронизирующие 123-125 входы, управляющие 126-127 входы, а также установочный вход 125 блока, а также информационный 31 и синхронизирующий 128 выходы блока.
Блок 5 коммутации каналов выдачи данных (фиг.6) содержит дешифратор 131, группы 132-136 элементов И, группу 137 элементов ИЛИ, элемент 138 ИЛИ. На чертеже показаны информационные входы 141-143 блока, синхронизирующие входы 144-145, управляющие входы 146-147 блока, а также информационные выходы 35-37 выходы группы блока.
Второй входной блок 6 (фиг.7) содержит регистр 150, триггер 151, элемент 152 И, элемент 153 задержки. На чертеже показаны информационный 22 и синхронизирующий 25 входы, а также информационные 155-157 и синхронизирующий 158 выходы.
Блок 7 селекции базовых адресов источников данных (фиг.8) содержит блок памяти 160, выполненный в виде постоянного запоминающего устройства, дешифратор 161, элементы 162-164 И, элемент 165 ИЛИ. На чертеже показаны информационный 166 и синхронизирующий 167 входы, а также информационный 168 и синхронизирующий 169 выходы.
Блок 8 приема записей базы данных сервера выполнен в виде регистра, имеющего информационный вход 23 и синхронизирующий вход 26.
Блок 9 определения временных интервалов приема данных (фиг.9) содержит первый счетчик 180, регистр 181, компаратор 182, второй счетчик 183, триггер 184, элементы задержки 185-186.
На чертеже показаны счетный 187 вход блока, а также информационный 189, синхронизирующие 188 и 190 и управляющие 191, 192 выходы.
Блок 10 вычисления текущего итога (фиг.10) содержит сумматор 195, группу 196 элементов И, элемент 197 И, элементы 199, 200 задержки. На чертеже показаны информационные 202, 203, синхронизирующий 204 и управляющий 205 входы, а также информационный и синхронизирующий 207 выходы.
Блок 11 вычисления нарастающего итога выполнен в виде накапливающего сумматора, имеющего информационный 170 и синхронизирующий 171 входы, и информационный 220 выход.
Блок 12 интеграции выходных данных (фиг.11) содержит группы 210, 211 элементов И, группу 212 элементов ИЛИ, компаратор 213, счетчик 214, регистр 215 и элемент 216 задержки.
На чертеже показаны информационные 220, 221, управляющие 222, 223, счетный 224 входы, а также информационный выход 32, первый 38 и второй 39 сигнальные выходы.
Все узлы и элементы системы выполнены на стандартных потенциально-импульсных элементах. Для упрощения чертежа цепи первоначальной установки узлов и блоков системы в исходное состояние не показаны.
Передача сообщений о количестве избирателей, принявших участие в голосовании на определенный момент времени, реализуется по определенному регламенту, в соответствии с которым избирательные комиссии передают итоговые сведения о числе проголосовавших избирателей на определенные моменты времени, например в начале каждого часа.
При решении задачи сбора и обработки данных о числе избирателей, принявших участие в голосовании, на информационный вход 22 системы в соответствии с установленным регламентом по тракту передачи данных последовательно поступают сообщения (кодограммы) от избирательных комиссий о ходе голосования избирателей, имеющие следующую структуру:
| код |
КОД |
КОД |
КОД |
| Признак входного сообщения |
Идентификатор избирательной комиссии субъекта Российской Федерации |
Значение временного интервала, в пределах которого получены результаты голосования избирателей |
Количество избирателей, принявших участие в голосовании за установленный временной интервал |
Код кодограммы с информационного входа 22 системы заносится в регистр 150 блока 6 синхронизирующим импульсом с входа 25, который проходит на синхронизирующий вход регистра 150 через элемент 152 И, открытый по второму входу высоким потенциалом с инверсного выхода триггера 151, находящегося до прихода первой кодограммы в исходном состоянии.
С выхода 155 блока 6 код признака входного сообщения поступает на вход 93 блока 3 и далее подается на вход дешифратора 82, который расшифровывает код признака входного сообщения и, в данном случае, открывает элемент 86 И по одному входу.
Параллельно с этим с выхода 156 блока 6 код идентификатора избирательной комиссии поступает на информационный вход 166 блока 7 и далее на вход дешифратора 161, который расшифровывает поступивший код, выдавая на один их своих выходов высокий потенциал. Для определенности положим, что высокий потенциал поступил на один вход элемента 164 И.
В это время синхронизирующий импульс с выхода элемента 152 И блока 6 задерживается элементом 153 на время приема кода входного сообщения в регистр 150 и срабатывания дешифратора 161 и далее, во-первых, поступает на единичный вход триггера 151 и устанавливает его в единичное состояние, при котором с инверсного выхода триггера будет выдан низкий потенциал на вход элемента 152 И, блокирующий прием следующего сообщения.
Во-вторых, этот же синхронизирующий импульс с выхода 158 блока 6 поступает на вход 167 блока 7, откуда он опрашивает состояния элементов 162-164 И.
Учитывая то обстоятельство, что открытым по одному входу будет только элемент 164 И, то, пройдя этот элемент И, синхроимпульс поступает, во-первых, на вход считывания фиксированной ячейки памяти постоянного запоминающего устройства 160, где хранится базовый адрес ячейки памяти в базе данных сервера, закрепленной за данной избирательной комиссией, и считывает ее содержимое через выход 168 на вход 121 блока 4.
С входа 121 блока 4 код базового адреса избирательной комиссии, приславшей входное сообщение, проходит через элементы 118 ИЛИ группы на информационные входы регистров 111 и 112.
Во-вторых, тот же импульс считывания кода базового адреса избирательной комиссии с выхода элемента 164 И проходит элемент 165 ИЛИ на выход 169 блока 7 и далее поступает на вход 94 блока 3, где задерживается элементом 88 задержки на время считывания содержимого фиксированной ячейки ПЗУ, проходит через открытый дешифратором 82 элемент 87 И и затем, во-первых, проходит через элемент 83 ИЛИ на выход 98 блока 3 и далее через вход 123 блока 4 поступает на синхронизирующий вход регистра 111, фиксируя в нем базовый адрес ячейки памяти, закрепленной за данной избирательной комиссией.
Во-вторых, этот же импульс с выхода 99 блока 3 поступает на вход 124 блока 4 и далее подается на синхронизирующий вход регистра 112, также фиксируя в нем базовый адрес ячейки памяти, закрепленной за данной избирательной комиссией.
В-третьих, этот же импульс задерживается элементом 90 на время занесения базового адреса избирательной комиссии в регистры 4 и 5 и далее через элемент 84 ИЛИ и выход 100 блока 3 выдается на выход 33 системы и далее на вход первого канала прерывания сервера (на чертеже не показан).
По этому сигналу сервер переходит на подпрограмму опроса содержимого базы данных по базовому адресу избирательной комиссии, который с выхода регистра 111 через элементы 113 И группы, открытые высоким потенциалом с входа 126 блока 4, и через элементы 117 ИЛИ группы выдается на адресный 31 выход системы.
Содержимое базового адреса данной избирательной комиссии считывается из базы данных сервера и через информационный вход 23 системы поступает на информационный вход регистра 12, куда оно заносится синхронизирующим импульсом сервера, поступающим на синхронизирующий вход 26 системы.
Следует учесть, что перед началом работы системы все ее узлы и блоки были установлены в исходное состояние, а содержимое ячеек базы данных сервера было обнулено.
В связи с этим с приходом первого сообщения от данной избирательной комиссии при считывании содержимого ее базового адреса на вход регистра 12 будет считываться нулевой код и, следовательно, регистр 12 останется в исходном состоянии.
Содержимое регистра 12 (в данном случае оно равно нулю) поступает на вход 202 блока 10 и далее через элементы 196 И группы, открытые по входу 205 блока 10 высоким потенциалом с инверсного выхода триггера 41 блока 1, поступает на одни входы сумматора 195.
На другие входы сумматора 195 с входа 203 блока 10 подан код числа избирателей, принявших участие в голосовании по данным избирательной комиссии, приславшей данное сообщение.
Импульс занесения кода в регистр 12 с входа 26 системы поступает на синхронизирующий вход 204 блока 10, где задерживается на время занесения кода в регистр 12 элементом задержки 199.
Затем он проходит через элемент 197 И, также открытый по второму входу высоким потенциалом с входа 205, и поступает на синхронизирующий вход сумматора 195, на выходе которого формируется итоговая сумма числа избирателей, принявших участие в голосовании на данное время дня на территории, обслуживаемой данной избирательной комиссией.
Это число избирателей с выхода 206 блока 10 поступает на вход 221 блока 12, затем проходит элементы 211 И группы, открытые высоким потенциалом с входа 223, и далее через элементы 212 ИЛИ группы выдается на информационный выход 32 системы, откуда оно выдается на информационный вход сервера, на адресный вход которого по-прежнему подан базовый адрес данной избирательной комиссии с адресного выхода 31 системы.
Импульс с выхода элемента 197, задержанный элементом 200 задержки на время срабатывания сумматора 195, и через выход 207 блока 10 поступает на вход 187 блока 9 и далее на счетный вход счетчика 180, подсчитывающего число избирательных комиссий, приславших сообщения в данном интервале времени.
Во-вторых, этот же импульс задерживается элементом задержки 186 на время срабатывания счетчика 180 и поступает на синхронизирующий вход компаратора 182. По этому сигналу компаратор 182 сравнивает число избирательных комиссий, приславших сообщения и зафиксированных в счетчике 180 с заданным числом избирательных комиссий в регистре 181, которые должны прислать свои сообщения.
Если число избирательных комиссий, приславших сообщения, меньше заданного числа, хранящегося в регистре 181, то на выходе 230 компаратора 182 формируется сигнал.
Этот сигнал через выход 188 блока 9 поступает на вход 96 блока 3, проходит элемент 85 ИЛИ и с выхода 101 выдается на выход 34 системы.
С выхода 34 системы импульс управления записью данных поступает на вход второго канала прерывания сервера. По этому сигналу сервер переходит на подпрограмму записи и записывает по базовому адресу на адресном выходе 31 системы итоговое количество избирателей, принявших участие в голосовании на данное время дня в данной избирательной комиссии, выдаваемое системой на информационный выход 32.
Параллельно с процессом формирования базового адреса данной избирательной комиссии в блоке 4 сам код базового адреса с выхода регистра 112 блока 4 поступает на один вход сумматора 110, на другой вход 122 которого поступает код с выхода 189 блока 9.
Сумматор 110 выполняет функцию модификации базовых адресов избирательных комиссий с целью их привязки к конкретным значениям временных интервалов, в пределах которых избирательные комиссии сообщают новые данные. Формирование модифицированных базовых адресов предназначено для упорядоченного документирования всех принимаемых сообщений избирательных комиссий прямо в процессе приема сообщений и осуществляется с помощью блока 9.
Блок 9 предназначен для фиксации моментов времени, при которых в очередном временном цикле приема сообщений от избирательных комиссий будет зафиксирован факт поступления сообщений от всех избирательных комиссий, в нашем примере – это 89 избирательных комиссий субъектов Российской Федерации.
С этой целью в процессе реализации очередного цикла приема сообщений от избирательных комиссий очередной импульс управления записью нового содержимого по базовому адресу с выхода 207 блока 10 поступает на вход 187 блока 9 и далее на счетный вход счетчика 180.
Как только показания счетчика 180 будут равны показаниям регистра 181, по сигналу опроса состояния компаратора импульсом с выхода элемента 186 задержки, поступающим на синхронизирующий вход компаратора 182, компаратор 182 выдаст сигнал на выход 231.
Этот импульс, во-первых, поступает на счетный вход счетчика 183, подсчитывающего число временных интервалов, в данном случае в счетчик 183 занесена первая единица.
Во-вторых, после задержки элементом 185 на время срабатывания счетчика 183 и триггера 184 он поступает на установочный вход счетчика 180, возвращая его в исходное состояние и подготавливая к очередному циклу приема сообщений.
В-третьих, этот же импульс поступает на единичный вход триггера 184 и устанавливает его в единичное состояние, при котором на выходе 192 будет высокий потенциал, а на выходе 191 – низкий.
Триггер 184 низким потенциалом со своего инверсного выхода 191 закрывает по одному входу элементы 113 И блока 4, блокируя тем самым подключение выхода регистра 111 блока 4 к адресному выходу 31 системы, и, наоборот, высоким потенциалом со своего прямого выхода 192 триггер 184 открывает элементы 114 И группы по одному входу, подключая тем самым выход сумматора 110 через элементы 114 И группы и элементы 117 ИЛИ группы к адресному выходу 31 системы.
И, наконец, в-четвертых, задержанный на время срабатывания счетчика 183 и триггера 184 синхронизирующий импульс с выхода 190 блока 9 поступает на вход 125 блока 4 и далее на синхронизирующий вход сумматора 110.
С поступлением каждого синхронизирующего импульса с выхода 190 блока 9 на синхронизирующий вход сумматора 110 последний формирует модифицированный базовый адрес путем последовательного прибавления к базовому адресу количества интервалов приема сообщений от избирательных комиссий.
На информационный 32 выход системы в данный момент времени с выхода 157 блока 6 через вход 220 блока 12, элементы 210 И группы, элементы 212 ИЛИ группы подан код количества избирателей, проголосовавших в данной избирательной комиссии на момент приема сообщения.
Синхронизирующий импульс с синхронизирующего входа сумматора 110 задерживается элементом 116 на время срабатывания сумматора 110 и далее с выхода 128 блока 4 поступает на вход 97 блока 3, где проходит элемент 85 ИЛИ и с выхода 101 блока 3 выдается на выход 34 системы, откуда он поступает на вход второго канала прерывания сервера.
По этому сигналу сервер переходит на подпрограмму записи присланного сообщения по модифицированному адресу.
Таким образом, все сообщения, присланные конкретной избирательной комиссией, будут последовательно документированы с жесткой привязкой к базовому адресу избирательной комиссии, а само содержимое базового адреса избирательной комиссии будет представлять собой накапливающуюся сумму числа избирателей.
Наряду с итоговым подсчетом проголосовавшего числа избирателей в каждой из избирательных комиссий система формирует итоговое число проголосовавших избирателей сразу в процессе приема сообщений от избирательных комиссий.
С этой целью выход 157 блока 6 соединен с информационным входом 170 накапливающего сумматора блока 11, который по синхронизирующему импульсу с выхода 158 блока 6 формирует нарастающим итогом результирующее число проголосовавших избирателей.
Итоговые данные нарастающим итогом с выхода блока 11 поступают через вход 142 блока 5 на входы элементов 132 И группы.
Аналогичным образом система работает и при решении функциональной задачи приема протоколов избирательных комиссий с итогами выборов после окончания проведения выборов соответствующего уровня.
При решении данной функциональной задачи на информационный вход 22 системы в соответствии с установленным регламентом по тракту передачи данных последовательно поступают сообщения (кодограммы) от Избирательных комиссий субъектов Российской Федерации, имеющие следующую структуру:
| КОД |
КОД |
КОД |
| Признак входного сообщения |
Идентификатор избирательной комиссии субъекта Российской Федерации |
Содержание протокола |
Код кодограммы с информационного входа 22 системы заносится в регистр 150 блока 6 синхронизирующим импульсом с входа 25, который проходит на синхронизирующий вход регистра 150 через элемент 152 И, открытый по второму входу высоким потенциалом с инверсного выхода триггера 151, находящегося до прихода первой кодограммы в исходном состоянии.
С выхода 155 блока 6 код признака входного сообщения поступает на вход 93 блока 3 и далее подается на вход дешифратора 82, который расшифровывает код признака входного сообщения и, в данном случае, открывает элемент 86 И по одному входу.
Параллельно с этим с выхода 156 блока 6 код идентификатора избирательной комиссии поступает на информационный вход 166 блока 7 и далее на вход дешифратора 161, который расшифровывает поступивший код, выдавая на один их своих выходов высокий потенциал. Для определенности положим, что высокий потенциал поступил на один вход элемента 162 И.
В это время синхронизирующий импульс с выхода элемента 152 И блока 6 задерживается элементом 153 на время приема кода входного сообщения в регистр 150 и срабатывания дешифратора 161 и далее, во-первых, поступает на единичный вход триггера 151 и устанавливает его в единичное состояние, при котором с инверсного выхода триггера будет выдан низкий потенциал на вход элемента 152 И, блокирующий прием следующего сообщения.
Во-вторых, этот же синхронизирующий импульс с выхода 158 блока 6 поступает на вход 167 блока 7, откуда он опрашивает состояния элементов 162-164 И.
Учитывая то обстоятельство, что открытым по одному входу будет только элемент 162 И, то, пройдя этот элемент И, синхроимпульс поступает, во-первых, на вход считывания фиксированной ячейки памяти постоянного запоминающего устройства 160, где хранится базовый адрес ячейки памяти в базе данных сервера, закрепленной за данной избирательной комиссией, и считывает ее содержимое через выход 168 на вход 121 блока 4.
С входа 121 блока 4 код базового адреса избирательной комиссии, приславшей входное сообщение, проходит через элементы 118 ИЛИ группы на информационные входы регистров 111 и 112.
Во-вторых, тот же импульс считывания кода базового адреса избирательной комиссии с выхода элемента 164 И проходит элемент 165 ИЛИ на выход 169 блока 7 и далее поступает на вход 94 блока 3, где задерживается элементом 88 задержки на время считывания содержимого фиксированной ячейки ПЗУ, проходит через открытый дешифратором 82 элемент 86 И и затем, во-первых, проходит через элемент 83 ИЛИ на выход 98 блока 3 и далее через вход 123 блока 4 поступает на синхронизирующий вход регистра 111, фиксируя в нем базовый адрес ячейки памяти, закрепленной за данной избирательной комиссией.
Во-вторых, этот же импульс с выхода элемента 86 И задерживается элементом 92 на время занесения кода базового адреса в регистр 111 блока, проходит элемент 85 ИЛИ и с выхода 101 блока 3 поступает на выход 34 системы в качестве импульса управления записью данных.
Импульс управления записью данных поступает на вход второго канала прерывания сервера. По этому сигналу сервер переходит на подпрограмму записи и записывает по базовому адресу на адресном выходе 31 системы содержание итогового протокола данной избирательной комиссии, выдаваемого системой на информационный выход 32.
Кроме того, каждый синхронизирующий импульс записи протокола в базу данных с выхода 101 поступает на вход 224 блока 12, откуда он подается на счетный вход счетчика 214, фиксирующего число итоговых протоколов, присланных избирательными комиссиями. В регистр 215 введена константа, равная числу избирательных комиссий. Показания счетчика 214 через сигнальный выход 38 системы выведены на табло отображения в центральном зале подведения итогов выборов.
Каждый синхронизирующий импульс, поступающий на вход 224 блока 12, задерживается элементом 216 на время срабатывания счетчика 214 и поступает на синхронизирующий вход компаратора 213, сравнивающего заданное число избирательных комиссий с числом комиссий, зафиксированных счетчиком 214.
Как только показания счетчика 214 и регистра 215 будут равны, на второй сигнальный выход 39 системы будет выдан сигнал о готовности протоколов всех избирательных комиссий для подведения окончательных итогов.
Как уже отмечалось выше, окончание операции приема сообщений избирательных комиссий фиксируется блоком 9, сигнал с выхода 190 которого также поступает на управляющий 47 вход блока 1 и устанавливает триггер 41 режима в единичное состояние, при котором низкий потенциал с инверсного выхода с выхода 54 блока 1 поступает на вход 205 блока 10, где блокирует работу элементов 196 И группы и элемента 197 И.
Кроме того, высоким потенциалом триггера 41 блока 1 с прямого выхода открываются элементы 42 и 43 И. Тем самым разрешается переход системы в режим выдачи справок по итоговым данным.
Структура кодограммы запроса на получение соответствующих справок имеет следующий вид:
| КОД |
КОД |
| Идентификатор рабочего места, с которого запрашиваются данные |
Тип запрашиваемых данных: |
| – либо о числе избирателей, проголосовавших на территории конкретной избирательной комиссии; |
| – либо о числе избирателей, проголосовавших за субъект РФ в целом. |
Код запроса с рабочего места пользователя поступает на информационный вход 21 блока 1, откуда поступает на информационные входы регистра 40. Одновременно на вход 24 поступает синхронизирующий импульс, который, пройдя элемент 42 И, поступает на синхронизирующий вход регистра 40 и заносит в регистр код запроса.
Код типа запроса с выхода 51 блока 1 поступает на вход 74 блока 2 и далее на вход дешифратора 61, который расшифровывает тип запроса пользователя, выдавая на один из своих выходов высокий потенциал. Для определенности положим, что высокий потенциал поступил на один вход элемента 65 И.
Параллельно с этим синхронизирующий импульс с выхода элемента 42 И проходит на выход 52 блока 1 и далее поступает на вход 75 блока 2, где задерживается элементом 71 на время срабатывания регистра 40 и дешифратора 61, и далее опрашивает состояния элементов 63-66 И.
Учитывая то обстоятельство, что открытым по одному входу будет только элемент 65 И, то, пройдя этот элемент И, синхроимпульс, во-первых, поступает на вход считывания фиксированной ячейки памяти постоянного запоминающего устройства 60, где хранится базовый адрес ячейки памяти, закрепленной за избирательной комиссией, чьи справочные данные запрашиваются.
Код базового адреса с выхода 77 блока 2 поступает на вход 120 блока 4 и далее, пройдя элементы 118 ИЛИ группы, подается на входы регистров 4, 5.
Во-вторых, тот же импульс считывания проходит элемент 70 ИЛИ блока 2 и через выход 78 блока 2 выдается на вход 95 блока 3, где задерживается элементом 89 задержки на время считывания содержимого фиксированной ячейки ПЗУ.
С выхода элемента 89 задержки указанный импульс, во-первых, через элемент 83 ИЛИ и выход 98 блока 3 поступает на вход 123 блока 4 и далее на синхронизирующий вход регистра 4, фиксируя в нем код базового адреса запрашиваемой избирательной комиссии.
Во-вторых, этот же импульс после задержки элементом 91 на время занесения базового адреса избирательной комиссии в регистр 4 проходит элемент 84 ИЛИ и через выход 100 блока 3 поступает на выход 33 системы и далее на вход первого канала прерывания сервера.
По этому сигналу сервер переходит на подпрограмму считывания содержимого базы данных по базовому адресу избирательной комиссии, который с выхода регистра 111 блока 4 проходит элементы 113 И группы, открытые высоким потенциалом с входа 126, элементы 117 ИЛИ группы и выдается на адресный 31 выход системы.
Содержимое базового адреса запрашиваемой избирательной комиссии считывается из базы данных сервера и через информационный вход системы поступает на информационный вход регистра 8, куда оно заносится импульсом синхронизации сервера, который также поступает на вход 46 блока 1, где задерживается элементом 44 на время занесения данных в регистр 12, и далее, пройдя элемент 43 И, выдается на выход 53 в качестве импульса синхронизации выдачи ответа на запрос пользователя.
Этот импульс поступает на синхронизирующий вход 144 блока 5, проходит элемент 138 ИЛИ и далее переписывает содержимое базового адреса запрашиваемой избирательной комиссии регистра 12 с входа 143 блока 5 через открытые элементы 133 И группы, элементы 137 ИЛИ группы и элементы И одной из групп 134-136 на рабочее место пользователя, приславшего запрос через один из выходов 35-37 системы.
Для этого параллельно с описанным процессом код идентификатора рабочего места пользователя с выхода 50 блока 1 поступает на вход 141 блока 5 и далее на входы дешифратора 131, который открывает одну из групп 134-136, соответствующую выбранному рабочему месту пользователя.
Содержимое регистра 8 поступает на вход 143 блока 5 и далее через элементы 133 И группы, которые открыты по второму входу высоким потенциалом с инверсного выхода 81 триггера 62 блока 2, подаваемого через вход 147 блока 5, проходит через элементы 137 ИЛИ группы и далее поступает на входы групп элементов 148-150 И.
После выдачи справки на соответствующее рабочее место все узлы и элементы системы устанавливаются в исходное состояние тем же импульсом с выхода элемента 138 ИЛИ, задержанным на время выдачи данных (для упрощения чертежа цепи установки узлов и блоков системы в исходное состояние на чертеже не показаны).
Если же в систему поступает запрос второго типа, по которому пользователь запрашивает итоговую сумму числа избирателей, проголосовавших во всех субъектах Российской Федерации, то в этом случае дешифратор 61 блока 1 открывает по одному входу элемент 66 И, через который синхронизирующий импульс с входа 75 проходит на единичный вход триггера 62 и устанавливает его в единичное состояние.
В этом случае высоким потенциалом с выхода 80 блока 2, поступающим на вход 146 блока 5, элементы 132 И группы будут открыты, а элементы 133 И группы закрыты. При этом выход блока 11 через вход 142 блока 5 будет подключен к каналу выдачи данных на рабочее место пользователя, приславшего запрос.
Синхронизирующий импульс с выхода элемента 66 И блока 2 задерживается элементом 72 на время срабатывания триггера 62 и подключения выхода блока 11 к каналу выдачи данных на рабочее место пользователя и с выхода 79 блока 2 поступает на вход 145 блока 5, где проходит элемент 138 ИЛИ и поступает на синхронизирующий вход элементов 134-136 И групп, обеспечивая выдачу запрашиваемых данных.
Таким образом, введение новых узлов и блоков и новых конструктивных связей позволило существенно повысить быстродействие системы путем исключения затрат времени, связанных с выполнением процедур предварительной записи всей получаемой информации в базу данных, их последующим поиском и обработкой.
Источники информации
1. Патент США №0505651, М. кл. G 06 F 13/40, 13/38, 1992.
2. Патент США №05129083, М. кл. G 06 F 12/00, 15/40, 1992 (прототип).
Формула изобретения
Информационная система слежения за ходом голосования избирателей, содержащая первый входной блок, предназначенный для записи кода запроса, поступающего на первый информационный вход системы, выдачи кода запроса, задержки содержимого базового адреса запрашиваемой избирательной комиссии на время записи кода запроса и выдачи импульса синхронизации ответа запроса пользователя, информационный и синхронизирующий входы которого являются первыми информационным и синхронизирующим входами системы, а один информационный выход соединен с первым информационным входом блока коммутации каналов выдачи данных, информационные выходы группы которого являются информационными выходами группы системы, второй входной блок, информационный и синхронизирующий входы которого являются вторыми информационным и синхронизирующим входами системы, а синхронизирующий выход соединен с управляющим входом первого входного блока, блок вычисления нарастающего итога, синхронизирующий вход которого подключен к синхронизирующему выходу второго входного блока, предназначенного для записи сообщений от избирательных комиссий о ходе голосования избирателей, поступающих на второй информационный вход системы, выдачи кода признака сообщения и кода идентификатора избирательной комиссии, задержки синхронизирующего импульса на время приема указанного выше сообщения от избирательной комиссии и выдачи этого синхронизирующего сигнала, а выход соединен со вторым информационным входом коммутации каналов выдачи данных, блок приема записей базы данных сервера, информационный и синхронизирующий входы которого являются третьими информационным и синхронизирующим входами системы, а информационный выход соединен с третьим информационным входом блока коммутации каналов выдачи данных, блок формирования адресов базы данных сервера, информационный выход которого является адресным выходом системы, блок интеграции выходных данных, выход которого является информационным выходом системы, отличающаяся тем, что она содержит блок идентификации входных сообщений, информационный вход которого соединен с первым информационным выходом второго входного блока, а первый и второй синхронизирующие выходы которого являются первым и вторым синхронизирующими выходами системы, блок идентификации источников данных, информационный вход которого соединен с другим информационным выходом первого входного блока, синхронизирующий вход подключен к одному синхронизирующему выходу первого входного блока, информационный выход соединен с первым информационным входом блока формирования адресов базы данных сервера, а первый синхронизирующий выход подключен к тактирующему входу блока идентификации входных сообщений, при этом другой синхронизирующий выход первого входного блока соединен с первым синхронизирующим входом блока коммутации каналов выдачи данных, второй синхронизирующий выход блока идентификации источников данных подключен ко второму синхронизирующему входу блока коммутации каналов выдачи данных, первый и второй управляющие входы которого соединены с первым и вторым управляющими выходами блока идентификации источников данных соответственно, блок селекции базовых адресов источников данных, информационный вход которого соединен со вторым информационным выходом второго входного блока, а синхронизирующий вход подключен к синхронизирующему выходу второго входного блока, при этом информационный выход блока селекции базовых адресов источников данных соединен со вторым информационным входом блока формирования адресов базы данных сервера, а синхронизирующий выход подключен к первому синхронизирующему входу блока идентификации входных сообщений, первый и второй тактирующие выходы которого соединены с первым и вторым тактирующими входами блока формирования адресов базы данных сервера соответственно, блок вычисления текущего итога, один информационный вход которого соединен с выходом блока приема записей базы данных сервера, другой информационный вход блока вычисления текущего итога подключен к третьему выходу второго входного блока, синхронизирующий вход блока вычисления текущего итога соединен с третьим синхронизирующим входом системы, а управляющий вход блока вычисления текущего итога подключен к управляющему выходу первого входного блока, при этом информационный выход блока вычисления текущего итога соединен с одним информационным входом блока интеграции выходных данных, другой информационный вход которого подключен к третьему информационному выходу второго входного блока, подключенному к информационному входу блока вычисления нарастающего итога, блок формирования интервалов приема данных, счетный вход которого соединен с синхронизирующим выходом блока вычисления текущего итога, информационный выход подключен к третьему информационному входу блока формирования адресов базы данных сервера, один синхронизирующий выход соединен со вторым синхронизирующим входом блока идентификации входных сообщений, а другой синхронизирующий выход подключен к синхронизирующему входу блока формирования адресов базы данных сервера и к установочному входу первого входного блока, при этом первый и второй управляющие выходы блока формирования интервалов приема данных соединены с первыми и вторыми управляющими входами блоков формирования адресов базы данных сервера и интеграции выходных данных соответственно, при этом счетный вход блока интеграции выходных данных подключен ко второму синхронизирующему выходу блока идентификации входных сообщений, информационный и синхронизирующий выходы блока интеграции выходных данных являются первым и вторым сигнальными выходами системы, синхронизирующий выход блока формирования адресов базы данных сервера соединен с третьим синхронизирующим входом блока идентификации входных сообщений, а второй синхронизирующий вход первого входного блока подключен к третьему синхронизирующему входу системы.
РИСУНКИ
PC4A – Регистрация договора об уступке патента СССР или патента Российской Федерации на изобретение
Прежний патентообладатель:
Романов Анатолий Николаевич, Семилетов Станислав Иванович, Славин Олег Анатольевич
(73) Патентообладатель:
Федеральное государственное унитарное предприятие “Научно-исследовательский институт “Восход”
Договор № РД0020848 зарегистрирован 16.04.2007
Извещение опубликовано: 27.05.2007 БИ: 15/2007
MM4A – Досрочное прекращение действия патента СССР или патента Российской Федерации на изобретение из-за неуплаты в установленный срок пошлины за поддержание патента в силе
Дата прекращения действия патента: 15.10.2007
Извещение опубликовано: 27.06.2009 БИ: 18/2009
NF4A – Восстановление действия патента СССР или патента Российской Федерации на изобретение
Дата, с которой действие патента восстановлено: 20.05.2010
Извещение опубликовано: 20.05.2010 БИ: 14/2010
|
|