|
|
(21), (22) Заявка: 2004138347/14, 27.12.2004
(24) Дата начала отсчета срока действия патента:
27.12.2004
(43) Дата публикации заявки: 10.06.2006
(46) Опубликовано: 10.02.2007
(56) Список документов, цитированных в отчете о поиске:
RU 2007991 C1, 28.02.1994. RU 2005460 C1, 15.01.1994. RU 2169551 C1, 27.06.2001. RU 2142251 C1, 10.12.1999. КОРЕНЕВСКИЙ Н.А. и др. Проектирование медико-экологических информационных систем. Курск, 2001, с.25-45. WO 92/19155 A1, 12.11.1992.
Адрес для переписки:
305040, г.Курск, ул. 50 лет Октября, 94, КГТУ, ОИС
|
(72) Автор(ы):
Кореневский Николай Алексеевич (RU), Филист Сергей Алексеевич (RU), Буняев Виктор Владимирович (RU)
(73) Патентообладатель(и):
Государственное образовательное учреждение высшего профессионального образования “Курский государственный технический университет” (RU)
|
(54) УСТРОЙСТВО ДЛЯ РЕФЛЕКСОТЕРАПИИ
(57) Реферат:
Изобретение относится к медицине, а именно к устройствам воздействия на биологически активные точки. Устройство для рефлексотерапии содержит блок электродов и блок двунаправленных ключей, 2 m двунаправленных входов-выходов которого соединены с 2 m двунаправленными входами-выходами блока электродов, многоканальный формирователь терапевтических воздействий, 2 m выходов которого соединены с 2 m четных входов блока двунаправленных ключей, и блок принятия решений и управления, дополнительно в него введены первый мультиплексор, входы которого подключены к m нечетным входам блока двунаправленных ключей, предназначенных для подключения к четным электродам блока электродов, второй мультиплексор, входы которого подключены к m нечетным входам блока двунаправленных ключей, предназначенных для подключения к нечетным электродам блока электродов, блок оптронной развязки, выход которого подключен к управляющим входам первого и второго мультиплексоров, регистр, выход которого подключен к входу блока оптронной развязки, а второй вход – к шине данных блока принятия решений и управления, схема формирования сигнала, первый вход которой соединен с выходом первого мультиплексора, а второй – с выходом второго мультиплексора, схема формирования адреса и управления, первый выход которой подключен к первому входу регистра, второй – к третьему входу схемы формирования сигнала, а третий – к входу управления блока двунаправленных ключей, ее первый вход подключен к шине управления блока принятия решений и управления, а второй – к шине адреса блока принятия решений и управления; аналого-цифровой преобразователь, аналоговый вход которого подключен к выходу схемы формирования сигнала, а вход управления – к четвертому выходу схемы формирования адреса и управления; шинный формирователь, первый вход которого подключен к первому выходу аналого-цифрового преобразователя, второй вход – ко второму выходу аналого-цифрового преобразователя, третий вход подключен к пятому выходу схемы формирования адреса, а четвертый – к шине данных блока принятия решений и управления; и блок управления каналами воздействия, первый, второй и третий выходы которого подключены к соответствующим входам многоканального формирователя терапевтических воздействий, а входные шины управления, данных и адреса – к соответствующим шинам блока принятия решений. Использование изобретения позволяет повысить качество лечения заболеваний за счет одновременного мониторинга множества биоактивных точек и анализа их состояния в комплексе. 4 з.п. ф-лы, 5 ил.
Изобретение относится к медицине, а именно к устройствам воздействия на биологически активные точки, например, электрическим током. Предлагаемое устройство может найти применение при решении задач повышения качества медицинского обслуживания населения.
Наиболее близким к изобретению является устройство для диагностики функционального состояния кожного покрова человека и его терапии (см. патент РФ №2007991, опубл. 29.02.94. Бюл. №4), содержащее блок активных и пассивных электродов, подключенных к входу коммутатора, блок терапевтических воздействий, а также программно-регистрирующий блок, в котором анализатор сигналов выполнен в виде ЭВМ, включенной между входом коммутатора и входом программно-регистрирующего блока.
Недостаток устройства – отсутствие возможности одновременного воздействия на несколько биологически активных точек и контроля за их состоянием в реальном времени.
Задачей изобретения является одновременный мониторинг множества биоактивных точек и определение характера терапевтического воздействия по анализу их состояния в комплексе, что приводит к повышению качества лечения различных заболеваний при сокращении сроков лечения и увеличении времени ремиссии.
Поставленная задача решается посредством того, что в устройство рефлексотерапии, содержащее блок электродов и блок двунаправленных ключей, 2 m двунаправленных входов-выходов которого соединены с 2 m двунаправленными входами-выходами блока электродов, многоканальный формирователь терапевтических воздействий, 2 m выходов которого соединены с 2 m четных входов блока двунаправленных ключей, и блок принятия решений, дополнительно введены первый мультиплексор, входы которого подключены к m нечетным входам блока двунаправленных ключей, предназначенных для подключения к четным электродам блока электродов, второй мультиплексор, входы которого подключены к m нечетным входам блока двунаправленных ключей, предназначенных для подключения к нечетным электродам блока электродов, блок оптронной развязки, выход которого подключен к управляющим входам первого и второго мультиплексоров, регистр, выход которого подключен к входу блока оптронной развязки, а второй вход – к шине данных блока принятия решений и управления, схема формирования сигнала, первый вход которой соединен с выходом первого мультиплексора, а второй – с выходом второго мультиплексора, схема формирования адреса и управления, первый выход которой подключен к первому входу регистра, второй – к третьему входу схемы формирования сигнала, а третий – к входу управления блока двунаправленных ключей, ее первый вход подключен к шине управления блока принятия решений, а второй – к шине адреса блока принятия решений; аналого-цифровой преобразователь, аналоговый вход которого подключен к выходу схемы формирования сигнала, а вход управления – к четвертому выходу схемы формирования адреса и управления; шинный формирователь, первый вход которого подключен к первому выходу аналого-цифрового преобразователя, второй вход – ко второму выходу аналого-цифрового преобразователя, третий вход подключен к пятому выходу схемы формирования адреса и управления, а четвертый – к шине данных блока принятия решений и управления; и блок управления каналами воздействия, первый, второй и третий выходы которого подключены к соответствующим входам многоканального формирователя терапевтических воздействий, а входные шины управления, данных и адреса – к соответствующим шинам блока принятия решений.
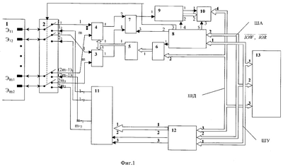
На фиг.1 представлена структурная схема предлагаемого устройства.
На фиг.2 представлена структурная схема формирования сигнала.
На фиг.3 представлена структурная схема схемы формирования адреса и управления.
На фиг.4 представлена структурная схема многоканального формирователя терапевтических воздействий.
На фиг.5 представлена структурная схема блока управления каналами воздействия.
Устройство для рефлексотерапии (Фиг.1) содержит блок электродов 1, подключенный к выходам блока двунаправленных ключей 2, первый мультиплексор 3, к информационным входам которого подключены нечетные входы блока двунаправленных ключей 2, связанные с четными электродами блока 1; второй мультиплексор 4, к информационным входам которого подключены нечетные входы блока двунаправленных ключей 2, связанные с нечетными электродами блока 1; блок оптронной развязки 5, выход которого подключен к входам управления мультиплексоров 3 и 4; регистр 6, выход которого подключен ко входу блока 5; схему формирования сигнала 7, первый вход которой подключен к выходу мультиплексора 3, а второй – к выходу мультиплексора 4; схему формирования адреса и управления 8, первый выход которой подключен к первому входу регистра 6, а второй – к третьему входу блока 7, третий – к входу управления блока 2; аналогово-цифровой преобразователь 9, первый вход которого подключен к выходу блока 7, второй – к четвертому выходу блока 8, шинный формирователь 10, первый вход которого подключен к первому выходу блока 9, второй – ко второму выходу блока 9, а третий – к пятому выходу блока 8; многоканальный формирователь терапевтических воздействий 11, выходы которого подключены к четным входам блока 2; блок управления каналами воздействия 12, первый, второй и третий выходы которого подключены соответственно к первому, второму и третьему входам блока 11, первый вход соединен с первым входом блока 8, второй – с вторым входом блока 8, и третий – со вторым входом блока 6 и с четвертым входом блока 10; блок принятия решения и управления 13, три шины которого подключены к соответствующим входам блока 12.
Схема 7 формирования сигнала (фиг.2) содержит: первый усилитель 14 с гальванической развязкой, вход которого подключен к выходу мультиплексора 3; второй усилитель 15 с гальванической развязкой, вход которого подключен к выходу мультиплексора 4; дифференциальный усилитель 16, входы которого подключены к соответствующим выходам усилителей 14 и 15; преобразователь 17 сопротивления в напряжение, входы которого подключены к соответствующим входам усилителей 14 и 15; коммутатор 18, первый вход которого подключен к выходу блока 16, второй – к выходу блока 17, третий – ко второму выходу блока 8, а выход – к первому входу блока 9.
Схема 8 формирования адреса и управления (фиг.3) содержит: элемент 19 задержки, вход которого соединен с первым входом блока 6, а выход – со вторым входом АЦП 9; первый триггер 20, выход которого соединен с третьим входом блока 7; второй триггер 21, выход которого соединен с входом управления блока 2; шесть схем И 22-27, выходы которых подключены к соответствующим входам установки триггеров 20 и 21, к входу элемента задержки 19 и третьему входу блока 10; дешифратор 28 адреса, выходы которого подключены к соответствующим первым входам схем И 22-27, а вход – ко второй шине блока 13; элемент НЕ 29, выход которого подключен ко вторым входам схем И 22-26, а вход – к соответствующему разряду первой шины блока 13; элемент НЕ 30, выход которого подключен ко второму входу схемы И-27, а вход – к соответствующему разряду первой шины блока 13.
Многоканальный 11 формирователь терапевтических воздействий (фиг.4) содержит: m усилителей 47 мощностей с гальванической развязкой, выходы которых подключены к четным входам блока 2; m устройств 48 выборки-хранения, выходы которых подключены к соответствующим входам m усилителей 47 мощностей; цифроаналоговый преобразователь (ЦАП) 49, выход которого подключен к m информационным входам устройств 48 выборки-хранения; регистр 50 воздействия, выход которого подключен к входу ЦАП 49, первый вход – к первому выходу блока 12, а второй – ко второму выходу блока 12; дешифратор 51 каналов, m выходов которого подключены к соответствующим входам управления m устройств 48 выборки-хранения; регистр 52 номера канала, выход которого подключен к входу дешифратора 51, первый вход – к первому входу регистра 50, второй – к третьему выходу блока 12.
Блок 12 управления каналами воздействия (фиг.5) содержит: постоянное 31 запоминающее устройство; оперативное 32 запоминающее устройство; шинный формирователь 33 данных, выход которого соединен с выходами блоков 31 и 32, а первый вход подключен к третьей шине блока 13; шинный формирователь 34 адреса, выход которого подключен к вторым входам блоков 31 и 32, а первый вход подключен ко второй шине блока 13; шинный формирователь команд 35, выход которого подключен к первым входам блоков 31 и 32, а первый вход подключен к первой шине блока 13; триггер 36 обмена, выход которого подключен ко вторым входам формирователей 33, 34 и 35; триггер 37 запроса прерывания; первую 38, вторую 39 и третью 40 схемы И, причем вход первой схемы И подключен к первому входу триггера 36, второй – ко вторым входам триггеров 36 и 37, третьей – к первому входу триггера 37; дешифратор 41 адреса, три первых выхода которого подключены к соответствующим первым входам схем И 38-40, а его вход соединен со второй шиной блока 13; первый 42 и второй 43 инверторы, входы которых соединены с соответствующими разрядами первой шины блока 13, а выход первого инвертора подключен ко вторым входам схем И 39-40; триггер разрешения 44 прямого доступа, первый вход которого соединен с выходом схемы И 39; шинный формирователь 45 прямого доступа, первый вход которого соединен с выходом инвертора 43, второй – с четвертым выходом дешифратора 41, третий – с выходом триггера 44, а выход подключен к соответствующему разряду первой шины блока 13; микроконтроллер 46, первый вход которого подключен к выходу шинного формирователя 33, второй – к выходу триггера запроса прерывания 37, а его 1, 2 и 3 выходы соединены с соответствующими входами блока 11, четвертый – с вторым входом триггера разрешения прямого доступа 44, пятый – с выходом формирователя 35, а шестой – с выходом формирователя 34.
Устройство работает следующим образом.
При необходимости поиска аккупунктурных точек одна из пар электродов блока 1 используется как измеритель сопротивления. Для этого по программе работы блока 13 принятия решений и управления, выполненного как микро-ЭВМ или ПЭВМ, задается режим измерения сопротивления на постоянном токе. Такой режим блок 13 принятия решения и управления задает следующим образом. По первой шине (шине адреса) для схемы формирования адреса 8 и управления выставляется адрес переключения ключей блока 2 двунаправленных ключей в верхнее положение. По этому адресу после поступления сигнала IOW с шины управления блока 13 принятия решений и управления схема 8 формирования адреса и управления на своем третьем выходе вырабатывает потенциал, переводящий ключи блока 2 двунаправленных ключей в верхнее положение. Аналогично по другому адресу на втором выходе схемы 8 формирования адреса и управления вырабатывается потенциал, приводящий схему 7 формирования сигнала в режим измерения сопротивления. Далее блок 13 принятия решения и управления на первой шине (шине адреса) выставляет адрес обращения к регистру 6 через схему 8 формирования адреса и управления, которая по сигналу IOW со второй шины (шины управления) по своему первому выходу формирует сигнал записи кода адреса с третьей шины (шины данных) блока 13 принятия решений и управления в регистр 6.
Таким образом, в регистре 6 оказывается код номера электродной пары, выбранной как индикатор электрокожного сопротивления. Этот код через блок 5 оптронной развязки подается на первые входы первого 3 и второго 4 мультиплексоров, обеспечивающих коммутацию выбранного входа к своему выходу и далее на первый и второй входы схемы 7 формирования сигнала. Блок 5 оптронной развязки обеспечивает гальваническую развязку электродов от основных элементов устройства, обеспечивая требуемую безопасность для пациента. В результате сопротивление между парой выбранных электродов, преобразованное схемой 7 формирования сигнала в электрическое напряжение, подается на вход аналогово-цифрового 9 преобразователя, который переводит аналоговое напряжение, пропорциональное величине сопротивления, в цифровой код, который через шинный 11 формирователь по командам со стороны блока 13 принятия решений и управления считывается в него с формированием соответствующих отсчетов. В результате обработки этих отсчетов на экране монитора блока 13 принятия решений и управления строится график величины сопротивления от номера опроса аналогово-цифрового 9 преобразователя. Расположение искомой проекционной зоны (ПЗ) или, в частном случае, биологически активной точки (БАТ) соответствует минимальному значению сопротивления, указанному на графике. Таким образом отыскивается положение всех проекционных зон (БАТ), которые считаются информативными по отношению к выбранному стеку заболеваний органов (и) или функциональных систем и тех точек (ПЗ), на которые планируется воздействовать с целью получения некоторого терапевтического эффекта.
После выбора всех информативных точек для диагностики и терапии на них накладываются пары электродов блока 1 электродов. Далее, аналогично тому, как это было описано при реализации процедуры поиска проекционных зон (БАТ), схема 7 формирования сигнала переводится в режим измерения напряжения (сигнал логической единицы на его третьем входе) или в режим измерения сопротивления (сигнал логического нуля на его третьем входе).
Дополнительно схема формирования сигнала обеспечивает гальваническую развязку пациента от основных элементов и узлов устройства.
Далее блок 13 принятия решений и управления организует цикл опроса пар электродов через блок 5 оптронной развязки, меняя коды в регистре 6 и управляя тем самым работой первого 3 и второго 4 мультиплексоров. Результаты опроса преобразуются аналогово-цифровым 9 преобразователем в цифровой код и через шинный формирователь 10 и шину данных последовательно поступают в блок 13 принятия решений и управления, где формируются файлы данных об энергетических состояниях проекционных зон (БАТ), над которыми расположены электроды блока 1 электродов. Анализируя файлы данных по энергетическим состояниям проекционных зон, блок 13 принятия решений и управления формирует программы воздействия на проекционные зоны (БАТ), которые вместе с соответствующими данными переписываются в память блока 12. Такая логика организации работы устройства позволяет блоку 13 решать задачи анализа информации о состоянии пациента, общаться с врачом, формировать новую тактику терапии воздействия во время проведения очередного терапевтического сеанса.
На этапе терапевтических воздействий блок 12 управления каналом воздействия, выполненный на микроконтроллере, работает по программам, загруженным в оперативное запоминающее устройство блок, и задает для многоканального формирователя 11 терапевтических воздействий частоту и амплитуду электрических сигналов воздействия на электроды блока 1 электродов через блок 2 двунаправленных ключей.
Кроме этого, на этапе электротерапии блок 13 принятия решений и управления посредством схемы 8 формирователя адреса и управления переводят ключи блока 2 в положение 2, подключая выходы многоканального 11 формирователя терапевтических воздействий к электродам блока 1 электродов.
В схеме 7 формирования сигналов (Фиг.2) первый усилитель 14 с гальванической развязкой и второй усилитель 15 с гальванической развязкой усиливают напряжение, поступающее с выхода первого 3 и выхода второго 4 мультиплексоров, и обеспечивают гальваническую развязку пациентов от остальной части схемы.
Дифференциальный усилитель 16 осуществляет усиление полезного сигнала и подавление сигнала синфазной помехи. Преобразователь 17 сопротивления в напряжение преобразует сопротивление, регистрируемое между первым и вторым входом, в напряжение и обеспечивает гальваническую развязку электродов от коммутатора 18, который в зависимости от наличия по третьему входу подключает к выходу 1 или дифференциальный усилитель 16, или преобразователь 17 сопротивления в напряжение.
Схема 8 формирования адреса и управления (фиг.3) работает следующим образом.
При подаче по шине адреса (второй вход схемы 8 формирования адреса и управления) кода обращения к шинному формирователю 10 на первом выходе дешифратора 28 адреса вырабатывается сигнал, который передается на выход шестой схемы И при появлении на шине управления (вход 1 схемы формирования адреса 8 и управления) сигнала IOR, инвертируемого вторым элементом НЕ 30. Сигнал с выхода шестой схемы И поступает на пятый выход схемы 8 формирователя адреса и управления и подключает шинный формирователь 10 (фиг.1) к шине данных блока 13 принятия решений и управления.
Для управления ключами блока 2 двунаправленных ключей в схеме 8 формирования адреса и управления используется триггер 21, который устанавливается в состояние 1 через схему И 26 по сигналу IOW с шины управления и по адресу, возбуждающему второй выход дешифратора 28 адреса. В состояние 0 этот триггер устанавливается по адресу, возбуждающему третий выход дешифратора 28 адреса, и по сигналу IOW через схему И 25. Первый элемент НЕ 29 инвертирует сигнал IOW, обеспечивая правильное срабатывание пяти схем И (22-26).
Для изменения режима работы схемы 7 формирования сигнала (измерение напряжения – измерение сопротивления) в схеме 8 формирования адреса и управления используется триггер 20, управляемый аналогично триггеру 21 по четвертому и пятому выходам дешифратора 28 адреса.
Для приема информации в регистр 6 с шины данных блока 13 принятия решений и управления последней выставляется адрес, возбуждающий шестой выход дешифратора 28 адреса, и по сигналу IOW с шины управления схема И 22 формирует сигнал на первом выходе схемы 8 формирования адреса и управления. Через время задержки, определяемое элементом 19 задержки на четвертом выходе схемы 8 формирования адреса и управления, вырабатывается сигнал начала преобразования для аналогово-цифрового 9 преобразователя.
Многоканальный 11 формирователь терапевтических воздействий (фиг.4) управляется со стороны блока 12 управления каналами воздействия. В этом формирователе скорость сканирования БАТ определяется программой, переданной из блока 13 принятия решений и управления в ОЗУ блока 12. Цифровой код регистра 50 воздействий управляет цифроаналоговым преобразователем 49 и превращается в аналоговое напряжение, величина которого пропорциональна величине напряжения воздействия на проекционные зоны (БАТ). Далее это напряжение записывается и хранится в том из устройств 48 выборки хранения, которое выбрано кодом регистра 52 номера канала через дешифратор 51 каналов. Напряжение с выхода устройств 48-1÷48-m выборки хранения усиливается усилителями 47 мощности с гальванической развязкой и поступает на выходы 1-1-m-2 многоканального 11 формирователя терапевтических воздействий. Если по логике работы устройства в заданный промежуток времени не требуется проводить воздействий, в регистр 50 воздействия со второй шины данных записывается код нуля.
Блок 12 управления каналом воздействия (фиг.5) обеспечивает управление каналами воздействия.
В постоянном запоминающем устройстве 31 записаны команды начального запуска, обслуживания и тестирования правильности работы блока 12 управления каналами воздействия, который выполнен на микроконтроллере со стандартными циклами обмена.
Обмен командами и данными между блоком 12 управления каналами воздействия и блоком 13 принятия решения и управления осуществляется по инициативе последнего. Для этого он на своей шине адреса выставляет код обращения к триггеру 37 запроса прерывания. Этот адрес расшифровывается дешифратором 41 адреса, который на своем третьем выходе вырабатывает разрешающий сигнал для схемы И 40.
В момент появления стробирующего сигнала IOW, посылаемого при реализации команды записи по шине управления, триггер 37 запроса прерывания устанавливается в состояние “1”, формируя для блока 12 управления каналами воздействия сигнал запроса прерывания HOLD. В ответ на этот сигнал блок 12 управления каналами воздействия отключается от своих шин и выставляет сигнал ответа HOLDA, который устанавливает триггер разрешения 44 прямого доступа в состояние “1”.
Следующей командой со стороны блока 13 принятия решения и управления по шине адреса дешифратора 41 адреса разрешается стробирующему сигналу IOW установка триггера 36 обмена в единичное состояние. При этом шинные формирователи адреса 34, данных 33 и команд 35 переводятся из третьего состояния в режим передачи входной информации на свои входы. Происходит “захват” шин блока 12 управления каналами воздействия шинами блока 13 принятия решения и управления. Далее блок 13 принятия решений и управления выполняет команду по опросу триггера разрешения 44 прямого доступа через шинный формирователь 45. Если триггер разрешения 44 прямого доступа при выполнении обращения к шинному формирователю 45 прямого доступа через четвертый выход дешифратора 41 адреса при наличии сигнала IOR, инвертируемого вторым элементом НЕ 43, находится в единичном состоянии, на выходе формирователя 45 прямого доступа формируется импульс IRQ, который подается на вход запроса прерывания блока 13 принятия решения и управления. Получив сигнал IRQ, последний переходит в режим обработки прерывания, суть которого состоит в организации пересылок команд и данных из своей памяти в оперативное 32 запоминающее устройство в режиме прямого доступа к памяти (ПДП).
По окончании обмена блок 13 принятия решений и управления переводит триггер 36 обмена через третий выход дешифратора 41 адреса в нулевое состояние. Когда триггер 36 обмена переводится в нулевое состояние, шинные формирователи данных 33, адреса 34 и команд 35 переводятся в третье состояние, разрывая связь между шинами адресов, команд и данных на входе и выходе блока. Одновременно с этим устанавливается в нулевое состояние триггер 37 запроса прерывания, снимая сигнал запрос прямого доступа к памяти и триггера разрешения 44 прямого доступа, исключая появление сигнала IRQ.
Конкретные примеры
Пример 1. Больной Д. 40 лет, множественные очаги поражения на коже с достаточно выраженной экссудацией экскориациями и геморрагическими корками. Зуд умеренный, лимфатические узлы увеличены до размеров фасоли. Энергетическое сопротивление БАТ G1 11 изменено на 70%. Диагноз: средняя стадия течения АД. Анализ электрического сопротивления точек, связанных с ситуациями, представленными на точке G1 11, показал, что, кроме АД, у больного наблюдается гипертония, что не позволяет использовать точку G1 11 терапии. В связи с этим для терапии были использованы точки ушной раковины, имеющие связь с симптомами АД.
Рассчитанные данные для воздействия: импульсный ток с силой 15 мкА, длительность сеанса 3 мин.
Назначена комбинированная терапия. Уменьшение зуда наблюдается после первой процедуры биоуправляемой рефлексотерапии, а его полное исчезновение через 6 дней. Клинические проявления АД были ликвидированы к середине 8 дня. Среднее время выздоровления при традиционной терапии составляет 11 дней.
Пример 2. Больная С. 45 лет. Диагноз: гипертоническая болезнь 2-ой стадии. Жалобы: боль в области сердца. Головная боль в затылочной области, плохой сон. Объективно: пульс 75 уд/мин, АД 210/160 мм рт.ст.
Для терапии выбраны точки RP6, Е36, F3.
Рассчитанные параметры для терапии: ток импульсный, напряжение 10 вольт при токе 40 мкА, длительность воздействия 5 мин. Перед сеансом на второй день АД 180/100 мм рт.ст., после сеанса при силе тока 30 мкА АД 130/95 мм рт.ст. Контроль через неделю 125/85 мм рт.ст., жалобы исчезли.
Пример 4. Больная Е. 35 лет. Диагноз: бронхиальная астма, хронический бронхит. Жалобы: частые (1 раз в неделю) приступы, удушье, кашель с мокротой, одышка при ходьбе, частые пневмонии.
Объективно: частота дыхания 25 раз в минуту, пульс 80 уд/мин. В легких ослабленное везикулярное дыхание.
Жизненная емкость легких 3000 мл.
Точки для воздействия V13, РР6, G1 11. Параметры воздействия – бегущая волна с частотой пробега 10 Гц, ток 50 мкА. После 4-х сеансов: дыхание – 18 раз в минуту, пульс – 70 ударов в мин, дыхание везикулярное, хорошо прослушиваемое, ЖУЛ 4500 мл, в течение 3-х месяцев рецидивов не наблюдалось.
Таким образом, предлагаемое устройство позволяет повысить качество лечения при сокращении сроков лечения, обладает хорошей переносимостью и дает стойкую ремиссию при лечении различных заболеваний.
Формула изобретения
1. Устройство для рефлексотерапии, содержащее блок электродов и блок двунаправленных ключей, 2 m двунаправленных входов-выходов которого соединены с 2 m двунаправленными входами-выходами блока электродов, многоканальный формирователь терапевтических воздействий, 2 m выходов которого соединены с 2 m четных входов блока двунаправленных ключей, и блок принятия решений и управления, отличающееся тем, что в него дополнительно введены первый мультиплексор, входы которого подключены к m нечетным входам блока двунаправленных ключей, предназначенных для подключения к четным электродам блока электродов, второй мультиплексор, входы которого подключены к m нечетным входам блока двунаправленных ключей, предназначенных для подключения к нечетным электродам блока электродов, блок оптронной развязки, выход которого подключен к управляющим входам первого и второго мультиплексоров, регистр, выход которого подключен к входу блока оптронной развязки, а второй вход – к шине данных блока принятия решений и управления, схема формирования сигнала, первый вход которой соединен с выходом первого мультиплексора, а второй – с выходом второго мультиплексора, схема формирования адреса и управления, первый выход которой подключен к первому входу регистра, второй – к третьему входу схемы формирования сигнала, а третий – к входу управления блока двунаправленных ключей, ее первый вход подключен к шине управления блока принятия решений и управления, а второй – к шине адреса блока принятия решений и управления; аналого-цифровой преобразователь, аналоговый вход которого подключен к выходу схемы формирования сигнала, а вход управления – к четвертому выходу схемы формирования адреса и управления; шинный формирователь, первый вход которого подключены к первому выходу аналого-цифрового преобразователя, второй вход – к второму выходу аналого-цифрового преобразователя, третий вход подключен к пятому выходу схемы формирования адреса, а четвертый – к шине данных блока принятия решений и управления; и блок управления каналами воздействия, первый, второй и третий выходы которого подключены к соответствующим входам многоканального формирователя терапевтических воздействий, а входные шины управления, данных и адреса – к соответствующим шинам блока принятия решений.
2. Устройство по п.1, отличающееся тем, что схема формирования сигнала содержит два усилителя с гальванической развязкой, дифференциальный усилитель, преобразователь сопротивления в напряжение и коммутатор, причем выход коммутатора является выходом схемы формирования сигнала, третий вход которой является третьим входом коммутатора, первый вход которого соединен с выходом дифференциального усилителя, а второй вход с выходом преобразователя сопротивления в напряжение, входы которого являются первым и вторым входами схемы формирования сигнала и входами первого и второго усилителей с гальванической развязкой, выходы которых подключены к прямому и инверсному входам дифференциального усилителя.
3. Устройство по п.1, отличающееся тем, что схема формирования адреса и управления содержит элемент задержки, два триггера, шесть схем И, дешифратор адреса и два элемента НЕ, причем вход дешифратора является первым входом схемы формирования адреса и управления, а вторым ее входом – входы элементов НЕ, выход второго элемента НЕ является вторым входом шестой схемы И, выход которой является пятым выходом схемы формирования адреса и управления, а ее первый вход соединен с первым выходом дешифратора адреса, пять других выходов которого являются вторыми входами пяти схем И, первые входы которых соединены с выходом первого элемента НЕ, выходы второй и третьей схем И подключены к входам первого триггера, выходы четвертой и пятой схем И подключены к входам второго триггера, а выход первой схемы И является первым выходом схемы формирования адреса и управления и входом элемента задержки, выход которого является четвертым выходом схемы формирования адреса и управления, второй и третий выходы которой являются выходами первого и второго триггеров соответственно.
4. Устройство по п.1, отличающееся тем, что многоканальный формирователь терапевтических воздействий содержит m усилителей мощности с гальванической развязкой, m устройств выборки хранения, цифроаналоговый преобразователь, регистр воздействия, дешифратор каналов, регистр номера каналов, причем выходы усилителей мощности с гальванической развязкой являются 2 m выходами многоканального формирователя терапевтических воздействий, а их входы подключены к выходам устройств выборки хранения, вторые входы которых подключены к выходам дешифратора каналов, первые входы объединены и подключены к выходу цифроаналоговому преобразователя, вход которого подключен к выходу регистра воздействия, первый вход которого подключены к первому входу регистра номера каналов.
5. Устройство по п.1, отличающееся тем, что блок управления каналами воздействия содержит постоянное и оперативное запоминающие устройства, шинные формирователи данных, адреса и команд, триггер обмена, триггер запроса прерывания, три схемы И, дешифратор адреса, два инвертора, триггер разрешения прямого доступа, шинный формирователь прямого доступа, и микроконтроллер, причем соответствующие выводы шины управления блока принятия решений подключена к входам первого и второго элементов НЕ, к первому входу шинного формирователя команд и к выходу шинного формирователя прямого доступа, первый вход которого подключен к выходу второго элемента НЕ, третий вход подключен к выходу триггера разрешения прямого доступа, а второй вход подключен к четвертому выходу дешифратора адреса, три первых выхода которого подключены к первым входам схем И, вторые входы которых объединены и подключены к выходу первого элемента НЕ, выход первой схемы И подключен к первому входу триггера обмена, второй вход которого подключен к выходу второй схемы И и первому входу триггера разрешения прямого доступа и второму входу триггера запроса прерывания, первый вход которого подключен к выходу третьей схемы И, а выход – к второму входу микроконтроллера, пятый выход которого подключен к первым входам постоянного и оперативного запоминающих устройств и к выходу шинного формирователя команд, второй вход которого подключен к выходу триггера обмена и объединен с вторыми входами шинных формирователей данных и адреса, первые входы которых являются шиной данных и шиной адреса устройства принятия решений и управления, выход шинного формирователя данных подключен к выходам постоянного и оперативного запоминающих устройств и первому входу микроконтроллера, а выход шинного формирователя адреса подключен к вторым входам постоянного и оперативного запоминающих устройств и шестому выходу микроконтроллера, четвертый выход которого соединен с вторым входом триггера разрешения прямого доступа.
РИСУНКИ
MM4A – Досрочное прекращение действия патента СССР или патента Российской Федерации на изобретение из-за неуплаты в установленный срок пошлины за поддержание патента в силе
Дата прекращения действия патента: 28.12.2006
Извещение опубликовано: 20.06.2008 БИ: 17/2008
|
|