|
(21), (22) Заявка: 2005122993/09, 19.07.2005
(24) Дата начала отсчета срока действия патента:
19.07.2005
(46) Опубликовано: 27.01.2007
(56) Список документов, цитированных в отчете о поиске:
US 4030044, 14.06.1977. SU 375754, 23.11.1973. SU 843164, 15.06.1991. SU 1107281 А, 07.08.1984. US 4059808, 22.11.1977.
Адрес для переписки:
346500, Ростовская обл., г. Шахты, ул. Шевченко, 147, ЮРГУЭС, патентная служба
|
(72) Автор(ы):
Прокопенко Николай Николаевич (RU), Будяков Алексей Сергеевич (RU), Крюков Сергей Владимирович (RU)
(73) Патентообладатель(и):
ГОУ ВПО “Южно-Российский государственный университет экономики и сервиса” (ЮРГУЭС) (RU)
|
(54) ДИФФЕРЕНЦИАЛЬНЫЙ УСИЛИТЕЛЬ С РАСШИРЕННЫМ ДИАПАЗОНОМ АКТИВНОЙ РАБОТЫ
(57) Реферат:
Изобретение относится к радиотехнике и связи для усиления аналоговых сигналов с широким динамическим диапазоном в структуре аналоговых микросхем различного функционального назначения, например, быстродействующих операционных усилителях (ОУ). Технический результат заключается в расширении диапазона линейного усиления сигналов. Дифференциальный усилитель (ДУ) (фиг.2) содержит входные транзисторы (Т) (1, 2), эмиттеры которых связаны с выходными Т (5, 6), базы которых соединены друг с другом и подключены к коллекторам вспомогательных Т (7, 8), базы которых соединены друг с другом, а также источником опорного напряжения (ИОН) 9, причем коллекторы выходных Т (5, 6) соединены с источниками опорного тока (ИОТ) (10, 11), а базы вспомогательных Т (12, 13) объединены друг с другом, коллекторы которых соединены с базами вспомогательных Т (7, 8). Эмиттеры вспомогательных Т (7, 13) связаны с коллектором выходного Т (5), эмиттеры вспомогательных Т (8, 12) связаны с коллектором выходного Т (6). 1 з.п. ф-лы, 11 ил.
Изобретение относится к области радиотехники и связи и может быть использовано в качестве устройства усиления аналоговых сигналов с широким динамическим диапазоном, в структуре аналоговых микросхем различного функционального назначения (например, быстродействующих операционных усилителях (ОУ)).
Известны схемы дифференциальных усилителей (ДУ) на n-p-n и p-n-p транзисторах с так называемой «архитектурой входного каскада операционного усилителя A741» [1-30]. На их модификации выдано более 50 патентов для ведущих микроэлектронных фирм мира. Дифференциальные усилители данного класса наряду с типовым параллельно-балансным каскадом [29-30] стали основным усилительным элементом многих аналоговых интерфейсов. Предлагаемое изобретение относится к данному подклассу устройств.
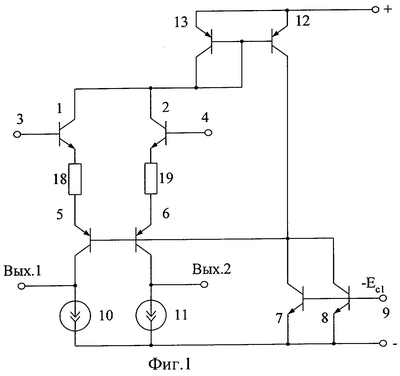
Ближайшим прототипом (фиг.1) заявляемого устройства является дифференциальный усилитель, описанный в патенте США №4.030.044, а также в [1-14], содержащий первый 1 и второй 2 входные транзисторы, базы которых соединены со входами ДУ 3 и 4, а эмиттеры связаны с первым 5 и вторым 6 выходными транзисторами противоположного типа проводимости, причем базы первого 5 и второго 6 выходных транзисторов соединены друг с другом и подключены к коллекторам первого 7 и второго 8 вспомогательных транзисторов, базы которых соединены друг с другом, а также источником опорного напряжения 9, причем коллекторы первого 5 и второго 6 выходных транзисторов соединены с первым 10 и вторым 11 источниками опорного тока, а базы третьего 12 и четвертого 13 вспомогательных транзисторов, тип проводимости которых противоположен типу проводимости первого 7 и второго 8 вспомогательных транзисторов, объединены друг с другом.
Существенный недостаток известного ДУ состоит в том, что он имеет:
– крайне узкий динамический диапазон линейного усиления сигналов (±Uгр 100÷150 мВ, фиг.3);
– сравнительно большой ток потребления в статическом режиме. Это связано с наличием в схеме ДУ (фиг.1) «лишней» токопотребляющей ветви, содержащей транзисторы 12, 7, 8. Действительно, суммарный ток потребления ДУ (фиг.1),
где Iк12 – ток коллектора транзистора 12. Причем Iк12=I10+I11.
То есть половина тока Iп, потребляемого ДУ от источников питания, используется для вспомогательных целей – обеспечения работы цепи стабилизации статического режима ДУ, которая не используется для непосредственного усиления сигнала.
Кроме этого, известный ДУ не может иметь диапазон изменения входных синфазных сигналов положительной полярности, близкий к напряжению питания из-за наличия в коллекторной цепи транзисторов 1 и 2 p-n перехода 13.
Основная цель предлагаемого изобретения состоит в расширении диапазона активной работы и снижении суммарного тока, потребляемого дифференциальным усилителем от источника питания.
Поставленная цель достигается тем, что в дифференциальный усилитель фиг.1, содержащий первый 1 и второй 2 входные транзисторы, базы которых соединены со входами ДУ 3 и 4, а эмиттеры связаны с первым 5 и вторым 6 выходными транзисторами противоположного типа проводимости, причем базы первого 5 и второго 6 выходных транзисторов соединены друг с другом и подключены к коллекторам первого 7 и второго 8 вспомогательных транзисторов, базы которых соединены друг с другом, а также источником опорного напряжения 9, причем коллекторы первого 5 и второго 6 выходных транзисторов соединены с первым 10 и вторым 11 источниками опорного тока, а базы третьего 12 и четвертого 13 вспомогательных транзисторов, тип проводимости которых противоположен типу проводимости первого 7 и второго 8 вспомогательных транзисторов, объединены друг с другом, вводятся новые связи – базы третьего 12 и четвертого 13 вспомогательных транзисторов соединены с базами первого 7 и второго 8 вспомогательных транзисторов, эмиттеры первого 7 и четвертого 13 вспомогательных транзисторов связаны с коллектором первого 5 выходного транзистора, эмиттеры второго 8 и третьего 12 вспомогательных транзисторов связаны с коллектором второго 6 выходного транзистора.
Схема усилителя-прототипа представлена на фиг.1. На фиг.2 показано заявляемое устройство в соответствии с п.1 формулы изобретения. На фиг.3 представлена проходная характеристика ДУ фиг.1, а на фиг.4 – теоретическая проходная характеристика заявляемого ДУ фиг.2.
Схема заявляемого устройства в соответствии с п.2 формулы изобретения показана на фиг.5.
На фиг.6 показана схема заявляемого ДУ фиг.2 в среде PSpice на транзисторах ФГУП «Пульсар» (г.Москва) при подаче на входы дифференциального сигнала uвх. На фиг.7, фиг.9 приведены результаты ее компьютерного моделирования в мелком (фиг.7) и крупном (фиг.9) масштабах для выходных токов i14=Iout1, i15=Iout2 при разных значениях сопротивлений резисторов 18 (R2) и 19 (R4) (R2=R4=R).
Графики фиг.8, фиг.10 соответствуют проходным характеристикам для токовых выходов 16 и 17 i16=Iout3, i17=Iout4) в мелком (фиг.8) и крупном (фиг.10) масштабах.
Частотная зависимость крутизны преобразования ДУ фиг.6 для токовых выходов 14 и 15 показана на чертеже фиг.11. Причем

Дифференциальный усилитель (фиг.2) содержит первый 1 и второй 2 входные транзисторы, базы которых соединены со входами ДУ 3 и 4, а эмиттеры связаны с первым 5 и вторым 6 выходными транзисторами противоположного типа проводимости, причем базы первого 5 и второго 6 выходных транзисторов соединены друг с другом и подключены к коллекторам первого 7 и второго 8 вспомогательных транзисторов, базы которых соединены друг с другом, а также источником опорного напряжения 9, причем коллекторы первого 5 и второго 6 выходных транзисторов соединены с первым 10 и вторым 11 источниками опорного тока, а базы третьего 12 и четвертого 13 вспомогательных транзисторов, тип проводимости которых противоположен току проводимости первого 7 и второго 8 вспомогательных транзисторов, объединены друг с другом. Базы третьего 12 и четвертого 13 вспомогательных транзисторов соединены с базами первого 7 и второго 8 вспомогательных транзисторов, эмиттеры первого 7 и четвертого 13 вспомогательных транзисторов связаны с коллектором первого 5 выходного транзистора, эмиттеры второго 8 и третьего 12 вспомогательных транзисторов связаны с коллектором второго 6 выходного транзистора. Выходами усилителя 14, 15, 16, 17 являются коллекторы транзисторов 1, 2, 13, 12. Эмиттеры транзисторов 1 и 2 связаны с эмиттерами транзисторов 5 и 6 через низкоомные резисторы 18 и 19, функции которых в ряде случаев могут выполнять объемные сопротивления эмиттерных областей.
В дифференциальном усилителе (фиг.5) коллектор 14 первого входного транзистора 1 связан с коллектором 16 четвертого вспомогательного транзистора 13 через первое токовое зеркало (20), коллектор 17 третьего вспомогательного транзистора 12 связан с коллектором 15 второго входного транзистора 2 через второе токовое зеркало 21, причем коллектор 15 второго входного транзистора 2 связан с выходом дифференциального усилителя 22 через третье токовое зеркало 23, а коллектор 16 четвертого вспомогательного транзистора 13 связан с выходом дифференциального усилителя 22 через четвертое токовое зеркало 24.
Рассмотрим работу заявляемого ДУ (фиг.2).
В статическом режиме транзисторы 12 и 13 закрыты, а коллекторные токи транзисторов 7 и 8 (за счет отрицательной обратной связи по петле «эмиттер транзистора 7 (8)» – «база транзистора 5 (6)» – «коллектор транзистора 5 (6))» равны токам базы транзисторов 5 и 6. При этом коллекторные токи этих транзисторов, а также транзисторов 1 и 2 практически равны токам I10 и I11 источников опорного тока 10 и 11.

Стабильность статического режима (точка 1, фиг.4) рассматриваемой схемы определяется стабильностью токов I10 и I11, которая для современного уровня развития схемотехники может быть достаточно высокой. Таким образом, погрешность установления статического режима в заявляемом устройстве не хуже, чем в известном ДУ-прототипе.
Если на вход 3 ДУ (фиг.2) подается положительное приращение входного напряжения uвх, то это вызывает начальное увеличение коллекторного тока транзистора 1 (5) и уменьшение коллекторного тока транзистора 2 (6) (участок 1-2 фиг.4). Как следствие, транзистор 7 запирается, а транзистор 13, наоборот, входит в активный режим. Его эмиттерный ток и, следовательно, выходной ток ДУ i16 будет теперь равен разности между iк5 и I10. С другой стороны, указанная выше отрицательная обратная связь, начиная с этого уровня входного сигнала uвх=Uвкл, будет стабилизировать ток коллектора транзистора 6 на уровне тока I11. Поэтому напряжения эмиттер-база транзисторов 6 и 2, а также напряжение на резисторе 19 не будут изменяться, а все дальнейшее приращение uвх прикладывается к участку цепи «вход 3 – база транзистора 5». Поэтому коллекторный ток транзистора 1, а также токи выходов 14 и 16 будут в дальнейшем изменяться пропорционально uвх (участок 2-3, фиг.4) и не имеют традиционных ограничений, характерных для известного ДУ:

где R18 – сопротивление резистора 18;
rэ5,rэ5 – сопротивление эмиттерных переходов транзисторов 1 и 5.
Рост токов выхода 14 (пропорциональный uвх), а также токов выхода 16 будет продолжаться до тех пор, пока весь ток I11 не поступит в эмиттер транзистора 8. Данный граничный (максимально возможный) ток определяется по формуле

где 5 – коэффициент усиления по току базы транзистора 5.
Таким образом, в сравнении с ДУ-прототипом выигрыш по диапазону линейного изменения выходного тока в заявляемом устройстве достигает значений

С другой стороны, в сравнении с прототипом входное напряжение (фиг.4), при котором происходят ограничения входных токов ДУ на уровне Imax, существенно возрастает 
Угол наклона 2 характеристики i14=f(uвх) (фиг.4) определяются резистором 18. Если резистор 18 (19) исключить, то проходная характеристика ДУ (фиг.4) будет иметь экспоненциальный характер, но величина максимального тока i14 (i16) останется прежней (4).
При отрицательном приращении uвх в схеме фиг.2 стабилизируется коллекторный ток транзистора 5 на уровне тока источника 10. Как следствие, все отрицательное приращение uвх прикладывается к участку цепи «база транзистора 6» – «база транзистора 4». Поэтому выходные токи i15 и i17 не ограничиваются и пропорциональны uвх.
Результаты компьютерного моделирования ДУ (фиг.2) на графиках фиг.7-10 подтверждают полученные выше теоретические выводы.
В соответствии с п.2 формулы изобретения предлагаемый ДУ может использоваться в структуре быстродействующих операционных усилителей различного функционального назначения. Особенность схемы фиг.5 состоит в том, что сигналы на токовых выходах 16 и 17 при малых входных напряжениях могут отсутствовать (фиг.10), но в то же время они достигают больших значений при включении в работу транзисторов 13, 12 и эффективно форсируют процесс перезаряда емкостей на выходе 22 ДУ (фиг.5).
За счет исключения одной из токопотребляющих ветвей между источниками питания статический ток ДУ (фиг.2) (в сравнении с прототипом) уменьшается в два раза.
Библиографический список
1. Патент США №3.786.362
2. Патент США №4.030.044
3. Патент США №4.059.808, фиг.5
4. Патент США №4.286.227
5. Авт. свид. СССР №375754, H 03 F 3/38
6. Авт. свид. СССР №843164, H 03 F 3/30
7. Авт. свид. СССР №1107281
8. Авт. свид. СССР №1107279
9. Патент РФ №2930041, H 03 F 1/32
10. Патент Японии №57-5364, H 03 F 3/343
11. Патент ЧССР №134845, кл. 21a2 18/08
12. Патент ЧССР №134849, кл. 21a2 18/08
13. Патент ЧССР №135326, кл. 21а2 18/08
14. Авт. свид. СССР №1720146, H 03 F 3/45
15. Патент Англии №1543361, Н3Т
16. Патент США №5.521.552 (фиг.3а)
17. Патент США №4.059.808
18. Патент США №5.789.949
19. Патент США №4.453.134
20. Патент США №4.760.286
21. Авт. свид. СССР №1283946
22. Патент РФ №2019019
23. Патент США №4.389.579
24. Патент США №4.453.092
25. Патент США №3.566.289
26. Патент США №4.059.808 (фиг.2)
27. Патент США №3.649.926
28. Патент США №4.714.894 (фиг.1)
29. Матавкин В.В. Быстродействующие операционные усилители. – М.: Радио и связь, 1989.
30. М.Херпи. Аналоговые интегральные схемы. – М.: Радио и связь, 1983, стр.174, рис.5.52.
Формула изобретения
1. Дифференциальный усилитель (ДУ), содержащий первый (1) и второй (2) входные транзисторы, базы которых соединены со входами ДУ (3) и (4), а эмиттеры связаны с первым (5) и вторым (6) выходными транзисторами противоположного типа проводимости, причем базы первого (5) и второго (6) выходных транзисторов соединены друг с другом и подключены к коллекторам первого (7) и второго (8) вспомогательных транзисторов, базы которых соединены друг с другом, а также источником опорного напряжения (9), причем коллекторы первого (5) и второго (6) выходных транзисторов соединены с первым (10) и вторым (11) источниками опорного тока, а базы третьего (12) и четвертого (13) вспомогательных транзисторов, тип проводимости которых противоположен типу проводимости первого (7) и второго (8) вспомогательных транзисторов, объединены друг с другом, отличающийся тем, что базы третьего (12) и четвертого (13) вспомогательных транзисторов соединены с базами первого (7) и второго (8) вспомогательных транзисторов, эмиттеры первого (7) и четвертого (13) вспомогательных транзисторов связаны с коллектором первого (5) выходного транзистора, эмиттеры второго (8) и третьего (12) вспомогательных транзисторов связаны с коллектором второго (6) выходного транзистора.
2. Устройство по п.1, отличающееся тем, что коллектор (14) первого входного транзистора (1) связан с коллектором (16) четвертого вспомогательного транзистора (13) через первое токовое зеркало (20), коллектор (17) третьего вспомогательного транзистора (12) связан с коллектором (15) второго входного транзистора (2) через второе токовое зеркало (21), причем коллектор (15) второго входного транзистора (2) связан с выходом дифференциального усилителя (22) через третье токовое зеркало (23), а коллектор (16) четвертого вспомогательного транзистора (13) связан с выходом дифференциального усилителя (22) через четвертое токовое зеркало (24).
РИСУНКИ
|