|
|
(21), (22) Заявка: 2005117529/09, 07.06.2005
(24) Дата начала отсчета срока действия патента:
07.06.2005
(46) Опубликовано: 27.01.2007
(56) Список документов, цитированных в отчете о поиске:
SU 295177, 04.11.1971. SU 922999, 23.04.1982. EP 0487386 A1, 27.05.1992. US 4130765, 19.12.1978.
Адрес для переписки:
394026, г.Воронеж, Московский пр-т, 14, ГОУВПО “ВГТУ”, патентный отдел
|
(72) Автор(ы):
Бочаров Алексей Михайлович (RU), Бочаров Михаил Иванович (RU), Новожилов Олег Петрович (RU)
(73) Патентообладатель(и):
Государственное образовательное учреждение высшего профессионального образования “Воронежский государственный технический университет” (RU)
|
(54) ДЕЛИТЕЛЬ ЧАСТОТЫ
(57) Реферат:
Изобретение относится к области электрорадиотехники и может быть использовано в качестве источника синхронизированных колебаний в приемопередающих устройствах. Достигаемый технический результат – расширение рабочего диапазона частот в сторону высоких частот и повышение технологичности. Делитель частоты содержит трансформатор, конденсатор, катушку индуктивности, полупроводниковый диод, транзистор, интегрирующую цепь и цепь смещения, состоящую из последовательно включенных источника напряжения смещения и резистора. 2 ил.
Изобретение относится к области электрорадиотехники и может быть использовано в качестве источника синхронизированных колебаний в радиоприемных, радиопередающих и электротехнических устройствах.
Известен делитель частоты, состоящий из трансформатора, содержащего первичную и вторичную обмотки, а также конденсатора [1]. Недостатками этого устройства являются низкая область рабочих частот и низкая технологичность. Это обусловлено тем, что трансформатор, на котором выполнено устройство, реализован на сердечнике из ферромагнитного материала с нелинейной зависимостью проницаемости от приложенного напряжения, частотные свойства которого с увеличением частоты резко ухудшаются, поскольку увеличиваются потери в нем, уменьшаются также магнитная проницаемость и нелинейность его характеристик. Поэтому устройство является низкочастотным. Кроме этого для конструктивного выполнения этого устройства используются сердечники из ферромагнитного материала специальной конструкции [1, с.5-8], что обуславливает и низкую его технологичность в процессе производства, а для возбуждения субгармоники, кроме этого, требуется либо электромагнит, либо постоянный магнит, создающие постоянное магнитное поле, что также ухудшает конструктивные и технологические характеристики устройства.
Цель изобретения – расширение рабочего диапазона частот в сторону высоких частот и повышение технологичности.
Это достигается тем, что в делитель частоты, содержащий трансформатор с первичной и вторичной обмотками и конденсатор, который совместно со вторичной обмоткой этого трансформатора образуют колебательный контур, введены последовательная цепь, состоящая из катушки индуктивности, полупроводникового диода и транзистора, при этом первый вывод катушки индуктивности подсоединен к колебательному контуру, ее второй вывод соединен с анодом полупроводникового диода, при этом его катод подключен к коллектору транзистора, а эмиттер соединен с общей точкой устройства, интегрирующая цепь, вход которой подключен к колебательному контуру, а выход соединен с базой транзистора, а также цепь смещения, состоящая из последовательно включенных источника напряжения смещения и резистора, подсоединенная к базе транзистора, причем точка подключения интегрирующей цепи к колебательному контуру является выходом устройства.
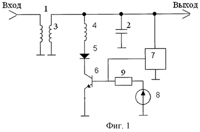
На фиг.1 приведена схема делителя частоты. Устройство содержит трансформатор 1 и конденсатор 2, который совместно со вторичной обмоткой 3 трансформатора 1 образуют колебательный контур, последовательную цепь, состоящую из катушки индуктивности 4, полупроводникового диода 5 и транзистора 6, при этом первый вывод катушки индуктивности 4 подсоединен к колебательному контуру, а ее второй вывод соединен с анодом полупроводникового диода 5, при этом катод полупроводникового диода 5 подключен к коллектору транзистора 6, а эмиттер соединен с общей точкой устройства, интегрирующую цепь 7, вход которой подключен к колебательному контуру, а выход соединен с базой транзистора 6, а также цепь смещения, состоящая из последовательно включенных источника напряжения смещения 8 и резистора 9, подсоединенная к базе транзистора 6, при этом выходное напряжение интегрирующей цепи 7 и источника напряжения смещения 8 создают коммутирующее напряжение на базе транзистора, причем точка подключения интегрирующей цепи 7 к колебательному контуру является выходом устройства.
Устройство работает следующим образом. При поступлении на его вход ВЧ-напряжения синусоидальной формы с частотой N , где N=2, 3… – коэффициент деления (номер субгармоники), происходит трансформация этого напряжения ВЧ-трансформатором 1 на вторичную обмотку 3. В результате на ее зажимах образуется синусоидальное напряжение uL (фиг.2а) (Далее для удобства пояснения все временные диаграммы на фиг.2 приведены для N=2). Напряжение uL приложено также и к конденсатору 2, подключенному параллельно вторичной обмотке 3, а также к последовательной цепи, состоящей из катушки индуктивности 4, полупроводникового диода 5 и транзистора 6, подключенной параллельно вторичной обмотке 3. Далее напряжение uL через интегрирующую цепь 7, подключенную ко вторичной обмотке 3, преобразуется в выходное напряжение интегрирующей цепи (фиг.2а) и подается на базу транзистора 6. Одновременно на базу транзистора 6 через резистор 9 от источника напряжения смещения 8 подается напряжение смещения Е, которое, совместно с напряжением образует коммутирующее напряжение (фиг.2б) на базе этого транзистора.
На интервале времени 0…t1 1 (E’ – напряжение отсечки транзистора). Поэтому транзистор 6 заперт, и через катушку индуктивности 4 ток не протекает. Следовательно катушка индуктивности 4 к колебательному контуру не подключена. Следовательно, и эквивалентная индуктивность LЭ(t) (фиг.2в) колебательного контура равна индуктивности L2 вторичной обмотки 3 трансформатора 1. На интервале времени t1 1…t2 1 Поэтому транзистор 6 открыт и через катушку индуктивности 4, полупроводниковый диод 5, коллектор-эмиттер транзистора 6 протекает коммутационный ток iком (фиг.2в), амплитуда и форма которого определяются соотношением
где Lком – индуктивность катушки 4.
Таким образом, на интервале времени t1 1…t2 1 напряжением происходит подключение катушки индуктивности 4 параллельно вторичной обмотке 3 трансформатора 1. В результате этого эквивалентная индуктивность LЭ(t) колебательного контура уменьшается и становится равной L2K=L2·Lком/(L2+Lком)2 (фиг.2в). Такое периодическое отключение и подключение катушки индуктивности 4 к колебательному контуру происходит и на других интервалах времени t1 2…t2 2 и т.д. (фиг.2в).
При настройке колебательного контура на выходную частоту , т.е. на частоту в два раза меньше частоты входного ВЧ-сигнала, за счет начального заряда на конденсаторе 2 или флуктуационных явлений через него начинает протекать ток iС частоты (фиг.2г), который на интервале времени 0…t1 1 (фиг.2г) быстро нарастает. Увеличению тока iС способствует и то, что за счет уменьшения индуктивности LЭ(t) колебательного контура на величину LЭ в моменты t1 1, t1 2 и т.д., когда ток iС проходит через максимумы, в контур вносится электрическая энергия, равная изменению энергии магнитного поля катушки индуктивности W= LЭ·( Ic)2, где LЭ – изменение индуктивности колебательного контура; Ic – изменение амплитуды тока. Поскольку по законам коммутации ток в катушке индуктивности не может измениться мгновенно, а на конденсаторе мгновенно не может измениться напряжение, то в моменты коммутации t1 1, t1 2 и т.д. происходит мгновенное изменение амплитуды тока iС (фиг.2г). С другой стороны переход индуктивности LЭ(t) колебательного контура в исходное состояние происходит в моменты времени t2 1, t2 2 и т.д., при которых мгновенные значения тока iС=0, т.е. без внесения потерь в контур.
Следовательно, за счет периодического автоматического изменения эквивалентной индуктивности LЭ(t) колебательного контура в течение каждого периода ВЧ-колебаний частоты N в него вносится энергия, которая компенсирует потери в контуре, что и обеспечивает установление колебаний с коэффициентом деления N=2. Это колебание передается и на выход устройства.
Аналогичные рассуждения могут подтвердить и возможность реализации в этом устройстве режима деления частоты с N=3, N=4 и т.д. Для этого необходимо, при неизменной частоте входного сигнала, изменить резонансную частоту р колебательного контура таким образом, чтобы эта частота приблизительно равнялась выходной частоте .
Для устойчивого возбуждения колебания требуемой субгармоники необходимо реализовать оптимальный режим работы устройства. Для этого необходимо использовать линейный режим работы трансформатора 1 и катушки индуктивности 4, что обеспечивает малые потери в них. Необходимо также, чтобы энергия, вносимая в контур, при изменении его индуктивности превышала потери в нем. Поэтому в колебательном контуре необходимо минимизировать конструктивные потери во вторичной обмотке 3 и катушке индуктивности 4. Для уменьшения этих потерь необходимо катушки индуктивности выбрать так, чтобы волновое сопротивление колебательного контура = LЭ было оптимальным, что соответствует его значению от нескольких десятков Ом до 1…2 кОм. В этом случае катушки индуктивности реализуются с максимальной конструктивной добротностью, составляющей от десятков до сотен единиц, что значительно больше значений, требуемых для возбуждения субгармоники.
Необходимо также обеспечить оптимальный режим коммутации при таких условиях: уменьшение индуктивности обеспечить при максимальном значении тока iC, а переход в исходное состояние при iC=0. В этом случае коммутационные потери минимальны. Это обеспечивается при выполнении условия Е=Е’, т.е. напряжение смещения на базе транзистора 6 равняется напряжению отсечки транзистора. Для транзистора типа n-р-n (фиг.1) напряжение отсечки Е’=0.5…0.7 В (кремниевый транзистор) или 0.2…0.3 В (германиевый транзистор). Заданное напряжение смещения устанавливается источником напряжения смещения 8. На режим коммутации влияют также характеристики интегрирующей цепи 7, величина создаваемого фазового сдвига и значение амплитуды сигнала на ее выходе. Идеальный интегратор создает фазовый сдвиг и=90°. Однако в реальной схеме это требование с высокой точностью реализовать нет необходимости, поскольку в моменты коммутации iС меняется медленно. Поэтому в качестве интегрирующей цепи 7 можно использовать как простейшие RC и LR цепи, так и активные звенья. При этом должны выполняться условия Тu>Т, где Тu – постоянная времени интегрирующей цепи, Т – период входного ВЧ-сигнала.
Для устойчивости режима коммутации и уменьшения вносимых потерь в колебательный контур необходимо также, чтобы амплитуда сигнала на выходе интегрирующей цепи составляла 1…2 В. При таком напряжении транзистор 6 полностью открывается, его сопротивление становится минимальным и равным сопротивлению насыщения, а при малом сопротивлении насыщения в контур вносятся и небольшие потери. Малые потери вносят и интеграторы, выполненные на простейших RC и LR цепях, но для этого требуется достаточно большое напряжение на контуре, превышающем значение на порядок и более. При использования активных интеграторов требуемый уровень напряжения достигается при значительно меньших значениях напряжения на контуре и почти без его шунтирования.
Большое значение на работу делителя частоты оказывают параметры транзистора 6. Для обеспечения работоспособности устройства необходимо, чтобы в рабочем состоянии мгновенные значения токов и напряжений на электродах транзистора не превышали допустимые величины. Кроме этого транзистор 6 во многом определяет частотные характеристики устройства, поскольку другие элементы схемы по этому показателю не критичны. Для обеспечения работоспособности в области высоких частот необходимо выбрать транзистор 6 с высокой граничной частотой. Поскольку переключение транзистора происходит в режиме, когда через него ток не проходит iком=0 (фиг.2в), то коммутационные потери в транзисторе 6, обусловленные его паразитными емкостями и индуктивностями, практически не возникают даже на высоких частотах, составляющих несколько десятых долей граничной частоты транзистора. Что касается сопротивления насыщения транзистора, то оно практически не меняется вплоть до указанных значений частот и при правильном выборе транзистора (малое значение сопротивления насыщения) практически не влияет на работу устройства. Поэтому верхняя рабочая частота устройства составляет около 0,3fТ, где fТ – граничная частота транзистора, которая для современных транзисторов составляет от сотен МГц до единиц ГГц. В результате выполнения этих условий, которые реализуются на практике, потери минимальны и соизмеримы с конструктивными потерями в трансформаторе 1 и катушке индуктивности 4. Поэтому область рабочих частот заявляемого устройства, значительно превышает область рабочих частот известных устройств, выполненных на нелинейных катушках индуктивности.
Что касается технологических характеристик устройства, то они в основном определяются технологичностью катушек индуктивности. Поскольку в заявляемом устройстве используются катушки индуктивности, работающие в линейном режиме, то для их выполнения на относительно низких частотах не требуются сердечники специальной конструкции и ферромагнитные материалы с особыми свойствами, а на высоких частотах эти катушки вообще реализуются без магнитных сердечников. Отмеченное подтверждает высокие показатели технологичности заявляемого устройства.
Таким образом, заявляемое устройство имеет значительно более высокие области рабочих частот и более высокие технологические характеристики по сравнению с известными и отвечает требованию промышленной применимости.
Источники информации
1. Задерей Г.П. Многофункциональные магнитные элементы (многофункциональные электронно-магнитные трансформаторы). М.: Сов. радио, 1980. с.115-116, рис.108.
Формула изобретения
Делитель частоты, содержащий трансформатор с первичной и вторичной обмотками и конденсатор, который совместно со вторичной обмоткой этого трансформатора образует колебательный контур, отличающийся тем, что введены последовательная цепь, состоящая из катушки индуктивности, полупроводникового диода и транзистора, при этом первый вывод катушки индуктивности подсоединен к колебательному контуру, ее второй вывод соединен с анодом полупроводникового диода, при этом его катод подключен к коллектору транзистора, а эмиттер соединен с общей точкой устройства, интегрирующая цепь, вход которой подключен к колебательному контуру, а ее выход соединен с базой транзистора, а также цепь смещения, состоящая из последовательно включенных источника напряжения смещения и резистора, подсоединенная к базе транзистора, при этом выходное напряжение интегрирующей цепи и напряжение источника смещения создают коммутирующее напряжение на базе транзистора, причем точка подключения входа интегрирующей цепи к колебательному контуру является выходом устройства.
РИСУНКИ
MM4A – Досрочное прекращение действия патента СССР или патента Российской Федерации на изобретение из-за неуплаты в установленный срок пошлины за поддержание патента в силе
Дата прекращения действия патента: 08.06.2007
Извещение опубликовано: 27.01.2009 БИ: 03/2009
|
|