|
|
(21), (22) Заявка: 2005128394/09, 12.09.2005
(24) Дата начала отсчета срока действия патента:
12.09.2005
(46) Опубликовано: 27.01.2007
(56) Список документов, цитированных в отчете о поиске:
RU 2251193 C1, 27.04.2005. RU 2227355 C2, 20.04.2004. RU 2133542 C1, 20.07.1999. SU 851644 A1, 30.07.1981. GB 2259199 A, 03.03.1993.
Адрес для переписки:
302019, г.Орел, ул. Ген. Родина, 69, ФГОУ ВПО ОрелГАУ
|
(72) Автор(ы):
Васильев Валерий Георгиевич (RU), Виноградов Александр Владимирович (RU), Зелюкин Василий Иванович (RU)
(73) Патентообладатель(и):
Федеральное государственное образовательное учреждение высшего профессионального образования “Орловский государственный аграрный университет” (ФГОУ ВПО ОрелГАУ) (RU)
|
(54) СПОСОБ ЗАПРЕТА АВТОМАТИЧЕСКОГО ПОВТОРНОГО ВКЛЮЧЕНИЯ ВВОДНОГО ВЫКЛЮЧАТЕЛЯ НА КОРОТКОЕ ЗАМЫКАНИЕ НА ШИНАХ ДВУХТРАНСФОРМАТОРНОЙ ПОДСТАНЦИИ
(57) Реферат:
Использование: в автоматике электрических сетей. Технический результат заключается в расширении области применения и функциональных возможностей. В способе фиксируют ток короткого замыкания на вводе питающего трансформатора между вводным выключателем и секцией шин питающего трансформатора, в этот же момент времени контролируют ток короткого замыкания в отходящих линиях, контролируют напряжение на секции шин питающего трансформатора и, если ток короткого замыкания присутствует на вводе питающего трансформатора, но отсутствует в отходящих линиях, а после его отключения защитой отсутствует напряжение на секции шин питающего трансформатора, то делают вывод, что короткое замыкание произошло на шинах двухтрансформаторной подстанции и в этом случае подают сигнал запрета АПВ вводного выключателя. 3 ил.
Изобретение относится к автоматике электрических сетей и предназначено для предотвращения срабатывания автоматического повторного включения (АПВ) вводного выключателя на короткое замыкание на шинах двухтрансформаторной подстанции.
Известен способ запрета автоматического включения резерва (АВР) на короткое замыкание на шинах двухтрансформаторной подстанции, в котором фиксируют ток короткого замыкания на вводе питающего трансформатора между вводным выключателем и выключателем, контролируют ток короткого замыкания в отходящих линиях, контролируют напряжение на секции шин питающего трансформатора и, если ток короткого замыкания присутствует на вводе питающего трансформатора, но отсутствует в отходящих линиях, то после отключения защитой тока короткого замыкания, если отсутствует напряжение на секции шин питающего трансформатора, подают сигнал на запрет АВР [Патент №2251193, кл. Н 02 J 9/06 от 16.10.03 г.]
Недостатком известного способа является недостаточно высокая его достоверность и функциональность, так как он применим лишь для запрета АВР на двухтрансформаторной подстанции.
Задачей предлагаемого изобретения является расширение области применения и функциональных возможностей способа путем использования его для запрета АПВ вводного выключателя на устойчивое двух- или трехфазное короткое замыкание на шинах двухтрансформаторной подстанции.
Для решения указанной задачи в известном способе, заключающемся в фиксации тока короткого замыкания на вводе питающего трансформатора и в отходящих линиях, фиксируют ток короткого замыкания на вводе питающего трансформатора между вводным выключателем и выключателем АВР, фиксируют ток короткого замыкания в отходящих линиях, контролируют напряжение на секции шин питающего трансформатора и, если ток короткого замыкания присутствует на вводе питающего трансформатора, но отсутствует в отходящих линиях, то после отключения защитой тока короткого замыкания, если отсутствует напряжение на секции шин питающего трансформатора, подают сигнал на запрет АВР, согласно изобретению фиксируют ток короткого замыкания на вводе питающего трансформатора между вводным выключателем и секцией шин питающего трансформатора, в этот же момент времени контролируют ток короткого замыкания в отходящих линиях, контролируют напряжение на секции шин питающего трансформатора и, если ток короткого замыкания присутствует на вводе питающего трансформатора, но отсутствует в отходящих линиях, а после его отключения защитой отсутствует напряжение на секции шин питающего трансформатора, то делают вывод, что короткое замыкание произошло на шинах двухтрансформаторной подстанции, и в этом случае подают сигнал запрета АПВ вводного выключателя.
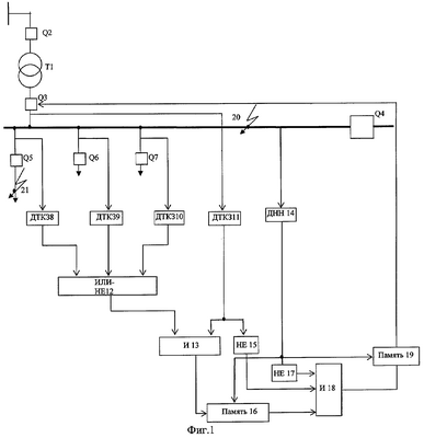
Суть предлагаемого изобретения поясняется чертежами, где:
на фиг.1 показана структурная схема устройства, реализующего способ;
на фиг.2 показаны диаграммы сигналов на выходах элементов, показанных на фиг.1, при коротком замыкании в точке 20;
на фиг.3 показаны диаграммы сигналов на выходах элементов, показанных на фиг.1, при коротком замыкании в точке 21.
Схема (см. фиг.1) содержит питающий трансформатор Т1, вводной выключатель Q2 на стороне высокого напряжения, вводной выключатель Q3 на стороне низкого напряжения, выключатель АВР Q4, выключатель в отходящей линии Q5, выключатель в отходящей линии Q6, выключатель в отходящей линии Q7, датчик тока короткого замыкания ДТКЗ 8, датчик тока короткого замыкания ДТКЗ 9, датчик тока короткого замыкания ДТКЗ 10, датчик тока короткого замыкания ДТКЗ 11, элемент ИЛИ-НЕ12, элемент И 13, датчик наличия напряжения ДНН 14, элемент НЕ15, элемент Память 16, элемент НЕ17, элемент И 18, элемент Память 19, точка короткого замыкания 20, точка короткого замыкания 21.
При коротком замыкании (к.з.) в точке 20 (см. фиг.1) диаграммы сигналов на выходах элементов, показанных на фиг.2, имеют вид: 22 – на выходе элемента 8; 23 – на выходе элемента 9; 24 – на выходе элемента 10; 25 – на выходе элемента 11; 26 – на выходе элемента 14; 27 – на выходе элемента 12; 28 – на выходе элемента 13; 29 – на выходе элемента 15; 30 – на выходе элемента 17; 31 – на выходе элемента 16; 32 – на выходе элемента 18; 33 – на выходе элемента 19.
При коротком замыкании в точке 21 (см. фиг.1) диаграммы сигналов на выходах элементов, показанных на фиг.3, имеют вид: 34 – на выходе элемента 8; 35 – на выходе элемента 9; 36 – на выходе элемента 10; 37 – на выходе элемента 11; 38 – на выходе элемента 14; 39 – на выходе элемента 12; 40 – на выходе элемента 13; 41 – на выходе элемента 15; 42 – на выходе элемента 17; 43 – на выходе элемента 16; 44 – на выходе элемента 18; 45 – на выходе элемента 19.
Схема работает следующим образом:
В нормальном режиме работы в отходящих линиях и на вводе трансформатора Т1 течет рабочий ток. Так как токи в линиях и на вводе не равны току короткого замыкания, то нет сигналов на выходах ДТКЗ 8, ДТКЗ 9, ДТКЗ 10. Соответственно, присутствует сигнал на выходе элемента ИЛИ-НЕ 12, но так как нет сигнала с элемента ДТКЗ 11, то нет сигнала на выходе элемента И 13. Присутствуют все линейные напряжения на шинах, поэтому присутствует сигнал с элемента ДНН 14, который подается на сброс элемента Память 16. Схема не запускается.
При коротком замыкании (двух- или трехфазном) на участке шин подстанции, находящемся между вводным выключателем и секцией шин питающего трансформатора (фиг.1. точка 20), появляется ток короткого замыкания на вводе трансформатора Т1, который фиксируется датчиком ДТКЗ 11, на выходе ДТКЗ 11 появляется сигнал (фиг.2, диаграмма 25). Так как замыкание произошло на шинах, то на выходах датчиков ДТКЗ 8, ДТКЗ 9 и ДТКЗ 10 сигнал отсутствует (фиг.2, диаграммы 22, 23, 24). Вследствие этого сигнал с элемента ИЛИ-НЕ 12 поступает на один из входов элемента И 13, на втором входе которого присутствует сигнал с ДТКЗ 11. На выходе И13 появляется сигнал и подается на вход Память 16 (фиг.2, диаграмма 31), который подает сигнал на вход элемента И 18 (фиг.2, диаграмма 32). На втором входе элемента И18 сигнал появляется после отключения к.з. выключателем Q3. При этом сигнал на вход подается с элемента НЕ 15 (фиг.2, диаграмма 29). На 3 входе элемента И18 присутствует сигнал с выхода элемента НЕ17 (фиг.2, диаграмма 30), который появляется вследствие исчезновения напряжения на шинах в момент к.з. Ввиду присутствия 3 сигналов на входе элемента И18 и отсутствия сигнала сброса, на выходе ДНН 14 появится сигнал, который через элемент Память 19 подаст сигнал на запрет АПВ вводного выключателя (фиг.2, диаграмма 33). При восстановлении нормального режима на шинах подстанции появится напряжение, что будет зафиксировано датчиком ДНН 14, сигнал с которого «сбросит» элемент Память 16 и Память 19, схема вернется в исходное состояние.
При коротком замыкании (двух- или трехфазном) в отходящей линии (фиг.1, точка 21) его появление фиксируется датчиками тока к.з. в линии и на вводе Т1, это ДТКЗ 8 и ДТКЗ 11, на их выходах появляется сигнал (фиг.3, диаграммы 34 и 37 соответственно). Вследствие этого исчезает сигнал с элемента ИЛИ-НЕ 12 и значит исчезает сигнал на одном из входов элемента И 13 (фиг.3, диаграмма 40), на втором входе которого присутствует сигнал с ДТКЗ 11. На выходе И 13 сигнал не появится и, следовательно, не будет подан на вход Память 16 (фиг.3, диаграмма 43). Значит, нет сигнала на входе Память 19 (фиг.3, диаграмма 45). Соответственно, не будет выдан сигнал запрета АПВ. После отключения тока к.з. выключателем Q 5 исчезнут сигналы с датчиков ДТКЗ 8 и ДТКЗ 11 (фиг.3, диаграммы 34 и 37 соответственно), схема вернется в исходное состояние.
Таким образом, сигнал запрета АПВ подается только в случае короткого замыкания на шинах двухтрансформаторной подстанции между вводным выключателем и секционным выключателем независимо от вида короткого замыкания (двух- или трехфазное). Это расширяет область применения и функциональные возможности способа, что увеличивает срок службы выключателя, сокращает затраты на его ремонт и обслуживание.
Формула изобретения
Способ запрета автоматического повторного включения (АПВ) вводного выключателя на короткое замыкание на шинах двухтрансформаторной подстанции, заключающийся в фиксации появления тока короткого замыкания на вводе питающего трансформатора и в отходящих линиях, отличающийся тем, что фиксируют ток короткого замыкания на вводе питающего трансформатора между вводным выключателем и секцией шин питающего трансформатора, в этот же момент времени контролируют ток короткого замыкания в отходящих линиях, контролируют напряжение на секции шин питающего трансформатора, и если ток короткого замыкания присутствует на вводе питающего трансформатора, но отсутствует в отходящих линиях, а после его отключения защитой отсутствует напряжение на секции шин питающего трансформатора, то делают вывод, что короткое замыкание произошло на шинах двухтрансформаторной подстанции, и в этом случае подают сигнал запрета АПВ вводного выключателя.
РИСУНКИ
MM4A – Досрочное прекращение действия патента СССР или патента Российской Федерации на изобретение из-за неуплаты в установленный срок пошлины за поддержание патента в силе
Дата прекращения действия патента: 13.09.2007
Извещение опубликовано: 10.05.2009 БИ: 13/2009
|
|