|
|
(21), (22) Заявка: 2005128393/09, 12.09.2005
(24) Дата начала отсчета срока действия патента:
12.09.2005
(46) Опубликовано: 27.01.2007
(56) Список документов, цитированных в отчете о поиске:
DU 2251193 C1, 27.04.2005. RU 2227355 C2, 20.04.2004. RU 2133542 C1, 20.07.1999. SU 851644 A1, 30.07.1981. GB 2259199 A, 03.03.1993.
Адрес для переписки:
302019, г.Орел, ул. Генерала Родина, 69, ФГОУ ВПО ОрелГАУ
|
(72) Автор(ы):
Васильев Валерий Георгиевич (RU), Виноградов Александр Владимирович (RU), Астахов Сергей Михайлович (RU), Виноградова Алина Васильевна (RU)
(73) Патентообладатель(и):
Федеральное государственное образовательное учреждение высшего профессионального образования “Орловский государственный аграрный университет” (ФГОУ ВПО ОрелГАУ) (RU)
|
(54) СПОСОБ ЗАПРЕТА АВТОМАТИЧЕСКОГО ВКЛЮЧЕНИЯ РЕЗЕРВА НА КОРОТКОЕ ЗАМЫКАНИЕ В ОТХОДЯЩЕЙ ЛИНИИ ПРИ ОТКАЗЕ ЕЕ ВЫКЛЮЧАТЕЛЯ
(57) Реферат:
Использование: в автоматике электрических сетей. Технический результат заключается в расширении области применения и функциональных возможностей. В способе фиксируют ток короткого замыкания на вводе питающего трансформатора между вводным выключателем и выключателем АВР, в этот же момент времени фиксируют ток короткого замыкания в отходящих линиях, контролируют напряжение на секции шин питающего трансформатора и, если ток короткого замыкания присутствует и на вводе питающего трансформатора, и в одной из отходящих линий, а после его отключения защитой отсутствует напряжение на секции шин питающего трансформатора, делают вывод, что произошло короткое замыкание в отходящей линии и отказал ее выключатель, в этом случае подают сигнал запрета АВР. 2 ил.
Изобретение относится к автоматике электрических сетей и предназначено для предотвращения срабатывания выключателя автоматического включения резерва (АВР) на короткое замыкание в отходящей линии при отказе ее выключателя.
Известен способ запрета автоматического включения резерва на короткое замыкание на шинах двухтрансформаторной подстанции, в котором фиксируют ток короткого замыкания на вводе питающего трансформатора между вводным выключателем и выключателем АВР, контролируют ток короткого замыкания в отходящих линиях, контролируют напряжение на секции шин питающего трансформатора и, если ток короткого замыкания присутствует на вводе питающего трансформатора, но отсутствует в отходящих линиях, то после отключения защитой тока короткого замыкания, если отсутствует напряжение на секции шин питающего трансформатора, подают сигнал на запрет АВР. [Патент №2251193, кл. Н 02 J 9/06 от 16.10.03 г.]
Недостатком известного способа является то, что он не позволяет выполнить запрет АВР при коротком замыкании в отходящей линии при отказе ее выключателя.
Задачей предлагаемого изобретения является расширение области, применения и функциональных возможностей способа путем использования его для запрета АВР в случае двух- или трехфазного короткого замыкания в отходящей линии при отказе ее выключателя.
Для решения указанной задачи в известном способе, заключающемся в фиксации тока короткого замыкания на вводе питающего трансформатора и в отходящих линиях, фиксируют ток короткого замыкания на вводе питающего трансформатора между вводным выключателем и выключателем АВР, фиксируют ток короткого замыкания в отходящих линиях, контролируют напряжение на секции шин питающего трансформатора и, если ток короткого замыкания присутствует на вводе питающего трансформатора, но отсутствует в отходящих линиях, то после отключения защитой тока короткого замыкания, если отсутствует напряжение на секции шин питающего трансформатора, подают сигнал на запрет АВР, согласно изобретению фиксируют ток короткого замыкания на вводе питающего трансформатора между вводным выключателем и выключателем АВР, в этот же момент времени фиксируют ток короткого замыкания в отходящих линиях, контролируют напряжение на секции шин питающего трансформатора и, если ток короткого замыкания присутствует и на вводе питающего трансформатора, и в одной из отходящих линий, а после его отключения защитой отсутствует напряжение на секции шин питающего трансформатора, делают вывод, что произошло короткое замыкание в отходящей линии и отказал ее выключатель, в этом случае подают сигнал запрета АВР.
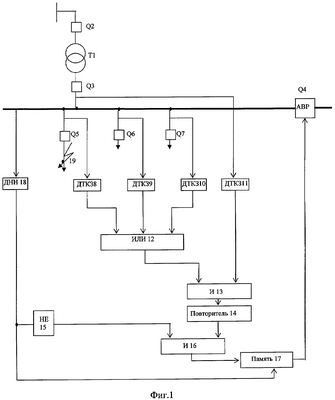
Суть предлагаемого изобретения поясняется чертежами, где:
на фиг.1 показана структурная схема устройства, реализующего способ;
на фиг.2 показаны диаграммы сигналов на выходах элементов, показанных на фиг.1 при коротком замыкании в точке 16.
Схема (см. фиг.1) содержит питающий трансформатор Т1, вводной выключатель Q2 на стороне высокого напряжения, вводной выключатель Q3 на стороне низкого напряжения, выключатель АВР Q4, выключатель в отходящей линии Q5, выключатель в отходящей линии Q6, выключатель в отходящей линии Q7, датчик тока короткого замыкания ДТКЗ 8, датчик тока короткого замыкания ДТКЗ 9, датчик тока короткого замыкания ДТКЗ 10, датчик тока короткого замыкания ДТКЗ 11, элемент ИЛИ 12, элемент И 13, элемент Повторитель 14, элемент НЕ 15, элемент И 16, элемент Память 17, датчик наличия напряжения ДНН 18, точка короткого замыкания 19.
При коротком замыкании в точке 19 (см. фиг.1) диаграммы сигналов на выходах элементов, показанных на фиг.1, имеют вид: 20 – на выходе элемента 8; 21 – на выходе элемента 9; 22 – на выходе элемента 10; 23 – на выходе элемента 11; 24 – на выходе элемента 18; 25 – на выходе элемента 12; 26 – на выходе элемента 13; 27 – на выходе элемента 14; 28 – на выходе элемента 15; 29 – на выходе элемента 16; 30 – на выходе элемента – 17.
Схема работает следующим образом.
В нормальном режиме работы в отходящих линиях и на вводе трансформатора Т1 течет рабочий ток. Так как токи в линиях и на вводе не равны току короткого замыкания, то нет сигналов на выходах ДТКЗ 8, ДТКЗ 9, ДТКЗ 10, ДТКЗ 11. Соответственно, отсутствуют сигналы на выходах элементов ИЛИ 12 и И 13. Присутствуют все линейные напряжения на шинах, поэтому присутствует сигнал с элемента ДНН 18, нет сигнала на выходе элемента НЕ 15 и, соответственно, на выходе И 16. Сигнал с выхода элемента ДНН 18 подается на сброс элемента Память 17. Схема не запускается.
При коротком замыкании (двух- или трехфазном) в отходящей линии (фиг.1, точка 19) появляется ток короткого замыкания на вводе трансформатора Т1, который фиксируется датчиком ДТКЗ 11, на выходе ДТКЗ 11 появляется сигнал (фиг.2, диаграмма 23). Так как замыкание произошло в отходящей линии, то на выходе датчика ДТКЗ 8 также появляется сигнал (фиг.2, диаграмма 20). На выходах элементов ДТКЗ 9 и ДТКЗ 10 сигнал отсутствует (фиг.2, диаграммы 21, 22). Сигнал с элемента ДТКЗ 8 подается на вход элемента ИЛИ 12, с выхода которого появляется сигнал (фиг.2, диаграммы 25) и поступает на один из входов элемента И 13, на втором входе которого присутствует сигнал с элемента ДТКЗ 11. На выходе И 13 появляется сигнал и подается на вход элемента. Повторитель 14 (фиг.2, диаграмма 26), который подает сигнал на один вход И 16 (фиг.2, диаграмма 27). Если произойдет отказ выключателя Q5 в линии, то отключение тока короткого замыкания произойдет с помощью выключателя Q3. При этом исчезает напряжение на шинах и, соответственно, исчезает сигнал с элемента ДНН 18 (фиг.2, диаграмма 24). Появляется сигнал на выходе элемента НЕ 15 (фиг.2, диаграмма 28) и подается на второй вход элемента И 16. Поскольку на обоих входах элемента И 16 появляются, таким образом, сигналы, появляется сигнал и на его выходе (фиг.2, диаграмма 29). Этот сигнал подается на вход элемента Память 17. Ввиду присутствия сигнала на входе элемента Память 17 и отсутствия сигнала сброса, на выходе Память 17 появится сигнал, который будет являться сигналом запрета АВР (фиг.2, диаграмма 30). При восстановлении нормального режима на шинах подстанции появится напряжение, что будет зафиксировано датчиком ДНН 18, сигнал с которого «сбросит» элемент Память 17, схема вернется в исходное состояние.
При коротком замыкании (двух или трехфазном) в другой отходящей линии, при отказе ее выключателя схема работает аналогично, особенность ее работы в этом случае состоит в том, что сигнал о появлении тока короткого замыкания появится с выхода одного из элементов ДТКЗ 9 или ДТКЗ 10.
Если при коротком замыкании в отходящей линии отключится ее выключатель, в данном случае Q5, то после исчезновения тока короткого замыкания напряжение на шинах подстанции не исчезнет. Таким образом, не будет сигнала с выходов элементов НЕ 15 и И 16, следовательно, сигнал запрета АВР в этом случае выдан не будет.
Если короткое замыкание в отходящей линии произошло в непосредственной близости от шин подстанции, то возможно исчезновение напряжения на шинах во время протекания тока короткого замыкания. В этом случае появится сигнал с выхода элемента Память 17, но после отключения тока короткого замыкания выключателем Q5 произойдет восстановление номинального уровня напряжения на шинах, появится сигнал с выхода элемента ДНН 18 и произойдет «сброс» элемента Память 17. Схема вернется в исходное состояние.
Таким образом, сигнал запрета АВР подается только в случае короткого замыкания в отходящей линии при отказе ее выключателя независимо от вида короткого замыкания (двух- или трехфазное). За счет чего расширяется область применения и функциональные возможности способа, что увеличивает срок службы выключателя АВР, сокращает затраты на его ремонт и обслуживание.
Формула изобретения
Способ запрета автоматического включения резерва (АВР) на короткое замыкание в отходящей линии при отказе ее выключателя, заключающийся в фиксации появления тока короткого замыкания на вводе питающего трансформатора и в отходящих линиях, отличающийся тем, что фиксируют ток короткого замыкания на вводе питающего трансформатора между вводным выключателем и выключателем АВР, в этот же момент времени фиксируют ток короткого замыкания в отходящих линиях, контролируют напряжение на секции шин питающего трансформатора и, если ток короткого замыкания присутствует и на вводе питающего трансформатора и в одной из отходящих линий, а после его отключения защитой отсутствует напряжение на секции шин питающего трансформатора, делают вывод, что произошло короткое замыкание в отходящей линии и отказал ее выключатель, в этом случае подают сигнал запрета АВР.
РИСУНКИ
MM4A – Досрочное прекращение действия патента СССР или патента Российской Федерации на изобретение из-за неуплаты в установленный срок пошлины за поддержание патента в силе
Дата прекращения действия патента: 13.09.2007
Извещение опубликовано: 10.05.2009 БИ: 13/2009
|
|