|
|
(21), (22) Заявка: 2005117684/09, 07.06.2005
(24) Дата начала отсчета срока действия патента:
07.06.2005
(46) Опубликовано: 27.01.2007
(56) Список документов, цитированных в отчете о поиске:
RU 2240598 C1, 20.11.2004. RU 2248041 C1, 10.03.2005. SU 1262531 A1, 07.10.1986. US 5586217 A, 17.12.1996.
Адрес для переписки:
432027, г.Ульяновск, Северный Венец, 32, ГОУ ВПО “Ульяновский государственный технический университет”, Проректору по научной работе
|
(72) Автор(ы):
Андреев Дмитрий Васильевич (RU)
(73) Патентообладатель(и):
Государственное образовательное учреждение высшего профессионального образования “Ульяновский государственный технический университет” (RU)
|
(54) РАНГОВЫЙ СЕЛЕКТОР
(57) Реферат:
Изобретение относится к автоматике и аналоговой вычислительной технике и может быть использовано для построения функциональных узлов аналоговых вычислительных машин, средств автоматического регулирования и управления, аналоговых процессоров. Техническим результатом является повышение точности устройства. Устройство содержит n реляторов, каждый из которых состоит из замыкающего и размыкающего ключа, двух устройств выборки/хранения, элемента «MIN», элемента «МАХ», булевого инвертора. 3 ил., 1 табл.
Изобретение относится к автоматике и аналоговой вычислительной технике и может быть использовано для построения функциональных узлов аналоговых вычислительных машин, средств автоматического регулирования и управления, аналоговых процессоров и др.
Известны ранговые селекторы (см., например, фиг.1 в описании изобретения к патенту РФ 2248042, кл. G 06 G 7/25, 2005 г.), которые содержат реляторы и выполняют селекцию из n+1 аналоговых сигналов x1,…, xn+1 сигнала x(r) любого заданного ранга r {1,…, n+1}, x(1)=min(х1,…, хn+1),…,х(n+1)=max(x1,…, xn+1).
К причине, препятствующей достижению указанного ниже технического результата при использовании известных ранговых селекторов, относится низкая точность, обусловленная тем, что их максимальная погрешность определяется выражением =1,5n , где есть погрешность релятора.
Наиболее близким устройством того же назначения к заявленному изобретению по совокупности признаков является принятый за прототип ранговый селектор (фиг.1 в описании изобретения к патенту РФ 2240598, кл. G 06 G 7/25, 2004 г.), который содержит n реляторов и выполняет селекцию из n+1 аналоговых сигналов сигнала любого заданного ранга r {1,…, n+1}.
К причине, препятствующей достижению указанного ниже технического результата при использовании прототипа, относится низкая точность, обусловленная тем, что максимальная погрешность прототипа определяется выражением =(n+1) , где есть погрешность релятора.
Техническим результатом изобретения является повышение точности при сохранении функциональных возможностей прототипа.
Указанный технический результат при осуществлении изобретения достигается тем, что в ранговом селекторе, содержащем n реляторов, каждый из которых содержит объединенные выходами замыкающий и размыкающий ключи, два устройства выборки/хранения, элемент “MIN”, элемент “МАХ” и булевый инвертор, причем в каждом реляторе первый, второй входы и выход элемента “MIN” соединены соответственно с входом размыкающего ключа, выходом первого устройства выборки/хранения и входом замыкающего ключа, выход которого соединен с информационным входом второго устройства выборки/хранения, подключенного входом записи и выходом соответственно к входу булевого инвертора, второму управляющему входу релятора и первому входу элемента “МАХ”, второй вход и выход которого соединены соответственно с информационным входом первого устройства выборки/хранения, подключенного входом записи к выходу булевого инвертора, и выходом релятора, первый, второй информационные и первый управляющий входы которого соединены соответственно с первым входом элемента “MIN”, вторым входом элемента “МАХ” и входом управления замыкающего, размыкающего ключей, выход каждого предыдущего релятора подключен к второму информационному входу последующего релятора, особенность заключается в том, что выход n-го релятора является выходом рангового селектора, первый и второй настроечные входы которого образованы соответственно объединенными первыми и объединенными вторыми управляющими входами первого – n-го реляторов.
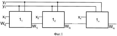
На фиг.1, 2 и 3 представлены соответственно схема предлагаемого рангового селектора, схема релятора, использованного при построении этого селектора, и временные диаграммы сигналов настройки.
Ранговый селектор содержит n реляторов 11,…, 1n. Каждый релятор содержит замыкающий и размыкающий ключи 21 и 22, первое и второе устройства выборки/хранения 31 и 32, элемент “MIN” 4, элемент “МАХ” 5 и булевый инвертор 6, причем первый, второй входы и выход элемента 4 соединены соответственно с входом ключа 22, выходом устройства 31 и входом ключа 21, выход которого соединен с выходом ключа 22 и информационным входом устройства 32, подключенного входом записи и выходом соответственно к входу инвертора 6, второму управляющему входу релятора и первому входу элемента 5, второй вход и выход которого соединены соответственно с информационным входом устройства 31, подключенного входом записи к выходу инвертора 6, и выходом релятора, первый, второй информационные и первый управляющий входы которого соединены соответственно с первым входом элемента 4, вторым входом элемента 5 и входом управления ключей 21, 22. Выход каждого предыдущего релятора подключен к второму информационному входу последующего релятора, а выход релятора 1n является выходом рангового селектора, первый и второй настроечные входы которого образованы соответственно объединенными первыми и объединенными вторыми управляющими входами реляторов 11,…, 1n.
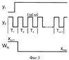
Работа предлагаемого рангового селектора осуществляется следующим образом. На первые информационные входы реляторов 11,…, 1n подаются подлежащие обработке аналоговые сигналы (напряжения) х1,…, хn соответственно; на второй информационный вход релятора 11 последовательно подаются аналоговый сигнал (напряжение) хn+1 и опорное напряжение хmin(xmin+(n-1) <х1,…, хn+1, – погрешность релятора); на первый, второй настроечные входы селектора подаются соответственно цифровые сигналы y1, y2 {0,1} (фиг.3). Если y1=1 (y1=0), то ключ 21 замкнут (разомкнут), а ключ 22 разомкнут (замкнут). При y2=1 (y2=0) устройства 32 и 31 работают соответственно в режимах выборки (хранения) и хранения (выборки). Элементы 4 и 5 воспроизводят базовые операции бесконечнозначной логики (БЛ): соответственно БЛ-конъюнкцию (min) и БЛ-дизъюнкцию (max), то есть осуществляют выбор соответственно наименьшего и наибольшего из двух аналоговых сигналов, действующих на их входах. Следовательно, напряжение на выходе релятора будет определяться рекуррентным выражением

где символами и · обозначены соответственно операции max и min; есть номер периода Тj сигнала y2 (фиг.3); W01=xn+1, W02=…=W0(n+1)=xmin; – погрешность релятора 1i. Длительность t половины периода Тj=2 t сигнала y2 должна удовлетворять условию t> n, где есть длительность задержки, вносимой элементом 5. Ниже в таблице приведены значения выражения (1) при n=3, полученные с использованием тождеств (1.37), (1.38), которые представлены на стр.8 в книге Левин В.И. Бесконечнозначная логика в задачах кибернетики. М.: Радио и связь, 1982 г. (Л1).
W11=(x1 W01)+ =(x1+ ) (x4+ ) |
W21=(x2 W11)+ =(х2+ ) (x1+2 ) (x4+2 ) |
W31=(x3 W21)+ =(x3+ ) (x2+2 ) (x1+3 ) (x4+3 ) |
W12=(x1W01 W02)+ =(x1+ )(x4+ ) |
W22=(х2W11 W12)+ =(x2+ )(x1+2 ) (x2+ )(x4+2 ) (х1+2 )(x4+2 ) |
W32=(x3W21 W22)+ =(x3+ )(x2+2 ) (x3+ )(x1+3 ) (х3+ )(х4+3 ) (x2+2 )(x1+3 ) (x2+2 )(x4+3 ) (х1+3 )(x4+3 ) |
W13=(x1W02 W03)+ =xmin+ |
W23=(x2W12 W13)+ =(x2+ )(x1+2 )(x4+2 ) |
W33=(x3W22 W23)+ =(x3+ )(x2+2 )(x1+3 ) (x3+ )(x2+2 )(x4+3 ) (x3+ )(x1+3 )(x4+3 ) (x2+2 )(x1+3 )(x4+3 ) |
W14=(x1W03 W04)+ =xmin+ |
W24=(x2W13 W14)+ =xmin+2 |
W34=(x3W23 W24)+ =(x3+ )(x2+2 )(x1+3 )(x4+3 ) |
С учетом формул, приведенных в таблице, нетрудно вывести непосредственное выражение для Wnj:

где ak(n+2-j) … ak(n+1) {a1, (,an+1},

есть количество неповторяющихся БЛ-конъюнкций ak(n+2-j)…ak(n+1), определяемое как число сочетаний из n+1 по n+1-j. При j=n+2-r выражение (2) совпадает с видом поисковой функции (функция (6.7) на стр.117 в Л1), которая реализует алгоритм поиска (селекции) элемента а(r) заданного ранга r {1,…, n+1} в множестве {а1,…, аn+1} (а(1)=min(а1,…, аn+1),…, а(n+1)=max{а1,…, аn+1)). Таким образом, на выходе селектора (фиг.1) получим

Поскольку согласно последнему равенству сигнал на выходе селектора (фиг.1) может быть равен любой компоненте кортежа (а1,…, аn+1), а с учетом (3): a1=x1+n , а2=x2+(n-1) ,…, аn=хn+ , аn+1=xn+1+n , где х1,…, хn+1 и есть соответственно входные аналоговые сигналы и погрешность релятора, то максимальная погрешность селектора будет определяться выражением =n .
Вышеизложенные сведения позволяют сделать вывод, что предлагаемый ранговый селектор выполняет селекцию из n+1 аналоговых сигналов сигнала любого заданного ранга r {1,…, n+1} и обладает более высокой по сравнению с прототипом точностью.
Формула изобретения
Ранговый селектор для селекции из n+1 аналоговых сигналов сигнала любого заданного ранга r {1,…, n+1}, содержащий n реляторов, каждый из которых содержит объединенные выходами замыкающий и размыкающий ключи, два устройства выборки/хранения, элемент “MIN”, элемент “МАХ” и булевый инвертор, причем в каждом реляторе первый, второй входы и выход элемента “MIN” соединены соответственно с входом размыкающего ключа, выходом первого устройства выборки/хранения и входом замыкающего ключа, выход которого соединен с информационным входом второго устройства выборки/хранения, подключенного входом записи и выходом соответственно к входу булевого инвертора, второму управляющему входу релятора и первому входу элемента “МАХ”, второй вход и выход которого соединены соответственно с информационным входом первого устройства выборки/хранения, подключенного входом записи к выходу булевого инвертора, и выходом релятора, первый, второй информационные и первый управляющий входы которого соединены соответственно с первым входом элемента “MIN”, вторым входом элемента “МАХ” и входом управления замыкающего, размыкающего ключей, выход каждого предыдущего релятора подключен к второму информационному входу последующего релятора, а объединенные первые и объединенные вторые управляющие входы первого – n-го реляторов соединены соответственно с первым и вторым настроечными входами рангового селектора, при этом на первые информационные входы первого – n-го реляторов подаются первый – n-й аналоговые сигналы соответственно, отличающийся тем, что выход n-го релятора является выходом рангового селектора, при этом в первом и k-м периодах цифрового сигнала, подаваемого на второй настроечный вход рангового селектора, на второй информационный вход первого релятора подаются соответственно (n+1)-й аналоговый сигнал и опорное напряжение.
РИСУНКИ
MM4A – Досрочное прекращение действия патента СССР или патента Российской Федерации на изобретение из-за неуплаты в установленный срок пошлины за поддержание патента в силе
Дата прекращения действия патента: 08.06.2007
Извещение опубликовано: 20.11.2008 БИ: 32/2008
|
|