|
(21), (22) Заявка: 2005117902/06, 09.06.2005
(24) Дата начала отсчета срока действия патента:
09.06.2005
(46) Опубликовано: 27.01.2007
(56) Список документов, цитированных в отчете о поиске:
JP 6317244 A1, 15.11.1994. RU 2106522 C1, 10.03.1998. RU 2100644 C1, 27.12.1995. RU 2012826 C1, 15.05.1994. US 3556668 A, 19.01.1971.
Адрес для переписки:
432071, г.Ульяновск, ул. Крымова, 10а, ОАО “УКБП”
|
(72) Автор(ы):
Волков Дамир Раильевич (RU), Козицин Владимир Кузьмич (RU), Кудрявцев Леонид Семенович (RU), Макаров Николай Николаевич (RU)
(73) Патентообладатель(и):
ОАО “Ульяновское конструкторское бюро приборостроения” (ОАО “УКБП”) (RU)
|
(54) УСТРОЙСТВО КОНТРОЛЯ СКОРОСТИ ДЛЯ РЕГУЛЯТОРА СКОРОСТИ ГИДРОТУРБИНЫ
(57) Реферат:
Устройство предназначено для контроля скорости. Устройство содержит задатчик частоты вращения, датчик частоты тока гидрогенератора, пропорционально-интегрально-дифференциальный регулятор (ПИД-регулятор), датчик открытия направляющего аппарата гидротурбины и модуль вычисления величины ограничения открытия направляющего аппарата, электрогидравлический преобразователь, датчик напора, ручной задатчик напора, модуль коммутации сигнала по напору, модуль ограничения скорости изменения сигнала по напору и модуль расчета величины открытия направляющего аппарата при холостом ходе гидротурбины, два датчика частоты вращения вала гидрогенератора и модуль выбора каналов измерения частоты вращения гидрогенератора, модуль пуска и остановки гидротурбины. Технический результат – повышение надежности. 2 ил.
Заявляемое изобретение относится к гидромашиностроению, конкретно к устройствам контроля скорости для регуляторов скорости гидротурбины.
Известно устройство контроля скорости для регулятора скорости в водных турбогенераторах, являющееся ближайшим аналогом заявляемого изобретения (JP 6317244 A1, (TOSHIBA ENGINEERING CO), 15.11.1994).
Данное устройство содержит задатчик частоты вращения, датчик частоты генератора гидроагрегата, пропорционально-интегрально-дифференциальный регулятор, в дальнейшем ПИД-регулятор, датчик открытия и ограничитель открытия направляющего аппарата, электрогидравлический преобразователь и формирователь компенсационного сигнала в цепь задания частоты в момент включения возбудителя генератора. В данном устройстве усовершенствован процесс запуска генератора путем сокращения времени выхода гидротурбины на номинальную скорость вращения.
Однако данное устройство обладает рядом недостатков, которые вызывают увеличение времени пуска гидротурбины, т.е. времени от момента подачи команды на запуск гидроагрегата до завершения процесса синхронизации с энергосетью:
– величина начального (пускового) открытия направляющего аппарата гидротурбины постоянна и несколько больше величины открытия холостого хода, необходимого для разгона гидротурбины до номинальной частоты вращения. Это приводит в момент подключения регулятора частоты к некоторому закрытию направляющего аппарата и соответственно увеличению времени регулирования на холостом ходу, а в некоторых случаях, например, при увеличении действующего напора, к перерегулированию;
– включение в работу ПИД-регулятора происходит с момента запуска гидроагрегата, что приводит к увеличению времени работы на холостом ходу из-за возмущения, поступающего по цепи компенсации задания по частоте в момент подключения возбудителя генератора.
Задачей, на решение которой направлено заявляемое изобретение, является создание устройства, обеспечивающего оптимальное управление гидротурбиной на этапах пуска и остановки и обладающего повышенной надежностью.
Технический результат выражается в улучшении динамических характеристик регулятора и повышении надежности аппаратной части.
Поставленная задача достигается тем, что в известное устройство контроля скорости для регулятора скорости гидротурбины, содержащее пропорционально-интегрально-дифференциальный регулятор (ПИД-регулятор), задатчик частоты вращения гидротурбины, соединенный через сумматор главной обратной связи с модулем усиления пропорциональной составляющей ПИД-регулятора, модуль ограничения текущего задания ПИД-регулятора, первый вход которого соединен с выходом модуля вычисления величины ограничения открытия направляющего аппарата, а выход с первым входом модуля сумматора местной обратной связи, второй вход которого соединен с датчиком открытия направляющего аппарата гидротурбины, а выход с электрогидравлическим преобразователем, выход последнего с гидротурбиной, датчик частоты тока гидрогенератора, при этом оно дополнительно содержит датчик напора, ручной задатчик напора, соединенные с модулем коммутации сигнала по напору, выход которого соединен с модулем ограничения скорости изменения сигнала по напору, модуль расчета величины открытия направляющего аппарата при холостом ходе гидротурбины, первый и второй датчики частоты вращения вала гидрогенератора, модуль пуска и остановки гидротурбины, причем выходы датчика тока гидрогенератора и первого, и второго датчиков частоты вращения вала гидрогенератора соединены соответственно с первым, вторым и третьим входами модуля выбора каналов измерения частоты вращения гидрогенератора, выход которого соединен с первым входом модуля пуска и остановки гидротурбины, модулем дифференцирующего звена ПИД-регулятора и сумматором главной обратной связи, выход которого соединен с первым входом первого модуля коммутации сигнала, на второй вход которого подается сигнал с выхода модуля пуска и остановки гидротурбины, а выход соединен с модулем интегрирующего звена ПИД-регулятора, причем выходы модулей усиления пропорциональной составляющей, интегрирующего и дифференцирующего звеньев соединены соответственно с первым, вторым и третьим входами сумматора ПИД-регулятора, выход которого соединен с первым входом второго модуля коммутации сигнала, на второй вход которого подается сигнал с модуля пуска и остановки гидротурбины, а выход соединен со вторым входом модуля ограничения текущего значения ПИД-регулятора, выход которого соединен со вторым входом модуля пуска и остановки гидротурбины, а выход модуля ограничения скорости изменения сигнала по напору соединен с входом модуля вычисления величины ограничения открытия направляющего аппарата и модулем расчета величины открытия направляющего аппарата при холостом ходе гидротурбины, выход которого соединен с третьим входом модуля пуска и остановки гидротурбины, причем выход последнего соединен с третьим входом сумматора местной обратной связи.
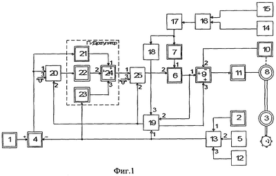
На фиг.1 представлена структурная схема устройства контроля скорости для регулятора скорости гидротурбины (ГТ) (двойной линией обведены элементы, общие для прототипа и заявляемого устройства).
На фиг.2 представлены графики переходных процессов параметров гидротурбины при пуске, работе под нагрузкой и ее остановке.
На фиг.1 показано:
1 – Задатчик частоты вращения гидротурбины,
2 – Датчик частоты тока гидрогенератора (ГТ),
3 – Гидрогенератор,
4 – Сумматор главной обратной связи,
5 – Первый датчик частоты вращения вала гидрогенератора,
6 – Модуль ограничения текущего задания ПИД-регулятора,
7 – Модуль вычисления величины ограничения открытия направляющего аппарата (НА),
8 – Гидротурбина,
9 – Сумматор местной обратной связи,
10 – Датчик открытия направляющего аппарата гидротурбины,
11 – Электрогидравлический преобразователь,
12 – Второй датчик частоты вращения вала гидрогенератора,
13 – Модуль выбора каналов измерения частоты вращения гидрогенератора,
14 – Датчик напора,
15 – Ручной задатчик напора,
16 – Модуль коммутации сигнала по напору,
17 – Модуль ограничения скорости изменения сигнала по напору,
18 – Модуль расчета величины открытия направляющего аппарата при холостом ходе гидротурбины,
19 – Модуль пуска и остановки гидротурбины,
20 – Первый модуль коммутации сигнала,
21 – Модуль усиления пропорциональной составляющей ПИД-регулятора,
22 – Модуль интегрирующего звена ПИД-регулятора,
23 – Модуль дифференцирующего звена ПИД-регулятора,
24 – Сумматор ПИД-регулятора,
25 – Второй модуль коммутации сигнала.
Задатчик частоты вращения гидротурбины 1 формирует текущее задание частоты для регулятора гидротурбины по каналу стабилизации частоты вращения. Возможно автоматическое и ручное изменения задания.
Датчик частоты 2 тока гидрогенератора измеряет текущую частоту электрического тока гидрогенератора и имеет узкий диапазон измерения в пределах номинальной частоты и высокую точность. Данные с датчика частоты 2 используются в процессе регулирования при работе гидрогенератора в установившемся режиме.
Гидрогенератор 3 жестко соединен с валом гидротурбины и обеспечивает генерацию электрической энергии.
Сумматор главной обратной связи регулятора 4 обеспечивает формирование сигнала отклонения текущей частоты вращения гидрогенератора от заданной частоты, формируемой задатчиком частоты 1.
Первый датчик частоты вращения вала гидрогенератора 5 измеряет текущую частоту вращения вала гидрогенератора во всем диапазоне его работы. Информация с датчика 5 используется при запуске, остановке гидротурбины, в переходных режимах работы, а также при выходе частоты ГГ за пределы диапазона измерения датчика частоты 2 или при отказе датчика 2.
Модуль ограничения текущего задания ПИД-регулятора 6 обеспечивает ограничение открытия НА в зависимости от действующего напора.
Модуль вычисления величины ограничения открытия НА 7 вычисляет и формирует в зависимости от действующего напора значения ограничительных сигналов, определяющих максимальное открытие НА.
Гидротурбина 8 обеспечивает преобразование энергии воды, падающей на лопатки рабочего колеса, во вращательное движение и передачу крутящего момента на гидрогенератор.
Сумматор местной обратной связи 9 формирует сигнал отклонения текущего положения НА гидротурбины от заданного.
Датчик открытия НА гидротурбины 10 обеспечивает измерение текущего положения направляющего аппарата гидротурбины.
Электрогидравлический преобразователь 11 обеспечивает управление исполнительным гидравлическим механизмом (сервомотором) гидротурбины путем перераспределения потока рабочей жидкости, поступающей под давлением от маслонапорной установки (не показаны).
Второй датчик частоты вращения вала гидрогенератора 12 измеряет текущую частоту вращения вала гидрогенератора во всем диапазоне его работы и используется модулем выбора каналов 13 в качестве резервного датчика для оценки работоспособности двух других датчиков частоты 2 и 5.
Модуль выбора каналов измерения частоты вращения ГГ 13 обеспечивает проверку работоспособности каналов и определение отказавшего датчика частоты и переключение каналов на различных режимах работы ГГ. Выявление отказавшего датчика происходит методом попарного сравнения показаний всех трех датчиков частоты. При отклонении показаний какого-либо датчика от установленных значений он считается неработоспособным. Значение частоты с выбранного канала поступает в сумматор 4 в качестве сигнала главной обратной связи.
Датчик напора 14 обеспечивает измерение действующего напора путем вычисления разницы уровней верхнего и нижнего бьефа гидроэлектростанции.
Ручной задатчик напора 15 обеспечивает ручной ввод и формирование сигнала текущего напора. Используется при отсутствии датчика напора или его отказе. В данном случае текущий напор воды определяется оператором визуально по отметкам в водохранилище.
Модуль коммутации сигнала по напору 16 обеспечивает оператору возможность выбора способа задания текущего напора: от датчика напора 14 в автоматическом режиме или вручную от ручного задатчика напора 15.
Модуль ограничения скорости изменения сигнала по напору 17 обеспечивает плавное (безударное) изменение сигнала по текущему напору при переходе с одного режима измерения напора на другой (с автоматического на ручной и обратно).
Модуль расчета величины открытия направляющего аппарата при холостом ходе гидротурбины 18 обеспечивает вычисление величины открытия направляющего аппарата при холостом ходе ГТ при различных напорах, что обеспечивает более быстрый разгон гидротурбины до частоты холостого хода.
Модуль пуска и остановки ГТ 19 обеспечивает управление НА гидротурбины 8 в остановленном состоянии, ускоренный разгон гидротурбины и минимальное время работы на холостом ходу, а также управление гидротурбиной при ее остановке по команде оператора. Модуль 19 также обеспечивает обработку внешних команд на запуск и остановку ГТ, а также формирует команды на включение возбудителя генератора при пуске и отключение генераторного выключателя при остановке ГТ.
Первый модуль коммутации сигнала 20 обеспечивает обнуление сигнала модуля интегрирующего звена ПИД-регулятора, подключение интегрирующего звена 22 после разгона гидротурбины до нормированных оборотов 95-105% от номинальных, что позволяет сократить время разгона и синхронизации ГТ с энергосетью и уменьшить перерегулирование. Управление модулем 20 осуществляет модуль пуска и остановки ГТ 19.
Блок ПИД-регулятор состоит из:
– модуля усиления пропорциональной составляющей 21,
– модуля интегрирующего звена 22,
– модуля дифференцирующего звена 23,
– сумматора 24.
ПИД-регулятор обеспечивает стабилизацию заданной установки частоты вращения, формируемой задатчиком частоты вращения ГТ 1.
На вход модулей 21 и 22 поступает сигнал рассогласования частоты с сумматора главной обратной связи 4. На вход модуля 23 поступает сигнал главной обратной связи по частоте, что обеспечивает реализацию функции дифференциатора и не пропускает возмущающие воздействия при изменении оператором текущего задания задатчиком частоты 1 и сокращает время отработки задания.
Сумматор 24 составляющих сигналов ПИД-регулятора формирует результирующий сигнал из сигналов, поступающих с модулей 21, 22, 23 (пропорционального, интегрального и дифференциального).
Второй модуль коммутации сигнала ПИД-регулятора 25 обеспечивает подключение сигнала ПИД-регулятора после разгона гидротурбины и достижения ею нормированной скорости, а также отключение сигнала ПИД-регулятора при ее остановке. Управление модулем осуществляется по сигналу от модуля пуска и остановки ГТ 19. За счет этого сокращается время запуска ГТ и синхронизации ГТ с энергосетью, а также обеспечивается заданный режим и остановка ГТ.
Заявляемое устройство функционирует следующим образом. Перед запуском ГТ в автоматическом режиме модуль 19 определяет готовность ее к пуску, ПИД-регулятор в этот период отключен через второй модуль коммутации сигнала 25, выходной сигнал с модуля интегрирующего звена 22 обнулен и на его вход также подается нулевой сигнал с первого модуля коммутации сигналов 20.
При поступлении команды “Пуск ГТ” модуль пуска и остановки ГТ 19 формирует линейно-нарастающий сигнал до величины пускового открытия НА (фиг.2, кривая открытия НА ГТ) и передает его на модуль сумматора местной обратной связи 9. Скорость формирования управляющего сигнала максимально допустимая и ограничена только гарантиями регулирования. Далее после открытия НА и разгона гидротурбины до нормированной величины (80-90% от номинальной частоты (см. фиг.2, кривая частоты вращения ГТ), модулем 19 формируется команда на включение возбудителя ГГ и формируется линейно-убывающий сигнал до величины открытия НА при холостом ходе ГТ. Скорость формирования управляющего сигнала определяется из условия достижения исполнительным механизмом гидротурбины положения холостого хода и разгона гидротурбины до частоты 100% от номинального значения. Затем в работу включается ПИД-регулятор путем включения первого и второго модулей коммутации 20 и 25 и обеспечивает стабилизацию частоты вращения на холостом ходу. Далее при выполнении условий стабилизации частоты вращения гидрогенератор подключается на нагрузку.
При поступлении команды “Стоп ГТ” устройство пуска и остановки ГТ 19 обеспечивает запоминание управляющего сигнала ПИД-регулятора, поступающего с модуля ограничения 6, отключение ПИД-регулятора с помощью модуля коммутации 25 и компенсацию управляющего сигнала, поступающего на вход сумматора местной обратной связи 9 (см. фиг.2, кривые открытия НА и выхода ПИД-регулятора), обеспечивая тем самым безударный переход с режима регулирования по частоте на режим остановки ГТ. Затем модуль 19 формирует со скоростью, ограниченной гарантиями регулирования, линейно-убывающий сигнал до положения открытия холостого хода и далее после отключения генераторного выключателя дальнейшее закрытие НА гидротурбины вплоть до его полного закрытия.
Схема устройства зарезервирована по каналам измерения частоты вращения и включает в себя два канала измерения частоты вращения с собственными независимыми первым и вторым датчиками частоты 5 и 12, формирующими измерительные импульсы с частотой следования, пропорциональной частоте вращения вала ГГ, а также канал с датчиком 2, измеряющим частоту электрического тока генератора, которая также пропорциональна частоте вращения гидрогенератора. Все сигналы поступают в модуль выбора каналов измерения частоты 13, который обеспечивает выбор и подключение нужного датчика в соответствии с текущим режимом работы ГТ, проверку работоспособности каналов частоты и определение отказавшего датчика. Проверка работоспособности частотных каналов и выбор рабочего канала осуществляются путем попарного сравнения их частот. Текущее значение частоты с датчика выбранного канала используется в качестве главной обратной связи устройства.
Для обеспечения оптимальной работы и сокращения времени пуска ГТ используется информация о текущем напоре, поступающая от датчика напора 14 или задается оператором вручную от задатчика напора 15. Для обеспечения безударного перехода с режима ручного задания напора на автоматический и обратно служит модуль ограничения скорости изменения сигнала по напору 17. Сигнал с модуля 17 поступает в модуль вычисления величины ограничения открытия НА 7, который ограничивает величину сигнала открытия НА гидротурбины, поступающего от ПИД-регулятора, что позволяет ограничить мощность ГТ в соответствии с эксплуатационной характеристикой. Сигнал по напору также используется при пуске гидротурбины для определения величины открытия холостого хода, которая вычисляется модулем расчета величины открытия направляющего аппарата при холостом ходе гидротурбины 18.
Управляющая вычислительная часть регулятора создана на базе контроллеров, например контроллеров фирмы “Siemens” серии S7-300.
Датчики частоты вращения вала гидрогенератора 5 и 12 могут быть выполнены на базе известных схем бесконтактных индуктивных, емкостных или оптических преобразователей. В качестве датчика частоты 2 электрического тока ГГ используется известный серийный преобразователь частоты типа Е-858.
В качестве электрогидравлического преобразователя 11 может быть применен преобразователь струйного или золотникового типа.
В качестве датчика открытия НА гидротурбины 10 могут быть использованы преобразователи положения, например индуктивные, оптические или потенциометрические.
Датчик напора 14 может быть выполнен на базе датчиков уровня поплавкового, ультразвукового или емкостного типа.
Формула изобретения
Устройство контроля скорости для регулятора скорости гидротурбины, содержащее пропорционально-интегрально-дифференциальный регулятор (ПИД-регулятор), задатчик частоты вращения гидротурбины, соединенный через сумматор главной обратной связи с модулем усиления пропорциональной составляющей ПИД-регулятора, модуль ограничения текущего задания ПИД-регулятора, первый вход которого соединен с выходом модуля вычисления величины ограничения открытия направляющего аппарата, а выход с первым входом модуля сумматора местной обратной связи, второй вход которого соединен с датчиком открытия направляющего аппарата гидротурбины, а выход с электрогидравлическим преобразователем, выход последнего с гидротурбиной, датчик частоты тока гидрогенератора, отличающееся тем, что оно дополнительно содержит датчик напора, ручной задатчик напора, соединенные с модулем коммутации сигнала по напору, выход которого соединен с модулем ограничения скорости изменения сигнала по напору, модуль расчета величины открытия направляющего аппарата при холостом ходе гидротурбины, первый и второй датчики частоты вращения вала гидрогенератора, модуль пуска и остановки гидротурбины, причем выходы датчика тока гидрогенератора и первого, и второго датчиков частоты вращения вала гидрогенератора соединены соответственно с первым, вторым и третьим входами модуля выбора каналов измерения частоты вращения гидрогенератора, выход которого соединен с первым входом модуля пуска и остановки гидротурбины, модулем дифференцирующего звена ПИД-регулятора и сумматором главной обратной связи, выход которого соединен с первым входом первого модуля коммутации сигнала, на второй вход которого подается сигнал с выхода модуля пуска и остановки гидротурбины, а выход соединен с модулем интегрирующего звена ПИД-регулятора, причем выходы модулей усиления пропорциональной составляющей, интегрирующего и дифференцирующего звеньев соединены соответственно с первым, вторым и третьим входами сумматора ПИД-регулятора, выход которого соединен с первым входом второго модуля коммутации сигнала, на второй вход которого подается сигнал с модуля пуска и остановки гидротурбины, а выход соединен со вторым входом модуля ограничения текущего значения ПИД-регулятора, выход которого соединен со вторым входом модуля пуска и остановки гидротурбины, а выход модуля ограничения скорости изменения сигнала по напору соединен с входом модуля вычисления величины ограничения открытия направляющего аппарата и модулем расчета величины открытия направляющего аппарата при холостом ходе гидротурбины, выход которого соединен с третьим входом модуля пуска и остановки гидротурбины, причем выход последнего соединен с третьим входом сумматора местной обратной связи.
РИСУНКИ
|