|
| На основании пункта 3 статьи 13 Патентного закона Российской Федерации от 23 сентября 1992 г. № 3517-I патентообладатель обязуется передать исключительное право на изобретение (уступить патент) на условиях, соответствующих установившейся практике, лицу, первому изъявившему такое желание и уведомившему об этом патентообладателя и федеральный орган исполнительной власти по интеллектуальной собственности, – гражданину РФ или российскому юридическому лицу. |
|
(21), (22) Заявка: 2005123667/09, 25.07.2005
(24) Дата начала отсчета срока действия патента:
25.07.2005
(46) Опубликовано: 20.01.2007
(56) Список документов, цитированных в отчете о поиске:
RU 2029369 C1, 20.04.1995. RU 2246801 C1, 20.02.2005. SU 1396296 A1, 15.05.1986. SU 964665, 07.11.1982. RU 2191407 C2, 20.10.2002. SU 995377, 07.02.1983. SU 1251342 A1, 15.08.1986. JP 7027513, 27.01.1995. JP 4177410, 24.06.1992. DE 10237952, 11.03.2004.
Адрес для переписки:
215100, Смоленская обл., г. Вязьма, ул. Пушкина, 22, кв.38, Б.И. Волкову
|
(72) Автор(ы):
Волков Борис Иванович (RU)
(73) Патентообладатель(и):
Волков Борис Иванович (RU)
|
(54) ЦИФРОВАЯ СИСТЕМА СТЕРЕОТЕЛЕВИДЕНИЯ
(57) Реферат:
Изобретение относится к технике радиосвязи, может использоваться для телевещания, начиная с дециметрового диапазона, в наземных сетях ТВ и по спутниковым линиям связи. Технический результат – введение электронного управления раздельным наблюдением кадров стереопары и увеличение усредненной яркости изображения на экране в 40000 раз, достигается тем, что в известной системе на передающей стороне в синтезатор частот введен дополнительно десятый выход, на приемной стороне введены второй делитель частоты, 3Д-очки с ИК-приемником, ИК-передатчик, расположенный на матовом экране, в каждый канал видеосигнала введен накопитель кодов, а блок модуляции излучения выполнен из 400 каналов. Активных строк в кадре 800 с 1200 отсчетами в строке, частота кадров 50 Гц, частота стереопар 25 Гц. 20 ил., 2 табл.
Изобретение относится к технике радиосвязи, может использоваться для телевещания, начиная с дециметрового диапазона, в наземных сетях ТВ и по спутниковым линиям связи.
За прототип принята цифровая система стереотелевидения [1], содержащая на передающей стороне фотоэлектрический преобразователь, формирующий шесть аналоговых цветовых сигналов стереопары /правого и левого кадров/, шесть АЦП, два АЦП сигнала звука, генератор синусоидальных колебаний и синтезатор частот, 1-3 формирователи кодов, первый и второй самоходные распределители импульсов, счетчик импульсов, триггер, два ключа и передатчик радиосигналов из трех каналов, на приемной стороне содержащая антенну, блок управления, 1-3 тракты приема и обработки кодов видеосигналов, канал формирования управляющих сигналов и два канала звука, шесть блоков импульсных усилителей, блок модуляции излучения, первый делитель частоты, блок строчной развертки, первый усилитель и первый пьезодефлектор с отражателем на торце, блок кадровой развертки, второй усилитель и второй пьезодефлектор с отражателем на торце, четыре источника опорных напряжений, проекционную оптическую систему и матовый экран, второй делитель частоты, излучатель и блок раздельного наблюдения кадров. Стереопара включает последовательно следующие два кадра, частота следования стереопар 25 Гц. Информация кодов видеосигналов правого и левого кадров передается по трем радиоканалам двумя верхними и одной нижней боковыми частотами двух несущих частот. По первому радиоканалу верхняя боковая частота первой несущей передает коды ЕRП и ЕRЛ, по второму радиоканалу верхняя частота второй несущей передает коды ЕGП и ЕGЛ, по третьему радиоканалу нижняя боковая частота первой несущей передает коды ЕВП и ЕВЛ. На приемной стороне принимаются параллельно три радиосигнала, усиливаются, детектируются, символы единиц кодов преобразуются с полусинусоид в импульсы, коды видеосигналов распределяются по своим каналам, где выполняется удвоение отсчетов в строке и удвоение строк в кадре, после чего сигналы кодов усиливаются в импульсных усилителях и поступают в блок модуляции излучения. Отражатели двух пьезодефлекторов выполняют развертку кадра в фокальной плоскости проекционного объектива, который проецирует увеличенное в 20 раз изображение кадра на матовом экране. Левый и правый кадры раздельно наблюдаются левым и правым глазом зрителя. Поочередное перекрытие поля зрения глаза выполняет блок раздельного наблюдения кадровой механическим поворотом нейтральных светофильтров соответствующей плотности, выполненные из сеточек. Светофильтры закреплены на оси, которая поворачивается с дискретностью 90° и вращается с частотой 3,125 об/с по управляющим сигналам с импульсного светодиода над матовым экраном. Для просмотра стереопередачи очки одеваются на глаза, против глазных окон которых расположены левая и правая цилиндрические оправы с нейтральными светофильтрами. Недостатки прототипа: наблюдение кадров стереопары через механически вращающиеся светофильтры ограничивает частоту следования стереопар 12,5 Гц и опасно для глаз зрителя, просмотр кадра одним глазом требует увеличения яркости и контрастности изображения на экране.
Цель изобретения – безынерционное управление раздельным наблюдением кадров стереопар и повышение яркости изображения на экране.
Техническим результатом являются введение электронного /безынерционного/ управления раздельным наблюдением кадров стереопары и увеличение усредненной яркости изображения на экране в 40000 раз. Результат достигается изменением для восприятия объемного изображения ЗД-очков с ИК-приемником на их оправе и ИК-передатчика на матовом экране и разверткой кадра одновременно 400 нечетными и 400 четными строками с повторением каждой группы строк за период кадра по 50 раз, позволяющее увеличить усредненную яркость изображения в 40000 раз /400×100/. Информация кодов кадров стереопары передается по трем радиоканалам боковыми частотами двух несущих частот. На передающей стороне в кадре кодируются 400 строк, в строке кодируются по 600 отсчетов 8-разрядными кодами. Тактовая частота в системе 48 МГц. Развертка строк на передающей стороне построчная без обратных ходов, частота строк 20 кГц, развертка кадра без обратных ходов, частота кадров 50 Гц, частота стереопар 25 Гц. Длительность кадра на передающей стороне и на приемной стороне 20 мс, длительность строки на передающей стороне 50 мкс , длительность строки на экране приемной стороны 200 мкс, частота повторов 400 строк на приемной стороне 100 раз: 50 повторов 400 нечетных и 50 повторов 400 четных строк.
Частота строк на приемной стороне 5 кГц 
Между глазами и экраном размещаются электронно-управляемые ЗД-очки [2, с.558-565], в которых синхронно и синфазно со сменой кадров перекрывается поле зрения тому из глаз, кадр которого отсутствует.
Сущность изобретения в том, что в цифровую систему стереотелевидения, содержащую на передающей стороне фотоэлектрический преобразователь, 1-6 АЦП видеосигнала, 1-2 АЦП сигнала звука, генератор синусоидальных колебаний и синтезатор частот, три формирователя кодов, два самоходных распределителя импульсов, счетчик импульсов, триггер, два ключа и передатчик радиосигналов из трех каналов, на приемной стороне содержащую антенну, блок управления, 1-3 тракты приема и обработки кодов видеосигналов, канал формирования управляющих сигналов и два канала звука, три блока импульсных усилителей, блок модуляции излучения, первый делитель частоты, блок строчной развертки, первый усилитель и первый пьезодефлектор с отражателем на торце, второй усилитель и второй пьезодефлектор с отражателем на торце, четыре источника опорных напряжений, проекционный объектив и матовый экран, введены второй делитель частоты, ЗД-очки с ИК-приемником на оправе очков и ИК-передатчик, расположенный над матовым экраном, в каждый канал видеосигнала введен накопитель кодов, блок модуляции излучения выполнен из 400 каналов.
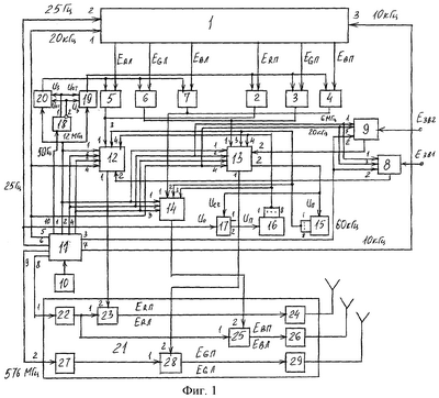
Структурная схема передающей стороны на фиг.1, развертка растра на передающей стороне на фиг.2, формы управляющих напряжений развертки на фиг.3, структура цифровых потоков с передающей стороны на фиг.4, АЦП видеосигнала на фиг.5, конструкция пьезодефлектора на фиг.6, формирователь кодов видеосигналов ЕR и EG на фиг.7, формирователь кодов ЕВ на фиг.8, приемная сторона на фиг.9, принципиальная схема двухполярного амплитудного детектора на фиг.10, блок обработки кодов на фиг.11, блок модуляции излучения на фиг.12, развертка растра на приемной стороне на фиг.13, блок выделения строчных синхроимпульсов на фиг.14, блок выделения синхроимпульсов стереопар на фиг.15, первый блок задержек на фиг.16, накопитель кодов на фиг.17, накопитель кодов нечетного /четного/ кадра на фиг.18, блок регистров на. фиг.19 и 20.
Передающая сторона включает /фиг.1/ фотоэлектрический преобразователь 1, являющийся датчиком двух изображений одного объекта: правого /ЕRП, ЕGП, ЕВП/ и левого /ЕRЛ, ЕGЛ, ЕВЛ/. Фотоэлектрический преобразователь 1 входит в состав передающей телевизионной камеры, в которую входят первый АЦП 2 /видеосигнал ЕRП/, второй АЦП 3 /видеосигнал ЕGП/, третий АЦП 4 /видеосигнал ЕВП/, четвертый АЦП 5 /видеосигнал ЕRЛ/, пятый АЦП 6 /видеосигнал ЕGЛ/, шестой АЦП 7 /видеосигнал ЕВЛ/. Передающая сторона включает первый АЦП 8 и второй АЦП 9 сигнала звука, на входы которых поданы сигналы звукового сопровождения Uзв1 и Uзв2, задающий генератор 10 синусоидальных колебаний, синтезатор 11 частот, первый 12, второй 13, третий 14 формирователи кодов соответственно ЕRП и ЕRЛ, ЕGП и ЕGЛ, ЕВП и ЕВЛ, первый 15 и второй 16 самоходные распределители импульсов, счетчик 17 импульсов, триггер 18, первый 19 и второй 20 ключи, передатчик 21 радиосигналов, включающий три канала. Первый канал включает последовательно соединенные усилитель 22 первой несущей частоты, амплитудный модулятор 23 в выходной усилитель 24, второй канал включает амплитудный модулятор 25 и выходной усилитель 26, третий канал включает усилитель 27 второй несущей частоты, амплитудный модулятор 28 и выходной усилитель 29. Каждый амплитудный модулятор 23, 25, 28 состоит из последовательно соединенных кольцевого модулятора и голосового фильтра [3, c.234], отфильтровывающего одну из боковых частот в спектре амплитудно-модулированной несущей. АЦП 2-7 /Фиг.5/ идентичны, каждый включает видеоусилитель 30 и пьезодефлектор 31 с отражателем на торце, источник 32 положительного опорного напряжения, источник 33 отрицательного опорного напряжения, излучатель из импульсного светодиода 34, щелевой диафрагмы 35 и микрообъектива 36, линейку 37 многоэлементного фотоприемника и шифратора 38. Все пьезодефлекторы, используемые в системе, являются торцевыми биморфными пьезоэлементами со световым отражателем на торце /фиг.6/, конструктивно выполнены одинаково [4, c.118] из первой 39 и второй 40 пьезопластин, внутреннего электрода 41, первого 42 и второго 43 внешних электродов. Один конец пьезопластин закреплен в держателе 44, на свободном торце расположен световой отражатель 45, АЦП 2-7 имеют один принцип преобразования, заключающийся в развертке луча /фиг.5/ от светодиода 34 отражателем пьезодефлектора 31 до плоскости входных зрачков фотоприемников линейки 37 многоэлементного фотоприемника, световой импульс преобразуется в электрический сигнал, возбуждающий одну из входных шин шифратора 38, который выдает код мгновенного значения входного видеосигнала. Преобразование выполняется с дискретизацией 12 МГц. Источник излучения импульсный светодиод АЛ402А с временем срабатывания 25 нс, с запасом, удовлетворяющим дискретизацию 12 МГц /83 нс/. Линейка 37 содержит 255 фотоприемников для кодирования видеосигналов 8-разрядным кодом. Шифратор представлен микросхемами К155ИВ1 с временем срабатывания 20 нс [5, с.231], формирует коды с 00000001 до 11111111.
Первый 12 и второй 13 формирователи кодов выполнены одинаково /фиг.7/, каждый содержит последовательно соединенные триггер 46 и блок 47 коммутации и три канала. Первый и второй идентичны. Первый канал включает последовательно соединенные блок 48 элементов И, первый 49, второй 50 элементы. ИЛИ и выходной ключ 51, и самоходный распределитель 52 импульсов. Второй канал включает второй блок 53 элементов И, третий 54 и четвертый 55 элементы ИЛИ и выходной ключ 56, и самоходный распределитель 57 импульсов. Третий канал включает два блока 58, 59 элементов И, пятый 60 и шестой 61 элементы ИЛИ, и два самоходных распределителя 62, 63 импульсов, включает первый 64, второй 65 ключи, последовательно соединенные счетчик 66 импульсов и дешифратор 67. В первом формирователе 12 кодов дешифратор 67 имеет первый и второй выходы, подключенные к соответствующим входам ключей 64, 65. Во втором формирователе 13 кодов дешифратор 67 имеет и третий выход, являющийся вторым выходом формирователя 13 кодов, подключенный к входу самоходного распределителя 15 импульсов /сигнал UП/ и ко входу счетчика 17 импульсов. Первым и вторым информационными входами являются входы блока 47 коммутации и входы блоков 58, 59 элементов И, третьим и четвертым информационными входами являются третьи входы второго и четвертого элементов ИЛИ 50, 55. Управляющими входами являются: первым – вход триггера 46 /12 МГц/, вторым – объединенные входы счетчика 66 импульсов и ключей 64, 65 /6 МГц/, третьим – сигнальные входы выходных ключей 51, 56 /48 МГц/, четвертым – управляющий вход счетчика 66 импульсов /20 кГц/. Выходом являются объединенные выходы выходных ключей 51, 56. Во втором формирователе 13 кодов вторым выходом является третий выход дешифратора 67. Третий формирователь 14 кодов содержит триггер 68, блок 69 коммутации и два канала. Каналы идентичны. Первый включает блок 70 элементов И, первый 71 и второй 72 элементы ИЛИ и выходной ключ 73, и самоходный распределитель 74 импульсов. Второй канал включает блок 75 элементов И, третий 76 и четвертый 77 элементы ИЛИ и выходной ключ 78, и самоходный распределитель 79 импульсов. Первым информационным входом являются входы блока 69 коммутации, вторым и третьим информационными входами являются вторые входы второго 72 и четвертого 77 элементов ИЛИ. Первым управляющим входом является вход триггера 68 /12 МГц/, вторым – объединенные входы самоходных распределителей 74. 79 импульсов /6 МГц/, третьим – сигнальные входы выходных ключей 73, 78 /48 МГц/, выходом являются объединенные выходы выходных ключей 73, 78.
Сначала тактовые импульсы 12 МГц с выхода первого ключа 19 поступают на АЦП 2-4, выдаются коды правого кадра изображения, в следующем кадре тактовые импульсы 12 МГц со второго ключа поступают на тактовые входы АЦП 5-7, выдаются коды левого кадра. Единицы в кодах представляются наличием импульса; нули их отсутствием. Первый формирователь 12 кодов выдает с 1-го по 592 коды видеосигналов ЕRП и ЕRЛ, три кода звука, код ССИ /599-й код строки/, в последней 400-й строке каждого четного кадра код СИС /600-й отсчет строки/, фиг.4. Единицы в кодах нечетных отсчетов строки представляются положительными полусинусоидами моночастоты 48 МГц со стабильностью 10-7, единицы в кодах четных отсчетов строки представляются отрицательными полусинусоидами моночастоты 48 МГц. Второй формирователь 13 кодов выдает с 1 по 592 коды видеосигналов ЕGП и ЕGЛ, три кода звука, код ССИ и код СИС. Третий формироватеяь 14 кодов выдает с 1 со 592 коды видеосигналов ЕВП и ЕВЛ, код ССИ и код СИС.
Работа формирователей 12, 13 кодов /фиг.7, 8/.
Коды с АЦП 3, 6 /2, 5/ поступают в параллельном виде с частотой 12 МГц на входы блока. 47 коммутации, разветвляющего поток кодов в 12 МГц на два по 6 МГц: первый поток – коды нечетных отсчетов, второй – коды четных отсчетов строки. Блок 47 из микросхем К176КТ1 с временем срабатывания 25 нс [7, с.222]. Поочередное подключение каналов к выходам блока 47 выполняет триггер 46, на вход которого поступают импульсы 12 МГц. На вторые входы элементов И блоков 48, 53 поступают восемь импульсов с самоходных распределителе 52 и 57. С выходов элементов И блоков 48, 53 импульсы кодов последовательно через элементы ИЛИ 49, 50 и 54, 55 открывают на время своей длительности /20,8 нс/ выходные ключи 51 и 56. На сигнальные входы ключей 51, 56 поступают синусоиды 48 МГц. Выходной ключ 51 в открытом состоянии пропускает одну положительную полусинусоиду, ключ 56 в открытом состоянии пропускает одну отрицательную полусинусоиду. На выходе формирователя кодов единицы в кодах нечетных отсчетов строки представляются положительными полусинусоидами, в кодах четных отсчетов строки представляются отрицательными полусинусоидами. Нули представляются отсутствием и тех и других. Выходной сигнал на выходе формирователя кодов представляется либо полными синусоидами частотой 48 МГц, либо неполными синусоидами той же частоты. Эти сигналы модулируют несущие частоты: с формирователя 12 первую несущую частоту в блоке 23, с формирователя 13 вторую несущую частоту в блоке 28 передатчика, с формирователя 14 первую несущую частоту в блоке 25. Код звука состоит из двух посылок по 8 разрядов. Первая посылка 1-8 разряды поступает на первые входы элементов И блока 58 и через элементы ИЛИ 60, 50 на вход выходного ключа 51, вторая посылка 9-16 разряды поступает на первые входы элементов И блока 59 и через элементы ИЛИ 61, 55 на вход выходного ключа 56. Ключи 64, 65 предназначены для отделения кодов звука от кодов видеосигналов. В момент 300-го импульса дискретизации строки /599 отсчет строки/ на третий вход элемента ИЛИ 50 поступает код ССИ /11111111/ с блока 15, который запускается сигналом UП с третьего выхода дешифратора 67, выдаваемый в момент 299 импульса дискретизации строки фиг.4. При последней 400-й строке в четном кадре второй самоходный распределитель 16 импульсов выдает в момент 300-го импульса дискретизации строки код СИС /11111111/ для 600 отсчета строки на третий вход элемента ИЛИ 55. Сигнал запуска для блока 16 выдает счетчик 17 импульсов /фиг.1/ с циклом счета, два импульса. Обнуляется счетчик 17 сигналом UO 25 Гц с 6-го выхода, синтезатора 11 частот. Счетчик 17 импульсов принимает два импульса с второго формирователя 13 кодов, второй импульс соответствует концу четного кадра /299 импульс дискретизации последней строки четного кадра/. Второй импульс запускает самоходный распределитель 16 импульсов. Код СИС является 600-м отсчетом последней строки только в четном кадре. Процесс работы третьего формирователя 14 кодов аналогичен работе формирователя 12 кодов, он не формирует коды звука.
Приемная сторона /фиг.9/ содержит антенну, блок 80 управления, первый, второй, третий тракты приема и обработки кодов видеосигналов, канал формирования управляющих сигналов и два канала воспроизведения звука. Первый тракт приема и обработки кодов видеосигналов производит прием и обработку кодов ЕRП и ЕRЛ и включает последовательно соединенные блок 81 приема радиосигнала, усилитель 82 радиочастоты и двухполярный амплитудный дедектор 83, первый 84 и второй 85 формирователи импульсов, и канал видеосигнала, включающий первый 86 и второй 87 регистры, блок 88 обработки кодов, первый блок 89 задержек, сумматор 90, второй блок 91 задержек и накопитель 92 кодов. Второй тракт приема и обработки кодов видеосигналов производит прием и обработку кодов EВП и ЕВЛ и включает последовательно соединенные блок 93 приема радиосигнала, усилитель 94 радиочастоты и двухполярный амплитудный детектор 95, первый 96 и второй 97 формирователи импульсов, и канал видеосигнала, включающей первый 98 и второй 99 регистры, блок 100 обработки кодов, первый блок 101 задержек, сумматор 102, второй блок 103 задержек и накопитель 104 кодов. Третий тракт приема и обработки кодов производит прием и обработку кодов ЕGП и ЕGЛ, включает последовательно соединенные блок 105 приема радиосигнала, усилитель 106 радиочастоты и двухполярный амплитудный детектор 107, первый 108 и второй 109 формирователи импульсов, и канал видеосигнала, включающий первый 110 и второй 111 регистры, блок 112 обработки кодов, первый блок 113 задержек, сумматор 114, второй блок 115 задержек и накопитель 116 кодов. Приемная сторона включает первый 117, второй 118, третий 119 блоки импульсных усилителей, блок 120 модуляции излучения, последовательно соединенные первый делитель 121 частоты /8:1/, блок 122 строчной развертки из задающего генератора 123 и выходного каскада 124, первый усилитель 125 и первый пьезодефлектор 126 с отражателем на торце, первый источник 127 положительного опорного напряжения, второй источник 128 отрицательного опорного напряжения, второй делитель 129 частоты /8:1/, второй усилитель 130 и второй пьезодефлектор 131 с отражателем на торце, третий источник 132 положительного опорного напряжения, четвертый источник 133 отрицательного опорного напряжения, проекционный объектив 134 и матовый экран 135, над которым расположен ИК-передатчик 136, ИК-приемник 137 на оправе ЗД-очков 138. Управление работой приемной стороны выполняет канал формирования управляющих сигналов, включающий последовательно соединенные блок 139 выделения строчных синхроимпульсов /ССИ/, синтезатор 140 частот, последовательно соединенные ключ 141, счетчик 142 импульсов и дешифратор 143, и блок 144 выделения синхроимпульсов стереопар /СИС/. Приемная сторона включает первый 145 и второй 146 идентичные каналы воспроизведение звука.
Блоки 88, 100, 112 обработки кодов идентичны /фиг.11/, каждый включает триггер 147, первый 148, второй 149, третий 150, четвертый 151 регистры, первый 152, второй 153 и третий 154 блоки задержек, пятый 155 и шестой 156 регистры, сумматор 157 и 16 диодов. Первый блок 152 задерживает коды на 10 нс, второй блок 153 задерживает коды на 93 нс на /83+10/ для восстановления следования четных кодов строки за нечетными /до этого они шли параллельно/, третий блок 154 выполняет задержку кодов на 17,6 нс /41,6-24/. Регистры 155, 156 выполняют хранение кодов 83 нс и выдают их в параллельном виде по сигналу Uвыд с соответствующего выхода триггера 147. Первым и вторым информационными входами являются входы блоков 152, 153 задержек. Выходом являются объединенные поразрядно выходы пятого 155, шестого 156 регистров и выходы блока 154 задержек. Управляющим входом является вход триггера 147, объединенный с управляющим входом сумматора 157.
Блок 120 модуляции излечения /фиг.12/ выполнен из 400 каналов, каждый включает последовательно расположенные излучатель 158 трех основных цветов, микрообъектив 159 и фокусирующий конус световода 160 – фокон [6 c.77]. Входами блока 120 являются входы излучателей 1581-400, подключенные к выходам блоков импульсных усилителей 117, 118, 119, выходами являются излучения 400 выходных окон фоконов 1601-400. Микрообъективы 159 вводят излучения излучателей 158 во входные окна фоконов 160. Выходные торцы 400 фоконов образуют вертикальную линейку, а выходные окна их проецируют на отражателе пьезодефлектора 131 /фиг.12/ 400 цветовых кругов, каждый диаметром 0,02 мм. Выходные окна фоконов расположены по вертикали с шагом в 0,02 мм, и проекции кругов на отражателе расположены с шагом в 0,02 мм. При развертке 400 строк слева направо на отражатель пьезодефлектора 131 проектируются фоконами круги излучений нечетных строк растра, при развертке строк 400 справа налево отражатель пьезодефлектора 131 по управляющему сигналу с усилителя 130 /фиг.9/ смещается по вертикали на шаг в 0,02 мм с наклоном вниз так, что круги излучений четных строк проектируются фоконами 160 в промежутки между кругами от нечетных строк /фиг.12/.
Длина отражателя пьезодефлектора 131 составляет 16 мм /800строк×0,02 мм/. Излучающая плоскость излучателя 158 находится в задней фокальной плоскости микрообъектива 159, в передней фокальной плоскости которого расположено входное окно фокона 160. Излучающие стороны излучателей 1581-400 через объективы 1591-400, фоконы 1601-400, отражатель пьезодефлектора 131 оптически соединены с отражателем пьезодефлектора 126. Каждый излучатель 158 является матрицей из 24 светодиодов, в составе ее 8 светодиодов красного излучения, 8 – зеленого и 8 синего излучения. Свободный торец с отражателем пьезодефлектора 131 совершает колебательные движения с амплитудой 0,02 мм по управляющему импульсу с усилителя 130, который формирует управляющие сигналы по аммлитуде и длительности, частота управляющих сигналов 2,5 кГц. Блок 129 производит деление частоты 20 кГц 8:1, на вход усилителя 130 поступают импульсы 2,5 кГц и длительностью, равной длительности строки 200 мкс /форма сигналов меандр/. Пьезодефлектор 126 выполняет строчную развертку по 400 строк слева направо и 400 строк справа налево. Делитель 121 частоты выполняет деление частоты 20 кГц 8:1. На вход задающего генератора 123 в блоке 122 строчной развертки поступают импульсы 2,5 кГц. Блок 123 формирует управляющие прямоугольные импульсы с периодом следования двух строк, 400 мкс /200 мкс × 2/, которые поступают в выходной каскад 124, формирующий управляющее напряжение треугольной формы /фиг.13/ с периодом 400 мкс, поступающее на вход усилителя 125, усиливающего управляющее напряжение до необходимой величины, которое поступает на внутренний электрод 41 /фиг.6/ пьезодефлектора 126. На внешние электроды 42, 43 поступают соответствующие опорные напряжения с первого 127 и второго 128 источников опорных напряжений. Торец пьезодефлектора 126 с отражателем приходит в колебательное движение [4, с.122] с частотой 2,5 кГц и производит развертку 400 строк одновременно нечетных слева направо и 400 четных строк при движении отражателя справа налево. За период кадра 20 мс пьезодефлектор 126 выполняет 100 повторов разверток по 400 строк: 50 разверток слева направо нечетных строк и 50 разверток стурава нялево четных строк. Отражатель пьезодефлектора расположен в задней фокальной плоскости проекционного объектива 134, являющегося широкоугольным. Матовый экран 135 расположен во внешней фокальной плоскости проекционного объектива 134, проецирующего на экран 135 изображения последовательно правого и левого кадров стереопары. Изображение с экрана воспринимается зрителем объемным через ЗД-очки 138 [2, c.558-565]. При воспроизведении правого и левого кадров стекла ЗД-очков поочередно теряют прозрачность, каждый глаз видит только свой кадр, что и дает стереоэффект. Стекла ЗД-очков выполнены по технологии ЖК-ячеек просветного типа, используемые как электронно-управляемые фильтры /затворы/. С приходом синхроимпульса стереопары /СИС/ 25 Гц а ИК-передатчик 136 он излучает ИК-импульс длительностью 20 мс, длительность кадра, принимаемый ИК-приемником 137 /фиг.9/, расположенным на оправе ЗД-очков. ИК-приемник выдает управляющий сигнал в ЖК-ячейку левого стекла, затемняя его на 20 мс, затем выдает второй управляющий сигнал в ЖК-ячейку правого стекла, затемняя его прозрачность на 20 мс. Каждый глаз видит свой кадр. Прозрачность ЖК-ячеек в открытом состоянии значительно меньше 100%, отсюда возникает необходимость в увеличении яркости изображения на экране 135. С зтой целью применяется развертка кадра на экране одновременно 400 строками с повторением их 100 раз за кадр. Усредненная яркость изображения для зрителя повышается в 40000 раз /400×100/. Блок 139 выделения строчных синхроимпульсов /фиг.14/ включает первый 161, второй 162, третий 163 счетчики импульсов, первый 164, второй 165 элементы И, первый 166, второй 167, третий l68 элементы НЕ и диод. Информационными входами блока являются счетные входы счетчиков импульсов. Выходом является выход второго элемента И 165. С приходом на информационные входы трех кодов из одних единиц 11111111 на выходе блока 139 появляется строчный синхроимпульс /ССИ/, частота 20 кГц. Блок 144 выделения синхроимпульсов стереопар СИС /фиг.15/ включает первый 169, второй 170, третий 171 счетчики импульсов, первый 172, второй 173, третий 174 элементы И, первый 175, второй 176, третий 177 элементы НЕ и диод. С приходом на счетные входы трех кодов 11111111 и строчного синхроимпульса с блока 139 на выходе блока 144 появляется синхроимпульс стереопары, это 600 отсчет в последней строке в каждом четном кадре на передающей стороне, частота их 25 Гц. Первые блоки задержек 89, 101, 113 идентичны, каждый включает /фиг.16/ элемент и 178, первый 179 и второй 180 ключи, первый 181 и второй 182 распределители импульсов, восемь регистров 1831-8, каждый из которых содержит по 1200 разрядов для размещения в них сигналов по одному разряду 8-разрядного кода 1200 отсчетов строки. Блоки 89, 101, 113 выполняют задержку кодов каждой строки на длительность строки 50 мкс.
Накопители 92, 104, 116 кодов идентичны /фиг.17/, каждый включает ключ 184, триггер 185, накопитель 186 кодов нечетного кадра /правого/, накопитель 187 кодов четного кадра /левого/. Первым и вторым информационными входами блоков 92, 104, 116 являются поразрядно объединенные первые 1-8 и вторые 1-8 входы накопителя 186 и 187, подключенные к выходам соответственно блоков 90 и 91 /102, 103 и 114, 115/. Управляющими входами являются: первым – сигнальный вход ключа 184, вторым – управляющий вход ключа 184, третьим – объединенные вторые управляющие входы накопителей 186, 187, четвертым – объединенные третьи управляющие входы накопителя 186 кодов и 187. Первый управляющий вход накопителя 186 кодов нечетного кадра подключен к первому выходу триггера 185, первый управляющий вход накопителя 187 кодов четного кадра подключен к второму выходу триггера 185. Выходы блоков 186, 187 поразрядно объединены и являются 1-3200 выходами накопителя кодов 92 /104, 116/, подключены к входам блока 117 /118, 119/ импульсных усилителей. Накопитель 186 кодов нечетного кадра и накопитель 187 кодов четного кадра идентичны /фиг.18/. Каждый включает по числу строк блоки 1881-400 регистров. Первым и вторым информационными входами блока 186 /187/ являются первые 1-8 и вторые 1-8 входы, подключенные к выходам блоков 91 и 90. Блок 186 производит накопление кодов нечетных кадров, блок 187 производит накопление кодов четных кадров.
Блоки 1881-400 регистров идентичны /фиг.19, 20/, каждый включает первый 189, второй 190, третий 191, четвертый 192 ключи, первый 193, второй 194, третий 195, четвертый 196 распределители импульсов, первые восемь регистров 1971-8, первый счетчик 198 импульсов и первый дешифратор 199, вторые восемь регистров 2001-8, второй счетчик 201 импульсов и второй дешифратор 202 и триггер 203. Первым и вторым информационными входами блока 188 являются объединенные поразрядно первые /информационные/ входы разрядов первых восьми регистров 1971-8 и объединенные поразрядно первые /информационные/ входы разрядов вторых восьми регистров 2001-8. Выходы разрядов в каждом регистре объединены и являются 1-8 выходами блока 188 регистров. Управляющих входов четыре: первый – объединенные первые управляющие входы первого 189 и третьего 191 ключей, подключенные к первому выходу триггера 185 в блоке 92, вторым – объединенные сигнальные входы второго 190 и четвертого 192 ключей, подключенные к выходу 1 блока 140 /6 МГц/, третьим – объединенные сигнальные входы ключей 189, 191, подключенные к выходу 7 блока 140 /24 МГц/, четвертым – объединенные первый управляющий вход ключа 190, второй управляющий вход ключа 192 и второй выход триггера 203, подключенные через диод к первому управляющему выходу блока 188400 регистров.
Тактовая частота в системе составляет:

где 400 – число строк, кодируемых на передающей стороне,
50 Гц – частота кадров, 400×50=20 кГц частота строк,
– число пар отсчетов в строке при двухполярной передачи кодов /фиг.4/,
8разр – число разрядов в коде.
Фотоэлектрический преобразователь 1 формирует шесть аналоговых видеосигналов двух изображений, следующих друг за другом. Фотоэлектрический преобразователь 1 и шесть АЦП конструктивно размещены в передающей камере, выходом которой являются шесть двоичных кодов видеосигналов: правого изображения ERП, ЕGП, ЕВП и левого изображения ЕRЛ, ЕGЛ, EВЛ. АЦП преобразуют аналоговые видеосигналы в 8-разрядные коды. Поочередная выдача кодов с АЦП 2, 3, 4 и АЦП 5, 6, 7 выполняется триггером 18 и ключами 19 и 20. Импульсы 50 Гц с десятого выхода синтезатора 11 частот поступают на вход триггера 18, сигнал с первого выхода которого открывает первый ключ 19, пропускающий импульсы 12 МГц в течение 0,02 с /20 мс/ первого кадра на тактовые входы АЦП 2, 3, 4, коды с которых в течение кадра поступают в формирователи 12, 13, 14 кодов. АЦП 5, 6, 7 коды не выдают, на их тактовые входы импульсы 12 МГц не пропускают. С приходом в триггер 18 второго импульса 50 Гц закрывается ключ 19, открывается второй ключ 20, который в течение периода второго кадра 20 мс пропускает импульсы 12 МГц на тактовые входы АЦП 5, 6, 7, коды с которых поступают в формирователи 12, 13, 14. Формирователи кодов преобразуют параллельные коды в последовательные и заменяют в них представление единиц с импульсов на положительные и отрицательные полусинусоиды моночастоты 48 МГц с синтезатора 11 частот. Задающий генератор 10 генерирует синусоидальные колебания со стабильностью 10-7. Синтезатор 11 частот формирует и выдает: с первого выхода импульсы 12 МГц на тактовые входы АЦП 2-7 и на первые управляющие входы формирователей 12, 13, 14 кодов, со второго выхода импульсы 6 МГц на вторые управляющие входы блоков 12, 13, 14 и на первые управляющие входы АЦП 8, 9, с третьего – импульсы 60 кГц на вторые управляющие входы АЦП 8, 9, с четвертого выхода синусоидальные колебания 48 МГц на третьи управляющие входы блоков 12, 13, 14, с пятого выхода импульсы 20 кГц на четвертые управляющие входы блоков 12, 13, на первый вход фотоэлектрического преобразователя 1 и на третьи управляющие входы АЦП 8, 9, с шестого – импульсы 25 Гц на второй вход фотоэлектрического преобразователя 1, на управляющий вход счетчика 17 импульсов /UO/, с седьмого – импульсы 10 кГц на третий вход фотоэлектрического преобразователя 1, с восьмого – синусоидальные колебания 480 МГц первой несущей частоты в усилитель 22, с девятого выхода синусоидальные колебания 576 МГц второй несущей в усилитель 27 второй несущей, с десятого выхода импульсы 50 Гц в триггер 18. АЦП 8, 9 преобразуют сигналы звука в 16-разрядные коды, которые поступают на вторые информационные входы формирователей 12 и 13 кодов. Самоходный распределитель 15 импульсов с приходом UП сигнала пуска со второго выхода блока 13 выдает код из восьми единиц 11111111, являющийся кодом ССИ /599-й отсчет каждой строки/ на третьи информационные входы блоков 12, 13 и на второй информационный вход блока 14. Самоходный распределитель 16 импульсов с приходом сигнала UП пуска со второго выхода счетчика 17 импульсов выдает код из восьми единиц, являющийся синхроимпульсом стереопары СИС /600-й отсчет последней строки каждого четного кадра/ на четвертые информационные входы блоков 12, 13 и на третий информационный вход блока 14. Счетчик 17 двухразрядный, выдает с выхода второго разряда сигнал UП для блока 16 с приходом в него второго импульса со второго выхода формирователя 13 кодов, после чего обнуляется импульсом 25 Гц.
Спектр амплитудно-модулированного сигнала состоит из несущей и двух боковых частот. Одна из боковых частот и сама несущая частота в информационном смысле являются избыточными, поэтому в каждом амплитудном модуляторе подавляется несущая частота и отфильтровывается одна из боковых частот. Амплитудный модулятор 23 выдает в выходной усилитель 24 верхнюю боковую частоту 528 МГц от первой несущей 480 МГц. Амплитудный модулятор 25 выдает на вход выходного усилителя 26 нижнюю боковую частоту 432 МГц от первой несущей. Амплитудный модулятор 28 выдает на вход усилителя 29 верхнюю боковую частоту 624 МГц от второй несущей частоты 576 МГц. Приемная сторона производит прием трех радиосигналов, усиливает их, детектирует по признаку полярности полусинусоид, разделяет коды по каналам видеосигнала, выделяет строчные синхроимпульсы и синхроимпульсы стереопар, генерирует две несущие частоты, отделяет коды звуковых сигналов, удваивает число отсчетов в строке с 600 до 1200, удваивает число строк в кадре с 400 до 800, выполняет яркостную модуляцию излучений 400 излучателей /одновременно 400 строк/ и воспроизводит правое и левое изображения кадров на матовом экране.
Три радиосигнала принимаются блоками 81, 93, 105 /фиг.9/ приема радиосигнала, являющиеся селекторами каналов дециметрового диапазона /СКД/ с электронной настройкой, выполняют прием радиосигналов в диапазоне 430-790 МГц. Каждый блок включает входную цепь, усилитель радиочастоты и смеситель [8, с.132, рис.4.2] Усиленный радиочастотный сигнал через петлю связи [8, c.132] поступает на эмиттер смесителя, сюда же с синтезатора 140 частот подается частота, равная несущей на передающей стороне, необходимая для детектирования однополосного сигнала [9, с.146]. Выходной сигнал с блока 81 /93, 105/ поступает на вход усилителя 82 /94, 106/ радиочастоты, где усиливается до необходимой величины и поступает на вход двухполярного амплитудного детектора 83 /95, 107/. Вторые входы синтезатора 140 частот подключены к второй группе выходов блока 80 управления.
После включения канала передачи в блоке 80 напряжение с соответствующего выхода блока 80 управления определяет выход двух частот с синтезатора 140 частот на третьи входы блоков 81, 93 и блока 105 /первая несущая частота выход 5, вторая – выход 6 в блоке 140/. Двухполярные амплитудные детекторы 83, 95, 107 выполнены по схеме на фиг.10. Диод Д1 выделяет положительную огибающую модулирующего сигнала, диод Д2 уже из модулирующей выделяет огибающую положительных полусинусоид /символы единиц в кодах нечетных отсчетов/, диод Д3 из модулирующей выделяет огибающие отрицательных полусинусоид /символы единиц в кодах четных отсчетов/. С первого выхода продетектированные положительные полусинусоиды частотой 48 МГц поступают на вход первого формирователя 84 /96, 108/ импульсов, со второго выхода продетектированные отрицательные полусинусоиды поступают на вход второго формирователя 85 /97, 109/ импульсов. Формирователи импульсов выполнены по схеме несимметричного триггера с эмиттерной связью [10, c.209], формирующего прямоугольные импульсы из гармонически изменяющихся сигналов. Импульсы с формирователей имеют одну полярность и длительность, равную длительности импульсов в кодах на передающей стороне. Единицы в кодах представляются наличием импульса, нули их отсутствием. После включения питания в приемной стороне ключи все в закрытом состоянии, порядок работы определяется сигналами управления с канала формирования управляющих сигналов с блоков 139, 140, 143 и 144. Задающая роль принадлежит блоку 139 выделения строчных синхроимпульсов. Условием появления ССИ с блока 139 является одновременный приход в него с трех формирователей 84, 96, 108 кодов из восьми единиц. Во всех кодах, кроме 599 отсчета, будут присутствовать один и более нулей, тем более в трех кодах одновременно. По каждому нулю в коде элементы НЕ /фиг.14/ будут обнулять счетчики в блоке 139. С приходом трех кодов 11111111 блок 139 выдает на выходе импульс, являющийся ССИ, частота которых 20 кГц /частота строк на передающей стороне/. ССИ открывает ключ 141, поступает на вход блока 144 выделения синхроимпульсов стерепар и на первый вход синтезатора 140 частот. По импульсу ССИ выполняется синхронизация частоты в синтезаторе 140 частот, собственная стабильность частоты которого 10-6. Подстройка под частоту и фазу задающего генератора 10 передающей стороны производится по переднему фронту ССИ с блока 139. Синтезатор 140 частот выдает: с первого выхода импульсы 6 МГц, со второго выхода тактовые импульсы 48 МГц, с третьего – импульсы 60 кГц для выдачи кодов звука в каналах воспроизведения звука, с четвертого – импульсы 12 МГц на управляющие входы блоков 88, 112, 100 обработки кодов, с пятого и шестого – синусоидальные колебания двух требуемых несущих частот соответственно принимаемого канала передач на третьи входы блоков 81, 93, 105, с седьмого выхода импульсы 24 МГц в первые блоки 89, 113, 101 задержек, на управляющие входы сумматоров 90, 114, 102 и на третьи управляющие входы накопителей 92, 116, 104 кодов, с восьмого – импульсы 50 Гц в блоки 89, 113, 101 задержек и на четвертые управляющие входы накопителей 92, 116, 104 кодов. Код нечетного отсчета видеосигнала ЕR с выхода формирователя 84 импульсов поступает в последовательном виде в первый регистр 86, заполняя его разряды код становится параллельным. Код четного отсчета видеосигнала ЕR с выхода формирователя 85 импульсов поступает в последовательном виде в регистр 87 и принимает тоже параллельный вид. Такой же процесс проходят коды и с формирователей 96, 97, 108, 109. Выдачу кодов из регистров в блоки 88, 112, 100 обработки кодов выполняют импульсы 6 МГц с блока 140, они же и обнуляют регистры перед приемом следующего кода. Блоки 88, 100, 112 обработки кодов производят удвоение отсчетов в жаждой строке получением промежуточных отсчетов /средних значении/ между каждым прошедшим кодом и следующим за ним. В блоках производится сложение предыдущего и последующего кодов и деление кода суммы пополам /на 2/. Каждый код используется дважды: первый раз как последующий, второй раз как предыдущий, поэтому блок 88 /112, 100/ содержит четыре регистра 148, 149, 150, 151 /фиг.11/. Нечетный первый код с регистра 86 поступает через первый блок 152 задержек в регистр 148, 149. Четный код с регистра 87 поступает через второй блок 153 задержек в регистры 150, 151. Блок 152 задерживает код на 10 нс, чтобы не получилось наложения поступающего в регистры 148, 149 кода и выдаваемого из них. Блок 153 задерживает коды на 93 нс: 83 нс требуются для восстановления последовательности следования четного кода за нечетным /за первым должен идти второй/ и 10 нс также как и блок 152. С поступлением первого импульса 12 МГц на вход триггера 147 импульс Uвыд1 с его первого выхода выдает код “код 0” с второго регистра 149 на первые входы сумматора 157 и “код 0” с регистра 150 в шестой регистр 156 /для задержки кода на 83 нс/ и через диоды на вторые входы сумматора 157. Регистры 148, 149 заполняются первым поступающим кодом “код 1”. Сумматор 157 производит слежение кодов код 0 + код 0, выполнен из микросхем К555ИМ6 [5, с.258] с временем сложения 24 нс. По окончании сложения сумматор 157 обнуляется импульсом UО, он же выдает код суммы на выход сумматора. Деление кода суммы на два выполняется сдвигом кода суммы на один разряд так, что младший разряд кода суммы отбрасывается /как деление десятичного кода на десять/. Сдвиг выполняется мгновенно соответствующим подключением выходов сумматора к входам третьего блока 154 задержек:

Разряд 0 означает перенос в старший разряд при сумме кодов. После удвоения отсчетов в строке с 600 до 1200 период следования кодов составляет 41,6 нс /фиг.11/. Процесс сложения занимает 24 нс, следовательно, блок 154 должен задерживать код на 17,5 нс /41,6-24/. После поступления кодов в сумматор на выход с блока 154 код следует через 41,6 нс, что и требуется.
По истечении 41,6 нс с блока 154 идет код .
С приходом второго импульса на вход триггера 147, со второго выхода триггера сигнал Uвыд2 выдает из шестого регистра 156 код №2 “код 0”, который хранился в нем 83 нс, но первая половина хранения 41,5 нс приходится на процесс сложения и задержки в блоке 154, поэтому код №2 “код 0” с регистра 156 следует за кодом №1 через 41,5 нс. Сигнал Uвыд2 выдает с регистра 151 в сумматор 157 “код 0”, с регистра 148 выдает “код 1” через диоды в сумматор 157 и напрямую в регистр 155 на хранение. Освободившиеся регистры 150 и 151 заполняются следующим кодом “код 2”, параллельно идет сложение в сумматоре код 0 + код 1, деление на 2, и код №3 следует на выход.
С приходом третьего импульса в триггер 147, сигнал Uвыд1 /он же Uвыд3/ выдает с регистра 155 код №4 “код 1”, выдает “код 1” с регистра 149 в сумматор и “код 2” с регистра 150 в сумматор 157 и в регистр 156 на хранение. Освободившиеся регистры 148, 149 заполняются кодом “код 3”. Следует сложение в сумматоре код 1 + код 2, затем деление на 2, и код №5 идет на выход. С приходом четвертого импульса в триггер, с его выхода сигнал Uвыд2 /он же Uвыд4/ выдает с регистра 156 код №6 “код 2”, с регистра 148 “код 3” в сумматор и в блок 155, и “код 2” с регистра 151 в сумматор. Освободившиеся регистры 150, 151 заполняются кодом “код 4”. Идет сложение код 2 + код 3, деление пополам, и код №7 идет на выход. С приходом 5-го импульса в триггер 147, сигнал Uвыд1 /он же Uвыд5/ выдает с регистра 155 код №8 “код 3”, выдает “код 3” с регистра 149 в сумматор 157 и “код 4” с регистра 150 в регистр 156 и через диоды в сумматор 157. Следует заполнение регистров 148, 149 следующим кодом “код 5”. Идет сложение код 3 + код 4, деление на 2, код №9 идет на выход. С приходом шестого и следующих импульсов в триггер 147 процессы аналогично повторяются. Выходы регистров 155, 156 и третьего блока 154 задержек поразрядно объединены и являются выходом блока 88 /100, 112/. С выходов блоков 88, 100, 112 коды поступают параллельно на входы блоков соответственно 86 и 91, 101 и 103, 113 и 115. Первый блок 89 /101, 113/ задержек выполняют задержку кодов строки на длительность строки 50 мкс и участвует в формировании отсчетов промежуточных строк. Так как развертка нечетных и четных строк в растре идет встречно /фиг.16/, то для получения нечетных промежуточных строк нужно выдавать коды в сумматор 90 в последовательности с последнего кода /1200/ в строке к первому, а при получении четных промежуточных строк выдавать коды с блока 89, начиная с 1-го кода строки к последнему. При развертке первой строки растра в блоке 89 открывается первый ключ 179, импульсы двойной частоты 24 МГц дискретизации поступают в первый распределитель 181 импульсов, выдающие тактовые импульсы с первого по 1200 на первые управляющие входы, начиная с первых разрядов регистров 1831-8 к 1200-му, регистры 183 заполняются кодами первой строки: первые разряды кодов поступают в регистр 1831, вторые разряды кодов поступают в регистр 1832, третьи в регистр 1833 и т.д. восьмые разряды поступают в регистр 1838. Импульс с последнего 1200 выхода распределителя 181 закрывает ключ 179, открывает ключ 180.
На вход второго распределителя 182 импульсов поступают импульсы 24 МГц. Выходы с распределителя 182 импульсов подключены к первым управлявшим входам разрядов регистров 1831-8 в обратном порядке, первый выход подключен к последним 1200-м разрядам, последний выход подключен к первым разрядам регистров. При развертке второй строки импульсы с выходов распределителя 182 импульсов выдают на вторые входы сумматора 90 коды задержанной на 50 мкс первой строки в последовательности с 1200 кода к первому соответственно следованию отсчетов при развертке второй текущей строки кадра. Сумматор 90 формирует первую промежуточную строку. Освободившиеся разряды регистров 183 заполняются кодами второй /текущей/ строки в порядке с 1200-го к первому. Импульс с последнего выхода /1200/ распределителя 182 закрывает ключ 180 и открывает ключ 179. Следует развертка третьей текущей строки, при которой коды второй строки выдаются из регистров 183 в сумматор 90, начиная с первого кода к 1200-му. Сумматор 90 формирует вторую промежуточную строку. Далее процессы повторяются. Коды с выходов сумматоров 90, 114, 102 являются кодами 400 промежуточных строк. Вторые блоки задержек 91, 115, 103 выполняют задержку кодов текущих строк 400 на время 24 нс, это время срабатывания сумматоров, чтобы коды текущих и промежуточных строк поступали на входы накопителей 92, 116, 104 кодов синхронно. В качестве сумматоров применяются микросхемы К555ИМ6.
Работа накопителей 92, 116, 104 кодов /фиг.17, 18/. Для развертки первого кадра синхроимпульс СИС 25 Гц с блока 144 выделения СИС открывает в накопителе 92 ключ 184 на время работы приемной стороны, и кадровый импульс 50 Гц, принадлежащий правому кадру стереопары, поступает на вход триггера 185, с первого выхода которого он запускает работу накопителя 186 кодов нечетного кадра. С приходом в триггер 185 второго импульса 50 Гц, сигнал со второго выхода триггера запускает работу накопителя 187 кодов четного кадра. В блоке 186 сосредотачиваются коды каждого нечетного кадра, в блоке 187 сосредотачиваются коды каждого четного кадра. Блоки 186, 187 каждый /фиг.18/ включает по 400 блоков 1881-400 регистров, которые в свою очередь, каждый включает восемь первых регистров 1971-8 и восемь вторых регистров 2001-8 /фиг.19/. В первом периоде кадра блок 186 накапливает коды 800 строк первого кадра, во втором периоде кадра идет выдача со всех блоков регистров 188 одновременно кодов 400 нечетных строк и следом 400 четных строк, выдача их повторяется до 50 раз каждой. В это же время в периоде второго кадра блок 187 накапливает коды 800 строк второго кадра. В третий период кадра следует выдача кодов с блока 187, и идет накопление кодов 800 строк третьего кадра блоком 186. Так чередуясь, процессы повторяются.
Блоки 188 регистров работает следующим образом /фиг.19/.
В исходном состоянии все ключи в блоке 188 регистров закрыты. С приходом на вход триггера 185 первого кадрового импульса 50 Гц с первого выхода триггера 185 импульс открывает первый ключ 189 /фиг.19/ и третий ключ 191, которые пропускают частоту 24 МГц в распределители 193, 195 импульсов. С выходов этих блоков тактовые сигналы 24 МГц последовательно поступают на первые управляющие входы разрядов регистров 1971-8 и 2001-8, на первые /информационные/ входы которых поступают сигналы кодов строки с блоков 91 и 90. Регистры 197 заполняются кодами текущих строк с блока 91, а регистры 200 заполняются кодами промежуточных строк с сумматора 90. По окончании периода строки регистры 197 и 200 заполнены 1200 кодами первой строки. Импульс с 1200-го выхода блока 193 закрывает ключ 189 и является первым управляющим выходом в следующий блок 1882, сигнал которого открывает те же ключи 189, 191 во втором блоке 1882 /фиг.20/, и в нем следует идентичный процесс заполнения кодами второй строки регистров 197, 200. Аналогично идет заполнение кодами 3…800 строками регистров 197 и 200 в блоках 1883-400. В результате блок 186 сосредотачивает коды 800 строк первого кадра. С приходом на вход триггера 185 /фиг.17/ второго кадрового импульса /50 Гц/ импульс с второго выхода триггера 185 открывает ключи 189, 191 в блоке 1881 в накопителе 187 кодов четного кадра, и в нем идут идентичные процессы накопления кодов 800 строк второго кадра.
В это же время сигнал с управляющего выхода 1 блока 188400 накопителя 186 кодов нечетного кадра поступает параллельно на четвертые управляющие входы всех блоков 1881-400 открывает ключи 190 и 192, которые пропускают на входы распределителей 194, 196 импульсов сигналы Uвыд 6 МГц с блока 140. Выходы блока 194 подключены к вторым управляющим входам разрядов регистров 197 в последовательности с 1-го по 1200. Развертка 400 нечетных строк идет слева направо, выдача кодов выполняется одновременно с регистров 197 всех блоков 1881-400 регистров. При обратном повороте отражателя пьезодефлектора 126 /справа налево/ идет развертка 400 четных строк, выдача кодов идет со всех блоков 1881-400 с регистров 2001-8. Коды выдаются, начиная с последних 1200 разрядов регистров к первым разрядам. Выходы распределителя 196 импульсов подключены к вторым управляющим входам разрядов в регистрах 200 в обратном порядке: первый выход подключен к последним 1200-м разрядам в регистрах, а последний выход /1200/ подключен к первым разрядам /фиг.19, 20/. Длительность строки 200 мкс , где 20000 мкс – длительность кадра, 100 – число повторов развертки 400-ми строками. Делитель 121 частоты выполняет деление 8:1 частоты 20 кГц. На вход задающего генератора 123 /фиг.9/ поступает частота 2,5 кГц. Развертка, всех строк за кадр выполняется 100 раз: 50 раз слева направо и 50 раз справа налево. Повторы по 50 раз задаются счетчиками 198, 201 /фиг.19/ и дешифраторами 199, 202. В конце каждой строки сигнал с 1200 выхода блока 194 /196/ в качестве счетного импульса поступает в счетчик 198 /201/. После 50 разверток счетчик формирует код 110010, дешифрируемый дешифратором 199 /202/, выходной сигнал с которого обнуляет разряды регистров 197, 200, подготавливая их к заполнению кодами следующего кадра. Смену последовательности выдачи кодов от строки к строке задает триггер 203. Вход его через диоды подключен к 1200-м выходам блоков 194, 196. Первый выход триггера 203 подключен к второму управляющему входу ключа 190 и первому управляющему входу ключа 192, второй выход триггера подключен к первому управляющему входу ключа 190 и к второму управляющему входу ключа 192. Каждый накопитель 92, 116, 104 кодов выдает в параллельном виде одновременно по 400 строк с 1-3200 выходов /400 × 8/ на входы блоков 117, 118, 119 импульсных усилителей. Блоки 117, 118, 119 включают по 3200 импульсных усилителей каждый с временем срабатывания 18 нс, микросхемы 533АП6 [5 c.128]. Выходы импульсных усилителей подключены к своим излучателям 1581-400 в блоке 120 модуляции излучения. Для излучения каждый светодиод запитывается импульсным сигналом со своего импульсного усилителя. 400 излучателей содержат 9600 светодиодов /400×24/. Блок 120 выполняет яркостную модуляцию излучений, преобразуя коды трех цветовых сигналов в соответствующие по яркости мгновенные излучения излучателей /фиг.12/. В излучателях используются светодиоды типа HL МР компании “Хьюлетт-паккард” [11 с.71]. Для красного излучения применяются светодиоды HL MP-AL 00 с силой света 0,4 кд, длиной волны 0,59 мкм при токе 0,02 A, [11 c.71], для зеленого – светодиоды HL MP-AM 00 с силой света 0,8 кд длиной волны 0,526 мкм при токе 0,02 А, для синего излучения светодиоды HLMP-AB00 с силой света 0,3 кд длиной волны 0,475 мкм при токе 0,02 А. Яркостная модуляция излучений выполняется включением на излечение числа светодиодов в излучателе соответственно весам разрядов по таблице 1.
| Таблица 1 |
| № разряда в коде |
1 старший разряд |
2 разряд |
3 |
4 |
5 |
6 |
7 |
8 младш. разряд |
| Светодиодов на разряд |
1 |
1 |
1 |
1 |
1 |
1 |
1 |
1 |
| Кратность светофильтра |
– |
2х |
4х |
8х |
16х |
32х |
64х |
128х |
| Вес разряда в коде, в % |
50% |
25% |
12,5 |
6,25 |
3,1 |
1,57 |
0,78 |
0,39% |
Излучения светодиодов трех цветов R, G. В излучателя 158 при фокусировке микрообъективом 159 и вводе во входное окно фокона 160 смешивается. Фокон выводит излучение в форме круга диаметром 0,02 мм на отражатель пьезодефлектора 131. 400 излучателей дают на отражателе 131 400 кругов. Яркость, насыщенность и цветовой тон результирующего цвета круга на отражателе определяются суммарной энергией света и взаимным соотношением трех цветов. Суммарная сила света одного излучателя с учетом, что светодиоды всех цветов имеют силу света 0,3 кд /синего светодиода/, составляет:
0.3 кд × 3/1+0,5+0,25+0,125+0,0625+0,03125+
+0,0156+0,0078/=0,9 кд × 1,98=1,782 кд,
где: 3 – число цветов в излучателе,
1-0,0078 – коэффициенты 1-8 двоичных разрядов в коде.
Суммарная сила света от 400 излучателей:
1,782 кд × 400 = 712,8 кд
При 100 повторах строчных разверток за кадр:
712,8 кд × 100 = 71280 кд.
С учетом потерь при проекции от излучателя до экрана в 20 раз усредненная максимальная сила излучения составит:
71280:20=3564 кд.
Принимая кратность увеличения изображения проекционным объективом в 10 раз, размеры экрана составят:
по горизонтали 10×/0,04 мм × 1200отсч/=480 мм,
по вертикали 10×/0,04 мм × 800строк/=320 мм,
по диагонали 576 мм или 22,6 дюймов.
0,04 мм элемент разрешения на отражателе пьезодефлектора 126, длина отражателя пьезодефлектора не менее 32 мм /0,04 мм × 800/. Восприятие объемного изображения на экране 22,5″ при силе излучения в 3564 кд даст зрителю полное удовлетворение объемным изображением. Технические характеристики заявляемой системы в таблице 2.
Работа цифровой системы стереотелевидения.
Шесть аналоговых видеосигналов правого и левого кадров стереопары преобразуются шестью АЦП 2-7 в 8-разрядные коды с дискретизацией 12 МГц. Формирователи 12, 13, 14 кодов формируют из параллельных кодов последовательные и заменяют в них представление единиц с импульсов на положительные /нечетные отсчеты строки/ полусинусоиды и отрицательные /четные отсчеты/ полусинусоиды моночастоты 48 МГц. Тактовая частота в системе 48 МГц. На передающей стороне кодируются /фиг.1/ 400 строк в кадре по 600 отсчетов в строке. Развертка строк построчная без обратных ходов фиг.2, частота строк 20 кГц, частота кадров 50 Гц, развертка кадров без обратных ходов, частота стереопар 25 Гц. Видеосигналы правого и левого кадра одного объекта следуют через 0,02 с. Информация кодов передается тремя каналами передатчика 21. Первый канал передает информацию кодов ЕRП и ЕRЛ верхней боковой частотой первой несущей, второй канал передает информацию кодов ЕВП и ЕВЛ нижней боковой частотой первой несущей, третий канал передает информацию кодов ЕGП и ЕGЛ верхней боковой частотой второй несущей. Общая занимаемая полоса в эфире 316 Гц. Скорость передачи в эфире 36 Мбайт/с /288 Мбит/с. Приемная сторона принимает параллельно три радиосигнала тремя трактами приема и обработки кодов видеосигналов, производит их усиление, детектирует, выделяет строчные синхроимпульсы /ССИ/ и синхроимпульсы стереопар /СИС/, синтезатор 140 частот /фиг.9/ воспроизводит две несущие частоты, коды видеосигналов разделяются по своим каналам видеосигналов, где удваивается число отсчетов в строке с 600 до 1200 и удваивается число строк в кадре с 400 до 800.
Коды четного кадра накапливяется в накопителе 186 кодов четного кадра, коды нечетного кадра накапливаются в накопителе 187 кодов нечетного кадра /фиг.17/. Оба накопителя 186, 187 объединены в блоке 92 /116, 104/ накопителя кодов /фиг.9/. Коды с накопителей 92, 116, 104 кодов поступают на входы 400 излучателей блока 120 модуляции излучения. Блок 120 выполняет яркостную модуляцию излучений соответственно значениям кодов параллельно 400 строк. Излучение от 400 излучателей проецируется 400 фокусирующими конусами световодов /фоконами/ 160 на отражатель пьезодефлектора 131 с шагом по вертикали 0,02 мм. Отражаясь от него, излучения поступают на отражатель пьезодефлектора 126, выполняющего строчную развертку одновременно 400 нечетных строк при повороте отражателя слева направо и 400 четных строк при повороте справа налево. Проецирование четных строк на отражатель пьезодефлектора 126 производится в промежутки между нечетными строками /фиг.12/. Для этого отражатель пьезодефлектора 131 поворачивается вниз на 0,02 мм по управляющим сигналам с усилителя 130. За кадр развертка строк выполняется 100 раз: 50 раз нечетных строк и 50 раз четных. Торец пьезодефлектора 126 с отражателем колеблется с частотой 2,5 кГц и производит развертку 800 строк с частотой 5 кГц в задней фокальной плоскости проекционного объектива 134, который проецирует изображение кадров стереопары на матовый экран 135 с увеличением в 10 раз. Объемное изображение зритель воспринимает через ЗД-очки 138 с ИК-приемником 137 на оправе, который принимает управляющие сигналы с ИК-передатчика 136, расположенного над экраном. Управляющими сигналами для ИК-передатчика являются синхроимпульсы стереопар 25 Гц, поступающие на его входы с блока 144 выделения синхроимпульсов стереопар.
Использованные источники
1. Патент №2246801, кл. Н 04 N 15/00, бюл. №5 от 20.02.05, прототип.
2. Колесниченко О.В, Шишигин И.В. Аппаратные средства PC. 5-е изд., СПб. 2004, с.558-565.
3. Радиопередающие устройства, М.С. Шумилин и др. М, 1981, с.234, 235.
4. Фридлянд И.В, Сошников В.Г. Системы автоматического регулирования в устройствах видеозаписи. М, 1988, c.118 рис.5.5, c.122 рис.5.10.
5. Цифровые интегральные микросхемы. Справочник, Минск, 1991, с.128, 231, 258.
6. Л.М.Кучекян. Световоды. М, 1973, с.77.
7. Шило В.А. Популярные цифровые микросхемы. Челябинск, 1989, с.222.
8. Бродский М.А. Телевизоры цветного изображения. Минск, 1988, с.86 рис.2.55, с.132 рис.4.2.
9. Радиосвязь, вещание и телевидение. Под ред. Фортушенко. М, 1981, с.146.
10. Баркан В.Ф, Жданов В.К. Усилительная и импульсная техника. М, 1981, с.209.
11. “Радио” №7, 1998, c.7l.
| Таблица 2 |
| Технические характеристики |
Значения |
| Передающая сторона |
|
| Используемые диапазоны |
430-790 МГц, 21-60 кан. |
| Несущие частоты /вариант/ |
480 МГц, 576 МГц |
| Тактовая частота в системе |
48 МГц |
| Передача кодов видеосигнала |
ЕRП, ЕRЛ |
528 МГц верх. бок. f1 |
| -“- |
ЕВП, ЕВЛ |
432 МГц ниж. бок. f1 |
| -“- |
ЕGП, ЕGЛ |
624 МГц верх. бок. f2 |
| Занимаемая полоса в эфире |
316,8 Гц |
| Число кодируемых строк/отсчетов в строке |
400/600/300×2/; |
| Дискретизация видеосигнала |
12 МГц |
| Частота строк/частота, кадров |
20 кГц/50 Гц |
| Длительности строки/длительность кадра |
50 мкс/20 мс |
| Кодирование видеосигналов |
255 уровней, 8 разрядов |
| Дискретизация звуковых сигналов |
60 кГц |
| Кодирование звуковых сигналов |
16 разрядов |
| Приемная сторона |
|
| Число строк/частота строк |
800/5 кГц |
| Отсчетов в строке |
1200/600×2/ |
| Частота следования кодов видеосигналов |
24 МГц |
| Разрешающая способность кадра |
960000 элем. /1200×800/ |
| Развертка растра |
одновременно 400 строками |
| Длительность строки/длительность кадра |
200 мкс/20 мс |
| Формирование изображения на экране |
электронная развертка 400 строк и проекция объективом |
| Восприятие объемного изображения |
через ЗД-очки |
Формула изобретения
Цифровая система стереотелевидения, содержащая на передающей стороне фотоэлектрический преобразователь, первый-шестой аналого-цифровые преобразователи (АЦП), входы которых подключены к соответствующим выходам фотоэлектрического преобразователя, первый и второй АЦП сигнала звука, на информационные входы которых поданы сигалы звукового сопровождения, последовательно соединенные генератор синусоидальных колебаний и синтезатор частот, первый-третий формирователи кодов, первый и второй самоходные распределители импульсов, счетчик импульсов, первый и второй ключи, триггер и передатчик радиосигналов, первый выход синтезатора частот подключен к первым управляющим входам первого-третьего формирователей кодов и к сигнальным входам первого и второго ключей, выход первого ключа подключен к тактовым входам первого-третьего АЦП, выход второго ключа подключен к тактовым входам четвертого-шестого АЦП, первый управляющий вход первого ключа и второй управляющий вход второго ключа подключены к первому выходу триггера, второй управляющий вход первого ключа и первый управляющий вход второго ключа подключены к второму выходу триггера, второй выход синтезатора частот подключен к вторым управляющим входам первого-третьего формирователя кодов и первым управляющим входам первого и второго АЦП сигнала звука, к вторым управляющим входам которых подключен третий выход синтезатора частот, четвертый выход которого подключен к третьим управляющим входам первого-третьего формирователей кодов, пятый выход синтезатора частот подключен к четвертым управляющим входам первого, второго формирователей кодов, к первому управляющему входу фотоэлектрического преобразователя и к третьим управляющим входам первого и второго АЦП сигнала звука, шестой выход синтезатора частот подключен к второму управляющему входу фотоэлектрического преобразователя и к управляющему входу счетчика импульсов, выход которого подключен к управляющему входу второго самоходного распределителя импульсов, седьмой выход синтезатора частот подключен к третьему управляющему входу фотоэлектрического преобразователя, восьмой выход синтезатора частот подключен к первому входу передатчика радиосигналов, второй вход которого подключен к девятому выходу синтезатора частот, первый информационный вход первого формирователя кодов подключен параллельно к выходам первого и четвертого АЦП, первый информационный вход второго формирователя кодов подключен параллельно к выходам второго и пятого АЦП, первый информационный вход третьего формирователя кодов подключен параллельно к выходам третьего и шестого АЦП, выходы первого и второго АЦП сигнала звука подключены к вторым информационным входам соответственно первого и второго формирователей кодов, выход первого самоходного распределителя импульсов подключено к третьим информационным входам первого и второго формирователей кодов и к второму информационному входу третьего формирователя кодов, а вход первого самоходного распределителя импульсов подключен к второму выходу второго формирователя кодов, к нему же подключен и счетный вход счетчика импульсов, выход второго самоходного распределителя импульсов подключен параллельно к четвертым информационным входам первого, второго формирователей кодов и к третьему информационному входу третьего формирователя кодов, передатчик радиосигналов из трех каналов, первый канал включает последовательно соединенные усилитель первой несущей частоты, вход которого является первым входом передатчика радиосигналов, амплитудный модулятор, второй вход которого подключен к выводу первого формирователя кодов, и выходной усилитель, второй канал включает последовательно соединенные амплитудный модулятор и выходной усилитель, первый вход амплитудного модулятора подключен к выходу усилителя первой несущей частоты, второй его вход подключен к выходу третьего формирователя кодов, третий канал включает последовательно соединенные усилитель второй несущей частоты, вход которого является вторым входом передатчика радиосигналов, амплитудный модулятор, второй вход которого подключен к выходу второго формирователя кодов, и выходной усилитель, первый-шестой АЦП идентичны, каждый содержит последовательно соединенные видеоусилитель и пьезодефлектор с отражателем на торце, источник положительного опорного напряжения, выход которого подключен к вторым входам видеоусилителя и пьезодефлектора, источник отрицательного опорного напряжения, выход которого подключен к третьим входам видеоусилителя и пьезодефлектора, излучатель из импульсного светодиода, щелевой диафрагмы и микрообъектива, линейку многоэлементного фотоприемника и шифратор, выходы которого являются выходами АЦП, управляющим входом является вход импульсного светодиода, первый и второй формирователи кодов идентичны, каждый содержит последовательно соединенные триггер и блок коммутации, входы которого являются первым информационным входом, и три канала, первый и второй каналы идентичны, входы их подключены к соответствующим выходам блока коммутации, а выходы трех каналов объединены, первый канал включает последовательно соединенные блок элементов И, первый и второй элементы ИЛИ и выходной ключ, и самоходный распределитель импульсов, второй канал включает последовательно соединенные блок элементов И, третий и четвертый элементы ИЛИ и выходной ключ, и самоходный распределитель импульсов, первые входы элементов И подключены к соответствующим выходам блока коммутации, вторые их входы подключены к выходам самоходного распределителя импульсов своего канала, выходы выходных ключей объединены и являются выходом формирователя кодов, третий канал включает два блока элементов И, входы которых являются вторым информационным входом, пятый и шестой элементы ИЛИ, выход пятого элемента ИЛИ подключен к второму входу второго элемента ИЛИ в первом канале, выход шестого элемента ИЛИ подключен к второму входу четвертого элемента ИЛИ во втором канале, и два самоходных распределителя импульсов, выходы которых подключены к вторым входам соответствующих блоков элементов И третьего канала, и включает первый и второй ключи, и последовательно соединенные счетчик импульсов и дешифратор, первый и второй выходы которого подключены соответственно к первым и вторым управляющим входам первого и второго ключей, во втором формирователе кодов дешифратор имеет третий выход, являющиеся вторым выходом второго формирователя кодов, подключенный к входу первого самоходного распределителя импульсов и к счетному входу счетчика импульсов передающей стороны, выход первого ключа подключен к входам самоходных распределителей импульсов первого и второго каналов, выход второго ключа подключен к входам самоходных распределителей импульсов в третьем канале, первым управляющим входом формирователя кодов является вход триггера, вторым – объединений вход ключей и счетный вход счетчика импульсов, третьим – объединенный вход сигнальных входов выходных ключей, четвертый управляющий вход счетчика импульсов, третий формирователь кодов содержит последовательно соединенные триггер и блок коммутации, и два идентичных канала, входы которых подключены к выходам блока коммутации, а выходы их объединены и являются выходом третьего формирователя кодов, первый канал включает последовательно сочиненные блок элементов И, первый и второй элементы ИЛИ и выходной ключ, и самоходный распределитель импульсов, второй канал включает последовательно соединенные блок элементов И, третий и четвертый элементы ИЛИ и выходной ключ, и самоходный распределитель импульсов, первые входы блоков элементов И подключены к соответствующим выходам блока коммутации, вторые входы элементов И подключены к выходам самоходного распределителя импульсов своего канала, первым информационным входом являются входы блока коммутации, вторым и третьим информационными входами являются вторые входы второго и четвертого элементов ИЛИ, первым управляющим входом является вход триггера, вторым – объединенные входы самоходных распределителей импульсов, третьим – объединенные сигнальные входы выходных ключей, объединенный выход которых является выходом третьего формирователя кодов, и содержащая на приемной стороне антенну, блок управления, первый-третий тракты приема и обработки кодов видеосигналов, входы которых подключены к антенне, три блока импульсных усилителей, канал формирования управляющих сигналов, два канала воспроизведения звука, блок модуляции излучения, соответствующие входы которого подключены к соответствующим выходам трех блоков импульсных усилителей, последовательно соединенные первый делитель частоты, блок строчной развертки из задающего генератора и выходного каскада, первый усилитель, вход которого подключен к выходу блока строчной развертки, и первый пьезодефлектор с отражателем на торце, первый источник положительного опорного напряжения, выход которого подключен к вторым входам первого усилителя и первого пьезодефлектора, второй источник отрицательного опорного напряжения, выход которого подключен к третьим входам первого усилителя и первого пьезодефлектора, последовательно соединенные второй усилитель и второй пьезодефлектор с отражателем на торце, третий источник положительного опорного напряжения, выход которого подключен к вторым входам второго усилителя и второго пьезодефлектора, четвертый источник отрицательного опорного напряжения, выход которого подключен к третьим входам второго усилителя и второго пьезодефлектора, проекционный объектив, в задней фокальной плоскости которого расположен отражатель первого пьезодефлектора, оптически соединенный через отражатель второго пьезодефлектора с излучающей стороной блока, модуляции излучения, во внешней фокальной плоскости проекционного объектива расположен матовый экран, первый-третий тракты приема и обработки кодов видеосигналов идентичны, каждый включает последовательно соединенные блок приема, радиосигнала, первый вход которого подключен к антенне, вторые входы подключены к первой группее выходов блока управления, усилитель радиочастоты и двухполярный амплитудный детектор, первый и второй формирователи импульсов, подключенные соответственно к первому и второму выходам двухполярного амплитудного детектора, и канал видеосигнала, включающий первый регистр, вход которого подключен к выходу первого формирователя импульсов, второй регистр, вход которого подключен к выходу второго формирователя импульсов, блок обработки кодов, входы которого подключены к выходам первого и второго регистров, первый блок задержек, входы которого подключены к выходам блока обработки кодов, второй блок задержек и сумматор, первые входы которого и входы второго блока задержек поразрядно объединены и подключены к выходам блока обработки кодов, вторые входы сумматора подключены к выходам первого блока задержек, канал формирования управляющих сигналов включает последовательно соединенные блок выделения строчных синхроимпульсов и синтезатор частот, последовательно соединенные ключ, счетчик импульсов и дешифратор, и блок выделения синхроимпульсов стереопар, с первого по третий входы блока выделения строчных синхроимпульсов подключены к выходам первых формирователей импульсов в каждом тракте приема и обработки кодов видеосигналов, выход блока подключен к первому входу синтезатора частот и к первому управляющему входу ключа, вторая группа входов синтезатора частот подключена к втором группе выходов блока, управления, первый выход синтезатора, частот подключен параллельно к сигнальному входу ключа, к первым управляющим входам первого и второго регистров в первом-третьем каналах видеосигнала, второй выход синтезатора, частот подключен к вторым управляющим входам первого и второго регистров в первом-третьем каналах видеосигнала и к третьим управляющим входам в первом и втором каналах воспроизведения звука, к четвертым управляющим входам которых подключен третий выход синтезатора частот, четвертый выход синтезатора частот подключен к управляющим входам первого-тртьего блоков обработки кодов, пятый выход синтезатора частот подключен к третьим входам блоков приема радиосигнала в первом и втором трактах приема и обработки кодов видеосигналов, шестой выход синтезатора частот подключен к третьему входу блока приема радиосигнала в третьем тракте приема и обработки кодов видеосигналов, седьмой выход синтезатора частот подключен к третьим управляющим входам первого-третьего первых блоков задержек и к управляющим входам первого-третьего сумматоров, восьмой выход синтезатора частот подключен к первым управляющим входам с первого по третий первых блоков задержек, первый-третий входы блока выделения синхроимпульсов стереопар подключены к выходам вторых формирователей импульсов в 1-3 трактах приема и обработки кодов видеосигналов, четвертый его вход подключен к выходу блока выделения строчных синхроимпульсов, первый и второй выходы дешифратора подключены к первым и вторым управляющим входам в первом и втором каналах воспроизведения звука, второй управляющий вход ключа и управляющий вход счетчика импульсов объединены и подключены к второму выходу дешифратора, первый-третий блоки обработки кодов идентичны, каждый включает триггер, первый, второй, третий блоки задержек, первый-четвертый регистры, сумматор, пятый и шестой регистры, информационные входы первого и второго регистров поразрядно объединены и подключены к выходам первого блока задержек, входы которого являются первым информационным входом блока обработки кодов, информационные входы третьего и четвертого регистров поразрядно объединены и подключены к выходам второго блока задержек, входы которого являются вторым информационным входом блока обработки кодов, управляющим входом которого являются объединенные вход триггера и управляющий вход сумматора, выходы второго регистра подключены к первым входам сумматора, выходы первого регистра подключены к входам пятого регистра и через диоды к первым входам сумматора, выход четвертого регистра подключен к вторым входам сумматора, выходы третьего регистра подключены к входам шестого регистра и через диоды подключены к вторым входам сумматора, выходы которого подключены к входам третьего блока задержек, первый выход триггера подключен параллельно к управляющим входам пятого, второго и третьего регистров, второй выход триггера подключен параллельно к управляющим входам шестого, четвертого и первого регистров, выходы пятого, шестого регистров и третьего блока задержек поразрядно объединены и являются выходами блока обработки кодов, первый-третий первые блоки задержек идентичны, каждый включает элемент И, первый, второй ключи, первый, второй распределители импульсов и восемь регистров с соответствующим числом разрядов в каждом, первым и вторым управляющими входами являются первый и второй входы элемента И, сигнальные входы ключей объединены и являются третьим управляющим входом первого блока задержек, выход первого ключа подключен к входу первого распределителя импульсов, выход второго ключа подключен к входу второго распределителя импульсов, выходы первого распределителя импульсов последовательно подключены к первым управляющим входам разрядов первого-восьмого регистров, последний выход первого распределителя импульсов подключен к второму управляющему входу первого ключа и к первому управляющему входу второго ключа и через диод подключен к первому управляющему входу последних разрядов в первом-восьмом регистрах, выходы второго распределителя импульсов подключены к первым управляющим входам разрядов первого-восьмого регистров в обратном порядке: первый выход подключен к последнему разряду первого-восьмого регистров, последний выход через диод подключен к первым разрядам первого-восьмого регистров, и через диод подключен к второму управляющему входу второго ключа и к первому управляющему входу первого ключа, выходы каждого первого-восьмого регистра объединены и являются первым-восьмым выходами первого блока задержек, вторые (информационные) входы разрядов первого-восьмого регистров поразрядно объединены и являются первым-восьмым информационными входами первого блока задержек, блок выделения строчных синхроимпульсов включает первый-третий счетчики импульсов, первый, второй элементы И, первый-третий элементы НЕ и диод, входами блока являются первый-третий счетные входы счетчиков импульсов, к которым подключены соответственно первый-третий элементы НЕ, выходы которых объединены и подключены к управляющим входам счетчиков импульсов, выходы первого и второго счетчиков импульсов подключены к первому и второму входам первого элемента И, выход которого и выход третьего счетчика импульсов подключены к первому и второму входам второго элемента И, выход которого является выходом блока, а через диод подключен к управляющим входам счетчиков импульсов, блок выделения синхроимпульсов стереопар включает первый-третий счетчики импульсов, первый-третий элементы НЕ, первый-третий элементы И и диод, с первого по третий входами блока являются счетные входы счетчиков импульсов, к которым подключены соответственно и входы первого-третьего элементов НЕ, выходы которых объединены и подключены параллельно к управляющим входам счетчиков импульсов, выход первого и второго счетчиков импульсов подключены к первому и второму входам первого элемента И, выход которого и выход третьего счетчика импульсов подключены к входам второго элемента И, выход которого и четвертый вход блока выделения синхроимпульсов стереопар подключены к входам третьего элемента И, выход которого является выходом блока, а через диод подключен к управляющим входам счетчиков импульсов, отличающаяся тем, что на передающей стороне синтезатор частот имеет десятый выход, подключенный ко входу триггера, на приемной стороне введены второй делитель частоты, вход которого подключен к выходу блока выделения строчных синхроимпульсов, а выход подключен к входу второго усилителя, ЗД-очки с ИК-приемником на оправе ЗД-очков и ИК-передатчик, расположенный над матовым экраном, и вход которого подключен к выходу блока выделения синхроимпульсов стереопар, излучающее окно ИК-передатчика расположено в сторону экрана, входное окно ИК-приемника расположено против излучающего окна ИК-передатчика, в каждый канал видеосигнала введен накопитель кодов, блок модуляции излучения выполнен из 400 каналов, каждый из которых содержит последовательно расположенные излучатель трех основных цветов, микрообъектив и фокусирующий конус световода (фокон), входами блока являются входы излучателей, подключенные к соответствующим выходам блоков импульсных усилителей, излучающие плоскости излучателей находятся в задней фокальной плоскости микрообъективов, в передней фокальной плоскости которых находятся входные окна фокусирующих конусов световодов, излучатели через микрообъективы, фокусирующие конусы световодов, отражатель второго пьезодефлектора оптически соединены с отражателем первого пьезодефлектора, расположенным в задней фокальной плоскости проекционного объектива, во внешней фокальной плоскости которого расположен матовый экран, первый-третий накопители кодов идентичны, каждый включает последовательно соединенные ключ, сигнальный вход которого является первым управляющим входом накопителя кодов и подключен к восьмому выходу синтезатора частот, управляющий вход является вторым управляющим входом и подключен к выходу блока выделения синхроимпульсов стереопар, и триггер, накопитель кодов нечетного кадра и накопитель кодов четного кадра, первым и вторым информационными входами накопителя кодов являются поразрядно объединенные информационные входы накопителя кодов нечетного кадра и информационные входы накопителя кодов четного кадра, подключенные соответственно к выходам второго блока задержек и к выходам сумматора, первый выход триггера подключен к первому управляющему входу накопителя кодов нечетного кадра, второй выход триггера подключен к первому управляющему входу накопителя кодов четного кадра, третьим управляющим входом накопителя кодов являются объединенные вторые управляющие входы накопителя кодов нечетного кадра и накопителя кодов четного кадра, третий управляющий вход подключен к седьмому выходу синтезатора частот, четвертым управляющим входом являются объединенные третьи управляющие входы накопителя кодов нечетного кадра и накопителя кодов четного кадра, четвертый управляющий вход подключен к первому выходу синтезатора частот, выходами накопителя кодов являются объединенные соответствующим образом выводы накопителя кодов нечетного кадра и накопителя кодов четного кадра, накопитель кодов нечетного кадра и накопитель кодов четного кадра идентичны, каждый включает по 400 блоков регистров, первый управляющий вход первого блока регистров является первым управляющим входом накопителя кодов нечетного (четного) кадра, вторые управляющие входы блоков регистров объединены и являются третьим управляющим входом накопителя кодов нечетного (четного) кадра, третьи управляющие входы блоков регистров объединены и являются вторым убавляющим входом накопителя кодов нечетного (четного) кадра, первый управляющий выход каждого блока регистров является первым управляющим входом для каждого последующего блока регистров, первый управляющий выход последнего (400-го) блока регистров подключен параллельно к четвертым управляющим входом всех 400 блоков регистров, объединенные поразрядно первые и вторые входы блоков регистров являются первыми и вторыми информационными входами накопителя кодов нечетного (четного) кадра, выходы блоков регистров являются выходами накопителя кодов нечетного (четного) кадра, каждый блок регистров включает первый, второй, третий, четвертый ключи, первый, второй, третий, четвертый распределители импульсов, первые восемь регистров, последовательно соединенные первый счетчик импульсов и первый дешифратор, выход которого подключен параллельно к третьим управляющим входам разрядов первых восьми регистров, вторые восемь регистров, последовательно соединенные второй счетчик импульсов и второй дешифратор, выход которого подключен параллельно к третьим управляющим входам разрядов вторых восьми регистров, первые (информационные) входы разрядов первых восьми регистров поразрядно объединены и являются первым информационным входом блока магистров, первые (информационные) входы разрядов вторых восьми регистров поразрядно объединены и являются вторым информационным входом блока регистров, выходы разрядов первых восьми регистров и выводы разрядов вторых восьми регистров поразрядно объединены и являются первым-восьмым выходами блока регистров, первым управляющим входом являются объединенные первые управляющие входы первого и третьего ключей, сигнальные входы которых объединены и являются третьим управляющим входом блока регистров, сигнальные входы второго и четвертого ключей объединены и являются вторым управляющим входом блока регистров, четвертый управляющий вход блока регистров через диод подключен к первому управляющему входу второго ключа, второму управляющему входу четвертого ключа и к второму выходу триггера, первый выход которого подключен к второму управляющему входу второго ключа и к первому управляющему входу четвертого ключа, счетные входы первого и второго счетчиков импульсов через диоды объединены и подключены к входу триггера, выход первого ключа подключен к входу первого распределителя импульсов, выходы которого с первого по последний подключены к первым управляющим входам разрядов первых восьми регистров от первого разряда к последнему, последний выход первого распределителя импульсов подключен к второму управляющему входу первого ключа и является первым управляющим выходом блока регистров, выход второго ключа подключен к входу второго распределителя импульсов, выходы которого последовательно подключены к вторым управляющим входам разрядов первых восьми регистров в порядке от первого разряда к последнему, последний выход второго распределителя импульсов подключен к счетному входу первого счетчика импульсов, выход третьего ключа подключен к входу третьего распределителя импульсов, выходы которого последовательно подключены к первым управляющим входам разрядов вторых восьми регистров в порядке от первого разряда к последнему, последний выход третьего распределителя импульсов подключен к второму управляющему входу третьего ключа, выход четвертого ключа подключен к входу четвертого распределителя импульсов, выходы которого с первого по последний подключены к вторым управляющим входам разрядов вторых восьми регистров в обратном порядке: первый выход подключен к последним разрядам, а последний выход подключен к первым разрядам вторых восьми регистров, последний выход четвертого распределителя импульсов подключен к счетному входу второго счетчика импульсов.
РИСУНКИ
|
|