|
|
(21), (22) Заявка: 2005112421/09, 25.04.2005
(24) Дата начала отсчета срока действия патента:
25.04.2005
(46) Опубликовано: 27.12.2006
(56) Список документов, цитированных в отчете о поиске:
RU 2178237 C1, 10.01.2002. RU 2234196 C2, 10.08.2004. RU 2119955 C1, 20.09.1998. RU 2079855 C1, 20.05.1997. WO 03/030425 A1, 10.04.2003. US 6031879 A, 29.02.2000.
Адрес для переписки:
394018, г.Воронеж, ул. Плехановская, 14, ОАО “Концерн “Созвездие”
|
(72) Автор(ы):
Козленко Николай Иванович (RU), Мокроусов Александр Николаевич (RU), Зеленин Александр Юрьевич (RU)
(73) Патентообладатель(и):
Федеральное государственное унитарное предприятие “Воронежский научно-исследовательский институт связи” (RU)
|
(54) СПОСОБ ПЕРЕДАЧИ ДИСКРЕТНОЙ ИНФОРМАЦИИ В РАДИОЛИНИИ СО СКАЧКООБРАЗНОЙ ПЕРЕСТРОЙКОЙ РАБОЧЕЙ ЧАСТОТЫ
(57) Реферат:
Изобретение относится к области радиотехники и может найти применение в системах передачи информации со скачкообразной перестройкой рабочей частоты. Достигаемый технический результат – повышение помехоустойчивости и обеспечение информационной и структурной скрытности передаваемого сообщения. Для этого в известном способе при передаче информации проводятся преобразования двоичной информационной последовательности в десятичные числа, определяющие код псевдослучайной последовательности (ПСП) и несущую частоту передатчика; генерируемый на основе кода ПСП сигнал модулируется частотой, синхронизируемой на основе несущей частоты передатчика; при приеме с помощью частотной фильтрации выбирается канал, по которому проводилась передача, определяется максимальное значение пика автокорреляционной функции, по которому определяется код ПСП, из которого путем последовательных обратных преобразований получают десятичное число, которое преобразуется в двоичный вид, соответствующий переданной информации. 1 ил.
Предлагаемый способ относится к области радиотехники и может найти применение в системах передачи информации со скачкообразной перестройкой рабочей частоты.
Известен способ передачи информации с ППРЧ, описанный в патенте РФ №2099886, Н 04 L 5/02. Булычев О.А., Калинин В.М., Попов В.И. “Способ передачи информации в радиолинии с псевдослучайной перестройкой рабочих частот и устройство, его реализующее”, 1997 г., в котором из информационного сигнала формируют пакеты, которые модулируют на соответствующих частотах и излучают в пространство. Недостатком данного способа является то, что передаваемая информация не защищена от несанкционированного доступа.
Известен способ передачи информации с ППРЧ, описанный в заявке РФ на изобретение №2001102653, Н 04 В 1/713, Н 04 L 5/06, Н 04 J 3/06. Постников В.А., Шубенкин В.В. “Способ и устройство псевдослучайной перестройки рабочей частоты”, 2003 г., в котором изменяется значение рабочей частоты, формируемой по псевдослучайному закону, в псевдослучайные моменты времени, гарантированно синхронные для обеих сторон радиолинии (путем использования дополнительных синхронных псевдослучайных последовательностей). Недостатком данного способа является необходимость точной синхронизации радиолинии, что значительно усложнит аппаратуру, а также то, что передаваемая информация не защищена от несанкционированного доступа.
Наиболее близким по технической сущности к предлагаемому способу является способ, описанный в заявке РФ на изобретение №99123808, Н 04 В 1/713. Деркач Е.Н., Попов В.И., Лазоренко B.C., Сивоконев В.Н. “Способ передачи дискретной информации в радиолинии с псевдослучайной перестройкой рабочей частоты и устройство, его реализующее”, 2001 г., принятый за прототип.
Способ-прототип заключается в следующем.
На передающем конце радиолинии с ППРЧ происходит деление входного сигнала на блоки информации, перестройка несущей частоты передатчика в соответствии с кодом одной из двух или более псевдослучайных последовательностей (ПСП) и модуляция несущей передатчика соответствующим блоком информации с последующим излучением его в пространство. На приемном конце осуществляется прием сигнала одновременно только на тех частотах, которые соответствуют текущим кодам одного или более генератора ПСП, выбор того частотного канала, по которому производилась передача, с контролем уровня помех, преобразование сигнала на промежуточную частоту, усиление, демодуляция, декодирование пакета и подача информационного сигнала на оконечное устройство.
В способе-прототипе при передаче информации по каналу связи авторизованным пользователям передается само сообщение, что позволяет неавторизованным пользователям при перехвате даже очень малого числа пакетов (составляющих небольшой процент от всего сообщения) с большой долей вероятности восстанавливать все сообщение. Кроме того, при таком способе передачи сообщение мало защищено от воздействия преднамеренных помех, а применение помехоустойчивого кодирования снижает скорость передачи информации. Таким образом, недостатком способа-прототипа является отсутствие защиты передаваемого сообщения от несанкционированного доступа и низкая помехоустойчивость.
Для устранения указанных недостатков в способе передачи дискретной информации в радиолинии со скачкообразной перестройкой рабочей частоты, включающем на передающем конце деление входного сигнала на блоки информации, представленной в двоичном виде; на приемном конце радиолинии – прием сигнала на всех возможных частотах и для всех возможных кодов псевдослучайных последовательностей, преобразование принятого сигнала в двоичную информационную последовательность и подачу информационного сигнала на оконечное устройство, согласно изобретению на передающем конце радиолинии проводят преобразование двоичного числа, составляющего каждый информационный блок, в десятичное, которое, согласно известным на приеме и передаче алгоритмам, преобразуют в два других десятичных числа, последующее преобразование которых согласно другим, отличным от вышеуказанных, известным на приеме и передаче алгоритмам определяет код псевдослучайной последовательности и несущую частоту передатчика; на основе определенного кода псевдослучайной последовательности генерируют сигнал, модулируют его и излучают его в пространство, причем частоту модуляции синтезируют на основе определенной несущей частоты передатчика; на приемном конце радиолинии с помощью частотной фильтрации осуществляют выбор канала, по которому производилась передача; формируют пики автокорреляционных функций принятых сигналов, путем сравнения с пороговым значением определяют максимальное значение пика автокорреляционной функции, по которому выбирают вид псевдослучайной последовательности, по которому определяют номер кода псевдослучайной последовательности; последовательно проводят обратные преобразования: номера кода псевдослучайной последовательности в десятичное число и полученное десятичное число в другое десятичное число согласно вышеуказанным алгоритмам; полученное десятичное число преобразуют в двоичный вид, соответствующий переданной информации.
Предлагаемый способ передачи дискретной информации заключается в следующем.
На передающем конце радиолинии происходит преобразование входного сигнала в двоичную последовательность, деление ее на двоичные блоки с равным количеством элементов (по Z бит). Z бит двоичного блока составляет двоичное число X, которое преобразуется в десятичное число
Y [0,2X-1].
В свою очередь, полученное десятичное число Y преобразуется в два других десятичных числа:
N1=f1(Y) [0,2X<1]
N2=f2(Y) [0,2X<1],
где f1 и f2 – известные на приеме и передаче алгоритмы.
Полученные десятичные числа N1 и N2 преобразуются в другие десятичные числа:
NПСП=g(N1) [0,2М-1], M X
FППРЧ=h(N2) [0,2K-1], K X,
где g и А – известные на приеме и передаче алгоритмы, отличные от f1 и f2.
Далее, по NПСП определяется код ПСП с базой (L бит), а по FППРЧ определяется несущая частота передатчика. На основе определенного кода ПСП генерируется сигнал, который модулируется частотой, синтезируемой на основе определенной несущей частоты передатчика. Модулированный сигнал излучается в пространство.
Прием сигнала осуществляется на всех частотах и для всех возможных кодов ПСП. С помощью частотной фильтрации принятого сигнала определяется канал, по которому производилась передача. Затем определяется автокорреляционная функция (АКФ) принятого сигнала с опорными ПСП и максимальное значение пика АКФ с целью выбора вида ПСП. По определенному виду ПСП определяется код ПСП (NПСП), представленный в десятичном виде.
На основе десятичного числа NПСП путем обратного преобразования сначала определяется десятичное число
N=g-1(NПСП)
а затем – другое десятичное число
Y=f-1(N).
Далее десятичное число Y переводится в двоичный вид X, а затем преобразуется в Z бит двоичного блока. Полученные таким образом двоичные блоки объединяются в двоичную информационную последовательность, которая преобразуется в форму выходного сигнала и подается получателю информации.
Таким образом, в описанном способе передачи информации рабочая частота перестраивается в соответствии с изменением передаваемой информации, то есть скачкообразно.
Следовательно, предлагаемый способ передачи дискретной информации обеспечивает наибольшую помехоустойчивость (за счет поэлементного накопления равного базе ПСП) при соблюдении конфиденциальности (за счет многократного преобразования информационного сигнала и скачкообразной перестройки рабочей частоты).
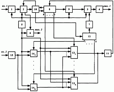
Функциональная схема устройства для осуществления предлагаемого способа представлена на чертеже, где введены следующие обозначения:
1 – источник информации (НИ);
2 – пакетатор-депакетатор (ПД);
3 – модулятор;
4 – первый антенно-фидерный блок (АФБ1);
5 – синхрогенератор;
6 – приемник информации (ПИ);
7 – синтезатор частот (СЧ);
8 – первый блок памяти (БП1);
9 – генератор кода (ГК);
10 – микропроцессор;
11 – пороговый блок;
12 – второй блок памяти (БП2);
131-13k – корреляторы;
141-14k – частотные фильтры (ЧФ);
15 – второй антенно-фидерный блок (АФБ2).
Устройство, с помощью которого реализуется предлагаемый способ, содержит последовательно соединенные источник информации (ИИ) 1, информационный вход которого является первым входом устройства (передающий конец), пакетатор-депакетатор (ПД) 2, микропроцессор 10, первый блок памяти (БП1) 8, генератор кода (ГК) 9, модулятор 3 и первый антенно-фидерный блок (АФБ1) 4, выход которого является первым выходом устройства; последовательно соединенные второй блок памяти (БП2) 12 и синтезатор частот (СЧ) 7, выход которого соединен с управляющим входом модулятора 3. Вторым входом устройства (приемный конец) является вход второго антенно-фидерного блока (АФБ2) 15, выход которого соединен с объединенными информационными входами k частотных фильтров (ЧФ) 141-14k, объединенные синхронизирующие входы которых соединены со вторым выходом синхрогенератора 5, первый выход которого соединен с синхронизирующими входами ИИ 1, ПД 2, ГК 9 и модулятора 3. Выходы ЧФ 141-14k соединены с объединенными соответствующими параллельными входами k корреляторов 131-13k, объединенные синхронизирующие входы которых соединены со вторым выходом синхрогенератора 5 и синхронизирующим входом приемника информации (ПИ) 6, выход которого является вторым выходом устройства, причем k параллельных выходов БП1 8 соединены с последовательными входами соответствующих корреляторов 131-13k, объединенные выходы которых соединены с входом порогового блока 11, выход которого соединен со вторым входом БП1 8, второй последовательный выход которого соединен со вторым входом микропроцессора 10, второй выход которого соединен с входом БП2 12, k параллельных выходов которого соединены с управляющими входами соответствующих ЧФ 141-14k. Третий выход микропроцессора 10 соединен с третьим входом ПД 2, второй выход которого соединен с информационным входом ПИ 6.
Устройство, с помощью которого реализуется предлагаемый способ, работает следующим образом.
На передающем конце входной сигнал поступает в ИИ 1, с выхода которого двоичная информационная последовательность поступает в ПД 2, где происходит ее деление на двоичные блоки по Z бит, составляющих двоичное число X. С первого выхода ПД 2 информационные блоки подаются на первый вход микропроцессора 10, в котором производятся следующие преобразования: двоичное Х пересчитывается в десятичное число Y, которое, в свою очередь, переводится в другие десятичные числа N1 и N2, которые соответственно определяют десятичные числа NПСП и FППРЧ.
По NПСП в БП1 8 определяется код ПСП, а по FППРЧ в БП2 12 определяется несущая частота. Определенный в БП1 8 код ПСП (L бит) генерируется в ГК 9 и подается на информационный вход модулятора 3, где он модулируется частотой, синтезируемой СЧ 7 на основе определенной в БП2 12 несущей частоты передатчика. Модулированная ПСП излучается в пространство с помощью АФБ1 4.
На приемном конце радиолинии входной сигнал, принятый АФБ2 15, поступает на информационные входы ЧФ 141-14k, где происходит выбор того частотного канала, по которому производилась передача. Каждый из ЧФ 141-14k настроен на частоту (FППРЧ), значение которой хранится в БП2 12. При этом коды с k параллельных выходов БП2 12 подаются на управляющие входы соответствующих из ЧФ 141-14k, на синхронизирующие входы которых подается синхросигнал со второго выхода синхрогенератора 5.
С выходов ЧФ 141-14k принятый сигнал поступает на соответствующие параллельные входы корреляторов 131-13k, где определяются корреляционные пики. Каждый коррелятор 131-13k настроен на определенную опорную ПСП, значение которой хранится в БП1 8. С k параллельных выходов БП1 8 управляющие сигналы поступают на последовательные входы соответствующих корреляторов 131-13k.
Значение пика АКФ на выходах корреляторов 131-13k сравнивается с порогом в блоке 11. Номер коррелятора, имеющего максимальное значение АКФ, определяет вид ПСП, по которому в БП1 8 определяется NПСП, который со второго последовательного выхода БП1 8 подается на второй вход блока 10. В микропроцессоре 10 на основе десятичного числа NПСП сначала определяется десятичное число N, а затем определяется десятичное число Y, которое переводится из десятичного вида в двоичный X, который подается на третий вход ПД 2, где преобразуется в Z бит двоичного блока. Полученные таким образом двоичные блоки объединяются в ПД 2 в двоичную информационную последовательность, которая со второго выхода ПД 2 подается на информационный вход ПИ 6, где преобразуется в форму выходного сигнала и подается на второй выход устройства.
При этом работа ПИ 6 синхронизируется сигналом со второго выхода синхрогенератора 5, а сигнал с первого выхода синхрогенератора 5 синхронизирует работу ИИ 1, ПД 2, ГК 9 и модулятора 3.
Использование в предлагаемом устройстве корреляторов позволяет поэлементно накапливать принятый сигнал, что обеспечивает защиту от воздействия преднамеренных помех. Использование блоков памяти позволяет идентифицировать код ПСП и рабочую частоту, а использование микропроцессора позволяет проводить многократные преобразования передаваемого и принимаемого сигналов, что обеспечивает защиту от несанкционированного доступа.
Таким образом, устройство для реализации предлагаемого способа передачи дискретной информации позволяет обеспечить высокую помехоустойчивость при соблюдении конфиденциальности.
Формула изобретения
Способ передачи дискретной информации в радиолинии со скачкообразной перестройкой рабочей частоты, включающий на передающем конце деление входного сигнала на блоки информации, представленной в двоичном виде; на приемном конце радиолинии – прием сигнала на всех возможных частотах и для всех возможных кодов псевдослучайных последовательностей, преобразование принятого сигнала в двоичную информационную последовательность и подачу информационного сигнала на оконечное устройство, отличающийся тем, что на передающем конце радиолинии проводят преобразование двоичного числа, составляющего каждый информационный блок, в десятичное, которое, согласно известным на приеме и передаче алгоритмам, преобразуют в два других десятичных числа, последующее преобразование которых согласно другим, отличным от вышеуказанных, известным на приеме и передаче алгоритмам определяют код псевдослучайной последовательности и несущую частоту передатчика; на основе определенного кода псевдослучайной последовательности генерируют сигнал, модулируют его и излучают его в пространство, причем частоту модуляции синтезируют на основе определенной несущей частоты передатчика; на приемном конце радиолинии с помощью частотной фильтрации осуществляют выбор канала, по которому производилась передача; формируют пики автокорреляционных функций принятых сигналов, путем сравнения с пороговым значением определяют максимальное значение пика автокорреляционной функции, по которому выбирают вид псевдослучайной последовательности, по которому определяют номер кода псевдослучайной последовательности; последовательно проводят обратные преобразования; номера кода псевдослучайной последовательности в десятичное число и полученное десятичное число в другое десятичное число согласно вышеуказанным алгоритмам; полученное десятичное число преобразуют в двоичный вид, соответствующий переданной информации.
РИСУНКИ
|
|