|
|
(21), (22) Заявка: 2005100709/09, 12.01.2005
(24) Дата начала отсчета срока действия патента:
12.01.2005
(46) Опубликовано: 27.12.2006
(56) Список документов, цитированных в отчете о поиске:
АЛЬТШУЛЛЕР Г.Б., Кварцевая стабилизация частоты, Москва, Связь, 1974 г, с.133. SU 1485379 A1, 07.06.1989. SU 1573526 A1, 23.06.1990. WO 89/12351 A1 14.12.1989. ЕР 0267332 А1, 18.05.1988. US 4195268, 25.03.1980.
Адрес для переписки:
394018, г.Воронеж, ул. Плехановская, 14, ОАО “Концерн “Созвездие”
|
(72) Автор(ы):
Альтшуллер Григорий Борисович (RU), Иркутский Аркадий Николаевич (RU)
(73) Патентообладатель(и):
Федеральное государственное унитарное предприятие “Воронежский научно-исследовательский институт связи” (RU)
|
(54) ВЫСОКОЧАСТОТНЫЙ КВАРЦЕВЫЙ ГЕНЕРАТОР, УПРАВЛЯЕМЫЙ ПО ЧАСТОТЕ
(57) Реферат:
Изобретение относится к области радиотехники и может быть использовано в радиоаппаратуре различного назначения. Достигаемый технический результат – повышение устойчивости возбуждения на высоких частотах, осуществление дистанционного управления частотой. Высокочастотный кварцевый генератор, управляемый по частоте, содержит два транзистора, управляющий элемент, две катушки индуктивности, семь конденсаторов, семь резисторов, кварцевый резонатор, стабилитрон. 2 ил.
Изобретение относится к области радиотехники и может быть использовано в радиоаппаратуре различного назначения.
Известны кварцевые генераторы, управляемые по частоте, приведенные в следующих источниках: Г.Б.Альтшуллер. «Управление частотой кварцевых генераторов», М., «Связь», 1975, стр.304; Г.Г.Шитиков. «Стабильные автогенераторы метровых и дециметровых волн», М., «Радио и связь», 1983, стр.256.
Недостатком этих генераторов является неспособность обеспечить требования, предъявляемые одновременно к нескольким параметрам выходного сигнала.
Наиболее близким по технической сущности к предлагаемому является устройство, приведенное в кн.: Г.Б.Альтшуллер. «Кварцевая стабилизация частоты», стр.133, рис.8.3б, принятое за прототип.
Схема устройства-прототипа приведена на фиг.1, где обозначено:
1, 2, 10, 11, 14 и 15 – первый – шестой конденсаторы;
3, 9 – первая и вторая катушки индуктивности;
4, 6, 7, 8, 16, 17 – первый – шестой резисторы;
5 – кварцевый резонатор;
12, 13 – первый и второй транзисторы.
Устройство-прототип содержит кварцевый резонатор 5, зашунтированный первым резистором 4, и через первую катушку индуктивности 3 подсоединенный к базе второго транзистора 13, коллектор которого через эмиттер-базу первого транзистора 12 и второй конденсатор 2 подключен к общей шине. В цепь коллектора первого транзистора 12 включен колебательный контур, состоящий из индуктивности 9 с выводом для подключения коллектора транзистора 12, третьего 10 и четвертого 11 конденсаторов, точка соединения которых является выходным выводом генератора, а кроме того, база второго транзистора 13 через четвертый резистор 8 подключена к общей шине. Параллельно резистору 8 включена цепочка из последовательно соединенных пятого 14 и шестого 15 конденсаторов, причем их точка соединения подсоединена к эмиттеру второго транзистора 13 и выводу пятого резистора 16, другой вывод которого соединен с выводом кварцевого резонатора 5 и общей шиной. При этом между базами первого 12 и второго 13 транзисторов включен третий резистор 7. База первого транзистора 12 через второй резистор 6 подключена к точке соединения первого конденсатора 1, шестого резистора 17 и точки соединения катушки индуктивности 9 и третьего конденсатора 10. Вывод конденсатора 1 соединен с общей шиной, а вывод шестого резистора 17 является выводом для напряжения питания.
В коллекторную цепь транзистора 13 включено малое входное сопротивление усилительного каскада с общей базой, собранного на первом транзисторе 12, в коллекторную цепь которого включен колебательный контур из катушки индуктивности 9 и конденсаторов 10 и 11, с общей точки которых снимается выходное напряжение Uвых.
Конденсаторы 14 и 15 осуществляют обратную связь генератора, резисторы 6, 7, 8, 16 и 17 обеспечивают режим транзисторов 12 и 13 по постоянному току
Устройство-прототип работает следующим образом.
При включении устройства в генераторе на транзисторах 12 и 13 возникают незатухающие колебания благодаря обратной связи из конденсаторов 14 и 15. Катушка индуктивности 3 обеспечивает заданную расстройку частоты относительно последовательного резонанса кварцевого резонатора 5.
Недостатками устройства-прототипа являются невозможность дистанционной подстройки частоты, в том числе в режиме автоподстройки частоты, неустойчивая работа на высоких частотах при управлении частотой с использованием кварцевых резонаторов, работающих на высших порядках колебаний, большая величина нестабильности частоты при изменении питающего напряжения, влияние транзисторов на стабильность частоты в интервале рабочих температур и сложность выполнения катушки индуктивности со средним выводом.
Для устранения указанных недостатков в устройство, содержащее кварцевый резонатор, зашунтированный первым резистором, один вывод которого соединен с общей шиной, первый транзистор, эмиттер которого соединен с коллектором второго транзистора, между базами обоих транзисторов включен третий резистор, при этом база первого транзистора подсоединена к точке соединения второго конденсатора и второго резистора, другой вывод которого соединен с точкой соединения первого конденсатора и шестого резистора, другой вывод которого соединен с источником питания, кроме того, другие выводы первого и второго конденсаторов соединены с общей шиной, а также параллельный контур, состоящий из первой катушки индуктивности и последовательно соединенных третьего и четвертого конденсаторов, точка соединения которых является выходным выводом, а точка соединения катушки индуктивности и третьего конденсатора подключена к соответствующему выводу резистора, при этом к базе второго транзистора подсоединены последовательно соединенные пятый и шестой конденсаторы и пятый резистор, другой вывод которого соединен с точкой соединения эмиттера второго транзистора и общей точкой пятого и шестого конденсаторов, причем один вывод четвертого резистора соединен с эмиттером второго транзистора, согласно изобретению введены устройство управления, включенное между базой второго транзистора и другим выводом первого резистора, стабилитрон, включенный между другим выводом четвертого резистора и общей шиной, расстроенный контур, состоящий из параллельно соединенных седьмого конденсатора и второй катушки индуктивности, включенный между точкой соединения шестого конденсатора и пятого резистора и общей шиной, а также седьмой резистор, включенный между коллектором первого транзистора и выводом параллельного контура.
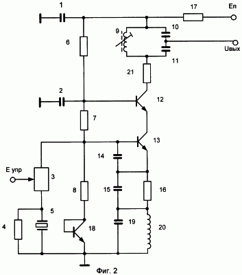
Схема предлагаемого устройства приведена на фиг.2, где обозначено:
1, 2, 10, 11, 14, 15, 19 – первый – седьмой конденсаторы;
3 – управляющий элемент;
9, 20 – первая и вторая катушки индуктивности;
4, 6, 7, 8, 16, 17, 21 – первый – седьмой резисторы;
5 – кварцевый резонатор;
12, 13 – первый и второй транзисторы;
18 – стабилитрон.
Предлагаемое устройство содержит кварцевый резонатор 5, зашунтированный первым резистором 4, и через управляющий элемент 3 подсоединенный к базе второго транзистора 13, коллектор которого через эмиттер-базу первого транзистора 12 и второй конденсатор 2 подключен к общей шине. В цепь коллектора первого транзистора 12 включены последовательно соединенные седьмой резистор 21, параллельный колебательный контур, состоящий из индуктивности 9, третьего 10 и четвертого 11 конденсаторов, причем точка соединения конденсаторов 10 и 11 является выходным выводом генератора. База первого транзистора 12 через второй резистор 6 подключена к точке соединения первого конденсатора 1, шестого резистора 17 и точке соединения катушки индуктивности 9 и третьего конденсатора 10. Другой вывод конденсатора 1 соединен с общей шиной, а другой вывод шестого резистора 17 является выводом для напряжения питания. Кроме того, база первого транзистора 12 через второй конденсатор 2 соединена с общей шиной и через третий резистор 7 – с базой второго транзистора 13, которая через последовательно соединенные четвертый резистор 8 и стабилитрон 18 соединена с общей шиной.
Между базой второго транзистора 13 и общей шиной включена цепочка из последовательно соединенных пятого 14, шестого 15 и седьмого 19 конденсаторов. При этом точка соединения пятого и шестого конденсаторов подключена к эмиттеру второго транзистора 13 и выводу пятого резистора 16, другой вывод которого соединен с точкой соединения шестого 15 и седьмого 19 конденсаторов и через вторую катушку индуктивности 20 – с общей шиной.
Управляющий элемент 3 содержит варикапы, резистор подачи напряжения на них обычно последовательно с варикапами включается последовательное соединение катушки индуктивности и конденсатора, которые служат для выбора заданной расстройки частоты, в большинстве случаев обеспечивается режим работы вблизи последовательного резонанса кварцевого резонатора и может быть реализован, как показано в кн.: Г.Б.Альтшуллер. Н.Н.Елфимов, В.Г.Шакулин. «Кварцевые генераторы: Справочное пособие», М., Радио и связь, 1984. – 232 с.
Предлагаемое устройство работает следующим образом.
При подаче напряжения питания Еп на генератор в нем возникают устойчивые незатухающие колебания на рабочей частоте кварцевого резонатора 5 на заданном порядке колебаний. Устойчивость колебаний обеспечивается тем, что фазовые соотношения выполняются из-за включения расстроенного колебательного контура из конденсатора 19 и катушки индуктивности 20 только на выбранном порядке колебаний кварцевого резонатора. Для частоты кварцевого резонатора 5, работающего на заданном высшем порядке колебаний, контур представляет емкостный характер, обеспечивая на рабочей частоте генератора фазовые соотношения и устойчивую работу во всей области перестройки частоты. Для низших порядков колебаний, в том числе и на первом порядке колебаний, колебательный контур представляет индуктивный характер, фазовые соотношения не обеспечиваются и генератор на низких порядках колебаний кварцевого резонатора не возбуждается.
Включение резисторов 6, 7, 8, 16 и стабилитрона 18 обеспечивает высокую стабильность при изменении напряжения питания Еп, при этом стабилитрон, реализованный транзистором 18 в диодном включении, повышает температурную стабильность частоты. Включение сопротивления 21 между коллектором транзистора 12 и параллельным колебательным контуром повышает устойчивость возбуждения генератора на рабочей частоте, а использование в контуре катушки индуктивности 9 без среднего вывода повышает технологичность ее изготовления.
Включение управляющего элемента 3 между кварцевым резонатором 5 и базой транзистора 13 обеспечивает дистанционную или автоматическую подстройку частоты.
Таким образом, предлагаемое устройство позволяет обеспечить устойчивую работу на заданном порядке колебаний при перестройке частоты и позволяет проводить дистанционное изменение частоты кварцевого генератора, в том числе и в режиме автоподстройки частоты.
Формула изобретения
Высокочастотный кварцевый генератор, управляемый по частоте, содержащий кварцевый резонатор, зашунтированный первым резистором, один вывод которого соединен с общей шиной, первый транзистор, эмиттер которого соединен с коллектором второго транзистора, между базами обоих транзисторов включен третий резистор, при этом база первого транзистора подсоединена к точке соединения второго конденсатора и второго резистора, другой вывод которого соединен с точкой соединения первого конденсатора и шестого резистора, другой вывод которого соединен с источником питания, кроме того, другие выводы первого и второго конденсаторов соединены с общей шиной, а также параллельный контур, состоящий из первой катушки индуктивности и последовательно соединенных третьего и четвертого конденсаторов, точка соединения которых является выходным выводом, а точка соединения катушки индуктивности и третьего конденсатора подключена к соответствующему выводу второго резистора, при этом к базе второго транзистора подсоединены последовательно соединенные пятый и шестой конденсаторы и пятый резистор, другой вывод которого соединен с точкой соединения эмиттера второго транзистора и общей точкой пятого и шестого конденсаторов, причем один вывод четвертого резистора соединен с базой второго транзистора, отличающийся тем, что введены устройство управления, включенное между базой второго транзистора и другим выводом первого резистора, стабилитрон, включенный между другим выводом четвертого резистора и общей шиной, расстроенный контур, состоящий из параллельно соединенных седьмого конденсатора и второй катушки индуктивности, включенный между точкой соединения шестого конденсатора и пятого резистора и общей шиной, а также седьмой резистор, включенный между коллектором первого транзистора и выводом параллельного контура.
РИСУНКИ
MM4A – Досрочное прекращение действия патента СССР или патента Российской Федерации на изобретение из-за неуплаты в установленный срок пошлины за поддержание патента в силе
Дата прекращения действия патента: 13.01.2008
Извещение опубликовано: 20.10.2009 БИ: 29/2009
|
|