|
(21), (22) Заявка: 2005112920/28, 28.04.2005
(24) Дата начала отсчета срока действия патента:
28.04.2005
(46) Опубликовано: 27.12.2006
(56) Список документов, цитированных в отчете о поиске:
RU 2047279 С1, 27.10.1995. RU 2233458 С2, 27.07.2004. ОКОСИ и др. Волоконно-оптические датчики. – Л.: Энергоатомиздат, 1991, с.217-255. E.Udd. Fiber-Optic acoustic sensor based on the Sagnac interferometer. Proc. Soc. Photo-Opt. Instrum. Eng. 1983, 425, p.90-95. SU 447610 A1, 05.10.1976.
Адрес для переписки:
141570, Московская обл., Солнечногорский р-н, п/о Менделеево, ФГУП “ВНИИФТРИ”
|
(72) Автор(ы):
Маслов Валерий Константинович (RU), Власов Юрий Николаевич (RU), Цыганков Сергей Григорьевич (RU)
(73) Патентообладатель(и):
Федеральное государственное унитарное предприятие “Всероссийский научно-исследовательский институт физико-технических и радиотехнических измерений” (ФГУП “ВНИИФТРИ”) (RU)
|
(54) ВОЛОКОННО-ОПТИЧЕСКОЕ УСТРОЙСТВО ДЛЯ КОНТРОЛЯ ПОСТОЯНСТВА ТЕМПЕРАТУРЫ ЖИДКОЙ СРЕДЫ
(57) Реферат:
Изобретение относится к измерительной технике и может быть использовано в термостатах для контроля постоянства температуры жидкой среды. Технический результат – повышение надежности. Для достижения данного результата в жидкой среде располагают две волоконные катушки волоконно-оптического интерферометра (ВОИ). Напротив волоконных катушек ВОИ располагают гидроакустический излучатель (ГИ), подключенный к генератору гармонических колебаний (ГГК). Расстояние между волоконными катушками ВОИ и частоту ГГК подбирают такими, чтобы звуковая волна от ГИ попадала на обе волоконные катушки в одной фазе. При этом на выходе ВОИ наблюдается нулевой сигнал. 2 з.п. ф-лы, 1 ил.
Изобретение относится к измерительной технике и может быть использовано в термостатах для контроля постоянства температуры жидкой среды.
Известно устройство аналогичного направления, которое может быть использовано для решения поставленной задачи, содержащее волоконно-оптический интерферометр (ВОИ), включающий в себя источник когерентного света и фотоприемник, оптически согласованные через две волоконные катушки, а также гидроакустический излучатель гармонических колебаний, установленный напротив волоконных катушек ВОИ и подключенный к генератору гармонических колебаний (ГГК), усилитель фототока, полосовой фильтр и регистратор температуры, при этом выход фотоприемника подключен к последовательно соединенным усилителю фототока и полосовому фильтру /Патент РФ №2047279, кл. H 04 R 1/44, 1995/.
Данное волоконно-оптическое устройство (ВОУ) принято за прототип.
Недостатком прототипа является его сложность, связанная с необходимостью металлизации одной из волоконных катушек.
Техническим результатом, получаемым от внедрения изобретения, является упрощение устройства путем изготовления катушек ВОИ из обычного волокна без его металлизации.
Данный технический результат достигают за счет того, что известное ВОУ для контроля постоянства жидкой среды, содержащее ВОИ, включающий в себя источник когерентного света и фотоприемник, оптически согласованные через две волоконные катушки, а также гидроакустический излучатель (ГИ) гармонических колебаний, установленный напротив волоконных катушек и подключенный к ГГК, усилитель фототока, полосовой фильтр и регистратор температуры, при этом выход фотоприемника подключен к последовательно соединенным усилителю фототока и полосовому фильтру, дополнительно содержит нуль-индикатор, а ГГК и полосовой фильтр выполнены перестраиваемыми по частоте, при этом выход полосового фильтра подключен к нуль-индикатору, а управляемый вход – к выходу ГГК, соединенного также с регистратором температуры.
ВОУ может также содержать фазосдвигающее устройство, установленное в одной из волоконных катушек.
Волоконные катушки ВОИ выполнены с возможностью изменения расстояния между ними.
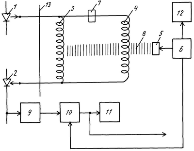
Изобретение поясняется чертежом, на котором представлена схема ВОУ.
ВОУ содержит источник 1 когерентного света и фотоприемник 2, оптически согласованные через две волоконные катушки 3 и 4 в интерферометр.
Имеется также ГИ 5 гармонических колебаний, установленный напротив волоконных катушек 3, 4 ВОИ, подключенный к ГГК 6.
В одной из волоконных катушек ВОИ, например в волоконной катушке 4, расположено фазосдвигающее устройство 7.
Волоконные катушки 3, 4 выполнены с возможностью изменения расстояний между ними вдоль направления распространения акустической волны 8.
Выход фотоприемника 2 подключен через последовательно соединенные усилитель 9 фототока и перестраиваемый полосовой фильтр 10 к нуль-индикатору 11.
Управляемый вход полосового фильтра подсоединен к выходу ГГК 6, подключенного также к регистратору 12 температуры.
Выход полосового фильтра 10 соединен с управляемым входом регистратора температуры (на чертеже не показан).
Элементы ВОУ 3, 4, 5, 7 расположены в контролируемой жидкости и условно отделены от остальных элементов и блоков устройства стенкой 13.
ВОУ работает следующим образом. Перед началом эксперимента расстояние между волоконными катушками 3, 4 ВОИ и частоту гармонических колебаний ГГК 6 подбирают такими, чтобы для заданной температуры среды звуковая волна 8 приходила на волоконные катушки 3, 4 в одной фазе.
Амплитуду звуковой волны 8 задают такой, чтобы входной сигнал не превышал квазилинейного участка преобразования ВОИ. (Первоначальную разность фаз интерферирующих лучей задают с помощью фазосдвигающего устройства 7 равной 90°).
Для этих условий на выходе фотоприемника 2 наблюдается нулевой сигнал, регистрируемый нуль-индикатором 11.
Если температура жидкости изменилась, звуковая волна 8 будет приходить на волоконные катушки 3, 4 в различных фазах и на выходе фотоприемника 9 ВОИ появится сигнал на частоте ГГК 6. Этот сигнал отфильтровывается полосовым фильтром 10 и поступает помимо нуль-индикатора 11 на регулятор температуры (на чертеже не показан), который восстанавливает температуру жидкости до прежнего значения.
Для другого значения температуры жидкости подбираются иные расстояния между волоконными катушками 3, 4 и частоты ГГК 6.
При этом на регистратор 12 поступает сигнал, пропорциональный значениям температуры жидкости. Для удобства пользования регистратор 12 градуируется в единицах температуры для различных расстояний между волоконными катушками 3, 4.
Формула изобретения
1. Волоконно-оптическое устройство для контроля постоянства температуры жидкой среды, содержащее волоконно-оптический интерферометр, включающий в себя источник когерентного света и фотоприемник, оптически согласованные через две волоконные катушки, а также гидроакустический излучатель гармонических колебаний, установленный напротив волоконных катушек и подключенный к генератору гармонических колебаний, усилитель фототока, полосовой фильтр и регистратор температуры, при этом выход фотоприемника подключен к последовательно соединенным усилителю фототока и полосовому фильтру, отличающееся тем, что дополнительно содержит нуль-индикатор, а генератор гармонических колебаний и полосовой фильтр выполнены перестраиваемыми по частоте, при этом выход полосового фильтра подключен к нуль-индикатору, а управляемый вход – к выходу генератора гармонических колебаний, соединенного также с регистратором температуры.
2. Волоконно-оптическое устройство по п.1, отличающееся тем, что дополнительно содержит фазосдвигающее устройство, установленное в одной из волоконных катушек.
3. Волоконно-оптическое устройство по п.1, отличающееся тем, что волоконные катушки интерферометра выполнены с возможностью изменения расстояния между ними.
РИСУНКИ
MM4A – Досрочное прекращение действия патента СССР или патента Российской Федерации на изобретение из-за неуплаты в установленный срок пошлины за поддержание патента в силе
Дата прекращения действия патента: 29.04.2008
Извещение опубликовано: 10.06.2010 БИ: 16/2010
|