|
|
(21), (22) Заявка: 2005102006/28, 28.06.2003
(24) Дата начала отсчета срока действия патента:
28.06.2003
(30) Конвенционный приоритет:
28.06.2002 US 60/392,380
(43) Дата публикации заявки: 27.06.2005
(46) Опубликовано: 27.12.2006
(56) Список документов, цитированных в отчете о поиске:
US 6131453 А, 17.10.2000. JP 10206204 A, 07.08.1998. RU 2030717 C1, 10.03.1995. RU 2018090 C1, 15.08.1994. US 5703288 A, 30.12.1997. КРЕМЛЕВСКИЙ П.П. Расходомеры и счетчики количества. Справочник. Изд.4. – Л.: Машиностроение, 1989, с.386-389.
(85) Дата перевода заявки PCT на национальную фазу:
28.01.2005
(86) Заявка PCT:
US 03/20412 (28.06.2003)
(87) Публикация PCT:
WO 2004/003483 (08.01.2004)
Адрес для переписки:
129010, Москва, ул. Б.Спасская, 25, стр.3, ООО “Юридическая фирма Городисский и Партнеры”, пат.пов. Ю.Д.Кузнецову, рег.№ 595
|
(72) Автор(ы):
ВИНЧ Крейг (US), ГИБСОН Джеймс (US), ПАРСОНС Джеймс Д. (US), ФЕЛЬМАН Томас (US)
(73) Патентообладатель(и):
ХИТРОНИКС (US)
|
(54) МАССОВЫЙ РАСХОДОМЕР С ДАТЧИКАМИ ТЕМПЕРАТУРЫ
(57) Реферат:
В массовом расходомере для определения расхода текучей среды использованы четыре раздельных датчика температуры в виде чипов. Каждый датчик может представлять собой полупроводниковый чип из SiC или кремния, или тонкую вольфрамовую пленку на подложке AlN. Датчики могут располагаться симметрично относительно трубопровода, по которому движется текучая среда, и собраны по мостовой схеме. Нагрев текучей среды осуществляется датчиками при подведении к мостовой схеме тока, поступающего от электронной схемы. Выходной сигнал электронной схемы может быть использован для регулирования потока текучей среды с помощью управляющего клапана. Изобретение обеспечивает повышение точности измерения при одновременном упрощении конструкции расходомера. 8 з.п. ф-лы, 11 ил.
Область техники
Настоящее изобретение относится к массовым расходомерам, а более точно к датчикам температуры в виде чипов и четырехдатчиковым мостовым схемам для массовых расходомеров.
Предшествующий уровень техники
Для измерения скорости потока жидкостей или газов используются различные способы. Все они могут быть разделены на две категории: те, в которых измеряется объемный расход, и те, в которых измеряется массовый расход. Примером объемного расходомера является коническая труба со смещающимся поплавком при прохождении через нее газа или жидкости. В случае отсутствия потока поплавок остается в нижней части трубы, перекрывая более узкий ее конец. Когда по трубе перемещается поток текучей среды, поплавок поднимается пропорционально объемному расходу.
Принципиальной проблемой для объемных расходомеров является измерение расхода газа. Изменения давления или температуры газа могут приводить к неточностям при определении расхода потока.
Массовые расходомеры (МР) обычно используются для управления клапаном, который управляет расходом жидкости по трубопроводу; сочетание МР и клапана принято рассматривать как контроллер (регулятор) массового расхода (КМР). Эти устройства используются во многих системах, где требуется точное управление расходом газа или жидкости, например, в технологии обработки полупроводников для подачи тех газов, атомы которых используются для выращивания или легирования полупроводниковых материалов, т.е., где расход газа является определяющим параметром для конечного продукта. Применение КМР в полупроводниковой технологии раскрыто в “Материалах рабочей группы по управлению и измерениям массового расхода в полупроводниковой технологии” (NIST, 15-16 мая 2000, публикация трудов 20 мая 2000). Преимущество КМР над измерением объемного расхода заключается в том, что ошибки, связанные с изменениями давления потока и температуры, не оказывают существенного влияния на точность определения массового расхода. Известные типы КМР представляют собой погружные тепловые КМР, тепловые КМР и КМР по разности давлений.
Тепловые КМР наиболее часто используются в полупроводниковой технологии. Они могут быть изготовлены из относительно недорогих компонентов и представляют собой хороший компромисс между ценой и требуемыми рабочими характеристиками. В случае погружных КМР один или несколько датчиков располагаются непосредственно вдоль потока, причем если используется КМР с капиллярной трубкой, то капиллярная трубка располагается параллельно основному трубопроводу, а также один или несколько датчиков располагаются на внешней стороне трубы.
В погружных тепловых КМР погружаемый датчик температуры также действует как нагреватель при протекании через него электрического тока. В отсутствие потока текучей среды датчик температуры находится при некоторой известной постоянной температуре. Протекающая среда отводит тепло и понижает температуру датчика. Регистрируемое при этом падение температуры пропорционально массовому расходу текучей среды. Датчик может быть заключен в защитную капсулу для тех применений, когда есть опасность загрязнения потока текучей среды материалом датчика, или же наоборот – сам датчик может быть загрязнен потоком.
В альтернативном варианте погружаемого теплового КМР нагреватель опускается сверху по течению, а датчик температуры вводится снизу. Величина, на которую температура потока в месте нахождения датчика повышается вследствие воздействия верхнего (по течению) нагревателя, может коррелировать с массовым расходом текучей среды.
В тепловых устройствах КМР с капиллярной трубкой некоторая часть входящего потока направляется через нагреваемую капиллярную трубку, а другая часть пропускается мимо. Трубка нагревается металлической проволокой, намотанной на ее внешнюю поверхность в верхней (по течению) части, а температура регистрируется обмоткой на нижней (по течению) части. Обычно используется платиновая проволока, поскольку хорошо известно изменение ее сопротивления с изменением температуры, ее можно использовать и как нагреватель, и как датчик температуры. Некоторые производители устройств КМР используют тонкопленочные платиновые термометры сопротивления, образованные тонкой платиновой пленкой на тонкой диэлектрической пленке (обычно окись алюминия), нанесенной на внешнюю поверхность капиллярной трубки. Именно платиновая тонкая пленка изменяет свое сопротивление в зависимости от температуры.
Захваченный капиллярной трубкой газ поглощает некоторое количество тепла от верхней обмотки. При отсутствии протекающего газа трубка будет нагреваться однородно и верхние и нижние (по течению) датчики будут регистрировать одинаковую температуру. Как только газ начинает протекать через трубку, то поглощаемое им тепло охлаждает верхнюю (по течению) часть трубки и нагревает нижнюю (по течению) ее часть; разность температур при этом увеличивается с увеличением расхода газа. Встроенная или удаленная электроника обеспечивает напряжение питания или ток для датчиков, а также регистрацию их отклика. Например, если используется токовый режим, то регистрируется падение напряжения на обмотке, из чего и определяется сопротивление обмотки. Поскольку сопротивление датчика изменяется как известная функция температуры, то температура датчика может быть определена по его току и падению напряжения на нем.
Тепловые устройства КМР могут быть либо приборами постоянного тока, либо приборами постоянной температуры. В приборах постоянного тока датчики температуры электрически соединены в виде двух резистивных элементов по мостовой схеме; другие элементы являются пассивными резисторами. Постоянный ток преобразуется в тепло резисторами датчика, обеспечивая постоянный температурный градиент вдоль капиллярной трубки.
В приборах постоянной температуры датчики соединены по двухдатчиковой мостовой схеме, но электроника КМР обеспечивает постоянное напряжение, а не постоянный ток в мостовой схеме. Поток текучей среды в трубке приводит к понижению температуры верхнего (по течению) датчика и, соответственно, к понижению его сопротивления (для датчика с положительным температурным коэффициентом), что приводит к увеличению протекающего через него тока. Увеличение питающего тока влечет за собой выделение большего количества тепла, которое компенсирует потери тепла в текучей среде. Дополнительный ток пропорционален массовому расходу текучей среды. Именно платина обычно используется в качестве чувствительного элемента.
Имеющиеся в настоящее время устройства КМР несмотря на их широкое применение имеют следующие недостатки: относительно высокий температурный дрейф датчика, низкую чувствительность, большое время отклика, трудности, связанные с производством очень тонкой платиновой проволоки, необходимость дополнительной электроники для измерения электрических откликов низкочувствительных датчиков температуры, погрешности электрической схемы для низкочувствительных датчиков температуры при использовании их в соединении с высокочувствительными датчиками.
Краткое изложение существа изобретения
Задачей настоящего изобретения является создание массового расходомера с датчиками в виде чипа, в котором устранены указанные недостатки.
Согласно первому аспекту настоящего изобретения поставленная задача решена путем создания массового расходомера, в котором по меньшей мере четыре взаимно разнесенных датчика температуры размещены для регистрации температуры текучей среды, протекающей по трубопроводу, и соединены в четырехдатчиковую мостовую схему для регистрации массового расхода текучей среды. Датчики разделены и распределены симметрично относительно трубопровода, предпочтительно по паре датчиков на противоположных сторонах трубопровода в каждой из двух позиций вдоль направления потока.
Согласно другому аспекту изобретения датчики температуры представляют собой раздельные элементы в виде чипов. Полупроводниковые материалы для датчиков представляют собой SiC или кремний с оксидной прослойкой между чипом и трубопроводом в случае электропроводящего материала трубопровода, а также тонкая вольфрамовая пленка на подложке AlN. Датчики могут быть закрыты электроизолирующей пленкой, а электрическое соединение может быть размещено с обратной стороны пленки и проходить через нее для соединения с датчиками. Датчики могут быть закреплены на трубопроводе посредством слоев TiW или Ni, наносимых и на датчик, и на трубопровод, каждый из слоев поддерживается слоем Au. Датчики могут иметь различные положения, включая внешнюю поверхность трубопровода, внутреннюю поверхность трубопровода, в пределах открытой части на стенке трубопровода, а также внутри трубопровода.
Датчик в виде чипа позволяет симметрично разместить множество датчиков вокруг трубопровода, причем как в одном месте, так и во многих местах вдоль потока текучей среды. Симметричное размещение позволяет более точно регистрировать температуру и предпочтительно как в случае четырехдатчиковых мостовых схем, так и для других конфигураций МР, использующих одну или несколько пар датчиков.
Описываемое устройство МР может быть применено для управления потоком текучей среды по трубопроводу путем приложения его выходного сигнала к клапану управления трубопровода.
Краткое описание чертежей
Эти и другие особенности и преимущества изобретения будут ясны специалистам из нижеследующего подробного описания изобретения со ссылками на сопровождающие чертежи, на которых:
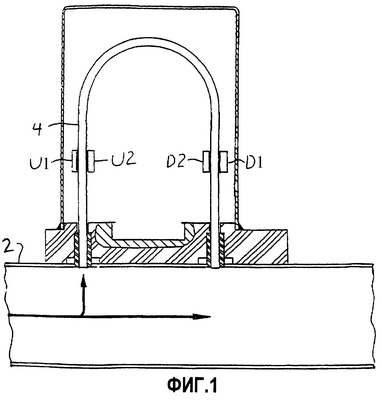
Фиг.1 изображает капиллярную трубку массового расходомера (МР) (продольный разрез) согласно изобретению;
Фиг.2 – четырехдатчиковую мостовую схему, обеспечивающую выходной сигнал МР в виде отклика датчиков, согласно изобретению;
Фиг.3 – диаграмму линейной зависимости температуры между верхним и нижним (по течению) датчиками и выходным сигналом моста согласно изобретению;
Фиг.4 – общий вид датчиков температуры в виде чипов, встроенных в четырехдатчиковый мост МР, согласно изобретению;
Фиг.5 – разрез по плоскости V-V на фиг.4 конструкции, но вместе с изолирующей муфтой вокруг датчиков согласно изобретению;
Фиг.6 – общий вид конфигурации датчика в виде чипа с тонкопленочным вольфрамовым датчиком на подложке AlN согласно изобретению;
Фиг.7 – вид в разрезе чипа датчика, смонтированного на внутренней стенке трубопровода, согласно изобретению;
Фиг.8 – вид в разрезе и принципиальную схему датчика, установленного в отверстии на трубопроводе, согласно изобретению;
Фиг.9а – вид в разрезе датчика МР, установленного на защитном экране внутри трубопровода, согласно изобретению;
Фиг.9b – разрез по линии 9b-9b на фиг.9а согласно изобретению;
Фиг.10 – разрез датчика, размещенного в потоке в трубопроводе, согласно изобретению;
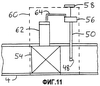
Фиг.11 – разрез КМР, содержащего МР, согласно изобретению.
Подробное описание предпочтительных вариантов воплощения изобретения
Капиллярная трубка массового расходомера МР представлена на фиг.1. Небольшая часть потока текучей среды из основного трубопровода 2 отводится в капиллярную трубку 4; конструкция основного трубопровода и капиллярной трубки может быть традиционной. Профили основного трубопровода и капиллярной трубки прецизионно обработаны для обеспечения равенства скоростей их потоков. Однако вместо применявшейся ранее обмотки из платиновой проволоки на капиллярной трубке предусмотрены две пары датчиков температуры в виде чипов – U1 и U2, расположенные на трубке сверху (по течению), и D1 и D2, расположенные на трубке снизу (по течению). Датчики обеих пар предпочтительно расположены симметрично с интервалом 180°, т.е. на противоположных сторонах трубки. Это дает возможность более точно регистрировать температуру текучей среды внутри трубки в том случае, когда температура несколько изменяется от одной стенки трубки к другой. Если же, например, разместить датчики на горизонтальном участке капиллярной трубки, а не на вертикальных участках (как показано), то возрастающее тепло будет приводить к тому, что верхний датчик будет регистрировать несколько более высокую температуру, а нижний датчик – несколько более низкую. Симметричное расположение датчиков минимизирует это различие, а также позволяет более равномерно подвести тепло в трубопровод. Стенка капиллярной трубки имеет высокую теплопроводность, и поэтому датчики очень точно определяют температуру жидкости (газа) в трубке; с этой целью обычно используют нержавеющую сталь.
На фиг.2 показана четырехдатчиковая мостовая схема, используемая для определения массового расхода текучей среды в капиллярной трубке (фиг.1). Мостовая схема состоит из левой и правой ветвей, а каждая из них имеет верхнюю и нижнюю часть. Левая ветвь содержит пару датчиков, причем верхний (по течению) датчик U2 в верхней части ветви, а нижний (по течению) датчик D2 – в нижней части ветви. Правая ветвь также состоит из верхнего и нижнего (по течению) датчиков, но с обратным относительным включением в мостовую схему; нижний (по течению) датчик D1 в верхней части, а верхний (по течению) датчик U1 – в нижней части. Рабочий ток от источника I1 питания подается на верхнюю по схеме точку моста и, протекая через мост, замыкается на земляную шину через резистор R. Выходные сигналы моста представляют собой напряжения V01 и V02 в местах соединений элементов D1 и U1 на правой ветви и U2 и D2 на левой ветви, соответственно.
Каждый датчик имеет такую же структуру, что и другие, и поэтому они имеют один и тот же температурный коэффициент сопротивления. Поток текучей среды в капиллярной трубке способствует передаче тепла от верхних (по течению) датчиков U1 и U2 к нижним (по течению) датчикам D1 и D2. Таким образом, для датчиков с положительным температурным коэффициентом сопротивления это будет приводить к более высоким значениям сопротивления для D1/D2, чем для U1/U2. Общее сопротивление левой ветви моста будет оставаться равным общему сопротивлению его правой ветви, и через каждую из ветвей будут протекать равные токи. Однако вследствие различия в значениях конкретных сопротивлений верхняя часть правой ветви будет давать большее падение напряжения на D1, чем падение напряжения на нижней части U1, и, напротив, верхняя часть левой ветви будет давать меньшее падение напряжения на U2, чем падение напряжения на нижней части D2. Таким образом, на точке V01 будет более высокий уровень напряжения, чем на точке V02, а разность напряжений будет представлять собой массовый расход.
Схема на фиг.2 обеспечивает большую чувствительность, нежели предшествующая двухдатчиковая мостовая схема, поскольку падение напряжения V02 добавляется к V01 и, тем самым, повышается отклик на поток текучей среды, т.е. при этом возрастает полезный эффект. Было установлено, что успешный мониторинг массового расхода может быть получен на этой схеме без усиления датчиковых выходных сигналов.
На фиг.3 показано избыточное напряжение выходного сигнала как функции разности температур между верхним и нижним (по течению) датчиками для четырехдатчиковой мостовой схемы. Диаграмма практически линейная, так что достаточно определить только две точки на диаграмме, чтобы знать расход в пределах всего линейного интервала, при этом отпадает необходимость в более сложном уравнении, которое могло бы быть вложено в микропроцессорный микрочип.
На фиг.4 показано расположение датчиков температуры в виде чипов на трубопроводе 4 для текучей среды в соответствии с изобретением. Предпочтительны чипы из SiC или кремниевые; они имеют одинаковую чувствительность в положительных областях их температурных коэффициентов сопротивления. Материал SiC может работать без диффузии при более высоких температурах, нежели кремний. Могут применяться и другие полупроводниковые материалы, но их использование в общем случае затруднено, они не образуют естественных окислов, они не более чувствительны, нежели SiC или кремний. Площадки 6 электрических контактов, представляющие собой металлизированные пленки на противоположных краях каждого чипа, дают возможность присоединения к чипам электрических проводов для подачи питающих напряжений или токов и для регистрации отклика чипов.
Показанное на фиг.4 расположение подводящих проводов соответствует четырехэлементной мостовой схеме на фиг.2, в которой один край верхнего (по течению) чипа U1 соединен проводником 8 с нижним (по течению) краем нижнего (по течению) чипа D2, верхний (по течению) край другого верхнего (по течению) чипа U2 соединен проводником 10 с нижним (по течению) краем другого нижнего (по течению) чипа D1, внешние края U1 и D1 соединены между собой проводником 12, внешние края U2 и D2 соединены между собой проводником 14, источник I1 присоединен к проводнику 10, резистор R соединен с проводником 8, напряжение V01 снимается с проводника 12, a V02 – с проводника 14. Хотя проводники 12 и 14 показаны короткими, на практике их длины могут быть значительно увеличены с помощью штыревых соединений. Это может увеличить длину каналов передачи тепла между соединенными чипами так, что эти соединения можно считать по существу не теплопроводящими при регистрации массового расхода, т.е. тем самым устраняется дополнительный тепловой канал между чипами, который мог бы мешать измерениям. Прочие соединения могут быть организованы подобным же образом.
На фиг.5 показан разрез симметрично установленных чипов U1 и U2 на трубопроводе 4. Электроизоляционные, но теплопроводящие слои 16-1 и 16-2 образованы на плоскостях чипов U1 и U2, соответственно и служат для обеспечения непосредственного контакта электропроводящих чипов с трубопроводом 4 из нержавеющей стали и связующим материалом, исключая возможность электрического закорачивания. Электроизоляционные слои 16-1 и 16-2 могут быть образованы на датчиках по интегральной технологии. В случае использования для датчиков SiC или кремния электроизоляционные слои предпочтительно формируются оксидированием обращенных к трубопроводу поверхностей чипов.
Теплопроводящим связующим материалом 18 датчики в виде чипов приклеиваются к трубопроводу. Если связующий материал, обычно припой, не может непосредственно сцепляться с оксидом чипа и материалом трубопровода, то вначале на эти поверхности наносится промежуточный связующий материал. Связующий материал 18 (фиг.5) представляет собой эвтектический припой золото/олово, который не сцепляется непосредственно с электроизоляционными слоями 16-1 и 16-2 или с трубкой 4 из нержавеющей стали. Для получения хорошей связи пленки 20-1 и 20-2 из TiW или Ni (предпочтительно толщиной 400-1500 ангстрем) наносятся на верхний и нижний оксидные слои чипа 16-1 и 16-2, соответственно. Подобные же пленки 20-3 из TiW или Ni наносятся на внешнюю поверхность трубки 4. Пленки 22-1, 22-2 и 22-3 из золота (Au), предпочтительно толщиной 4000-25000 ангстрем, наносятся затем на промежуточные пленки 20-1, 20-2 и 20-3 из TiW или Ni, соответственно. Эвтектический припой золото/олово 18, сцепляющийся с поверхностями Au, может затем быть использован для присоединения двух чипов U1 и U2 к противоположным сторонам трубки 4. Золото предпочтительно использовать в качестве связующего материала, поскольку оно имеет очень высокую теплопроводность и с трудом оксидируется. Многие припои пригодны для соединения золото-золото.
Для большей защиты общей сборки и для обеспечения дополнительной фиксации датчиков на своих местах сборка может быть покрыта изолирующей муфтой, такой как эластичная полиимидная пленка марки KAPTON® E.I.DuPont de Nemours and Company. Металлизированные контактные площадки нанесены или напечатаны на внешней поверхности муфты заподлицо с контактами датчика. Когда сборка нагревается, металл контакта перемещается через муфту для стыковки с контактами датчика, тем самым обеспечивая возможность для внешнего электрического доступа к датчикам.
Другая удачная конфигурация датчикового чипа состоит из вольфрамовой тонкой пленки 28 (фиг.6), нанесенной в качестве датчикового элемента на изолирующую подложку 30 из AlN. Вольфрамовый проводник предпочтительно имеет змееобразную форму на подложке 30 для обеспечения равномерного распределения тепла при протекании через него нагревающего тока и с обеих сторон заканчивается парой разнесенных контактных площадок 32. Вольфрам обеспечивает высокую тепловую чувствительность и допускает работу в широком интервале температур при его использовании в сочетании с подложкой AlN, поскольку они имеют близкие коэффициенты теплового расширения. Тонкая вольфрамовая пленка обычно имеет толщину 10-1000 микрон.
Датчик 34 размещен (фиг.7) вдоль внутренней стенки трубопровода 4. Датчик закреплен на стенке аналогично внешнему датчику, но с дополнительной электроизоляционной пленкой между датчиком и стенкой трубопровода или без нее в зависимости от используемого для датчика материала. Соединительные провода 36 датчика могут быть выведены удаленно, вдоль трубопровода или непосредственно через вкладыши в стенке трубопровода. Показанное расположение датчика внутри трубопровода обеспечивает очень быстрое и точное определение температуры потока в трубопроводе, но при этом требуется, чтобы ни датчик, ни закрепляющий его материал не вступали в реакцию с текучей средой.
На фиг.8 показан альтернативный монтаж датчика 36, когда датчик закреплен в пределах отверстия в стенке трубопровода 4 так, что его поверхность, являясь частью внутренней поверхности трубопровода, нагревается непосредственно текучей средой. Контакты 38 датчика находятся на внешней поверхности и легко доступны. Датчик и отверстие в трубопроводе, в котором он находится, должны быть достаточно малыми, чтобы датчик не слишком сильно выступал в трубопроводе и чтобы по его краям был хороший скрепляющий шов, обеспечивающий хорошую фиксацию датчика и предотвращающий потери текучей среды из трубопровода.
Датчик может быть частью четырехэлементного мостика, как это описано выше, или верхним или нижним (по течению) элементом двухдатчикового МР, или функционировать отдельно в однодатчиковом МР. Источник 12 тока подает ток на датчик, а вольтметр 40 регистрирует напряжение отклика датчика на поданный ток. Сравнение поданного тока и измеренного напряжения дает сопротивление датчика; его можно сравнивать или с его же сопротивлением при нулевом потоке, или с сопротивлением верхнего или нижнего (по течению) датчика и определять массовый расход текучей среды в трубопроводе.
Для предотвращения реакции текучей среды с датчиком или с закрепляющим его веществом, а также предохранения датчика и/или предохранения текучей среды от загрязнения датчик 42 в виде чипа (фиг.9а и 9b) может быть закреплен за защитным экраном 44, образующим закрытый герметичный отсек в трубопроводе 4. Для трубопровода из нержавеющей стали, экран 44 предпочтительно также делать из нержавеющей стали. Соединительные провода 46 от датчика могут протягиваться через изоляторы (не показаны) в стенке трубопровода.
На фиг.10 показан тепловой массовый расходомер МР погружного типа, в котором полупроводниковый или термисторный датчик 48 в виде чипа удерживается в потоке текучей среды трубопровода 4 на конце керамического кронштейна 50. Кронштейн содержит электрические соединения 52, представляющие собой тонкие пленки напыленного металла и позволяющие подвести питающие напряжение или ток к датчику 48, а также позволяющие встроенной или удаленной электронике МР регистрировать сопротивление датчика.
На фиг.11 показан КМР, использующий погружной МР, хотя он также может быть применен с любым другим МР. Клапан 54 управления потоком расположен сверху (по течению) относительно погруженного датчика 48, а параметры датчика напряжение-ток отслеживаются электронным блоком 56 при передаче их по соединительным проводникам (не показаны) на кронштейне 50. Электрический интерфейс 58 снаружи корпуса 60 обеспечивает для КМР электрические входные и выходные сигналы. Электронный блок 56 обеспечивает сигнал для привода 62 регулирующего клапана через соединительные провода 64 для управления работой клапана в зависимости от массового расхода текучей среды, тем самым позволяя поддерживать массовый расход на желаемом уровне, несмотря на такие возмущения, как различия в давлениях или температурах в верхней и нижней (по течению) частях трубопровода.
Хотя частные конструктивные особенности изобретения были показаны и описаны, специалистом в данной области может быть реализовано множество вариантов и альтернативных решений.
Формула изобретения
1. Конструкция массового расходомера (МР), содержащая трубопровод (4) для текучей среды, четыре отдельных и взаимно разнесенных датчика (U1, U2, D1, D2) температуры для определения температуры потока текучей среды в трубопроводе в ответ на приложенный электрический сигнал, причем указанные датчики нагревают текучую среду, протекающую по трубопроводу при прохождении приложенного сигнала и подключены по мостовой схеме с 4 датчиками для определения массового расхода среды, протекающей по трубопроводу, электронную схему (56), предназначенную для возбуждения указанных датчиков и для нагрева текучей среды, протекающей по трубопроводу, и для определения массового расхода текучей среды, как функции сигналов от датчиков.
2. Конструкция МР по п.1, отличающаяся тем, что датчики размещены симметрично относительно трубопровода.
3. Конструкция МР по п.1, отличающаяся тем, что датчики содержат пару верхних по течению датчиков (U1, U2) и пару нижних по течению датчиков (D1, D2), которые подключены для определения массового расхода текучей среды как функции разности температур между верхними и нижними по течению датчиками.
4. Конструкция МР по п.3, отличающаяся тем, что мостовая схема имеет две ветви, сторону токового входа и сторону токового выхода, при этом каждая ветвь содержит верхний и нижний по течению датчики, причем верхний по течению датчик (U2) одной из ветвей расположен на стороне токового входа мостовой схемы, а верхний по течению датчик (U1) другой из ветвей расположен на стороне токового выхода.
5. Конструкция МР по п.1, отличающаяся тем, что датчики обеспечивают нагрев текучей среды в ответ на подведенный к мостовой схеме ток.
6. Конструкция МР по п.5, отличающаяся тем, что датчики имеют равные сопротивления при одинаковой температуре.
7. Конструкция МР по п.1, отличающаяся тем, что каждый из датчиков температуры выполнен в виде чипа.
8. Конструкция МР по п.1, отличающаяся тем, что указанные датчики содержат тонкую вольфрамовую пленку (28) на соответствующей подложке AlN (30).
9. Конструкция МР по п.1, отличающаяся тем, что содержит управляющий клапан (54), предназначенный для регулирования потока текучей среды по трубопроводу под управлением электронной схемы.
РИСУНКИ
MM4A – Досрочное прекращение действия патента СССР или патента Российской Федерации на изобретение из-за неуплаты в установленный срок пошлины за поддержание патента в силе
Дата прекращения действия патента: 29.06.2009
Извещение опубликовано: 20.07.2010 БИ: 20/2010
|
|