|
|
(21), (22) Заявка: 2005119394/11, 22.06.2005
(24) Дата начала отсчета срока действия патента:
22.06.2005
(46) Опубликовано: 27.12.2006
(56) Список документов, цитированных в отчете о поиске:
RU 2248291 С2, 20.03.2005. RU 2090420 C1, 20.09.1997. RU 2181680 C1, 27.04.2002. RU 2139215 C1, 10.10.1999.
Адрес для переписки:
129626, Москва, ул. 3-я Мытищинская, 10, стр.8, ООО “Желдорконсалтинг”, Генеральному директору Б.В. Мильготину
|
(72) Автор(ы):
Кравцов Юрий Александрович (RU), Никифоров Борис Данилович (RU), Правдолюбов Андрей Эвальдович (RU), Чепелев Дмитрий Николаевич (RU)
(73) Патентообладатель(и):
Общество с ограниченной ответственностью “Желдорконсалтинг” (RU)
|
(54) УСТРОЙСТВО КОРРЕКТИРОВКИ ЛИНЕЙНОЙ КООРДИНАТЫ НАХОЖДЕНИЯ ПОЕЗДА
(57) Реферат:
Изобретение относится к области управления движением на железных дорогах и может быть использовано в системах автоведения поездов для уточнения их местоположения. К вычислительному блоку подключен датчик пути и скорости, установленный на оси колесной пары локомотива или головного вагона электропоезда и связанный с этой осью поводковой муфтой. Две последовательно соединенные приемные катушки установлены на тележке локомотива или головного вагона электропоезда. Свободные выводы катушек подключены ко входу локомотивного приемника, выход которого через первый блок сопряжения подключен к вычислительному блоку. На буксовом узле локомотива или головного вагона электропоезда установлен датчик ускорений, который через второй блок сопряжения подключен к вычислительному блоку. Предусмотрен приемник сигналов путевых генераторов системы автоблокировки, вход которого подключен либо к свободным выводам имеющихся приемных катушек, либо к свободным выводам отдельных дополнительных приемных катушек со встречно-последовательно включенными обмотками. Выход приемника через третий блок сопряжения подключен к вычислительному блоку. Предложенное устройство обладает высокой точностью измерения линейной координаты как на участках пути с изолирующими стыками между смежными блок-участками, так и на бесстыковых участках пути, а также высокой надежностью. 2 ил.
Изобретение относится к области управления движением на железных дорогах и может быть использовано в системах автоведения поездов для уточнения их местоположения.
Известное устройство корректировки линейной координаты нахождения поезда содержит подключенный к вычислительному блоку датчик пути и скорости, установленный на оси колесной пары локомотива или головного вагона электропоезда и связанный с этой осью поводковой муфтой, две последовательно соединенные приемные катушки, установленные на тележке локомотива или головного вагона электропоезда, свободные выводы катушек подключены ко входу локомотивного приемника, выход которого через первый блок сопряжения подключен к вычислительному блоку, на буксовом узле локомотива или головного вагона электропоезда установлен датчик ускорений, который через второй блок сопряжения подключен к вычислительному блоку [1].
Недостатком данного устройства является невысокая точность определения момента прохождения границы смежных блок-участков (по которым осуществляется коррекция линейной ординаты нахождения поезда – определяется поправка к непрерывно вычисляемой величине пройденного пути на основании содержащихся в базе данных системы автоведения поезда сведений о координатах границ смежных блок-участков) на бесстыковых участках пути с цельносварными рельсовыми плетями большой протяженности (до 900 метров и более); на таких участках пути отсутствуют изолирующие стыки на границах смежных блок-участков. Применяемые на таких участках пути (как на отечественных, так и на зарубежных железных дорогах) системы автоблокировки с тональными рельсовыми цепями разграничивают блок-участки так называемыми электрическими стыками. Это обеспечивается определенной расстановкой на пути и подключением к рельсовым нитям соответствующей аппаратуры (путевых генераторов и путевых приемников с блоками управления путевыми светофорами и кодовыми путевыми трансмиттерами (КПТ) системы автоматической локомотивной сигнализации непрерывного действия (АЛСН) [2, 3]. Однако длина электрического стыка (в пределах которого производится фиксация границы блок-участка при проследовании его поездом – в момент прохождения электрического стыка осуществляется переключение КПТ питающего рельсовую цепь уже пройденного блок-участка на следующий КПТ другого типа, питающий впереди лежащий блок-участок) достигает 20-30 метров и более. Это связано с погрешностями настройки порогов срабатывания путевых приемников системы автоблокировки, а также с большим разбросом электрических характеристик рельсовых цепей в реальных условиях эксплуатации железнодорожного пути. Кроме этого, отсутствие изолирующего стыка не позволяет руководствоваться показаниями имеющегося в составе устройства корректировки линейной координаты нахождения поезда датчика ускорений, устанавливаемого на буксовом узле локомотива или головного вагона электропоезда.
Технический результат заключается в создании устройства корректировки линейной координаты нахождения поезда, обладающего высокой точностью измерения линейной координаты и высокой надежностью как на участках пути с изолирующими стыками на границах смежных блок-участков, так и на бесстыковых участках пути, оснащенных системами автоблокировки с тональными рельсовыми цепями.
Технический результат достигается тем, что в состав устройства корректировки линейной координаты нахождения поезда, содержащего подключенный к вычислительному блоку датчик пути и скорости, установленный на оси колесной пары локомотива или головного вагона электропоезда и связанный с этой осью поводковой муфтой, установленный на буксовом узле локомотива или головного вагона электропоезда датчик вертикальных ускорений, срабатывающий при проследовании колесной пары через стык; причем датчик вертикальных ускорений через второй блок сопряжения подключен к вычислительному блоку, две последовательно соединенные приемные катушки, установленные на тележке локомотива или головного вагона электропоезда, свободные выводы катушек подключены ко входу локомотивного приемника, выход которого через первый блок сопряжения подключен к вычислительному блоку, выполненному с возможностью вычисления по частоте повторения импульсов скорости движения поезда, а по их количеству – величину пройденного пути с момента начала движения поезда и с возможностью определения линейной координаты границы преследуемого блок-участка пути на основании анализа поступающего с выхода локомотивного приемника кодового импульсного сигнала системы автоматической локомотивной непрерывной сигнализации и по сигналу, поступившему от датчика вертикальных ускорений, и выдачи сигнала о проследовании границы блок-участка и данных о внесении необходимой поправки на вычисленную величину пройденного пути – вводится блок приемника сигналов путевых генераторов системы автоблокировки, вход которого подключен к свободным выводам приемных катушек, или к свободным выводам дополнительных приемных катушек со встречно-последовательно включенными обмотками, а выход приемника через третий блок сопряжения подключен к вычислительному блоку.
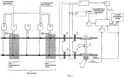
На фиг.1 представлена структурная схема устройства корректировки линейной координаты нахождения поезда.
Устройство корректировки линейной координаты нахождения поезда содержит датчик 1 пути и скорости, установленный на оси 2 колесной пары локомотива или головного вагона электропоезда и связанный с этой осью поводковой муфтой, две последовательно соединенные приемные катушки 3, 4, установленные на тележке локомотива или головного вагона электропоезда, свободные выводы катушек подключены ко входу локомотивного приемника 5, выход которого через первый блок 6 сопряжения подключен к вычислительному блоку 7, на буксовом узле локомотива или головного вагона электропоезда установлен датчик 8 ускорений, который через второй блок 9 сопряжения подключен к вычислительному блоку 7; приемник 11 сигналов путевых генераторов системы автоблокировки, вход которого подключен к свободным выводам приемных катушек 3, 4 (или к свободным выводам отдельных дополнительных приемных катушек 13, 14), а выход через третий блок 12 сопряжения подключен к вычислительному блоку 7.
Устройство работает следующим образом.
Во время движения поезда сигнал с датчика 1 пути и скорости, установленного на оси 2 колесной пары локомотива, поступает в вычислительный блок 7, в котором по частоте повторения импульсов вычисляется скорость движения поезда, а по их количеству – величина пройденного пути с момента начала движения поезда. Вычислительный блок 7 осуществляет также анализ кодового импульсного сигнала системы автоматической локомотивной непрерывной сигнализации (АЛСН), в котором содержится информация об огне светофора на данном блок-участке. Этот сигнал с помощью кодового путевого трансмиттера передается в рельсовую цепь. Коды путевых трансмиттеров АЛСН представлены на фиг.2. Передаваемый кодовый сигнал представляет собой строго определенную для каждого огня светофора комбинацию импульсов и разделяющих их пауз, причем период кодовой комбинации для любого огня светофора в пределах одного блок-участка постоянный и определяется типом установленного на данном блок-участке кодового путевого трансмиттера. При этом на примыкающих блок-участках применяются кодовые путевые трансмиттеры другого типа, формирующие кодово-импульсную комбинацию с другим периодом. Это необходимо для обеспечения хорошей сигнальной совместимости кодовых путевых трансмиттеров, работающих на смежных блок-участках, т.к. несмотря на то, что рельсовые цепи соседних блок-участков отделяются друг от друга изолирующим стыком, возможна аварийная ситуация, когда изоляция нарушается и имеет место прохождение сигнала соседнего кодового путевого трансмиттера в данную рельсовую цепь как сигнала помехи. Локомотив, вступая на данный блок-участок (противоположный передающему трансмиттеру конец рельсовой цепи), передней колесной парой замыкает рельсовую цепь данного блок участка. По ней начинает протекать сигнальный ток, создающий магнитное поле вокруг каждой рельсовой нити. Это магнитное поле воспринимается локомотивными приемными катушками 3, 4 (магнитной антенной), установленными на передней тележке локомотива перед первой колесной парой. Принятый кодовый импульсный сигнал поступает на вход локомотивного приемника 5, в котором он усиливается и детектируется. С выхода локомотивного приемника 5 кодовый импульсный сигнал поступает через первый блок 6 сопряжения в вычислительный блок 7, в котором осуществляется анализ и расшифровка принятого кодового импульсного сигнала от конкретного путевого трансмиттера 10. На данном блок-участке и на основании этого анализа по вычисленному периоду принятой кодово-импульсной комбинации выносится решение о типе кодового путевого трансмиттера, работающего на данном блок-участке. При переходе на следующий блок-участок, на котором установлен другой кодовый путевой трансмиттер, изменяются параметры передаваемого кодового импульсного сигнала, прежде всего его период. Вычислительный блок 7 отслеживает все изменения в принимаемом сигнале, сравнивая каждую поступившую кодово-импульсную комбинацию с принятой ранее, и в случае ее изменения записывает в свою оперативную память величину пройденного пути в момент этого изменения, а затем производит анализ и расшифровку принятой кодово-импульсной комбинации. Если период принимаемой кодово-импульсного комбинации изменился, выносится решение о том, что записанная в оперативной памяти вычислительного блока 7 величина пройденного пути соответствует линейной ординате границы двух смежных блок-участков, и эта информация передается на систему автоведения поезда; в противном случае эта записанная величина пройденного пути стирается до следующего изменения принимаемого кодово-импульсного сигнала. Принятый алгоритм расшифровки кодового импульсного сигнала позволяет получить очень малую вероятность пропуска преследуемого блок-участка.
Величина пройденного пути, вычисленная по сигналу датчика 1 пути и скорости, может иметь ошибку, вызванную, например, из-за неточного измерения диаметра бандажа колесной пары, на оси которой находится датчик пути и скорости, а также неизбежного проскальзывания колес по рельсам. Эта ошибка накапливается в процессе движения поезда и поэтому может достигать значительной величины. Информация о моменте проследовании границы двух смежных блок-участков позволяет осуществить поправку к непрерывно вычисляемой величине пройденного пути и тем самым существенно повысить точность определения местонахождения поезда. Сведения о линейных координатах границ блок-участков содержатся в базе данных системы автоведения поезда и на вычислительный блок 7 поступают от системы автоведения (непрерывно или по запросу). Если же такого взаимодействия не предусмотрено, то вычислительный блок 7 самостоятельно передает на систему автоведения результаты своего анализа (то есть самостоятельно вычисленную по показаниям датчика 1 пути и скорости координату границы преследованного блок-участка уже без вычисления необходимой поправки, оставляя это осуществить самой системе автоведения).
На участках пути с изолирующими стыками на границах смежных блок-участков дополнительную информацию о моменте проследования границы блок-участка дает датчик 8 вертикальных ускорений, срабатывающий при прохождении колесной парой изолированного стыка, разделяющего смежные блок-участки. Датчик 8 вертикальных ускорений размещен непосредственно на буксовом узле колесной пары, на которой установлен датчик 1 пути и скорости. Датчик 8 вертикальных ускорений необходим для уточнения физической границы блок-участка, особенно в случаях, когда при смене кода сигнала одного трансмиттера на код сигнала другого трансмиттера возникают комбинации импульсов и пауз, затрудняющих быстрое принятие решения о переходе границы блок-участка, что приводит к относительно большой ошибке определения координаты границы блок-участка только на основании анализа принятого кодового сигнала, особенно при высокой скорости движения локомотива. Если во время приема измененной кодово-импульсной комбинации на вычислительный блок 7 от датчика 8 вертикальных ускорений поступает сигнал, соответствующий моменту прохождения колесной парой изолированного стыка, то принимается решение о том, что именно в этот момент времени (с записью в оперативную память вычислительного блока 7 величины пройденного пути в момент поступления сигнала от датчика 8 вертикальных ускорений) локомотив проследовал границу блок-участка. Таким образом сигнал с датчика 8 вертикальных ускорений поступает через второй блок 9 сопряжения в вычислительный блок 7, который определяет границы проследуемого блок-участка, осуществляет к ним привязку вычисленной величины пройденного пути и выдает информацию о необходимой величине коррекции пройденного пути на систему автоведения.
На бесстыковых участках пути датчик 8 вертикальных ускорений не способен обеспечить уточнение координаты границы блок-участка из-за отсутствия изолированного стыка, разделяющего смежные блок-участки. Поэтому при появлении на выходе приемника 11 принятых сигналов системы автоблокировки вычислительный блок прекращает воспринимать сигнал датчика 8 ускорений.
Установленная на бесстыковых участках пути система автоблокировки осуществляет контроль за занятостью блок-участка поездом и в соответствии с этим управляет огнями путевых светофоров и кодовыми путевыми трансмиттерами системы АЛСН (на фиг.1 – трансмиттеры 10 и 18). Контроль за занятостью блок-участка осуществляется с помощью путевых приемников, установленных на границах смежных блок-участков (на фиг.1 – приемники 16 и 17); эти приемники принимают поступающие в общую рельсовую цепь сигналы путевых генераторов системы автоблокировки, расположенных в средней части каждого блок-участка (на фиг.1 – путевой генератор 15). Вступивший на блок-участок поезд передней колесной парой замыкает левую и правую рельсовые нити и образует таким образом общую рельсовую цепь (контур) для протекания сигнальных токов КПТ и путевых генераторов. По мере приближения поезда к границе блок-участка и соответственно к точкам подключения путевого приемника к рельсовой цепи (на фиг.1 – путевой приемник 6) сигнал, поступающий на вход путевого приемника от впереди расположенного путевого генератора (на фиг.1 – путевой генератор 15), ослабляется за счет шунтирования входной цепи путевого приемника приближающимся поездом. Поскольку электрические характеристики рельсовой цепи зависят от разнообразных факторов (состав и качество балласта пути, его температура и увлажненность, степень загрязненности и т.п.), а порог срабатывания путевого приемника имеет примерно постоянную величину, то приближающийся поезд может вызвать срабатывание путевого приемника на разных удаленностях от точек подключения путевого приемника к рельсовой цепи; это обуславливает возникновение зоны существования электрического стыка между смежными блок-участками (известен также как “эффект плавающего стыка”). Система автоблокировки построена таким образом, что при приближении поезда к границе блок-участка срабатывание путевого приемника 16 приводит к отключению установленного рядом с ним КПТ (на фиг.1 – КПТ 10) и включению КПТ на границе впереди расположенного блок-участка (на фиг.1 – КПТ 18). Поскольку устройство корректировки линейной координаты нахождения поезда при определении границ смежных блок-участков на бесстыковом пути ориентируется только на момент изменения периода принимаемого кодового сигнала АЛСН (момент смены типа КПТ), то на бесстыковых участках пути ошибка определения линейной ординаты границы блок-участков будет складываться из собственной ошибки устройства корректировки линейной координаты и из общей протяженности зоны электрического стыка, т.е. станет недопустимо большой.
С целью сохранения главного показателя назначения устройства корректировки линейной координаты нахождения поезда – определения точной линейной ординаты размещенного на данном участке пути неподвижного репера, по которому и производится определение поправки на вычисленную величину пройденного пути, в состав устройства введен приемник сигналов путевых генераторов системы автоблокировки, применяемой на данном участке пути. В этом случае коррекция линейной ординаты нахождения поезда должна осуществляться не на границах смежных блок-участков (как было принято на участках пути с изолирующими стыками между смежными блок-участками), а в точках подключения к рельсовым нитям путевых генераторов системы автоблокировки, применяемой на бесстыковом участке пути (соответственно в базе данных системы автоведения поезда должна быть размещена информация о расстановке и линейных ординатах путевых генераторов). При движении поезда по бесстыковому участку пути приемник 11 получает сигнал путевых генераторов из рельсовой цепи либо с помощью приемных катушек 3, 4, либо с помощью отдельных дополнительных приемных катушек 13, 14. Чувствительность приемника 11 выбирается такой, чтобы он обеспечивал уверенный прием сигналов путевых генераторов за 150…200 метров до точки их подключения к рельсовым нитям. По мере приближения поезда к путевому генератору ток сигнала путевого генератора в рельсовой цепи увеличивается и достигает своего максимального значения при нахождении приемных катушек непосредственно над точками подключения путевого генератора к рельсовым нитям. При проследовании передней колесной парой точек подключения (фактически их короткого замыкания) уровень принимаемого сигнала резко уменьшается (практически до нуля). В этот момент блок сопряжения 12 на своем выходе формирует импульс, передний фронт которого соответствует моменту проследования поездом данного путевого генератора; этот импульс поступает на вычислительный блок 7. Вычислительный блок 7 определяет линейную ординату преследуемого путевого генератора, осуществляет к ней привязку вычисленной величины пройденного пути и выдает информацию о необходимой величине коррещии пройденного пути на систему автоведения.
За счет такой периодической коррекции ошибка измерения величины пройденного пути (накапливающаяся до 20-100 метров и более на 100 км пути) существенно сокращается – до ошибки измерения длины одного блок-участка, т.е. практически до 5-10 метров.
Устройство корректировки линейной координаты нахождения поезда представляет собой внешнее дополнительное устройство для системы автоведения поезда, которое передает системе автоведения информацию о необходимой поправке к величине пройденного пути, вычисляемой по данным сигнала от датчика пути и скорости
Литература
1. Патент на изобретение RU 2248291 С2, B 61 L 25/100, 20.03.2005.
2. Дмитриев В.С.Б Минин В.А. “Системы автоблокировки с рельсовыми цепями тональной частоты”, М., “Транспорт”, 1992.
3. “Автоматическая локомотивная сигнализация и авторегулировка”, М., “Транспорт”, 1981. Авт.: А.М.Брылеев, О.Поупе, В.С.Дмитриев, Ю.А.Кравцов, Б.М.Степенский.
Формула изобретения
Устройство корректировки линейной координаты нахождения поезда, содержащее подключенный к вычислительному блоку датчик пути и скорости, установленный на оси колесной пары локомотива или головного вагона электропоезда и связанный с этой осью поводковой муфтой, две последовательно соединенные приемные катушки, установленные на тележке локомотива или головного вагона электропоезда, свободные выводы катушек подключены ко входу локомотивного приемника, выход которого через первый блок сопряжения подключен к вычислительному блоку, датчик вертикальных ускорений, установленный на буксовом узле локомотива или головного вагона электропоезда с возможностью срабатывания при проследовании колесной пары через стык и подключенный через второй блок сопряжения к вычислительному блоку, выполненному с возможностью вычисления по частоте повторения импульсов скорости движения поезда, а по их количеству – величины пройденного пути с момента начала движения поезда и с возможностью определения линейной координаты границы проследуемого блок-участка пути на основании анализа поступающего с выхода локомотивного приемника кодового импульсного сигнала системы автоматической локомотивной непрерывной сигнализации и по сигналу, поступившему от датчика вертикальных ускорений, и выдачи сигнала о проследовании границы блок-участка и данных о внесении необходимой поправки на вычисленную величину пройденного пути, отличающееся тем, что оно дополнительно содержит приемник сигналов путевых генераторов системы автоблокировки, вход которого подключен к свободным выводам приемных катушек или к свободным выводам дополнительных приемных катушек со встречно-последовательно включенными обмотками, а выход приемника через третий блок сопряжения подключен к вычислительному блоку.
РИСУНКИ
|
|