|
|
(21), (22) Заявка: 2005119891/11, 27.06.2005
(24) Дата начала отсчета срока действия патента:
27.06.2005
(46) Опубликовано: 20.12.2006
(56) Список документов, цитированных в отчете о поиске:
SU 1836071 A3, 23.08.1993. SU 1586653 A1, 23.08.1990. US 3935670 A, 03.02.1976. FR 2497633 A2, 16.07.1982.
Адрес для переписки:
156543, Костромская обл., Костромской р-н, с. Минское, ул. Куколевского, 18, ГНУ КНИИСХ
|
(72) Автор(ы):
Тышкевич Евгений Валентинович (RU)
(73) Патентообладатель(и):
Государственное научное учреждение Костромской научно-исследовательский институт сельского хозяйства (ГНУ КНИИСХ) (RU)
|
(54) ПЬЕЗОЭЛЕКТРИЧЕСКИЙ СТИМУЛЯТОР-ДЕСТРУКТОР РАСТЕНИЙ
(57) Реферат:
Изобретение относится к высоковольтной импульсной технике сельскохозяйственного назначения и может быть использовано для уничтожения сорных растений, пасынкования, электростимуляции растительных культур. Пьезоэлектрический стимулятор-деструктор растений содержит источник электрической энергии, систему управления, электроды, пьезоэлемент, привод, ограничитель напряжения, выпрямительный диод, электронный коммутатор, накопительный конденсатор, защитный диод, пусковой элемент, формирователь импульсов. Ограничитель напряжения входом соединен с первым выводом пьезоэлемента. Выход ограничителя напряжения подключен к аноду выпрямительного диода. Катод диода соединен с входом электронного коммутатора, первым выводом накопительного конденсатора, катодом защитного диода и входом пускового элемента. Выход пускового элемента подключен к входу электронного коммутатора. Выход электронного коммутатора соединен с входом формирователя импульсов. Выход формирователя импульсов подключен к первому электроду. Второй электрод соединен с анодом защитного диода, вторым выводом накопительного конденсатора и вторым выводом пьезоэлемента. Техническим результатом является создание пьезоэлектрического стимулятора-деструктора растений, обладающего энергонезависимостью, стабильностью выходных электрических характеристик, небольшими габаритами и массой, имеющего высокий КПД и широкий диапазон использования. 1 ил.
Изобретение относится к высоковольтной импульсной технике сельскохозяйственного назначения и может быть использовано для уничтожения сорных растений, пасынкования, электростимуляции растительных культур с целью увеличения их всхожести, снижения сроков вегетации и повышения устойчивости к внешним воздействиям окружающей среды, а также для оптимизации ионного баланса почвы и в других областях растениеводства.
Известно устройство для уничтожения сорной растительности электрическим током, активная часть рабочего органа которого выполнена в виде пластины, имеющей форму косой трапеции с острым углом на фронтальной стороне рабочего органа (RU 2045181 С1, 1995.10.10).
Недостатками данной установки являются большие габариты и масса, а также ограниченная область применения.
Известно также устройство для уничтожения сорной растительности с помощью электрического тока, содержащее два элемента для определения количества сорных растений и их характеристик. Выходы упомянутых элементов подключены к соответствующим входам системы управления, которая в зависимости от данной информации вырабатывает сигналы, управляющие параметрами источника электроэнергии (RU 2081581 С1, 1997.06.20).
К недостаткам данного устройства следует отнести использование большого количества аппаратных средств и ограниченный диапазон использования.
Наиболее близким аналогом предлагаемого изобретения является установка для уничтожения сорных растений с помощью электрической энергии (мобильный электропропольщик “ЭРПИК”), содержащая источник электрической энергии, систему управления и электроды (проект «ИНТЕЛЛЕКТ», рубрика ГРНТИ: 68.35, Попов В.М., 2000 г.).
Недостатками данного устройства являются низкая стабильность энергетических выходных характеристик, большие габариты и масса, низкий КПД, а так же ограниченный диапазон использования.
Технической задачей изобретения является создание пьезоэлектрического стимулятора-деструктора растений, обладающего энергонезависимостью, стабильностью выходных электрических характеристик, небольшими габаритами и массой, имеющего высокий КПД и широкий диапазон использования.
Эта техническая задача достигается тем, что в пьезоэлектрический стимулятор-деструктор растений, содержащий источник электрической энергии, систему управления и электроды, введены пьезоэлемент, привод, ограничитель напряжения, выпрямительный диод, накопительный конденсатор, защитный диод, пусковой элемент, электронный коммутатор и формирователь импульсов, образуя при этом новые дополнительные связи.
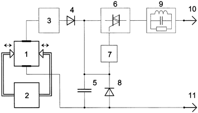
Функциональная схема, поясняющая работу пьезоэлектрического стимулятора-деструктора растений, представлена на чертеже.
Устройство содержит источник электрической энергии, состоящий из пьезоэлемента 1 и привода 2, ограничителя напряжения 3, входом соединенного с первым выводом пьезоэлемента 1, выходом подключенного к аноду выпрямительного диода 4, катод которого соединен с входом электронного коммутатора 6, первым выводом накопительного конденсатора 5, катодом защитного диода 8 и входом пускового элемента 7, выход которого подключен к управляющему входу электронного коммутатора 6, выходом соединенного с входом формирователя импульсов 9, выход которого подключен к первому электроду 10, второго электрода 11, соединенного с анодом защитного диода 8, вторым выводом накопительного конденсатора 5 и вторым выводом пьезоэлемента 1.
Пьезоэлемент 1 совместно с приводом 2 образуют единую конструкцию – пьезоэлектрический преобразователь напряжения. В качестве механизма возбуждения пьезоэлемента 1 может использоваться электромеханический привод с автономным питанием от аккумуляторной батареи или механический привод, в котором применяется мускульная сила.
Устройство имеет два режима работы:
1. Режим однократного воздействия. Заряд накопительного конденсатора 5 происходит при разомкнутых электродах 10, 11. Разряд – при замыкании цепи между электродами 10, 11.
2. Режим непрерывного воздействия. Заряд и разряд накопительного конденсатора 5 происходит при замкнутой цепи между электродами 10, 11. При этом устройство непрерывно вырабатывает импульсы с частотой, определяемой параметрами схемы.
Режим однократного воздействия.
В исходном состоянии цепь между электродами 10, 11 разомкнута. Под действием привода 2, который периодически сжимает кристалл пьезоэлемента 1 (на чертеже действие показано стрелками), на выводах последнего образуется электрическая энергия высокого напряжения. Эта энергия передается на накопительный конденсатор 5 через последовательно соединенные ограничитель напряжения 3 и выпрямительный диод 4. Напряжение заряда конденсатора 5 соответствует значению, установленному ограничителем напряжения 3. Выпрямительный диод 4 предотвращает обратный разряд конденсатора 5, выполняя роль амплитудного детектора. Для защиты накопительного конденсатора 5 от инверсного перезаряда параллельно ему включен защитный диод 8. Таким образом, на конденсаторе 5 накапливается электрическая энергия, определяемая выражением
E=U2C, где
U – напряжение на конденсаторе 5; С – емкость конденсатора 5.
Накопленный заряд на конденсаторе 5 будет сохраняться до того момента, пока не замкнется цепь между электродами 10, 11. Силовая цепь разряда конденсатора 5 состоит из включенных последовательно электронного коммутатора 6 и формирователя импульсов 9. Электронный коммутатор 6 представляет собой полупроводниковый ключ, управляемый с помощью пускового элемента 7, включенного между конденсатором 5 и управляющим входом коммутатора 6. Пусковой элемент 7 обладает нелинейной импульсной характеристикой. Он способен пропускать ток (открываться) только тогда, когда напряжение на его входе достигает значения порогового напряжения. В противном случае его внутреннее сопротивление очень велико.
В момент замыкания электродов 10, 11 пусковой элемент 7 переходит в состояние высокой проводимости, поскольку напряжение заряженного конденсатора превышает пороговое напряжение элемента 7. Конденсатор 5 начинает разряжаться через открытый пусковой элемент 7, входную цепь коммутатора 6, формирователь импульса 9 и замкнутые электроды 10, 11. Ток, проходящий через вход управления коммутатора 6, переводит его в открытое состояние. В результате этого накопительный конденсатор 5 разряжается через силовую цепь устройства и замкнутые электроды 10, 11.
Формирователь импульсов 9 представляет собой LCR – двухполюсник, позволяющий сформировать импульсы воздействия заданной амплитуды, длительности и формы, то есть распределить энергию накопительного конденсатора 5 по определенному закону во времени. При необходимости параметры LCR цепи можно подобрать таким образом, что устройство будет способно генерировать пакет затухающих импульсов определенной частоты, используя один цикл заряда конденсатора 5.
Приведенный режим является энергосберегающим (экономичным), поскольку возбуждение пьезоэлемента 1 можно прекратить после полного заряда конденсатора 5, так как его разряд может происходить при отключенном источнике электрической энергии. Это удобно, если в качестве механического привода используется мускульная сила.
Режим непрерывного воздействия.
Если пьезоэлектрический преобразователь 1, 2 привести в действие при замкнутой цепи между электродами 10, 11, то накопительный конденсатор 5 зарядится до напряжения отпирания пускового элемента 7. При достижении этого напряжения пусковой элемент 7 запустит электронный коммутатор 6, который замкнет силовую цепь разряда конденсатора 5. В результате этого конденсатор 5 разрядится через замкнутые электроды 10, 11 до такого напряжения, при котором пусковой элемент 7 возвратится в исходное разомкнутое состояние, электронный коммутатор 6 закроется и разорвет силовую цепь разряда конденсатора 5. После этого цикл повторится. Величина напряжения перехода пускового элемента 7 из замкнутого в разомкнутое состояние составляет несколько вольт, поэтому конденсатор 5 будет разряжаться практически до нуля после каждого цикла разряда. В непрерывном режиме устройство вырабатывает последовательность импульсов (или пакетов импульсов) так долго, пока происходит возбуждение пьезоэлемента 1.
Деструкция (уничтожение) растений возможна как в однократном, так и в режиме непрерывного воздействия. Для проведения этой операции один из электродов необходимо внедрить в почву, где расположена корневая система, а другим электродом прикоснуться к стеблю растения.
В первом случае через растение пропускается один импульс или один пакет импульсов в зависимости от настройки параметров LCR-цепи. Если энергии одного цикла заряда конденсатора недостаточно, то используется непрерывный режим до тех пор, пока растение не будет уничтожено.
Стимуляция растений предполагает также использование обоих режимов. Точки приложения электродов определяются произвольно, в зависимости от предполагаемого результата: почва – стебель, стебель – стебель и т.д. Принципиально стимуляция растений отличается от деструкции энергетическими параметрами, значениями напряжений, токов, частоты и частотной последовательности импульсов, так как в случае стимуляции разрушение или повреждение клеточной структуры растительной ткани недопустимы. Кроме того, импульсы воздействия должны оказывать благоприятное влияние на рост клеток и внутриобменные процессы.
Устройство позволяет проводить операцию пасынкования растений. В этом случае деструктивное электрическое воздействие прикладывается к тому отростку, который необходимо уничтожить, при этом на растение не оказывается никакого негативного воздействия.
Пьезоэлектрический стимулятор позволяет изменять ионный баланс почвы вблизи корневой системы растений, нормализуя его до заданного уровня. Для этого электроды внедряют в почву и через них пропускают последовательность импульсов заданной величины, частоты и формы согласно проводимой технологии.
Возможности устройства позволяют использовать широкий частотный диапазон воздействия от единиц герц до нескольких мегагерц. Это позволяет использовать не только механизм прямого воздействия электрических импульсов на растение, но и затрагивать энергетическую структуру биоритмов и электрохимическую проводимость тканей растений.
Устройство имеет высокий КПД, оно способно вырабатывать импульсы напряжением от десятков вольт до нескольких киловольт в диапазоне токов от единиц миллиампер до десятков ампер в амплитудном значении, сохраняя при этом высокую стабильность.
Устройство имеет небольшие габариты и массу не более 700 граммов.
К достоинствам пьезоэлектрического стимулятора следует отнести полную независимость от внешних источников энергии.
Устройство может использоваться для проведения технологий обработки растений в оранжереях, теплицах, фермерских хозяйствах, приусадебных участках и т.д. Особенно эффективно его использовать для селекционных работ в научно-исследовательских целях.
Применение устройства не нарушает экологию окружающей среды и не вызывает генетических и структурных изменений растений.
Формула изобретения
Пьезоэлектрический стимулятор-деструктор растений, содержащий источник электрической энергии, систему управления и электроды, отличающийся тем, что в него введены пьезоэлемент и привод, образующие единую конструкцию, ограничитель напряжения, входом соединенный с первым выводом пьезоэлемента, выходом подключенный к аноду выпрямительного диода, катод которого соединен с входом электронного коммутатора, первым выводом накопительного конденсатора, катодом защитного диода и входом пускового элемента, выход которого подключен к входу электронного коммутатора, выходом соединенного с входом формирователя импульсов, выход которого подключен к первому электроду, второй электрод, соединенный с анодом защитного диода, вторым выводом накопительного конденсатора и вторым выводом пьезоэлемента.
РИСУНКИ
|
|