|
|
(21), (22) Заявка: 2004131890/09, 01.11.2004
(24) Дата начала отсчета срока действия патента:
01.11.2004
(43) Дата публикации заявки: 10.04.2006
(46) Опубликовано: 10.12.2006
(56) Список документов, цитированных в отчете о поиске:
RU 2089044 C1, 27.08.1997. US 661593, 05.05.1979. RU 2145769 C1, 20.02.2000. RU 2022459 C1, 30.10.1994. US 6046616 A, 04.04.2000. US 6512405 В1, 28.01.2003. ЕР 1100198 А2, 16.05.2001.
Адрес для переписки:
607188, Нижегородская обл., г. Саров, пр. Мира, 37, ФГУП “РФЯЦ-ВНИИЭФ”, начальнику ОПИНТИ
|
(72) Автор(ы):
Батарев Сергей Васильевич (RU), Кортюков Иван Иванович (RU), Кирдяшкин Юрий Алексеевич (RU), Страбыкин Валерий Васильевич (RU)
(73) Патентообладатель(и):
Российская Федерация в лице Министерства Российской Федерации по атомной энергии-Минатом РФ (RU), Федеральное государственное унитарное предприятие “Российский федеральный ядерный центр – Всероссийский научно-исследовательский институт экспериментальной физики” – ФГУП “РФЯЦ-ВНИИЭФ” (RU)
|
(54) ПРЕОБРАЗОВАТЕЛЬ АНАЛОГОВЫХ СИГНАЛОВ В ИМПУЛЬСНУЮ ПОСЛЕДОВАТЕЛЬНОСТЬ, МОДУЛИРОВАННУЮ ПО ВРЕМЕНИ
(57) Реферат:
Изобретение относится к многоканальным системам преобразования и передачи информации с уплотнением по времени и может использоваться в устройствах связи. Достигаемый технический результат – повышение точности преобразования. Преобразователь аналоговых сигналов в импульсную последовательность, модулированную по времени, содержит контроллер, включающий генератор тактовой частоты с кварцевой стабилизацией и распределитель тактовых импульсов, коммутатор, аналого-цифровой преобразователь, триггер, логический элемент «И», двоичный счетчик, формирователь времяимпульсной последовательности, включающий формирователь опорных импульсов и формирователь измерительных импульсов, сумматор, усилитель мощности. 2 ил.
Изобретение относится к многоканальным системам преобразования и передачи информации с уплотнением по времени и может быть использовано в измерительной технике и устройствах связи.
Известно устройство [1], содержащее коммутатор, контроллер, включающий последовательно соединенные генератор тактовой частоты с кварцевой стабилизацией и распределитель тактовых импульсов, генератор линейно изменяющегося напряжения, компаратор напряжения, формирователь времяимпульсной последовательности, включающий сумматор и формирователи опорных и измерительных импульсов, выходы которых соединены с входами сумматора соответственно, выход которого соединен с входом усилителя мощности, первый выход коммутатора соединен с первым входом формирователя измерительных импульсов, второй выход коммутатора соединен с первым входом компаратора напряжения, выход которого соединен со вторым входом формирователя измерительных импульсов, второй выход распределителя тактовых импульсов соединен с тактовым входом коммутатора, третий выход распределителя тактовых импульсов соединен с входом генератора линейно изменяющегося напряжения, выход которого соединен со вторым входом компаратора напряжения, вход формирователя опорных импульсов соединен с первым выходом распределителя тактовых импульсов.
Вышеуказанное устройство является наиболее близким по технической сущности к заявляемому устройству и поэтому выбрано в качестве прототипа.
Основным недостатком устройства является сравнительно невысокая точность преобразования аналоговых сигналов в импульсную последовательность, модулированную по времени, обусловленная, в основном, сравнительно невысокой линейностью пилообразного напряжения (от 10 до 1%) [2].
Достигаемым техническим результатом является повышение точности преобразования аналоговых сигналов в импульсную последовательность, модулированную по времени.
Указанный технический результат достигается тем, что преобразователь аналоговых сигналов в импульсную последовательность, модулированную по времени, содержит коммутатор, контроллер, включающий последовательно соединенные генератор тактовой частоты с кварцевой стабилизацией и распределитель тактовых импульсов, формирователь времяимпульсной последовательности, включающий сумматор и формирователи опорных и измерительных импульсов, выходы которых соединены со входами сумматора соответственно, выход которого соединен со входом усилителя мощности, первый выход коммутатора соединен с первым входом формирователя измерительных импульсов, вход формирователя опорных импульсов соединен с первым выходом распределителя тактовых импульсов. Новым является то, что введены двоичный счетчик, триггер, логический элемент “И”, аналого-цифровой преобразователь (АЦП), второй выход коммутатора соединен с аналоговым входом АЦП, цифровые выходы которого соединены со входами двоичного счетчика соответственно, пусковой вход АЦП соединен со вторым выходом распределителя тактовых импульсов, а выход готовность данных АЦП соединен с тактовым входом коммутатора и входом управления параллельной загрузки двоичного счетчика, выход которого соединен со вторым входом формирователя измерительных импульсов и первым входом триггера, второй вход которого соединен с третьим выходом распределителя тактовых импульсов, а выход соединен с первым входом логического элемента “И”, второй вход которого соединен со вторым выходом генератора тактовой частоты с кварцевой стабилизацией, а выход соединен со счетным входом двоичного счетчика.
Указанная совокупность признаков позволяет повысить точность преобразования аналоговых сигналов в импульсную последовательность, модулированную по времени, за счет введения в известное устройство вместо генератора линейно-изменяющегося напряжения и компаратора напряжения n-разрядного аналого-цифрового преобразователя (АЦП) и n-разрядного двоичного счетчика.
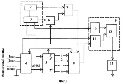
На фигуре 1 приведена схема предлагаемого устройства. На фигуре 2 приведена временная диаграмма работы преобразователя аналоговых сигналов в импульсную последовательность, модулированную по времени, где
tпр – время преобразования АЦП,
tнзи, tвзи – соответственно нижний и верхний защитные интервалы,
tизм – измеряемый интервал,
tизм.мин, tизм.макс – соответственно минимальный и максимальный измеряемый интервал,
tизм.макс-tизм.мин – допустимое изменение измеряемого интервала.
Преобразователь аналоговых сигналов в импульсную последовательность, модулированную по времени, содержит контроллер 1, включающий последовательно соединенные генератор тактовой частоты с кварцевой стабилизацией 2 и распределитель тактовых импульсов 3, коммутатор 4, аналого-цифровой преобразователь 5, триггер 6, логический элемент “И” 7, двоичный счетчик 8, формирователь времяимпульсной последовательности 9, включающий формирователи опорных 10 и измерительных импульсов 11 и сумматор 12, усилитель мощности 13.
Аналоговый вход АЦП 5 соединен со вторым выходом аналогового коммутатора 4, цифровые выходы АЦП 5, сигналы которых в совокупности образуют цифровой код, соединены с соответствующими входами DI двоичных счетчиков 8, обеспечивающих параллельную асинхронную загрузку двоичного цифрового кода, выход готовность данных АЦП 5 соединен с тактовым входом коммутатора 4 и входом управления параллельной загрузки двоичного счетчика 8, выход переноса РД предыдущего счетчика соединен со счетным входом СД последующего счетчика, выход РД последнего счетчика соединен со вторым входом формирователя измерительного импульса 11 и первым входом триггера 6, второй вход которого соединен с третьим выходом распределителя тактовых импульсов 3, а выход триггера 6 соединен с первым входом логического элемента “И” 7, второй вход которого соединен со вторым выходом генератора тактовой частоты с кварцевой стабилизацией 2, а выход логического элемента “И” 7 соединен со счетным входом двоичного счетчика 8. Выход генератора тактовой частоты 2 соединен со входом распределителя тактовых импульсов 3, второй выход которого соединен с пусковым входом АЦП 5. Первый выход коммутатора 4 соединен с первым входом формирователя измерительных импульсов 11, вход формирователя опорных импульсов 10 соединен с первым выходом распределителя тактовых импульсов 3, выходы формирователя опорных импульсов 10 и формирователя измерительных импульсов 11 соединены со входами сумматора 12 соответственно, выход которого соединен со входом усилителя мощности 13.
Преобразователь аналоговых сигналов в импульсную последовательность, модулированную по времени, работает следующим образом.
При поступлении импульса на пусковой вход АЦП 5 начинается цикл преобразования установившегося на аналоговом входе АИМ-сигнала в двоичный n-разрядный цифровой код, по окончании которого импульсом “Готовность данных” с выхода АЦП 5 производится его асинхронная параллельная загрузка в двоичный счетчик 8 и переключение аналогового коммутатора 4 для формирования АИМ-сигнала следующего датчика (канала).
После формирования опорного импульса через минимальное время tмин, определяемое разрешающей способностью приемопередающих и регистрирующих систем, контроллер 1 вырабатывает синхронизированный с тактовой частотой импульс, устанавливающий триггер 6 в положение логической единицы, разрешая тем самым импульсам тактовой частоты проходить через логический элемент “И” 7 на счетный вход двоичного счетчика 8, работающего на вычитание. При переходе счетчика 8 через ноль на выходе переполнения счетчика 8 появляется импульс, поступающий на вход формирователя измерительного импульса 11. Время появления этого импульса относительно опорного импульса пропорционально значению сигнала на аналоговом входе АЦП 5.
Измерительный импульс, кроме того, закрывает ключ, прекращая поступление импульсов тактовой частоты на счетчики 8 и обеспечивая тем самым однократность появления измерительного импульса в измеряемом интервале.
Погрешность преобразования Аналог – ВИМ в предлагаемом устройстве состоит:
1. Из погрешности преобразования аналога в цифровой код (погрешности выбранного АЦП) АЦП.
2. Из погрешности преобразования цифрового кода во временной интервал ИНТ.
В современных АЦП с применением специальных устройств выборки и хранения, обеспечивающих постоянство входного напряжения на время преобразования, максимальная погрешность преобразования не превышает одну-две единицы младшего разряда (3) и составляет

где: n – разрядность выходного цифрового кода АЦП;
при n=10, АЦП=(0,1÷0,2)%
Учитывая, что начало и конец измеряемого временного интервала синхронизированы с импульсами тактовой частоты, заполняющими интервал, погрешность ИНТ обусловлена только временной нестабильностью частоты тактового генератора. Для генераторов, стабилизированных кварцем, эта нестабильность не превышает 5 10-5 (0,005%) [4] и, следовательно, по сравнению с АЦП ею можно пренебречь.
Таким образом, описание работы показывает, что заявляемый преобразователь позволяет повысить точность преобразования аналоговых сигналов в импульсную последовательность, модулированную по времени.
В целях подтверждения осуществимости заявляемого объекта и достижения технического результата изготовлен и испытан лабораторный макет преобразователя аналоговых сигналов в импульсную последовательность, модулированную по времени, выполненный по приведенной на фигуре 1 схеме. Проведенные испытания показали осуществимость заявляемого преобразователя и подтвердили его практическую ценность.
Источники информации
1. Сборник докладов научной конференции Волжского регионального центра РАРАН “Современные методы проектирования и отработки ракетно-артиллерийского вооружения “, опубликовано, Саров, ВНИИЭФ, 2000 г.
2. В.А.Бондарь, “Генераторы линейно изменяющегося напряжения”, Москва, Энергоатомиздат, 1988 г.
3. Э.И.Гитис, Е.А.Пискулов, “Аналого-цифровые пробразователи”, Москва, Энергоиздат, 1981 г.
4. Сборник справочных листов “Приборы пьезоэлектрические”, РД 11 0955.1-96, РНИИ “Электростандарт”, 1997 г.
Формула изобретения
Преобразователь аналоговых сигналов в импульсную последовательность, модулированную по времени, содержащий коммутатор, контроллер, включающий последовательно соединенные генератор тактовой частоты с кварцевой стабилизацией и распределитель тактовых импульсов, формирователь время-импульсной последовательности, включающий сумматор и формирователи опорных и измерительных импульсов, выходы которых соединены со входами сумматора соответственно, выход которого соединен со входом усилителя мощности, первый выход коммутатора соединен с первым входом формирователя измерительных импульсов, вход формирователя опорных импульсов соединен с первым выходом распределителя тактовых импульсов, отличающийся тем, что дополнительно введены двоичный счетчик, триггер, логический элемент «И», аналого-цифровой преобразователь (АЦП), второй выход коммутатора соединен с аналоговым входом АЦП, цифровые выходы которого соединены со входами двоичного счетчика соответственно, пусковой вход АЦП соединен со вторым выходом распределителя тактовых импульсов, а выход “готовность данных” АЦП соединен с тактовым входом коммутатора и входом управления параллельной загрузки двоичного счетчика, выход которого соединен со вторым входом формирователя измерительных импульсов и первым входом триггера, второй вход которого соединен с третьим выходом распределителя тактовых импульсов, а выход соединен с первым входом логического элемента «И», второй вход которого соединен со вторым выходом генератора тактовой частоты с кварцевой стабилизацией, а выход соединен со счетным входом двоичного счетчика.
РИСУНКИ
|
|