|
|
(21), (22) Заявка: 2004137247/09, 20.12.2004
(24) Дата начала отсчета срока действия патента:
20.12.2004
(43) Дата публикации заявки: 27.05.2006
(46) Опубликовано: 10.12.2006
(56) Список документов, цитированных в отчете о поиске:
ГОЛОВИН О.В. Радиоприемные устройства, Москва, Высш. шк., 1987. SU 1394407 A1, 07.05.1988. DE 3043944, 11.06.1981. US 3879138, 22.04.1975. US 3082380, 19.03.1963.
Адрес для переписки:
644009, г.Омск, ул. Масленникова, 231, ФГУП ОНИИП
|
(72) Автор(ы):
Михайлов Борис Иванович (RU), Кудрявцев Григорий Селиверстович (RU)
(73) Патентообладатель(и):
Федеральное государственное унитарное предприятие Омский научно-исследовательский институт приборостроения (RU)
|
(54) УСИЛИТЕЛЬ С ОБЩИМ УПРАВЛЯЕМЫМ ЭЛЕКТРОДОМ ТРАНЗИСТОРА
(57) Реферат:
Изобретение относится к области радиотехники и может быть использовано в радиоприемниках, к которым предъявляются высокие требования по линейности. Технический результат заключается в повышении линейности усилителя. Этот результат достигается за счет того, что в усилитель, содержащий транзистор (Т) (1) с резисторами (Р) (3, 4) смещения, разделительным конденсатором (К) (5), источником питания (2), в цепь между эмиттирующим электродом Т (1), включенного по схеме повторителя напряжения, и корпусом введен диод (Д) (8) с регулируемым резистором (Р) (9) и с Р (6), подвижной контакт которого через К (10) соединен с Д (8). При этом с помощью регулируемого Р (6) выбирается рабочая точка на характеристике Д (8) (режим по постоянному току), а путем перемещения подвижного контакта Р (6) устанавливается необходимая кривизна характеристики сопротивления цепи между эмиттирующим электродом Т (1) и корпусом. В результате приращение тока Т (1), вызванное нелинейными искажениями, не приводит к приращению напряжения на выходе. 2 ил.
Изобретение относится к радиотехнике, в частности к усилителям, которые могут быть использованы в радиоприемниках с высокими требованиями по линейности.
Современная электромагнитная обстановка характеризуется постоянным возрастанием разнообразных излучений, что существенно снижает помехозащиту радиосвязи из-за взаимных помех. Эти помехи при недостаточной линейности трактов радиоприемников образуют множество комбинационных частот, попадающих и в полосу принимаемого сигнала.
Известно, что по сравнению с усилителями, имеющими другие способы включения транзисторов, усилители с общим управляемым электродом транзистора (эмиттерные повторители, истоковые повторители) имеют лучшую линейность, то есть образуют меньше нелинейных искажений [1].
Способы включения транзисторов в усилителях с общим управляемым электродом для биполярных и полевых транзисторов в [1] приведены на рис.3.10.
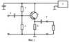
На фиг.1 изображена схема усилителя с общим управляемым электродом на биполярном транзисторе [1], рис.7.3. Этот усилитель принят за прототип.
Усилитель содержит транзистор 1, управляемый электрод которого соединен с источником питания 2, делитель напряжения цепи смещения, состоящий из двух последовательно соединенных резисторов 3 и 4, при этом точка соединения резисторов 3 и 4 соединена с входной клеммой 5 усилителя и управляющим электродом транзистора 1, а между корпусом и эмиттирующим электродом транзистора имеется резистор 6, причем эмиттирующий электрод транзистора связан с выходной клеммой 7 усилителя.
Как известно, согласно статической характеристике зависимость тока, протекающего через управляемый электрод транзистора, от напряжения на управляющем электроде нелинейная. При равных приращениях напряжения на управляющем электроде, приращения тока, протекающего через управляемый электрод, не являются равными и возрастают при увеличении напряжения на управляющем электроде. Такая зависимость между током и напряжением и является причиной нелинейных искажений.
Задача, на решение которой направлено заявляемое изобретение, заключается в повышении линейности усилителя с общим управляемым электродом транзистора.
Сущность изобретения заключается в том, что в усилитель с общим управляемым электродом транзистора, содержащий транзистор, управляемый электрод которого соединен с источником питания, делитель напряжения цепи смещения, состоящий из двух последовательно соединенных резисторов, при этом точка соединения резисторов соединена с входной клеммой усилителя и управляющим электродом транзистора, а между корпусом и эмиттирующим электродом транзистора имеется резистор, причем эмиттирующий электрод транзистора связан с выходной клеммой усилителя, введен диод, один вывод которого подсоединен к корпусу, а другой вывод подсоединен через регулируемый резистор к источнику питания и через конденсатор к подвижному контакту резистора, находящегося между корпусом и эмиттирующим электродом транзистора. Известно, что при увеличении тока, протекающего через диод, сопротивление диода уменьшается. При этом в какой-то мере уменьшается и сопротивление цепи между эмиттирующим электродом и корпусом. В результате приращение тока транзистора за счет нелинейных искажений не приводит к соответствующему приращению напряжения на этой цепи, то есть и на выходе усилителя.
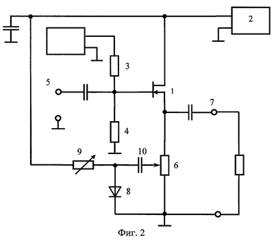
На фиг.2 изображена схема предлагаемого усилителя с общим управляемым электродом транзистора. Усилитель содержит транзистор 1, управляемый электрод которого соединен с источником питания 2, делитель напряжения цепи смещения, состоящий из двух последовательно соединенных резисторов 3 и 4, при этом точка соединения резисторов 3 и 4 соединена с входной клеммой 5 усилителя и управляющим электродом транзистора, а между корпусом и эмиттирующим электродом транзистора имеется резистор 6, причем эмиттирующий электрод транзистора связан с выходной клеммой 7 усилителя; введенный диод 8 одним выводом присоединен к корпусу, а другим выводом подсоединен через регулируемый резистор 9 к источнику питания и через конденсатор 10 к подвижному контакту резистора 6, находящегося между корпусом и эмиттирующим электродом транзистора.
Усилитель работает следующим образом. Ток, протекающий через транзистор при напряжении сигнала на входной клемме 5 усилителя, согласно статической характеристике имеет нелинейные искажения по сравнению с формой напряжения сигнала. Этот ток протекает через цепь между эмиттирующим электродом транзистора и корпусом. Часть этого тока через подвижный контакт резистора 6 проходит через диод 8. В случае возрастания тока за счет нелинейных искажений ток, проходящий через диод, также возрастает, а это приводит к снижению его сопротивления и, следовательно, к снижению сопротивления всей цепи между эмиттирующим электродом транзистора и корпусом. Таким образом одновременно происходят приращение тока за счет нелинейных искажений и снижение сопротивления цепи. Поэтому приращение тока за счет нелинейных искажений не приводит к увеличению напряжения на цепи и на выходе усилителя, то есть на клемме 7.
Для обеспечения компенсации нелинейных искажений, происходящих в транзисторе, необходимо, чтобы сопротивление цепи между эмиттирующим электродом и корпусом изменялось в соответствие со статической характеристикой транзистора. С этой целью с помощью регулируемого резистора 9 устанавливается оптимальный для компенсации режим работы диода по постоянному току. То есть выбирается рабочая точка на статической характеристике диода. Под оптимальным имеется в виду такой режим, при котором компенсация должна осуществляться в возможно большем размахе изменений тока. Кроме выбора рабочей точки на статической характеристике диода необходимо, чтобы цепь между эмиттирующим электродом транзистора и корпусом имела необходимую кривизну характеристики относительно выбранной точки покоя. Для этого диод, как нелинейный элемент, определяющий кривизну характеристики, соединен по переменному току через конденсатор 10 с частью линейного элемента, то есть резистора 6. Перемещением подвижного контакта этого резистора изменяется кривизна характеристики всей цепи между эмиттирующим электродом транзистора и корпусом.
Экспериментальные исследования подтверждают эффективность предложенного решения поставленной задачи.
ИСТОЧНИК ИНФОРМАЦИИ
1. Головин О.В. Радиоприемные устройства. – М.: Высш. шк. 1987.
Формула изобретения
Усилитель с общим управляемым электродом транзистора, содержащий транзистор, управляемый электрод которого соединен с источником питания, делитель напряжения цепи смещения, состоящий из двух последовательно соединенных резисторов, при этом точка соединения резисторов соединена с входной клеммой усилителя и управляющим электродом транзистора, а между корпусом и эмиттирующим электродом транзистора имеется резистор, причем эмиттирующий электрод транзистора связан с выходной клеммой усилителя, отличающийся тем, что в него введен диод, один вывод которого подсоединен к корпусу, а другой вывод подсоединен через регулируемый резистор к источнику питания и через конденсатор к подвижному контакту резистора, находящегося между корпусом и эмиттирующим электродом транзистора.
РИСУНКИ
|
|