|
|
(21), (22) Заявка: 2005118282/09, 14.06.2005
(24) Дата начала отсчета срока действия патента:
14.06.2005
(46) Опубликовано: 10.12.2006
(56) Список документов, цитированных в отчете о поиске:
RU 213794 C1, 27.01.1998. RU 2189689 С1, 20.09.2002. GB 2314430 А, 24.12.1997.
Адрес для переписки:
197371, Санкт-Петербург, ул. Мартыновская, 12, корп.1, кв.40, П.Г. Бабенко
|
(72) Автор(ы):
Бабенко Павел Геннадьевич (RU)
(73) Патентообладатель(и):
Бабенко Павел Геннадьевич (RU)
|
(54) СПОСОБ УПРАВЛЕНИЯ РЕЗОНАНСНЫМ ИНВЕРТОРОМ СО ВСТРЕЧНО-ПАРАЛЛЕЛЬНЫМИ ДИОДАМИ
(57) Реферат:
Изобретение относится к преобразовательной технике и может быть использовано в источниках питания для установок индукционного нагрева. Полученным техническим результатом является повышение надежности работы резонансного инвертора со встречно-параллельными диодами, работающего на нагрузку в виде последовательного колебательного контура, с изменяющимися в широких пределах параметрами и расширение области применения данного инвертора для технологий индукционного нагрева. Способ управления резонансным инвертором со встречно-параллельными диодами, работающим на нагрузку в виде последовательного колебательного контура, заключается в формировании и поочередной подаче импульсов управления на ключевые элементы инвертора, формирующие прямую и обратную полуволны тока в нагрузке. Измеряют мгновенное значение тока нагрузки, определяют моменты перехода мгновенного значения тока нагрузки через нулевое значение, вычисляют текущее среднее значение тока нагрузки, в соответствии с которым выбирают и генерируют управляющие последовательности импульсов, определяющие комбинации переключения ключевых элементов инвертора. Переключение ключевых элементов инвертора осуществляется в момент перехода мгновенного значения тока нагрузки через нулевое значение, а их комбинации обеспечивают временные интервалы, равные числу N=1, 2…9 полупериодов резонансной частоты колебаний тока нагрузки с подачей энергии в нагрузку и замкнутого состояния нагрузки. Если измеренное текущее среднее значение тока нагрузки превышает заданный порог, то выбирают и генерируют управляющие последовательности импульсов, обеспечивающие уменьшение отношения интервала подачи энергии в нагрузку к интервалу замкнутого состояния нагрузки, а если измеренное текущее среднее значение тока нагрузки меньше заданного порога, то выбирают и генерируют управляющие последовательности импульсов, обеспечивающие увеличение отношения интервала подачи энергии в нагрузку к интервалу замкнутого состояния нагрузки. 3 ил.
Изобретение относится к преобразовательной технике и может быть использовано в источниках питания для установок индукционного нагрева.
Известен резонансный инвертор напряжения со встречно-параллельными диодами (патент РФ №2072619, МКИ Н 02 М 7/48. Резонансный инвертор напряжения. / Яшкин В.И. – Заявл. 22.01.1993, опубл. 27.01.1997). Управление инвертором заключается в формировании и поочередной подаче импульсов управления на ключевые элементы инвертора, формирующие прямую и обратную полуволны тока в нагрузке, образованной последовательно включенных последовательного и параллельного колебательных контуров. Регулирование выходных параметров инвертора осуществляют изменением рабочей частоты инвертора между средней и высшей частотами собственных резонансов цепи.
Недостатком способа управления является возможность превышения допустимых значений токов ключевых элементов инвертора при изменении параметров нагрузки в широких пределах, характерных для большинства технологических процессов индукционного нагрева (нагрев ферромагнитных материалов выше температуры точки Кюри, режим к.з. при частичной или полной разгрузке индуктора). Это в свою очередь обуславливает низкую надежность инвертора и ограничивает область применений данного инвертора для технологий индукционного нагрева.
Известен способ управления резонансным инвертором со встречно-параллельными диодами, выбранный в качестве прототипа (патент РФ №2152683, МКИ Н 02 М 7/48. Способ управления резонансным инвертором со встречно-параллельными диодами / Силкин Е.М. – Заявл. 19.04.1999, опубл. 10.07.2000). Способ управления заключается в формировании и поочередной подаче импульсов управления на тиристоры, формирующие прямую и обратную полуволны тока в нагрузке, задании временного интервала, измерении напряжения на тиристорах, формировании логического сигнала, принимающего истинное значение при одновременном приложении прямого напряжения к тиристорам, формирующим прямую и обратную полуволны тока в нагрузке, разрешении отсчета временного интервала при истинном значении логического сигнала, подаче очередного импульса управления на тиристоры по истечении заданного временного интервала, измеряют длительность интервала проводящего состояния тиристора и встречно-параллельного диода, заданный временной интервал изменяют в функции длительности интервала проводящего состояния тиристора и встречно-параллельного диода, причем с увеличением длительности интервала проводящего состояния тиристора и встречно-параллельного диода заданный временной интервал пропорционально увеличивают, а с уменьшением длительности интервала проводящего состояния тиристора и встречно-параллельного диода заданный временной интервал пропорционально уменьшают.
Недостатком способа управления является возможность превышения допустимых значений токов ключевых элементов инвертора при изменении параметров нагрузки в широких пределах, характерных для большинства технологических процессов индукционного нагрева (нагрев ферромагнитных материалов выше температуры точки Кюри, режим к.з., при частичной или полной разгрузке индуктора). Это в свою очередь обуславливает низкую надежность инвертора и ограничивает область применений данного инвертора для технологий индукционного нагрева.
В основе изобретения лежит задача создания способа управления резонансным инвертором со встречно-параллельными диодами, работающим на нагрузку в виде последовательного колебательного контура с изменяющимися в широких пределах параметрами, при котором повышается надежность и расширяется область применений данного инвертора для технологий индукционного нагрева.
Поставленная задача решается тем, что способ управления резонансным инвертором со встречно-параллельными диодами, работающий на нагрузку в виде последовательного колебательного контура, так же как в прототипе, заключается в формировании и поочередной подаче импульсов управления на ключевые элементы инвертора, формирующие прямую и обратную полуволны тока в нагрузке.
Согласно изобретению измеряют мгновенное значение тока нагрузки, определяют моменты перехода мгновенного значения тока нагрузки через нулевое значение, вычисляют текущее среднее значение тока нагрузки, в соответствии с которым выбирают и генерируют управляющие последовательности импульсов, определяющие комбинации переключения ключевых элементов инвертора. При этом переключение осуществляется в момент перехода мгновенного значения тока нагрузки через нулевое значение, а комбинации переключения ключевых элементов инвертора обеспечивают временные интервалы, равные целому числу N=1, 2…9 полупериодов резонансной частоты колебаний тока нагрузки с подачей энергии в нагрузку и замкнутого состояния нагрузки, причем если измеренное текущее среднее значение тока нагрузки превысит заданный порог, то выбирают и генерируют управляющие последовательности импульсов, обеспечивающие уменьшение отношения интервала подачи энергии в нагрузку к интервалу замкнутого состояния нагрузки, а если измеренное текущее среднее значение тока нагрузки меньше заданного порога, то выбирают и генерируют управляющие последовательности импульсов, обеспечивающие увеличение отношения интервала подачи энергии в нагрузку к интервалу замкнутого состояния нагрузки.
Известно, что индуктор индукционной нагрузки имеет высокую добротность (Q=5-20). Последовательное соединение индуктора с компенсирующей емкостью образует индукционный контур, эквивалентный последовательному колебательному контуру. Подавая на данную нагрузку переменное напряжение с резонансной частотой, ее ток незначительно отличается от синусоиды. Поэтому при анализе резонансного инвертора, питающего индукционный контур, используют метод первой гармоники, обеспечивающий требуемую точность анализа в условиях хорошей фильтрации выходного параметра.
При управлении резонансным инвертором со встречно-параллельными диодами по заявленному способу в соответствии с методом первой гармоники среднее значение тока нагрузки равно:

где Е – напряжение питания (входное напряжение) инвертора, В;
R – активное сопротивление нагрузки, Ом;
– коэффициент регулирования выходного тока инвертора.
Коэффициент регулирования выходного тока инвертора зависит от количества подаваемой энергии в нагрузку и определяется как отношение числа полупериодов (Nn) колебательного тока нагрузки с подачей энергии от источника к сумме данного числа полупериодов и числа полупериодов (Nc) замкнутого состояния нагрузки со свободными затухающими колебаниями тока:

В связи с тем, что изменение значения данного коэффициента дискретно из-за целочисленных значений Nn=1, 2…9 и Nc=1, 2…9, то и регулирование выходного тока инвертора будет осуществляться также дискретно.
Управляющие последовательности импульсов, определяющие комбинации переключения ключевых элементов инвертора, формирующие прямую и обратную полуволну тока нагрузки и задающие коэффициент регулирования выходного тока инвертора, составляются из условия необходимой точности регулирования выходного тока, глубины его регулирования и соблюдения условия не затухающего до нулевого значения тока в нагрузке.
В общем случае могут быть применены управляющие последовательности комбинаций переключения ключевыми элементами инвертора, определяющие 19 режимов работы инвертора с различными коэффициентами регулирования выходного тока инвертора (фиг.1).
Первый режим работы инвертора с =1 является режимом без регулирования, когда во все полупериоды колебаний тока нагрузки происходит подача энергии от источника. В остальные 18 режимов работы инвертора осуществляется регулирование выходного тока инвертора от 90 до 10% от номинального значения тока инвертора без регулирования при постоянной номинальной нагрузке. Представленная зависимость (фиг.1) является регулировочной характеристикой резонансного инвертора со встречно-параллельными диодами по заявленному способу управления.
Выбор максимальных значений временных интервалов колебательного тока нагрузки с подачей энергии от источника и замкнутого состояния нагрузки со свободными затухающими колебаниями тока, соответственно равных числу полупериодов: Nn=9 и Nc=9, определяется несколькими факторами. Во-первых, дальнейшее увеличение данных временных интервалов не принесет ощутимого изменения значения коэффициента регулирования тока инвертора (фиг.1). Во-вторых, длительное замкнутое состояние нагрузки может привести к затуханию до нуля тока нагрузки, что сделает невозможным производить коррекцию и последующее согласование частоты переключения ключевых элементов инвертора в соответствии с резонансной частотой нагрузки. В-третьих, значительное увеличение интервалов замкнутого состояния нагрузки приводит к появлению субгармоник на частотах, значительно меньших резонансной частоты, что в свою очередь приводит к эмиссии низкочастотных помех в питающую сеть.
В связи тем, что ток нагрузки при регулировании носит затухающий характера, то при организации замкнутого контура регулирования по току (автоматический выбор управляющей последовательности в зависимости от тока нагрузки) в качестве сигнала обратной связи необходимо использовать среднее значение тока нагрузки, которое не зависит от добротности индукционного контура.
Следует отметить, что работа резонансного инвертора по заявленному способу управления может осуществлять как дискретное регулирование выходного тока инвертора в соответствии с заданными условиями технологического процесса, так и стабилизацию его значения в условиях многократного изменения параметров нагрузки.
За счет подобного управления резонансным инвертором со встречно-параллельными диодами гарантируется высокий коэффициент мощности во всем диапазоне регулирования, а мягкое переключение ключевых элементов инвертора обеспечивает минимальные динамические потери мощности в них. Еще одно преимущество способа управления состоит в том, что индукционный контур продолжает колебаться независимо от внешнего подвода энергии и тем самым может производиться коррекция и последующее согласование частоты переключения ключевых элементов инвертора в соответствии с резонансной частотой нагрузки. Существенным преимуществом способа управления является повышение надежности работы и расширение области применения для технологий индукционного нагрева резонансного инвертора со встречно-параллельными диодами, работающего на нагрузку в виде последовательного колебательного контура, с изменяющимися в широких пределах параметрами за счет обеспечения глубокого регулирования выходного значения тока инвертора.
Повышение надежности работы резонансного инвертора со встречно-параллельными диодами, работающего на нагрузку в виде последовательного колебательного контура, с изменяющимися в широких пределах параметрами и расширение области применения данного инвертора для технологий индукционного нагрева являются полученным техническим результатом, обусловленным новыми действиями и порядком их осуществления в способе управления.
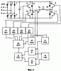
На фиг.1 приведена регулировочная характеристика резонансного инвертора со встречно-параллельными диодами по заявленному способу управления, на фиг 2 – схема устройства для реализации способа управления, на фиг.3 – временные диаграммы, поясняющие принцип управления.
Устройство для реализации способа содержит трехфазный мостовой выпрямитель (фиг.2) на диодах 1-6 с емкостным фильтром 7 на выходе, к которому подключен мостовой инвертор на транзисторах 8-11, зашунтированных встречными диодами 12-15. Нагрузка в виде индукционного контура, образованного последовательно включенными конденсатором 16 и индуктором, который в свою очередь образован последовательно включенными индуктивностью 17 и резистором 18, включена в диагональ инвертора последовательно с датчиком мгновенного значения тока 19, выход которого подключен к формирователю синхроимпульса 20 (ФСИ) и к преобразователю среднего значения 21 (ПСЗ). Выход преобразователя 21 соединен с первыми входами компараторов 22 (К1) и 23 (К2), вторые входы которых соединены с соответствующими выходами генератора опорных напряжений 24 (ГОН). Выходы компараторов 22, 23 подключены к реверсивному счетчику 25 (РСЧ), выход которого подключен к формирователю управляющих импульсов 26 (ФУС), к которому также подключен выход формирователя синхроимпульса 20 (ФСИ). Четыре выхода формирователя управляющих сигналов 26 соединены с входами выходных каскадов 27 (ВК1), 28 (ВК2), 29 (ВК3), 30 (ВК4), выходы которых соединены соответственно с управляющими электродами транзисторов 8, 10, 9, 11.
Формирователь синхроимпульсов 20 (ФСИ) собран на базе мостового выпрямителя, подключенного к компаратору с регулируемым уровнем срабатывания. Преобразователь среднего значения 21 (ПСЗ) собран на операционном усилителе по схеме интегратора. Генератор опорных напряжений 24 (ГОН) собран с помощью регулируемых резистивных делителей напряжения. Формирователь управляющих импульсов 26 (ФУИ) собран с применением микросхем памяти. Выходные каскады 27-30 (ВК1-ВК4) выполнены с использованием оптоэлектронных элементов. Остальные блоки устройства 22 (К1), 23 (К2), 25 (РСЧ) собраны с применением стандартных микросхем по типовым схемам включения.
Заявленный способ управления резонансным инвертором со встречно-параллельными диодами был применен в установке для индукционной пайки металлорежущего инструмента при температуре 850°С. Характерными особенностями данного технологического процесса является наличие трех режимов нагрева: “холодный”, “промежуточный” и “горячий”, а также режима смены инструмента. В силу электротехнических свойств стали “горячий” режим (нагрев выше температуры Кюри 750°С) относительно “холодного” режима нагрева характеризуется уменьшением в 3 и более раз активного сопротивления индуктора, а пустой индуктор при смене инструмента (режим к.з.) уменьшает свое активное сопротивление в 5-8 раз в зависимости от КПД индуктора, в рассматриваемом случае в 6 раз. В связи с данными фактами инвертор, питающий данный индукционный контур, должен адекватно реагировать на изменения его параметров во избежание перегрузки по току силовых транзисторов инвертора.
Устройство для реализации заявленного способа управления работает следующим образом. Трехфазное напряжение питающей сети выпрямляется диодами 1-6, фильтруется конденсатором 7 и подается на мостовой инвертор напряжения, транзисторы 8-11 с обратными диодами 12-15. В начальный момент при включении установки выходное значение реверсивного счетчика 25 (РСЧ) имеет минимальное значение, равное N25=1, в соответствии с этим числом формирователь 26 (ФУИ) генерирует последовательности управляющих импульсов, определяющие комбинации переключения силовых транзисторов инвертора в режиме с максимальным коэффициентом регулирования выходного тока инвертора, равным =1. Данные последовательности управляющих импульсов (Uу8, Uу9, Uу10, Uу11 фиг.3), синхронизированные импульсом синхронизации, с формирователя 20 (ФСИ) подаются на выходные каскады 27-30 (ВК1-ВК4), которые обеспечивают усиление управляющих импульсов до требуемого уровня и гальваническую развязку силовой и информационной частей устройства, а также формируют межкоммутационную паузу для исключения сквозных токов транзисторов в стойке инвертора. С выходов выходных каскадов 27-30 (ВК1-ВК4) управляющие импульсы подаются на управляющие электроды транзисторов 8-11, при этом обеспечивается поочередное переключение пар транзисторов 8, 11 и 9, 10 и соответствующее поочередное подключение индукционного контура к источнику питания. От источника (выпрямитель 1-6, фильтр 7) потребляется ток (Iпотр, временной интервал t0-t1, фиг.3) в каждый полупериод колебаний тока индукционного контура, и его величина по амплитуде является номинальным расчетным значением, на которую производился выбор силовых элементов схемы устройства. В данном интервале (t0-t1) работы устройства опорные напряжения U24B для компаратора 22 (К1) и U24H для компаратора 23 (К2), подающиеся с генератора опорных напряжений 24 (ГОН), подобраны таким образом, что величина среднего значения тока индуктора U21, измеренного в цепи индуктора датчиком 19 и преобразованного преобразователем 21 (ПСЗ), удовлетворяет условию U24B>U21>U24H (фиг.3). Вследствие нагрева паяемого инструмента плавно увеличивается “промежуточный” режим и затем уменьшается “горячий” режим нагрева, активное сопротивление индуктора. При этом пропорционально данному изменению растет ток индукционного контура. При достижении текущего среднего значение тока U21, превысит порог срабатывания компаратора 22 (К1), то по выходному сигналу данного компаратора произойдет декрементирование (N25+1) выходного состояния реверсивного счетчика 25 (РСЧ) до значения N=2. В соответствии с этим числом формирователь 26 (ФУИ) перестроится на выдачу последовательностей управляющих импульсов, соответствующих режиму работы инвертора с меньшим коэффициентом регулирования выходного тока, равным . Данный режим работы обеспечивает переключение транзисторов таким образом, что на каждые 10 полупериодов колебаний тока индукционного контура девять из них с потреблением тока от источника (выпрямитель 1-6, фильтр 7), а один полупериод замкнутого состояния индукционного контура. Алгоритм переключения транзисторов и пути протекания тока при закороченном состоянии контура будут показаны ниже. В связи с уменьшением количества полупериодов тока индукционного контура с подачей энергии от источника ток индукционного контура уменьшается и опять выполняется условие U24B>U21>U24H. Тем не менее нагрев паяемого инструмента продолжается, сопротивление индуктора падает, его ток растет, происходит очередное срабатывание компаратора 22 (К1) с последующим декрементированием выходного состояния счетчика 25, в соответствии с этим формирователь 26 поочередно генерирует управляющие последовательности импульсов, соответствующие режимам работы инвертора с коэффициентами регулирования выходного тока, равными , , и так далее в соответствии с фиг.1. Сопротивление индуктора приняло относительно установившееся значение при нагреве паяемого инструмента до температуры Кюри (750°С). В связи с этим при соблюдении условия U24B>U21>U24H выходное состояние счетчика приняло значение, равное N25=11, транзисторы инвертора переключаются по алгоритму, соответствующему коэффициенту регулирования выходного тока инвертора, равному , когда из трех полупериодов колебаний тока индукционного контура в один полупериод индукционный контур потребляет ток от источника (выпрямитель 1-6, фильтр 7), а два полупериода контур находится в закороченном состоянии (интервал t2-t3, фиг.3). Режим закороченного состояния индукционного контура осуществляется путем снятия управляющих сигналов с транзисторов 8, 9, но продолжения поочередного переключения транзисторов 10, 11, при этом положительная полуволна тока нагрузки замыкается по включенному транзистору 10 и обратному диоду 15, а отрицательная полуволна – по транзистору 11 и обратному диоду 14 (ток индуктора Iвых на интервале t2-t3, фиг.3). Из диаграммы (фиг.3) видно, что при приложении напряжения (Uвых) к индукционному контуру амплитудное значение тока через транзисторы и обратные диоды инвертора незначительно (10%) превышает номинальное расчетное значение из-за последующего затухающего характера тока индуктора в остальные полупериоды колебаний, при этом среднее значение тока должно оставаться постоянным и удовлетворять условию U24B>U21>U24H.
Окончание процесса пайки сопровождается сменой паяемого инструмента на очередной инструмент. При выемке инструмента из индуктора его активное сопротивление определяется только активным сопротивлением материала, из которого он изготовлен. Происходит уменьшение сопротивления индуктора и рост тока индукционного контура, повторяется последовательность действий, аналогичная переходу от “холодного” режима нагрева к “горячему”. Для пустого индуктора происходит адаптация алгоритма переключения транзисторов инвертора, соответствующего его режиму работы с коэффициентом регулирования выходного тока инвертора, равным , когда из шести полупериодов колебаний тока индуктора в один полупериод индукционный контур потребляет ток от источника (выпрямитель 1-6, фильтр 7), а пять полупериодов контур находится в закороченном состоянии (интервал t4-t5, фиг.3). Амплитудное значение тока через транзисторы и обратные диоды инвертора превышает номинальное расчетное значение на 20%.
Ввод нового, холодного инструмента для пайки в индуктор сопровождается увеличением активного сопротивления индуктора, уменьшается ток индукционного контура, нарушается условие U2124H, происходит срабатывание компаратора 23 (К2), по сигналу которого инкрементируется (N25-1) выходное состояние счетчика 25, и формирователь 26 (ФУИ) осуществляет последовательный перебор и выдачу последовательностей управляющих импульсов, соответствующих режимам работы инвертора с коэффициентами регулирования выходного тока инвертора с до =1 для очередного “холодного” режима нагрева.
Таким образом происходит непрерывный процесс пайки с максимальным и неизменным током индуктора, а амплитуда тока через транзисторы и обратные диоды инвертора не превышает 10-20% от номинального расчетного значения.
Использование предложенного способа управления резонансным инвертором со встречно-параллельными диодами, работающим на нагрузку в виде последовательного колебательного контура, позволяет ограничить повышение токов через силовые ключи инвертора при многократном изменении параметров нагрузки в сторону режима к.з., что является гарантией надежной работы инвертора. Кроме того, регулировочная характеристика инвертора определяет возможность его применения для различных технологий индукционного нагрева, где имеют место значительные изменения параметров индукционной нагрузки, а также есть необходимость проведения технологии нагрева по заданному закону дозирования мощности нагрева во времени.
Формула изобретения
Способ управления резонансным инвертором со встречно-параллельными диодами, работающим на нагрузку в виде последовательного колебательного контура, заключающийся в формировании и поочередной подаче импульсов управления на ключевые элементы инвертора, формирующие прямую и обратную полуволны тока в нагрузке, отличающийся тем, что измеряют мгновенное значение тока нагрузки, определяют моменты перехода мгновенного значения тока нагрузки через нулевое значение, вычисляют текущее среднее значение тока нагрузки, в соответствии с которым выбирают и генерируют управляющие последовательности импульсов, определяющие комбинации переключения ключевых элементов инвертора, при этом переключение осуществляют в момент перехода мгновенного значения тока нагрузки через нулевое значение, а комбинации переключения ключевых элементов инвертора обеспечивают временные интервалы, равные числу N=1, 2…9 полупериодов резонансной частоты колебаний тока нагрузки с подачей энергии в нагрузку и замкнутого состояния нагрузки, причем если измеренное текущее среднее значение тока нагрузки превышает заданный порог, то выбирают и генерируют управляющие последовательности импульсов, обеспечивающие уменьшение отношения интервала подачи энергии в нагрузку к интервалу замкнутого состояния нагрузки, а если измеренное текущее среднее значение тока нагрузки меньше заданного порога, то выбирают и генерируют управляющие последовательности импульсов, обеспечивающие увеличение отношения интервала подачи энергии в нагрузку к интервалу замкнутого состояния нагрузки.
РИСУНКИ
QB4A – Регистрация лицензионного договора на использование изобретения
Лицензиар(ы): Бабенко Павел Геннадьевич
Вид лицензии*: НИЛ
Лицензиат(ы): Общество с ограниченной ответственностью “ИнтерСЭЛТ”
Договор № РД0065202 зарегистрирован 01.06.2010
Извещение опубликовано: 10.07.2010 БИ: 19/2010
* ИЛ – исключительная лицензия НИЛ – неисключительная лицензия
|
|