|
|
(21), (22) Заявка: 2005101572/09, 24.01.2005
(24) Дата начала отсчета срока действия патента:
24.01.2005
(46) Опубликовано: 10.12.2006
(56) Список документов, цитированных в отчете о поиске:
SU 151296 A1, 15.10.1989. RU 2169984 С1, 27.06.2001. RU 2061995 С1,10.06.1996. SU 1474791 А1, 23.04.1989. SU 1399870 A1, 30.05.1988. GB 2171567 А, 28.08.1986. US 4276479 А, 30.06.1981. FR 2614479 A1, 28.10.1988. DE 2604491 A, 04.08.1977. EP 0668647 A, 23.08.1995. WO 91/09439 A1, 27.06.1991.
Адрес для переписки:
432001, г.Ульяновск, ул. К. Маркса, 12, ЗАО “Контактор”, А.Ф. Кузьмину
|
(72) Автор(ы):
Силкин Евгений Михайлович (RU), Кузьмин Александр Федорович (RU)
(73) Патентообладатель(и):
Закрытое акционерное общество “Контактор” (RU)
|
(54) СПОСОБ УПРАВЛЕНИЯ ИНВЕРТОРОМ ТОКА
(57) Реферат:
Изобретение относится к преобразовательной технике и может быть использовано в системах управления для установок индукционного нагрева. Техническим результатом является повышение надежности работы инвертора тока, работающего на нагрузку в виде параллельного колебательного контура. Способ управления инвертором тока с самовозбуждением заключается в формировании и поочередной подаче импульсов управления на вентили, формирующие прямую и обратную полуволны напряжения на нагрузке. При этом измеряют мгновенное направление на нагрузке, формируют опорное напряжение, а очередной импульс управления на вентили формируют и подают с опережением относительно момента перехода мгновенного напряжения на нагрузке через нулевое значение в момент равенства мгновенного напряжения на нагрузке опорному напряжению. Опорное напряжение формируют из мгновенного напряжения на нагрузке путем изменения фазы сигнала, пропорционального мгновенному напряжению на нагрузке, и нормирования указанного сигнала умножением на числовой коэффициент. 2 ил.
Изобретение относится к преобразовательной технике и может быть использовано в системах управления установок индукционного нагрева.
Недостатком способа управления является низкая надежность работы инвертора тока из-за отсутствия стабилизации угла опережения в переходных режимах при возмущениях по нагрузке и напряжению питания.
Недостатком способа управления является низкая надежность работы инвертора тока из-за отсутствия стабилизации угла опережения в переходных режимах при возмущениях по нагрузке и напряжению питания.
Данный способ управления инвертором тока выбирается в качестве прототипа.
Недостатком способа управления является низкая надежность работы инвертора тока из-за пониженной точности стабилизации угла опережения в переходных режимах при возмущениях по нагрузке и напряжению питания.
Изобретение направлено на решение задачи повышения надежности работы инвертора тока, что является целью изобретения.
Указанная цель достигается тем, что в способе управления инвертором тока с самовозбуждением, работающим на нагрузку в виде параллельного колебательного контура, заключающемся в формировании и поочередной подаче импульсов управления на вентили, формирующие прямую и обратную полуволны напряжения на нагрузке, измеряют мгновенное напряжение на нагрузке, формируют опорное напряжение, а очередной импульс управления на вентили формируют и подают с опережением относительно момента перехода мгновенного напряжения на нагрузке через нулевое значение в момент равенства мгновенного напряжения на нагрузке опорному напряжению, опорное напряжение формируют из мгновенного напряжения на нагрузке путем изменения фазы сигнала, пропорционального мгновенному напряжению на нагрузке, и нормирования указанного сигнала умножением на числовой коэффициент.
Существенным отличием, характеризующим изобретение, является повышение надежности работы инвертора тока с самовозбуждением, работающего на нагрузку в виде параллельного колебательного контура. Повышение надежности работы обеспечивается за счет более точной стабилизации угла опережения в переходных режимах при возмущениях по нагрузке и питанию инвертора тока. Опорное напряжение формируется непрерывно в течение каждого полупериода. В результате повышается устойчивость работы инвертора тока на изменяющуюся нагрузку и снижается вероятность срывов инвертирования. Улучшаются условия пуска инвертора тока.
Повышение надежности работы инвертора тока является полученным техническим результатом, обусловленным новыми действиями и порядком их осуществления в способе управления, т.е. отличительными признаками. Таким образом, отличительные признаки заявляемого способа управления инвертором тока являются существенными.
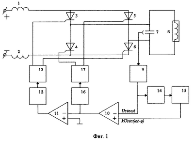
На фиг.1 приведена схема устройства для реализации способа управления, на фиг.2 – временные диаграммы, поясняющие способ управления инвертором тока.
Способ управления инверторам тока с самовозбуждением, работающим на нагрузку в виде параллельного колебательного контура, реализуется следующими действиями. Формируют и поочередно подают импульсы управления на вентили, формирующие прямую и обратную полуволны напряжения на нагрузке. При этом измеряют мгновенное напряжение на нагрузке. Формируют опорное напряжение, а очередной импульс управления на вентили формируют и подают с опережением относительно момента перехода мгновенного напряжения на нагрузке через нулевое значение в момент равенства мгновенного напряжения на нагрузке опорному напряжению. Опорное напряжение формируют из мгновенного напряжения на нагрузке путем изменения фазы сигнала, пропорционального мгновенному напряжению на нагрузке, и нормирования указанного сигнала умножением на числовой коэффициент.
Устройство для реализации способа управления инвертором тока с самовозбуждением содержит подключенный к входным выводам через дроссели фильтра 1, 2 однофазный мост на четырех вентилях 3-6 с нагрузкой в виде параллельного колебательного контура, образованного компенсирующим конденсатором 7, и индуктором 8, последовательную цепь, содержащую датчик напряжения 9 на нагрузке, компаратор 10, второй компаратор 11, формирователь импульса управления 12 и выходной каскад 13, выходы которого соединены с управляющими электродами вентилей диагонали однофазного моста, вторую последовательную цепь, содержащую фазовращатель 14, вход которого соединен с выходом датчика напряжения на нагрузке, блок умножения 15, выход которого соединен с вторым входом компаратора, третью последовательную цепь, содержащую второй формирователь импульса управления 16, вход которого соединен с выходом компаратора, и второй выходной каскад 17, выходы которого соединены с управляющими электродами вентилей второй диагонали однофазного моста.
При управлении инвертором тока по заявляемому способу управления включение очередной пары вентилей 3, 6 или 4, 5 производится с опережением относительно момента перехода мгновенного значения напряжения на нагрузке 7, 8 через нулевое значение. Угол опережения в общем случае принадлежит интервалу
]wtо, /2[,
где w – угловая частота, tо – паспортное время выключения вентилей, – число “пи”.
Устройство для реализации способа управления работает следующим образом. Вентили диагоналей моста инвертора 3, 6 и 4, 5 включаются поочередно. При работе вентилей 3-6 на нагрузочном контуре, образованном компенсирующим конденсатором 7 и индуктором 8, формируются прямая и обратная полуволны напряжения. Компенсирующий конденсатор 7 обеспечивает компенсацию реактивности индуктора 8. Дроссели фильтра 1, 2 предназначены для сглаживания входного тока инвертора. Инвертор тока работает по принципу самовозбуждающегося со стабилизацией угла опережения . Стабилизация угла опережения обеспечивает работу инвертора с коммутацией вентилей за счет энергии компенсирующего конденсатора 7, поддержание заданного времени выключения вентилей (превышающее паспортное время выключения) и стабилизацию действующего значения выходного напряжения инвертора тока
U=vE/cos ,
где v – схемный коэффициент, Е – напряжение питания инвертора тока.
Угол опережения формируется следующим образом. Мгновенное напряжение на нагрузке измеряется датчиком напряжения 9. На выходе датчика напряжения 9 формируется сигнал, пропорциональный мгновенному значению напряжения на нагрузке (см. фиг.2, диаграмма 9). Индуктор 8 индукционного нагревателя имеет высокую добротность, в результате чего форма мгновенного напряжения на нагрузке близка к синусоидальной
u1=U0sinwt.
На выходе фазовращателя 14 сигнал имеет измененную на угол фазу
u2=U0sin(wt- ).
Угол в общем случае принадлежит интервалу ] /6, /2[ и может быть положительным и отрицательным. На приведенных диаграммах угол имеет положительное значение. Для более точной установки угла опережения сигнал с выхода фазовращателя 14 нормируется умножением на числовой коэффициент k в блоке умножения 15
u3=kU0sin(wt- ).
Числовой коэффициент k также может принимать положительное и отрицательное значения (в зависимости от знака угла сдвига фазы ) и его модуль принадлежит интервалу ]1/2, 3/2[. На диаграмме 15 углы опережения 1 и 2 соответствуют различным значениям числового коэффициента k, а угол сдвига фазы – значению /2. В момент равенства сигналов мгновенного напряжения на нагрузке 7 и опорного напряжения с выхода блока умножения 15, поступающих на входы компаратора 10, на его выходе напряжение изменяет знак (см. диаграмму 10) с отрицательного значения на положительное. При изменении знака выходного напряжения на компараторах 10, 11 с отрицательного значения на положительное формирователи импульсов управления 16 и 12, соответственно, формируют импульсы управления вентилями 4, 5 и 3, 6. Гальваническая развязка системы управления и силовой части инвертора тока и усиление импульсов управления осуществляется выходными каскадами 17 и 13. На диаграмме 11 приведен сигнал на выходе компаратора 11. На диаграммах 13, 17 изображены импульсы управления вентилей 3-6 на выходах выходных каскадов 13, 17.
Временные диаграммы 9-17 соответствуют установившемуся режиму работы инвертора тока.
Из временных диаграмм видно, что угол опережения определяется непрерывно в течение каждого полупериода выходного напряжения. Так как формирование опорного напряжения (диаграмма 15) осуществляется из сигнала, пропорционального мгновенному напряжению на нагрузке, угол опережения не зависит от уровня выходного напряжения инвертора тока и стабилизируется с максимальным быстродействием и высокой точностью.
По сравнению с прототипом повышается надежность работы инвертора тока с самовозбуждением, работающего на нагрузку в виде параллельного колебательного контура. По заявляемому способу управления включение очередных вентилей производится с опережением относительно момента перехода мгновенного значения напряжения на нагрузке через нулевое значение. При этом угол опережения стабилизируется с максимально возможным быстродействием и высокой точностью. В результате снижается вероятность срыва инвертирования в переходных процессах при возмущениях по нагрузке и напряжению питания инвертора тока. Существенно улучшаются пусковые режимы инвертора тока. Уменьшается число неудачных пусков инвертора тока при работе. Уменьшение числа срывов инвертирования, сопровождающихся, как правило, перегрузками по току элементов инвертора тока, что может привести к выходу его из строя, существенно повышает надежность работы на индукционный нагреватель с изменяющимися параметрами. Повышение надежности работы инвертора оценивается по времени наработки на отказ. При этом по результатам опытной эксплуатации установлено, что при управлении по заявляемому способу управления время наработки на отказ инвертора тока увеличивается в 1,5 раза по сравнению с прототипом.
Формула изобретения
Способ управления инвертором тока с самовозбуждением, работающим на нагрузку в виде параллельного колебательного контура, заключающийся в формировании и поочередной подаче импульсов управления на вентили, формирующие прямую и обратную полуволны напряжения на нагрузке, при этом измеряют мгновенное напряжение на нагрузке, формируют опорное напряжение, а очередной импульс управления на вентили формируют и подают с опережением относительно момента перехода мгновенного напряжения на нагрузке через нулевое значение в момент равенства мгновенного напряжения на нагрузке опорному напряжению, отличающийся тем, что опорное напряжение формируют из мгновенного напряжения на нагрузке путем изменения фазы сигнала, пропорционального мгновенному напряжению на нагрузке, и нормирования указанного сигнала умножением на числовой коэффициент.
РИСУНКИ
MM4A – Досрочное прекращение действия патента СССР или патента Российской Федерации на изобретение из-за неуплаты в установленный срок пошлины за поддержание патента в силе
Дата прекращения действия патента: 25.01.2007
Извещение опубликовано: 20.06.2008 БИ: 17/2008
|
|