|
|
(21), (22) Заявка: 2005115388/09, 12.05.2005
(24) Дата начала отсчета срока действия патента:
12.05.2005
(46) Опубликовано: 10.12.2006
(56) Список документов, цитированных в отчете о поиске:
Микросхемы для импульсных источников питания и их применение. Справочник, Москва, Додэка XXI, 2001, с.248. RU 2095277 C1, 10.11.1994. DE 3936985, 08.05.1991. DE 3681281, 10.10.1991. US 5154172, 13.10.1992. US 5845141, 12.01.1998.
Адрес для переписки:
198095, Санкт-Петербург, ул. Маршала Говорова, 29, Д.И. Васильеву
|
(72) Автор(ы):
Молодцов Александр Петрович (RU), Васильев Дмитрий Игоревич (RU), Кашин Александр Леонидович (RU)
(73) Патентообладатель(и):
Молодцов Александр Петрович (RU), Васильев Дмитрий Игоревич (RU), Кашин Александр Леонидович (RU)
|
(54) ИСТОЧНИК ПИТАНИЯ ЭЛЕКТРОМАГНИТНЫХ КОМПЕНСАТОРОВ
(57) Реферат:
Изобретение относится к области размагничивания кораблей и может быть использовано для питания обмоток размагничивания и электромагнитных компенсаторов взамен применяемых в настоящее время электромашинных преобразователей. В основе изобретения лежит преобразование с помощью аналогового коммутатора двухполярного входного задающего сигнала в однополярный сигнал, усиление его управляемым импульсным источником питания и синхронное преобразование управляемым инвертором в двухполярный выходной сигнал. Техническим результатом является повышение надежности, уменьшение массогабаритных характеристик и повышение точности источника питания. 3 ил.
Область техники, к которой относится изобретение.
Изобретение относится к устройствам размагничивания кораблей.
Уровень техники.
Известные устройства размагничивания кораблей, например, описанные в книге Б.А.Ткаченко. История размагничивания кораблей советского военно-морского флота, Л.: Наука, 1981 г., предполагают создание магнитного поля, компенсирующего магнитное поле Земли в месте нахождения корабля, и поля, создаваемого ферромагнитными массами корабля. Для этой цели используются ортогональные обмотки размагничивания или электромагнитные компенсаторы, расположенные на ферромагнитных массах корабля. Питание обмоток в настоящее время осуществляется электромашинными преобразователями (прототип настоящего изобретения).
Известны также управляемые источники питания, например, фазосдвигающий ШИМ-конвертор, построенный на фазосдвигающем резонансном контроллере UC3875 (отечественный аналог 1156Е1). Схема такого конвертора, описанная в справочнике Микросхемы для импульсных источников питания и их применение (М.: издательский дом “Додэка XXI”, 2001 г., стр.248), позволяет получить высокоточный управляемый источник питания мощностью до десятков кВт. Но он не может быть применен для питания обмоток размагничивания, т.к. это однополярный источник.
Раскрытие изобретения.
Для питания электромагнитных компенсаторов в системах размагничивания кораблей требуется усиление двухполярного (синусоидального) входного сигнала. Электромашинные преобразователи имеют ряд недостатков – шумность, значительные габариты и массу, низкую надежность. Попытки создания управляемых импульсных источников питания с микропроцессорной системой управления также показали их недостаточную точность и быстродействие из-за необходимости двойного преобразования входного сигнала (аналог-цифра-аналог) и низкую надежность из-за наличия сбоев в системе управления, что недопустимо для класса необслуживаемых систем.
Задача изобретения.
Задача изобретения заключается в повышении надежности, уменьшении массогабаритных характеристик и повышении точности источника питания.
Технический результат достигается путем преобразования входного двухполярного сигнала в однополярный в момент его перехода через ноль с помощью аналогового коммутатора с одновременным изменением направления тока в нагрузке с помощью инвертора. Однополярный входной сигнал отрабатывается аналоговой электронной следящей системой, обеспечивающей ток в электромагнитном компенсаторе, пропорциональный входному сигналу.
Описание чертежей.
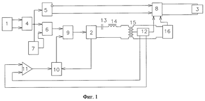
Фиг.1 – структурная схема источника питания электромагнитных компенсаторов.
Фиг.2 – принципиальная схема фазосдвигающего ШИМ-конвертора.
Фиг.3 – принципиальная схема инвертора.
Примечание. На чертежах и далее в тексте ОУ – операционный усилитель.
Осуществление изобретения.
Предлагаемый на фиг.1 источник питания электромагнитных компенсаторов содержит источник задающего воздействия 1, фазосдвигающий ШИМ-конвертор 2 и электромагнитный компенсатор 3, отличается тем, что выход источника 1 соединен со входом ОУ4 с гальванической развязкой, выход которого соединен со входом компаратора 5, с первым входом аналогового коммутатора 6 напрямую, а со вторым – через инвертирующий ОУ7, прямой выход компаратора 5 соединен со входами управления коммутатора 6 и инвертора 8, а инверсный выход – со вторым входом управления инвертора 8, выход коммутатора 6 соединен с инверсным входом измерительного ОУ9, прямой вход которого соединен с выходом суммирующего ОУ10, первый вход которого соединен с выходом опорного напряжения конвертора 2, а второй – с выходом второго ОУ11 с гальванической развязкой, входы которого соединены с выходами датчика тока 12, выход измерительного ОУ9 соединен со входом управления конвертора 2, в диагонали которого через последовательно соединенные разделительный конденсатор 13, накопительный дроссель 14 включена первичная обмотка силового трансформатора 15, вторичная обмотка которого по пушпульной схеме через выпрямитель 16 и датчик тока 12 соединена с цепью питания инвертора 8, выход инвертора 8 является выходом устройства и соединен с нагрузкой – компенсатором 3.
Работа устройства.
Работает устройство следующим образом.
Источник задающего воздействия 1 вырабатывает сигнал постоянного тока, величина и полярность которого зависят от курса и координат корабля. Этот сигнал поступает на вход гальванически развязанного ОУ4. Требование гальванической развязки входного сигнала является требованием систем размагничивания кораблей. При этом гальваническая развязка может быть как составной частью ОУ (например микросхема AD 202JN фирмы ANALOG DEVICES), так и выполнена в виде самостоятельного узла (например по схеме: модулятор – трансформатор – демодулятор). Сигнал по цепи главной обратной связи снимается с датчика тока 12, выполненного, например, в виде шунта, включенного последовательно в цепь питания инвертора 8, и поступает на ОУ11, аналогичный ОУ4, и далее на суммирующий ОУ10. Сумма напряжений – напряжение цепи обратной связи плюс опорное напряжение конвертора – поступает на прямой вход измерительного ОУ9. Такая схема необходима в связи с тем, что фазосдвигающий ШИМ-конвертор может усиливать только положительные сигналы от опорного напряжения и ниже. Сигнал обратной связи всегда положителен, т.к. ток на выходе конвертора изменяется от нуля до Iном. Полярность входного сигнала может изменяться с частотой до 0,5 Гц. Для преобразования двухполярного входного сигнала в однополярный на входы аналогового коммутатора 6 поступают два сигнала – прямой от ОУ4 и инвертированный от ОУ7. Переключение коммутатора 6 происходит по команде компаратора 5, настроенного по схеме “нуль-органа”, т.е. информация на его выходе меняется при переходе входного сигнала через ноль. Эта же информация используется для переключения инвертора 8, изменяющего направление тока в нагрузке 3.
В качестве компаратора может быть использована ИМС 521САЗ, а в качестве коммутатора – ИМС 590КН3.
Выпрямленный входной сигнал поступает на инверсный вход измерительного ОУ9. В результате выходной сигнал ОУ9 будет представлять из себя разницу
Q=Uоп+k1Uoc-k2Uвх,
где Q – выходной сигнал ОУ9,
Uоп – опорное напряжение конвертора,
Uoc – сигнал обратной связи,
Uвх – сигнал источника задающего воздействия,
k1 и k2 – коэффициенты передачи ОУ, которые выбираются из соображений устойчивости и заданной точности следящей системы.
Величина Q является сигналом рассогласования следящей системы и управляющим сигналом для конвертора 2.
Вариант исполнения управляемого мостового каскада фазосдвигающего ШИМ-конвертора 2 представлен на фиг.2.
Фазосдвигающий ШИМ-конвертор 2 представлен мостовой схемой из четырех мощных полевых транзисторов, затворы которых через разделительные трансформаторы соединены с выходами А, В, С, D фазосдвигающего резонансного контроллера, в качестве которого может быть использована микросхема 1156ЕУ4 (импортный аналог UC3875 фирмы UNITRODE).
На управляющий вход конвертора 2 поступает сигнал “Q” с ОУ9. Частота переключения транзисторов задается контроллером и определяется конструктивными требованиями и стоимостью элементной базы. Оптимальная частота лежит в пределах 10-30 кГц. Фаза переключения транзисторов зависит от величины входного сигнала.
Питание конвертора 2 осуществляется выпрямленным напряжением сети переменного тока. Выходное напряжение конвертора 2 поступает через разделительный конденсатор 13 и накопительный дроссель 14 на первичную обмотку трансформатора 15. Конденсатор 13 служит для уменьшения постоянной составляющей, намагничивающей сердечник дросселя 14, который в свою очередь служит для уменьшения потерь транзисторных ключей в момент переключения.
Промодулированное напряжение с вторичной обмотки трансформатора 15 через выпрямитель 16 (фиг.1) поступает в цепь питания управляемого инвертора 7, вариант исполнения которого представлен на Фиг 3.
Управляемый инвертор представлен мостовой схемой из четырех мощных полевых транзисторов, затворы которых управляются двумя полумостовыми драйверами типа IR2110 фирмы INTERNATIONAL RECTIFIER таким образом, что направление тока в диагонали инвертора зависит от полярности сигнала на выходе ОУ4, поступающего через компаратор 5.
Таким образом, величина тока в электромагнитном компенсаторе 3, включенном в диагональ инвертора, будет пропорциональна величине задающего сигнала, а направление тока соответствовать полярности задающего сигнала.
Формула изобретения
Источник питания электромагнитных компенсаторов, содержащий источник задающего воздействия, фазосдвигающий ШИМ-конвертор и электромагнитный компенсатор, отличающийся тем, что выход источника соединен со входом ОУ с гальванической развязкой, выход которого соединен со входом компаратора, с первым входом аналогового коммутатора напрямую, а со вторым – через инвертирующий ОУ, прямой выход компаратора соединен со входами управления коммутатора и инвертора, а инверсный выход – со вторым входом управления инвертора, выход коммутатора соединен с инверсным входом измерительного ОУ, прямой вход которого соединен с выходом суммирующего ОУ, первый вход которого соединен с выходом опорного напряжения конвертора, а второй – с выходом второго ОУ с гальванической развязкой, входы которого соединены с выходами датчика тока, выход измерительного ОУ соединен со входом управления конвертора, в диагонали которого через последовательно соединенные разделительный конденсатор, накопительный дроссель включена первичная обмотка силового трансформатора, вторичная обмотка которого по пушпульной схеме через выпрямитель и датчик тока соединена с цепью питания инвертора, выход инвертора является выходом устройства и соединен с нагрузкой – компенсатором.
РИСУНКИ
MM4A – Досрочное прекращение действия патента СССР или патента Российской Федерации на изобретение из-за неуплаты в установленный срок пошлины за поддержание патента в силе
Дата прекращения действия патента: 13.05.2007
Извещение опубликовано: 27.07.2008 БИ: 21/2008
NF4A – Восстановление действия патента СССР или патента Российской Федерации на изобретение
Дата, с которой действие патента восстановлено: 10.12.2008
Извещение опубликовано: 10.12.2008 БИ: 34/2008
|
|