|
|
(21), (22) Заявка: 2003113821/09, 12.05.2003
(24) Дата начала отсчета срока действия патента:
12.05.2003
(43) Дата публикации заявки: 10.11.2004
(46) Опубликовано: 10.12.2006
(56) Список документов, цитированных в отчете о поиске:
RU 2159497 C1, 20.11.2000. RU 2159498 C1, 20.11.2000. ЕР 1225791 А1, 24.07.2002. US 6194845 А, 24.02.2001.
Адрес для переписки:
432027, г.Ульяновск, ул. У. Громовой, 4, кв.84, Е.М. Силкину
|
(72) Автор(ы):
Силкин Евгений Михайлович (RU)
(73) Патентообладатель(и):
Акционерное общество открытого типа ЭЛСИ (RU)
|
(54) СПОСОБ УПРАВЛЕНИЯ ИНВЕРТОРОМ НАПРЯЖЕНИЯ
(57) Реферат:
Изобретение относится к преобразовательной технике и может быть использовано в системах управления с инверторами напряжения (ИН) для озонаторов и газоразрядных ламп. Техническим результатом является повышение надежности работы ИН. Способ управления ИН, работающим на нагрузку с индуктивностью, заключается в формировании и поочередной подаче сигналов управления (СУ) на вентили (ВН), формирующие прямой и обратный импульсы тока (ТО) в НА. Измеряют мгновенное значение ТО в диагонали (ДИ) переменного ТО ИН. Определяют момент равенства мгновенного значения ТО в ДИ переменного ТО ИН нулевому значению. Подают СУ и включают очередные ВН в момент равенства мгновенного значения ТО в ДИ переменного ТО ИН нулевому значению. Задают уровень ТО. Сравнивают мгновенное значение ТО в ДИ переменного ТО ИН с заданным уровнем ТО. Снимают СУ и ранее включенные ВН выключают в момент превышения мгновенным значением ТО в ДИ переменного ТО ИН заданного уровня ТО. Для регулирования ТО в НА регулируют заданный уровень ТО. 2 ил.
Изобретение относится к электротехнике и может быть использовано в системах управления с инверторами напряжения для озонаторов и газоразрядных ламп.
Недостатком способа управления является низкая надежность работы инвертора напряжения на озонатор и газоразрядную лампу из-за возможных перегрузок вентилей при контрактации разряда, а также при выходе из строя диэлектрического барьера или изменении формы разряда.
Недостатком способа управления является низкая надежность работы инвертора напряжения на озонатор и газоразрядную лампу из-за возможных перегрузок вентилей при контрактации разряда, а также при выходе из строя диэлектрического барьера или изменении формы разряда.
Известен способ управления инвертором напряжения, работающим на нагрузку с индуктивностью, по которому формируют и поочередно подают сигналы управления на вентили, формирующие прямой и обратный импульсы тока в нагрузке, для регулирования тока в нагрузке сигналы управления на вентили, формирующие прямой и обратный импульсы тока в нагрузке, регулируют по длительности (П. 2031534 Россия, МКИ H 05 М 5/45. Преобразователь переменного тока для питания индуктора/Силкин Е.М. – Заявл. 22.09.92, Опубл. 20.03.95. – Бюл. N 8).
Недостатком способа управления является низкая надежность работы инвертора напряжения на озонатор и газоразрядную лампу из-за возможных перегрузок вентилей при контрактации разряда, а также при выходе из строя диэлектрического барьера или изменении формы разряда.
Наиболее близким по технической сущности к изобретению является способ управления инвертором напряжения (П. 2159497 Россия, МКИ Н 05 М 5/44. Способ управления преобразователем частоты / Силкин Е.М. – Заявл. 13.04.99, Опубл. 20.11.00. – Бюл. N 8), который и рассматривается в качестве прототипа.
Способ управления инвертором напряжения, работающим на нагрузку с индуктивностью, по которому формируют и поочередно подают сигналы управления на вентили, формирующие прямой и обратный импульсы тока в нагрузке, измеряют мгновенное значение тока в диагонали переменного тока инвертора напряжения, определяют момент равенства мгновенного значения тока в диагонали переменного тока инвертора напряжения нулевому значению, подают сигнал управления и включают очередные вентили в момент равенства мгновенного значения тока в диагонали переменного тока инвертора напряжения нулевому значению, вырабатывают прямоугольные импульсы с периодом 0,5 Т, где Т – период тока в нагрузке, срез которых задает момент снятия сигнала управления и выключения ранее включенных вентилей, для регулирования тока в нагрузке регулируют момент подачи сигнала управления и включения вентилей в диапазоне, от момента равенства мгновенного значения тока в диагонали переменного тока инвертора напряжения нулевому значению, до половины периода тока в нагрузке.
Недостатком прототипа является недостаточная надежность работы инвертора напряжения на озонатор и газоразрядную лампу из-за возможных перегрузок вентилей при контрактации разряда, а также при выходе из строя диэлектрического барьера или изменении формы разряда.
Изобретение направлено на решение задачи повышения надежности работы инвертора напряжения в составе системы управления озонатором или газоразрядной лампой, что является целью изобретения.
Повышение надежности работы инвертора напряжения достигается тем, что в способе управления инвертором напряжения, работающим на нагрузку с индуктивностью, по которому формируют и поочередно подают сигналы управления на вентили, формирующие прямой и обратный импульсы тока в нагрузке, измеряют мгновенное значение тока в диагонали переменного тока инвертора напряжения, определяют момент равенства мгновенного значения тока в диагонали переменного тока инвертора напряжения нулевому значению, подают сигнал управления и включают очередные вентили в момент равенства мгновенного значения тока в диагонали переменного тока инвертора напряжения нулевому значению, задают уровень тора, сравнивают мгновенное значение тока в диагонали переменного тока инвертора напряжения с заданным уровнем тока, снимают сигнал управления и ранее включенные вентили выключают в момент превышения мгновенным значением тока в диагонали переменного тока инвертора напряжения заданного уровня тока, для регулирования тока в нагрузке регулируют заданный уровень тока.
Существенным отличием, характеризующим изобретение, является повышение надежности работы инвертора напряжения на озонатор и газоразрядную лампу за счет ограничения тока вентилей на заданном уровне в номинальном режиме и при регулировании тока в нагрузке при контрактации разряда или при выходе из строя диэлектрического барьера, или изменении формы разряда.
Повышение надежности работы инвертора напряжения является полученным техническим результатом, обусловленным новыми действиями и порядком их осуществления в способе управления, т.е. отличительными признаками. Таким образом, отличительные признаки заявляемого способа управления инвертора напряжения являются существенными.
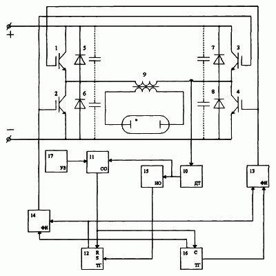
На фиг.1 приведена схема устройства для реализации способа управления инвертором напряжения, на фиг.2 – временные диаграммы процессов на элементах схемы, поясняющие принцип управления.
Способ управления инвертором напряжения, работающим на нагрузку с индуктивностью, реализуется следующими действиями. Формируют и поочередно подают сигналы управления на вентили, формирующие прямой и обратный импульсы тока в нагрузке. Для этого измеряют мгновенное значение тока в диагонали переменного тока инвертора напряжения. Определяют момент равенства мгновенного значения тока в диагонали переменного тока инвертора напряжения нулевому значению. Подают сигнал управления и включают очередные вентили в момент равенства мгновенного значения тока в диагонали переменного тока инвертора напряжения нулевому значению. Задают уровень тока. Сравнивают мгновенное значение тока в диагонали переменного тока инвертора напряжения с заданным уровнем тока. Снимают сигнал управления и ранее включенные вентили выключают в момент превышения мгновенным значением тока в диагонали переменного тока инвертора напряжения заданного уровня тока. Для регулирования тока в нагрузке регулируют заданный уровень тока.
Схема устройства для реализации способа управления инвертором напряжения включает однофазный мост на транзисторах 1-4, зашунтированных встречными диодами 5-8, подключенный к входным выводам инвертора напряжения, к выходным выводам которого подключена нагрузка с индуктивностью 9, например, выполненная в виде согласующего трансформатора, нагруженного на озонатор или газоразрядную лампу, датчик тока 10, включенный в диагональ переменного тока инвертора напряжения, последовательную цепь, содержащую компаратор 11, вход которого подключен к выходу датчика тока, триггер 12 и формирователь импульса управления 13, выход которого подключен к управляющим электродам транзисторов, формирующих прямой импульс тока в нагрузке, второй формирователь импульса управления 14, вход которого подключен к выходу триггера, а выход подключен к управляющим электродам транзисторов, формирующих обратный импульс тока в нагрузке, нуль-орган 15, вход которого соединен с выходом датчика тока, а выход подключен к второму входу триггера, второй триггер 16, вход которого соединен с выходом компаратора, первый выход соединен с вторым входом формирователя импульса управления, а второй выход подключен к второму входу второго формирователя импульса управления, устройство задания 17 уровня тока, выход которого подключен к второму входу компаратора.
Устройство работает следующим образом. Транзисторы 1, 4 и 2, 3 включаются поочередно. При включении транзисторов 1, 4 в нагрузке 9 формируется прямой импульс тока, а при включении транзисторов 2, 3 формируется обратный импульс тока. Сигналы управления на транзисторы 1-4 подаются с выходов формирователей импульса 13, 14. Очередность включения транзисторов 1, 4 и 2, 3 задается сигналами на выходах триггера 16. Выходы триггера 16 являются инверсными. Состояние триггера 16 изменяется в соответствии с сигналом, поступающим на его счетный вход с выхода компаратора 11. На выходе компаратора 11 формируется сигнал при превышении мгновенным значением тока в диагонали переменного тока инвертора напряжения заданного уровня. Уровень тока задается устройством задания 17. На один вход компаратора. 11 поступает сигнал с выхода датчика мгновенного значения тока в диагонали переменного тока инвертора напряжения. На второй вход компаратора 11 поступает сигнал задания уровня тока с выхода устройства задания 17. Сигнал с выхода компаратора 11 также поступает на вход сброса триггера 12. На выходе триггера 12 при наличии сигнала сброса на его входе формируется запрещающий сигнал на подачу сигналов управления формирователями импульса 13, 14. Запрещающий сигнал с выхода триггера 12 снимается по сигналу на его входе установки, формируемому нуль-органом 15 в момент равенства мгновенного значения тока в диагонали переменного тока инвертора напряжения нулевому значению. При формировании запрещающего сигнала на выходе триггера 12 транзисторы инвертора напряжения 1-4 выключены. Ток в диагонали переменного тока инвертора напряжения замыкается по цепям, включающим нагрузку 9 и встречные диоды 5-8, снижается по уровню и поддерживается за счет энергии, накопленной в электромагнитном поле индуктивности нагрузки на предыдущем интервале работы. В момент равенства мгновенного значения тока в диагонали переменного тока инвертора нулевому значению на выходе соответствующего формирователя импульса 13, 14 в соответствии с состоянием триггера 16 формируется сигнал на включение транзисторов очередной диагонали моста инвертора напряжения 1, 4 или 2, 3. Очередные транзисторы 1, 4 или 2, 3 остаются во включенном состоянии до момента, когда мгновенное значение тока в диагонали переменного тока инвертора напряжения не превысит установленный уровень тока. Ток в диагонали переменного тока инвертора напряжения при наличии индуктивности нарастает по квазилинейному закону от нулевого уровня до заданного уровня. Регулируя заданный уровень тока, регулируют ток в нагрузке 9.
Таким образом, моменты включения очередной пары транзисторов 1, 4 или 2, 3 определяется электромагнитными процессами в цепи коммутации, а выключения – моментами достижения мгновенным значением тока в диагонали переменного тока инвертора напряжения заданного уровня тока. При регулировании выходного тока регулируется уровень сигнала задания тока на выходе устройства задания 17.
Временные диаграммы фиг.2 иллюстрируют работу устройства и принцип управления инвертором напряжения. На диаграммах: 1 – сигнал задания тока на выходе устройства задания 17, 2 – сигнал на входе датчика тока 10, 3 – сигнал на выходе формирователя импульса 13, 4 – сигнал на выходе формирователя импульса 14.
Подача импульсов управления и включение транзисторов 1, 4 осуществляется в моменты времени t0, t4, транзисторов 2, 3 – в момент времени t2. Снятие импульсов управления и выключение транзисторов 1, 4 осуществляется в моменты времени t1, t5, транзисторов 2, 3 – в момент времени t3. В интервалах времени t2-t1, t4-t3 на выходе триггера 12 действует запирающий сигнал подачи сигнала управления на транзисторы 1-4. В интервале времени t2-t1 ток нагрузки 9 протекает через встречные диоды 6, 7, а в интервале t4-t3 ток нагрузки 9 протекает через встречные диоды 5, 8.
Датчик тока 10 может быть реализован на основе элемента Холла, нуль-орган 15 и компаратор 11 – на основе операционных усилителей повышенного быстродействия.
По сравнению с прототипом использование заявляемого способа управления инвертором напряжения позволяет повысить надежность его работы на озонатор или газоразрядную лампу в условиях изменяющейся в широких пределах нагрузки и регулирования. Это обеспечивается за счет ограничения уровня тока через вентили в любых режимах работы, в том числе, при выходе из строя диэлектрического барьера озонатора и при изменении напряжения питания газоразрядной лампы, повышения устойчивости разряда, исключения вероятности контрактации и изменения формы разряда, включения вентилей инвертора напряжения при нулевом токе и нулевом напряжении и выключения при ограниченном токе через вентиль. Повышение надежности работы инвертора напряжения может быть оценено по времени наработки на отказ по результатам опытной эксплуатации. При работе в составе системы управления озонаторной установки время наработки на отказ инвертора напряжения с управлением по заявляемому способу управления может быть увеличено в 2-3 раза по сравнению с прототипом.
Формула изобретения
Способ управления инвертором напряжения, работающим на нагрузку с индуктивностью, по которому формируют и поочередно подают сигналы управления на вентили, формирующие прямой и обратный импульсы тока в нагрузке, измеряют мгновенное значение тока в диагонали переменного тока инвертора напряжения, определяют момент равенства мгновенного значения тока в диагонали переменного тока инвертора напряжения нулевому значению, подают сигнал управления и включают очередные вентили в момент равенства мгновенного значения тока в диагонали переменного тока инвертора напряжения нулевому значению, отличающийся тем, что задают уровень тока, сравнивают мгновенное значение тока в диагонали переменного тока инвертора напряжения с заданным уровнем тока, снимают сигнал управления и ранее включенные вентили выключают в момент превышения мгновенным значением тока в диагонали переменного тока инвертора напряжения заданного уровня тока, для регулирования тока в нагрузке регулируют заданный уровень тока.
РИСУНКИ
MM4A – Досрочное прекращение действия патента СССР или патента Российской Федерации на изобретение из-за неуплаты в установленный срок пошлины за поддержание патента в силе
Дата прекращения действия патента: 13.05.2007
Извещение опубликовано: 27.07.2008 БИ: 21/2008
|
|