|
|
(21), (22) Заявка: 2005103595/09, 14.02.2005
(24) Дата начала отсчета срока действия патента:
14.02.2005
(46) Опубликовано: 10.12.2006
(56) Список документов, цитированных в отчете о поиске:
US 5129083 А, 07.07.1992. RU 2216038 С2, 10.11.2003. RU 2236700 С2, 20.09.2004. RU 31018 U1, 10.07.2003. US 5532928 A, 02.07.1996.
Адрес для переписки:
117312, Москва, пр-т 60-летия Октября, 9, ООО “Когнитивные технологии”, А.Н. Романову
|
(72) Автор(ы):
Окулов Валерий Михайлович (RU), Бачурин Евгений Викторович (RU), Полубояринов Михаил Игоревич (RU), Курочкин Евгений Павлович (RU), Дубинина Вера Гавриловна (RU), Романов Анатолий Николаевич (RU)
(73) Патентообладатель(и):
ОАО “Аэрофлот – Российские авиалинии” (RU)
|
(54) ИНФОРМАЦИОННО-АНАЛИТИЧЕСКАЯ СИСТЕМА ПРОГНОЗИРОВАНИЯ ЭКОНОМИЧЕСКИХ ПОКАЗАТЕЛЕЙ ПАССАЖИРСКИХ АВИАПЕРЕВОЗОК
(57) Реферат:
Изобретение относится к вычислительной технике, в частности к информационно-аналитической системе прогнозирования экономических показателей пассажирских авиаперевозок. Техническим результатом является повышение быстродействия системы путем локализации диапазона адресов поиска данных в базе данных сервера с помощью идентификаторов временного периода. Технический результат достигается тем, что система содержит четыре регистра, три счетчика, блок селекции базового адреса записи массива данных, сумматор, компаратор, блок селекции базового адреса временного периода, блок формирования текущего адреса считывания данных временного периода, блок формирования границ временного периода и блок интеграции адресных сигналов. 7 ил., 2 табл.
Изобретение относится к вычислительной технике, в частности к информационно-аналитической системе прогнозирования экономических показателей пассажирских авиаперевозок.
Принятие решений по повышению рентабельности пассажирских авиаперевозок базируется на статистических данных, которыми характеризуются результаты пассажирских авиаперевозок, выполняемых в течение заданного временного периода, в качестве которого может выступать календарный год или календарный сезон.
Статистические данные, как правило, включают следующий состав показателей: номер рейса, наименование маршрута, количество выполненных рейсов каждого номера за заданный период, доход, приходящийся на каждый рейс, доход на пассажирокилометр, среднюю доходную ставку по рейсу, по каждому классу бронирования, полный доход рейса за заданный период, процент занятости кресел на рейсе, количество перевезенных пассажиров, млн. пассажирокилометров, млн. креслокилометров и т.п.
Сопоставление динамики изменения этих показателей в их взаимосвязи позволяет с достаточной степенью вероятности судить о потенциале эксплуатируемого рынка, о структуре пассажиропотока (по доходной ставке), об эффективности расписания (правильности расстановки ВС), о правильности применения тарифов и т.п.
Прогнозирование объемов пассажирских перевозок (как долгосрочное, так и краткосрочное) является для современной авиакомпании одним из аспектов управленческой деятельности. При долгосрочном прогнозировании учитываются тенденции мирового рынка авиаперевозок, которые находят отражение в увеличении или уменьшении частот рейсов на различных направлениях при составлении расписания полетов [1].
Краткосрочное прогнозирование позволяет оперативно отреагировать на изменение ситуации на рынке авиаперевозок и выстроить стратегию авиакомпании исходя из предполагаемого объема пассажиропотока (например, изменить степень «агрессивности» бронирования, подготовить и провести специальные акции по привлечению пассажиров и т.д.).
Одним из вариантов формирования прогноза объемов пассажирских перевозок является прогнозирование на основе обработки временных рядов, которое позволяет получить весьма надежные результаты [2]. Основой прогнозирования при использовании временных рядов является метод перспективной экстраполяции, которую, однако, надо рассматривать только как начальную стадию построения окончательных прогнозов, т.к. чисто механическое использование экстраполяции может стать причиной значительных ошибок и неправильных выводов.
Применение метода экстраполяции для прогнозирования предполагает, что закономерность, действующая в прошлом, сохранится и в прогнозируемом периоде. При этом ожидается, что общая тенденция развития перевозок в авиакомпании не должна претерпевать серьезных изменений в будущем (например, параметры расписания должны оставаться относительно стабильными), т.к. теоретической основой распространения тенденции на будущее является свойство инерционности, которое позволяет выявлять сложившиеся взаимосвязи между уровнями временного ряда.
Однако эти условия справедливы только при построении краткосрочных прогнозов, поскольку за короткий период условия развития явления и характер его динамики не успевают сильно измениться. При долгосрочных же прогнозах динамичность процессов вступает в противоречие с инерционностью их развития, поэтому в этих случаях метода экстраполяции недостаточно.
Известны системы, которые могли бы быть использованы для решения поставленной задачи (1, 2).
Первая из известных систем содержит блоки приема и хранения данных, соединенные с блоками управления и обработки данных, блоки поиска и селекции, подключенные к блокам хранения данных и отображения, синхронизирующие входы которых соединены с выходами блока управления (1).
Существенный недостаток данной системы состоит в невозможности решения задачи обновления данных, хранимых в памяти в виде соответствующих документов одновременно с решением задачи выдачи содержания этих документов пользователям в реальном масштабе времени.
Известна и другая система, содержащая блоки приема данных, выходы которых соединены с блоком памяти и с блоком обработки данных, блок селекции временных интервалов, выходы которого подключены к блоку приема данных, к блоку приема запросов пользователей и к блоку памяти и к блоку обработки данных, выходы которого соединены с одними входами блока коммутации каналов выдачи данных, другие входы которого соединены с блоком селекции временных интервалов, а выходы являются выходами системы (2).
Последнее из перечисленных выше технических решений наиболее близко к описываемому.
Ее недостаток заключается в невысоком быстродействии системы, обусловленном тем, что поиск данных ведется по всему объему базы данных системы, что приводит к необоснованной потери времени на поиск требуемой информации и ее анализа.
Цель изобретения – повышение быстродействия системы путем исключения поиска запрашиваемых данных по всему объему базы данных системы и выборки анализируемых данных только по идентификатору временного периода.
Поставленная цель достигается тем, что в известную систему, содержащую первый регистр, информационный вход которого является первым информационным входом системы, синхронизирующий вход является первым синхронизирующим входом системы, а выход является информационным выходом системы, второй регистр, выход которого соединен с одним информационным входом сумматора, третий регистр, выход которого подключен к одному входу компаратора, первый счетчик, информационный вход которого является вторым информационным входом системы, а синхронизирующий вход является вторым синхронизирующим входом системы, четвертый регистр, информационный вход которого является третьим информационным входом системы, а синхронизирующий вход является третьим синхронизирующим входом системы, и блок интеграции адресных сигналов, один информационный вход которого соединен с выходом сумматора, а выход является адресным выходом системы, введены блок селекции базового адреса записи массива данных, синхронизирующий вход которого подключен к первому синхронизирующему входу системы, а информационный выход соединен с информационным входом первого регистра, при этом первый синхронизирующий выход подключен к синхронизирующему входу первого регистра, второй синхронизирующий выход соединен с синхронизирующими входами сумматора и компаратора, и с одним синхронизирующим входом блока интеграции адресных сигналов, а третий синхронизирующий выход является первым синхронизирующим выходом системы, второй счетчик, счетный вход которого подключен ко второму синхронизирующему выходу, а выход соединен с другим информационным входом сумматора, блок селекции базового адреса временного периода, информационный вход которого подключен к выходу первого счетчика, а первый синхронизирующий вход соединен со вторым синхронизирующим входом системы, третий счетчик, счетный вход которого подключен к первому синхронизирующему входу системы, а выход соединен с другим информационным входом компаратора, блок формирования текущего адреса считывания данных временного периода, информационный вход которого подключен к информационному выходу блока селекции базового адреса временного периода, первый синхронизирующий вход соединен с синхронизирующим выходом блока селекции базового адреса временного периода, а второй синхронизирующий вход подключен к первому выходу компаратора, при этом информационный выход соединен с другим информационным входом блока интеграции адресных сигналов, первый синхронизирующий выход подключен к другому синхронизирующему входу блока интеграции адресных сигналов, а второй синхронизирующий выход является вторым синхронизирующим выходом системы, и блок формирования границ временного периода, информационный вход которого соединен с выходом четвертого регистра, а синхронизирующий вход подключен к другому выходу компаратора, при этом первый выход соединен со счетным входом первого счетчика, со вторым синхронизирующим входом блока селекции базового адреса временного периода, и с установочными входами третьего счетчика и блока формирования текущего адреса считывания данных временного периода, а второй выход является третьим синхронизирующим выходом системы.
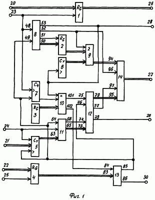
Сущность изобретения поясняется чертежами, где на фиг.1 представлена структурная схема устройства, на фиг.2 представлен пример конкретного конструктивного выполнения блока селекции базового адреса записи массива данных, на фиг.3 – пример конкретного конструктивного выполнения блока селекции базового адреса временного периода, на фиг.4 – пример конкретного конструктивного выполнения блока формирования текущего адреса считывания данных временного периода, на фиг.5 – пример конкретного конструктивного выполнения блоков формирования границ временного периода, на фиг.6 – пример конкретного конструктивного выполнения блока интеграции адресных сигналов, на фиг.7 – показан пример распределения объемов пассажирских перевозок.
Система (фиг.1) содержит первый 1, второй 2, третий 3 и четвертый 4 регистры, первый 5, второй 6 и третий 7 счетчики, блок 8 селекции базового адреса записи массива данных, сумматор 9, компаратор 10, блок 11 селекции базового адреса временного периода, блок 12 формирования текущего адреса считывания данных временного периода, блок 13 формирования границ временного периода и блок 14 интеграции адресных сигналов.
На фиг.1 показаны первый 20, второй 21 и третий 22 информационные входы системы, первый 23, второй 24 и третий 25 синхронизирующие входы системы, информационный 26 и адресный 27 выходы системы, и первый 28, второй 29 и третий 30 синхронизирующие выходы системы.
Блок 8 селекции базового адреса записи массива данных (фиг.2) содержит блок памяти 40, выполненный в виде постоянного запоминающего устройства, триггер 41, элементы 42-43 И, элемент 44 ИЛИ, элементы 45-47 задержки. На чертеже также показаны входы 48, 49 и выходы 50-53 блока.
Блок 11 селекции базового адреса считывания данных временного периода (фиг.3) содержит блок 55 памяти, выполненный в виде постоянного запоминающего устройства, дешифратор 56, элементы 57-59 ИЛИ, элемент 60 ИЛИ, элементы 61-62 задержки. На чертеже также показаны входы 24, 63, 64 и выходы 65-66.
Блок 12 формирования текущего адреса считывания данных временного периода (фиг.4) содержит счетчик 70, элемент 71 ИЛИ и элемент 72 задержки. На чертеже также показаны входы 73-76 и выходы 77-79.
Блок 13 формирования границ временного периода (фиг.5) содержит компаратор 80, счетчик 81 числа годовых интервалов и элемент 82 задержки. На чертеже также показаны входы 83-84 и выходы 85-86.
Блок 14 интеграции адресных сигналов (фиг.6) содержит триггер 90, элементы 91, 92 И групп и элементы 93 ИЛИ группы. На чертеже также показаны входы 94-97 и выход 27.
Система работает следующим образом.
В базе данных системы хранятся массивы показателей, характеризующие результаты пассажирских авиаперевозок транспортной компании за определенную последовательность календарных периодов, в качестве которых могут выступать либо годовые интервалы, либо интервалы, задаваемые сезонной периодичностью (осенне-зимний сезон, весенне-летний сезон).
Для иллюстрации работы системы используем реальную выборку данных объема пассажирских перевозок, выполненных компанией Аэрофлот в период 1996-2000 гг., из общей базы данных системы, которая ведется с 1980 года (см. таблицу 1).
Для этого информационно-аналитическая система предварительно должна решить задачу формирования массива данных с размерностью, указанной в таблице 1. С этой целью из данных общей базы данных, где хранятся сведения об объемах всех пассажирских перевозок, выполненных авиакомпанией за предыдущие годы, система должна обеспечить выборку данных указанных в таблице 1.
| Таблица 1 |
| |
Объемы перевозок |
| Месяц |
1996 |
1997 |
1998 |
1999 |
2000 |
| Январь |
272.5 |
238.0 |
332.0 |
324.9 |
367.1 |
| Февраль |
224.8 |
190.0 |
272.6 |
277.0 |
329.5 |
| Март |
284.0 |
252.3 |
339.9 |
316.4 |
397.7 |
| Апрель |
271.9 |
252.5 |
319.6 |
348.9 |
430.3 |
| Май |
292.1 |
289.6 |
363.4 |
371.0 |
471.4 |
| Июнь |
329.9 |
346.6 |
399.1 |
433.4 |
547.9 |
| Июль |
385.4 |
408.8 |
487.2 |
541.6 |
634.1 |
| Август |
441.5 |
475.8 |
521.0 |
563.3 |
669.2 |
| Сентябрь |
352.5 |
389.6 |
402.5 |
465.0 |
548.1 |
| Октябрь |
289.4 |
331.9 |
351.3 |
402.3 |
442.1 |
| Ноябрь |
237.2 |
307.9 |
302.7 |
350.4 |
350.3 |
| Декабрь |
251.4 |
320.8 |
329.0 |
378.6 |
366.1 |
Применение метода экстраполяции для прогнозирования предполагает, что закономерность, действующая в прошлом, сохранится и в прогнозируемом периоде. При этом ожидается, что общая тенденция развития перевозок в авиакомпании не должна претерпевать серьезных изменений в будущем (например, параметры расписания должны оставаться относительно стабильными), т.к. теоретической основой распространения тенденции на будущее является свойство инерционности, которое позволяет выявлять сложившиеся взаимосвязи между уровнями временного ряда.
Вместе с тем, последнее справедливо только при построении краткосрочных прогнозов, поскольку за короткий период условия развития явления и характер его динамики не успевают сильно измениться.
При долгосрочных прогнозах динамичность процессов вступает в противоречие с инерционностью их развития, поэтому в этих случаях метода экстраполяции недостаточно.
Построение прогнозов является самым последним этапом анализа временных рядов, который включает в себя следующие этапы:
– графическое представление и описание поведения ряда;
– выделение и исключение регулярных составляющих ряда, зависящих от времени;
– подбор математической модели для описания регулярной составляющей и проверка ее адекватности;
– прогнозирование будущих значений ряда.
Для решения поставленной задачи оператор на своем автоматизированном рабочем месте формирует исходные данные для решаемой задачи.
Во-первых, он должен указать длительность временного периода, данные которого должны быть использованы для прогнозирования. В нашем примере (таблица 1) длительность временного периода равна 5 годам и оператор со своего АРМа через информационный вход 22 вводит это значение в регистр 4, которое записывается в регистр 4 синхронизирующим сигналом, поступающим с входа 25 системы.
Во-вторых, оператор должен указать код идентификатора начального года временного периода, выбираемого для анализа. В нашем примере таким годом является год 1996 и его цифровое значение с информационного входа 21 системы поступает на вход счетчика 5.
После набора входных данных оператор нажимает клавишу «ВЫПОЛНИТЬ». Занесение входного кода в счетчик 5 осуществляется по синхронизирующему сигналу, поступающему на вход 24 системы.
С выхода счетчика 5 код поступает через вход 63 блока 11 на вход дешифратора 56 (фиг.3).
Дешифратор 56 расшифровывает код идентификатора начального года временного периода, выдавая на один из своих выходов высокий потенциал.
Параллельно с этим, синхронизирующий импульс с входа 24 системы поступает на вход элемента 60 ИЛИ, задерживается элементом 61 на время занесения кода в счетчик 5 и срабатывания дешифратора 56. Затем этот же импульс поступает на входы элементов 57-59 И, опрашивая их состояние.
Учитывая то обстоятельство, что открытым дешифратором 56 по одному входу будет только один из элементов 57-59 И, то пройдя соответствующий элемент И, синхроимпульс, во-первых, поступает на вход считывания соответствующей фиксированной ячейки памяти постоянного запоминающего устройства 55. В фиксированной ячейке ПЗУ хранится базовый адрес ячейки памяти базы данных сервера, начиная с которой в базе данных сервера хранится массив данных указанного календарного года, и считывает код базового адреса календарного года на выход 65 блока 11.
Код базового адреса с выхода 65 блока 11 через вход 73 блока 12 поступает на информационный вход счетчика 70 (фиг.4), куда и заносятся синхронизирующим импульсом с выхода 66 блока 11, задержанным элементом задержки 62 на время считывания кода из блока 55 памяти.
Код базового адреса с выхода 79 счетчика 70 блока 12 поступает на информационный вход 95 блока 14, где он подается на одни входы элементов 92 И группы. Параллельно с этим, синхронизирующий импульс с выхода 77 блока 12 через вход 97 блока 14 поступает на установочный вход триггера 90 блока 14 и подтверждает его исходное состояние, при котором высоким потенциалом с инверсного выхода триггер 90 открывает по одним входам элементы 92 И группы.
Код базового адреса с выхода счетчика 70 через вход 95 блока 14 поступает на другие входы элементов 92 И группы, проходит элементы 93 ИЛИ группы и выдается на адресный выход 27 системы.
Параллельно с описанным процессом формирования адреса считывания базы данных сервера, синхронизирующий импульс с входа 74 блока 12 проходит элемент 71 ИЛИ, задерживается элементом 72 на время срабатывания счетчика 70, и далее выдается на выход 29 системы в качестве импульса считывания, поступающего на вход первого канала прерывания сервера.
По этому сигналу сервер переходит на подпрограмму считывания первой записи массива данных из базы данных сервера по адресу, сформированному на выходе 27.
Содержимое базового адреса выбранной ячейки памяти выдается сервером базы данных через вход 20 системы на информационный вход регистра 1, куда оно заносится синхронизирующим импульсом сервера, поступающим с входа 23 системы. С выхода регистра 1 его содержимое выдается на выход 26 системы.
Кроме того, синхронизирующий импульс с входа 23 системы поступает как на счетный вход счетчика 7, посчитывающего число считанных записей из базы данных сервера, так и на вход 48 блока 8.
С входа 48 блока 8 синхронизирующий импульс поступает на входы элементов 42, 43 И. Учитывая, что триггер 41 находится в исходном состоянии, то высоким потенциалом с инверсного выхода элемент 43 И будет открыт, а элемент 42 закрыт низким потенциалом с прямого выхода.
В результате этого входной импульс проходит через элемент 43 И на вход считывания блока памяти 40, выполненного в виде постоянного запоминающего устройства, в фиксированной ячейке памяти которого хранится начальный базовый адрес, начиная с которого в базе данных сервера будет формироваться массив данных, необходимый для решения задачи прогнозирования.
В результате считывания базовый адрес поступает на информационный вход регистра 2, куда он и заносится синхронизирующим импульсом с выхода элемента 43 И, задержанного элементом 45 на время считывания кода из ПЗУ 40.
С выхода регистра 2 базовый адрес записи формируемого массива поступает на один вход сумматора 9, на другой вход которого поступают показания счетчика 6, находящегося в исходном состоянии.
Коме того, синхронизирующий импульс с выхода элемента 45 задержки поступает как на прямой вход триггера 41, устанавливая его в единичное состояние, при котором элемент 43 И для очередного входного импульса с входа 48 будет закрыт, а элемент 42 И – открыт, так и на вход элемента задержки 46, задерживающего синхронизирующий импульс на время занесения кода базового адреса в регистр 2.
С выхода элемента 46 задержки синхронизирующий импульс через элемент 44 ИЛИ, во-первых, поступает на синхронизирующий вход сумматора 9, по которому сумматор 9 суммирует показания регистра 2 с нулевыми показаниями счетчика 6, поскольку последний к настоящему моменту времени находится в исходном состоянии.
Во-вторых, этот же импульс с выхода 52 блока 8 через вход 96 блока 14 поступает на прямой вход триггера 90, устанавливая его в единичное состояние, при котором высоким потенциалом с прямого выхода триггер 90 открывает элементы 91 И, подключая выход сумматора 9 через элементы 91 И группы и элементы 93 ИЛИ к адресному выходу 27. Код адреса выдается на адресный выход 27 системы в качестве адреса записи формируемого массива данных анализируемого временного периода.
В-третьих, этот же импульс задерживается элементом 47 на время срабатывания сумматора 9 и триггера 90 и выдается на выход 53 блока 8 в качестве синхронизирующего импульса записи, который выдается на выход 28 системы в качестве синхронизирующего импульса записи содержимого регистра 1 с выхода 26 системы в базу данных по адресу, сформированному на выходе 27 системы.
Кроме того, с выхода 53 блока 8 синхронизирующий импульс поступает как на счетный вход счетчика 6, увеличивая его показания на единицу, и фиксируя, тем самым, факт записи в базу данных очередной записи формируемого массива, так и на синхронизирующий вход компаратора 10.
На один вход компаратора 10 с выхода регистра 3 постоянно подан код константы, равный числу 12. Эта константа фиксирует число интервалов временного ряда в году и в данном случае она равна 12 месяцам.
На другой вход компаратора 10 подается код с выхода счетчика 7, подсчитывающего помесячное число считываний записей массива данных очередного календарного периода.
Учитывая, что к данному моменту времени в счетчике 9 зафиксировано всего лишь считывание первой записи массива данных, то его показания будут меньше показаний регистра 3.
В результате этого на выходе 101 компаратора 10 формируется синхронизирующий сигнал «меньше», который, во-первых, через вход 75 поступает на счетный вход счетчика 70, увеличивая базовый адрес считывания на единицу.
Во-вторых, этот же импульс проходит элемент 71 ИЛИ и с выхода 77 поступает на установочный 97 вход триггера 90, устанавливая его в исходное состояние, при котором высоким потенциалом с прямого выхода триггера группа элементов 92 И будет открыта для передачи кода адреса с выхода счетчика 70 на выход 27 системы.
В-третьих, этот же импульс задерживается элементом 72 на время выдачи кода адреса на выход 27 системы и далее с выхода 78 блока 12 выдается на выход 29 системы в качестве импульса считывания, поступающего на вход первого канала прерывания сервера.
По этому сигналу сервер вновь переходит на подпрограмму считывания очередной записи массива данных выбранного временного периода из базы данных сервера по адресу, сформированному на выходе 27.
Содержимое очередного адреса выбранной ячейки памяти вновь выдается сервером базы данных через вход 20 системы на информационный вход регистра 1, куда оно заносится синхронизирующим импульсом сервера, поступающим с входа 23 системы. С выхода регистра 1 его содержимое выдается на выход 26 системы.
Кроме того, синхронизирующий импульс с входа 23 системы вновь поступает как на счетный вход счетчика 7, посчитывающего число считанных записей из базы данных сервера, так и на вход 48 блока 8.
С входа 48 блока 11 синхронизирующий импульс поступает на входы элементов 42, 43 И. Учитывая, что к этому моменту времени триггер 41 установлен в единичное состояние предыдущим импульсом считывания, то низким потенциалом с инверсного выхода элемент 43 И будет закрыт, а элемент 42 И открыт высоким потенциалом с прямого выхода.
В результате этого входной импульс проходит через элемент 42 И на вход элемента 44 ИЛИ и с выхода 52 блока 8, во-первых, поступает на синхронизирующий вход сумматора 9, по которому сумматор 9 суммирует показания регистра 2 с показаниями счетчика 6.
Во-вторых, этот же импульс с выхода 52 блока 8 через вход 96 блока 14 поступает на прямой вход триггера 90, устанавливая его в единичное состояние, при котором высоким потенциалом с прямого выхода триггер 90 открывает элементы 91 И, подключая выход сумматора 9 через элементы 91 И группы и элементы 93 ИЛИ к адресному выходу 27. Код адреса выдается на адресный выход 27 системы в качестве очередного адреса записи формируемого массива данных анализируемого временного периода.
В-третьих, этот же импульс задерживается элементом 47 на время срабатывания сумматора 9 и триггера 90 и выдается на выход 53 блока 8 в качестве синхронизирующего импульса записи. Этот импульс выдается на выход 28 системы в качестве синхронизирующего импульса записи содержимого регистра 1 с выхода 26 системы.
Кроме того, с выхода 53 блока 8 синхронизирующий импульс поступает как на счетный вход счетчика 6, увеличивая его показания на единицу, и фиксируя, тем самым, факт записи в базу данных очередной записи формируемого массива, так и на синхронизирующий вход компаратора 10.
На один вход компаратора 10 с выхода регистра 3 постоянно подан код константы, равный числу 12. Эта константа фиксирует число интервалов временного ряда в году и в данном случае она равна 12 месяцам.
На другой вход компаратора 10 подается код с выхода счетчика 7, подсчитывающего помесячное число считываний записей массива данных очередного календарного периода.
Если показания счетчика 7 будут меньше кода константы регистра 3, то на выходе 101 компаратора 10 формируется синхронизирующий сигнал «меньше или равно», который, во-первых, через вход 75 поступает на счетный вход счетчика 70, увеличивая базовый адрес считывания на единицу.
Во-вторых, этот же импульс проходит элемент 71 ИЛИ и с выхода 77 поступает на установочный 97 вход триггера 90, устанавливая его в исходное состояние, при котором высоким потенциалом с прямого выхода триггера группа элементов 92 И будет открыта для передачи кода адреса с выхода счетчика 70 на выход 27 системы.
В-третьих, этот же импульс задерживается элементом 72 на время выдачи кода адреса на выход 27 системы и далее с выхода 78 блока 12 выдается на выход 29 системы в качестве импульса считывания, поступающего на вход первого канала прерывания сервера.
По этому сигналу сервер вновь переходит на подпрограмму считывания очередной записи массива данных выбранного временного периода из базы данных сервера по адресу, сформированному на выходе 27.
Процесс считывания годовых данных из выбранного временного периода и их записи в анализируемый массив базы данных сервера продолжается описанным выше образом до тех пор, пока компаратор 10 не зафиксирует факт равенства входных кодов. Другими словами, в момент равенства кода константы, хранящейся в регистре 3, с количеством записей, зафиксированных счетчиком 7, по синхронизирующему импульсу, поступающему на синхронизирующий вход компаратора, на выходе 102 компаратора 10 формируется сигнал, свидетельствующий об окончании выборки данных первого года временного периода.
Этот сигнал через вход 84 блока 13, во-первых, поступает на счетный вход счетчика 81 годовых интервалов, увеличивая его показания на единицу.
Во-вторых, этот же сигнал задерживается элементом задержки 82 на время срабатывания счетчика 81 и поступает на синхронизирующий вход компаратора 80.
На один вход компаратора 80 через вход 83 блока 13 с выхода регистра 4 постоянно подан код числового значения временного периода. В нашем примере числовое значение временного периода равно 5 годам.
На другой вход компаратора 80 подаются показания счетчика 81 годовых интервалов.
Компаратор 80 блока 13 сравнивает коды по синхроимпульсу, поступающему с выхода элемента задержки 82.
Если показания счетчика 81 будут меньше величины заданного временного периода регистра 4, то на выходе 85 компаратора 80 формируется сигнал, который, во-первых, поступает на счетный вход счетчика 5 и увеличивает количественное значение года на единицу. В нашем примере числовое значение года 1996 будет изменено на числовое значение 1997.
Во-вторых, этот же импульс поступает на установочный вход счетчика 7, через вход 76 блока 12 поступает на установочный вход счетчика 70, и через вход 49 блока 8 поступает на установочный вход триггера 41, возвращая их в исходное состояние.
В-третьих, это же импульс через вход 64 блока 11 поступает на вход элемента 60 ИЛИ, задерживается элементом 61 на время срабатывания счетчика 5 и дешифратора 56. Затем этот же импульс поступает на входы элементов 57-59 И, опрашивая их состояние.
Учитывая то обстоятельство, что открытым дешифратором 56 по одному входу будет теперь другой из элементов 57-59 И, соответствующий года 1997, то, пройдя соответствующий элемент И, синхроимпульс, во-первых, поступает на вход считывания соответствующей фиксированной ячейки памяти постоянного запоминающего устройства 55. В фиксированной ячейке ПЗУ хранится базовый адрес ячейки памяти базы данных сервера, начиная с которой в базе данных сервера хранится массив данных указанного календарного года, и считывает код базового адреса календарного года на выход 65 блока 11.
Код базового адреса с выхода 65 блока 11 через вход 73 блока 12 поступает на информационный вход счетчика 70 (фиг.4), куда и заносятся синхронизирующим импульсом с выхода 66 блока 11, задержанным элементом задержки 62 на время считывания кода из блока 55 памяти.
Код базового адреса с выхода 79 счетчика 70 блока 12 поступает на информационный вход 95 блока 14, где он подается на одни входы элементов 92 И группы. Параллельно с этим, синхронизирующий импульс с выхода 77 блока 12 через вход 97 блока 14 поступает на установочный вход триггера 90 блока 14 и подтверждает его исходное состояние, при котором высоким потенциалом с инверсного выхода триггер 90 открывает по одним входам элементы 92 И группы.
Код базового адреса с выхода счетчика 70 через вход 95 блока 14 поступает на другие входы элементов 92 И группы, проходит элементы 93 ИЛИ группы и выдается на адресный выход 27 системы.
Параллельно с описанным процессом формирования адреса считывания базы данных сервера, синхронизирующий импульс с входа 74 блока 12 проходит элемент 71 ИЛИ, задерживается элементом 72 на время срабатывания счетчика 70 и далее выдается на выход 29 системы в качестве импульса считывания, поступающего на вход первого канала прерывания сервера.
По этому сигналу сервер переходит на подпрограмму считывания первой записи массива данных из базы данных сервера по адресу, сформированному на выходе 27.
Содержимое базового адреса выбранной ячейки памяти выдается сервером базы данных через вход 20 системы на информационный вход регистра 1, куда оно заносится синхронизирующим импульсом сервера, поступающим с входа 23 системы. С выхода регистра 1 его содержимое выдается на выход 26 системы.
Кроме того, синхронизирующий импульс с входа 23 системы поступает как на счетный вход счетчика 7, посчитывающего число считанных записей из базы данных сервера, так и на вход 48 блока 8.
С входа 48 блока 11 синхронизирующий импульс поступает на входы элементов 42, 43 И. Учитывая, что к этому моменту времени триггер 41 продолжает находиться в единичном состоянии, то низким потенциалом с инверсного выхода элемент 43 И будет закрыт, а элемент 42 И открыт высоким потенциалом с прямого выхода.
В результате этого входной импульс проходит через элемент 42 И на вход элемента 44 ИЛИ и с выхода 52 блока 8, во-первых, поступает на синхронизирующий вход сумматора 9, по которому сумматор 9 суммирует показания регистра 2 с показаниями счетчика 6.
Во-вторых, этот же импульс с выхода 52 блока 8 через вход 96 блока 14 поступает на прямой вход триггера 90, устанавливая его в единичное состояние, при котором высоким потенциалом с прямого выхода триггер 90 открывает элементы 91 И, подключая выход сумматора 9 через элементы 91 И группы и элементы 93 ИЛИ к адресному выходу 27. Код адреса выдается на адресный выход 27 системы в качестве очередного адреса записи формируемого массива данных анализируемого временного периода.
В-третьих, этот же импульс задерживается элементом 47 на время срабатывания сумматора 9 и триггера 90 и выдается на выход 53 блока 8 в качестве синхронизирующего импульса записи. Этот импульс выдается на выход 28 системы в качестве синхронизирующего импульса записи содержимого регистра 1 с выхода 26 системы.
Кроме того, с выхода 53 блока 8 синхронизирующий импульс поступает как на счетный вход счетчика 6, увеличивая его показания на единицу, и фиксируя, тем самым, факт записи в базу данных очередной записи формируемого массива, так и на синхронизирующий вход компаратора 10.
На один вход компаратора 10 с выхода регистра 3 постоянно подан код константы, равный числу 12. Эта константа фиксирует число интервалов временного ряда в году и в данном случае она равна 12 месяцам.
На другой вход компаратора 10 подается код с выхода счетчика 7, подсчитывающего помесячное число считываний записей массива данных очередного календарного периода.
Если показания счетчика 7 будут меньше кода константы регистра 3, то на выходе 101 компаратора 10 формируется синхронизирующий сигнал «меньше или равно», который, во-первых, через вход 75 поступает на счетный вход счетчика 70, увеличивая базовый адрес считывания на единицу.
Во-вторых, этот же импульс проходит элемент 71 ИЛИ и с выхода 77 поступает на установочный 97 вход триггера 90, устанавливая его в исходное состояние, при котором высоким потенциалом с прямого выхода триггера группа элементов 92 И будет открыта для передачи кода адреса с выхода счетчика 70 на выход 27 системы.
В-третьих, этот же импульс задерживается элементом 72 на время выдачи кода адреса на выход 27 системы и далее с выхода 78 блока 12 выдается на выход 29 системы в качестве импульса считывания, поступающего на вход первого канала прерывания сервера.
По этому сигналу сервер вновь переходит на подпрограмму считывания очередной записи массива данных выбранного временного периода из базы данных сервера по адресу, сформированному на выходе 27.
Описанный процесс формирования анализируемого массива данных (в нашем примере за 1996-2000 годы) продолжается до тех пор, пока компаратор 80 блока 13 не зафиксирует равенство числовых значений в счетчике 81 и регистре 4 выдачей синхронизирующего сигнала на выходе 86.
Этот синхронизирующий сигнал, во-первых, поступает на выход 30 системы и далее на вход третьего канала прерывания сервера. С приходом данного сигнала сервер переходит на программу вычисления прогнозных значений показателей.
Во-вторых, этот же синхронизирующий сигнал поступает на установочные входы узлов и элементов системы, возвращая их в исходное состояние.
В основу построения программы вычисления прогнозных показателей положен механизм анализа временных рядов, в котором принято выделять две составляющие: регулярную и случайную.
Регулярная составляющая включает в себя тренд и сезонную компоненты. Если тренд характеризует основную тенденцию развития временного ряда, то сезонная компонента определяет колебания, периодически повторяющиеся в некоторое определенное время каждого года.
Взаимодействие между собой регулярных составляющих может быть представлено как аддитивная или мультипликативная комбинация:
Y(t)=T(t)+S(t)+err (аддитивная форма)
Y(t)=T(t) S(t)+err (мультипликативная форма),
где Y(t) – значение уровня в момент t,
T(t) – тренд, выбираемый из параметрического семейства,
S(t) – периодическая компонента (сезонная волна),
err – ошибка аппроксимации.
Аддитивная модель характеризуется главным образом тем, что характер сезонных колебаний остается постоянным.
В мультипликативной модели характер сезонных флуктуаций остается постоянным только по отношению к тренду и их величина зависит от значений временного ряда.
Из графика (фиг.7) видно, что объем пассажиропотока имеет во времени возрастающий тренд и во временном ряде имеется ежегодно повторяющаяся закономерность – сезонность. Пик перевозок из года в год приходится на август, минимальный пассажиропоток – на февраль. Структура перевозок по месяцам сохраняется каждый год, т.е. период сезонности равен 12.
После того, как установлено наличие тенденции, решается задача подбора уравнение тренда. В нашем примере речь идет о линейном тренде, который описывается следующим уравнением прямой:
,
где – сглаженные (расчетные) уровни исходного временного ряда;
k, b – подлежащие определению зависимые переменные уравнения прямой;
t – независимая переменная (время).
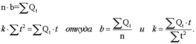
Зависимые переменные в уравнении определяются по методу наименьших квадратов из системы уравнений:

где Qt – уровни исходного ряда;
t – независимая переменная (время);
n – число уровней ряда.
Решение системы относительно искомых параметров дает:

Упрощенный вариант расчета параметров уравнения заключается в переносе начала координат в середину ряда. При этом упрощаются сами нормальные уравнения, кроме того, уменьшаются абсолютные значения величин, участвующих в расчете.
При нечетном числе уровней ряда такое преобразование производится следующим образом: t=…, -3, -2, -1, 0, 1, 2, 3,…. При четном – t=…, -5, -3, -1, 1, 3, 5,….
Тогда и система уравнений будет иметь вид:

На фиг.7 для исходного временного ряда приведен линейный тренд и его уравнение.
Результаты решения задачи прогнозирования сведены в табл.2
| Таблица 2 |
| Месяц |
Объемы перевозок |
Индекс сезонности |
| 1996 |
1997 |
1998 |
1999 |
2000 |
Средн. арифм. |
Средн. геом. |
Аддитивн. форма |
Мультипл. форма |
| Январь |
272,5 |
238,0 |
332,0 |
324,9 |
367,1 |
306,9 |
303,3 |
-62,8 |
0,85 |
| Февраль |
224,8 |
190,0 |
272,6 |
277,0 |
329,5 |
258,8 |
254,3 |
-110,9 |
0,71 |
| Март |
284,0 |
252,3 |
339,9 |
316,4 |
397,7 |
318,1 |
314,3 |
-51,6 |
0,88 |
| Апрель |
271,9 |
252,5 |
319,6 |
348,9 |
430,3 |
324,7 |
318,8 |
-45,1 |
0,89 |
| Май |
292,1 |
289,6 |
363,4 |
371,0 |
471,4 |
357,5 |
351,6 |
-12,2 |
0,98 |
| Июнь |
329,9 |
346,6 |
399,1 |
433,4 |
547,9 |
411,4 |
404,5 |
41,6 |
1,13 |
| Июль |
385,4 |
408,8 |
487,2 |
541,6 |
634,1 |
491,4 |
483,3 |
121,7 |
1,35 |
| Август |
441,5 |
475,8 |
521,0 |
563,3 |
669,2 |
534,1 |
528,6 |
164,4 |
1,48 |
| Сентябрь |
352,5 |
389,6 |
402,5 |
465,0 |
548,1 |
431,5 |
426,4 |
61,8 |
1,19 |
| Октябрь |
289,4 |
331,9 |
351,3 |
402,3 |
442,1 |
363,4 |
359,5 |
-6,3 |
1,01 |
| Ноябрь |
237,2 |
307,9 |
302,7 |
350,4 |
350,3 |
309,7 |
306,7 |
-60,0 |
0,86 |
| Декабрь |
251,4 |
320,8 |
329,0 |
378,6 |
366,1 |
329,2 |
325,9 |
-40,6 |
0,91 |
| Средний уровень ряда для аддитивной формы |
302,7 |
317,0 |
368,4 |
397,7 |
462,8 |
=369,7 |
|
0 |
|
| Средний уровень ряда для мультипликативной формы |
297,0 |
307,6 |
362,2 |
389,2 |
450,2 |
|
=357,1 |
|
1 |
Таким образом, введение новых узлов и блоков и новых конструктивных связей позволило существенно повысить быстродействие системы путем локализации диапазона адресов поиска данных в базе данных сервера.
Источники информации
1. Соколов А.А. Прогнозирование пассажирских перевозок. В книге “Наука и техника гражданской авиации”. ВИНИТИ. М. 1975.
2. Правдин Н.Н., Негрей В.Я. Прогнозирование пассажирских перевозок. М.: Транспорт, 1980.
3. Патент США №5455947 А, 03.10. 95.
4. Патент США №5713014 А, 27.01.98 (прототип).
Формула изобретения
Информационно-аналитическая система прогнозирования экономических показателей пассажирских авиаперевозок, содержащая первый регистр, информационный вход которого является первым информационным входом системы, предназначенным для приема данных из базы данных сервера, синхронизирующий вход первого регистра является первым синхронизирующим входом системы, предназначенным для занесения данных из базы данных сервера в первый регистр, а выход, предназначенный для выдачи данных на автоматизированное рабочее место пользователя, является информационным выходом системы, второй регистр, выход которого соединен с одним информационным входом сумматора, третий регистр, выход которого подключен к одному входу компаратора, первый счетчик, информационный вход которого предназначен для приема исходных данных прогнозирования с автоматизированного рабочего места пользователя и является вторым информационным входом системы, а синхронизирующий вход является вторым синхронизирующим входом системы, предназначенным для приема сигнала занесения исходных данных прогнозирования с автоматизированного рабочего места пользователя в первый счетчик, четвертый регистр, информационный вход которого является третьим информационным входом системы, предназначенным для приема исходных данных прогнозирования с автоматизированного рабочего места пользователя, а синхронизирующий вход является третьим синхронизирующим входом системы, предназначенным для приема сигнала занесения исходных данных прогнозирования с автоматизированного рабочего места пользователя в четвертый регистр, и блок интеграции адресных сигналов, один информационный вход которого соединен с выходом сумматора, а выход является адресным выходом системы, предназначенным для выдачи адреса данных на адресный вход сервера базы данных, отличающаяся тем, что в систему введены блок селекции базового адреса записи массива данных, синхронизирующий вход которого подключен к первому синхронизирующему входу системы, а информационный выход соединен с информационным входом первого регистра, при этом первый синхронизирующий выход подключен к синхронизирующему входу первого регистра, второй синхронизирующий выход соединен с синхронизирующими входами сумматора и компаратора и с одним синхронизирующим входом блока интеграции адресных сигналов, а третий синхронизирующий выход блока селекции базового адреса записи массива данных является первым синхронизирующим выходом системы, предназначенным для выдачи сигнала записи на управляющий вход записи сервера базы данных, второй счетчик, счетный вход которого подключен ко второму синхронизирующему выходу блока селекции базового адреса записи массива данных, а выход соединен с другим информационным входом сумматора, блок селекции базового адреса временного периода, информационный вход которого подключен к выходу первого счетчика, а первый синхронизирующий вход соединен со вторым синхронизирующим входом системы, третий счетчик, счетный вход которого подключен к первому синхронизирующему входу системы, а выход соединен с другим информационным входом компаратора, блок формирования текущего адреса считывания данных временного периода, информационный вход которого подключен к информационному выходу блока селекции базового адреса временного периода, первый синхронизирующий вход соединен с синхронизирующим выходом блока селекции базового адреса временного периода, а второй синхронизирующий вход подключен к первому выходу компаратора, при этом информационный выход соединен с другим информационным входом блока интеграции адресных сигналов, первый синхронизирующий выход подключен к другому синхронизирующему входу блока интеграции адресных сигналов, а второй синхронизирующий выход является вторым синхронизирующим выходом системы, предназначенным для выдачи сигнала считывания на управляющий вход считывания сервера базы данных, и блок формирования границ временного периода, информационный вход которого соединен с выходом четвертого регистра, а синхронизирующий вход подключен к другому выходу компаратора, при этом первый выход соединен со счетным входом первого счетчика, со вторым синхронизирующим входом блока селекции базового адреса временного периода и с установочными входами третьего счетчика и блока формирования текущего адреса считывания данных временного периода, а второй выход является третьим синхронизирующим выходом системы, предназначенным для выдачи сигнала запуска программы вычисления показателей прогнозирования на вход запуска сервера базы данных.
РИСУНКИ
MM4A – Досрочное прекращение действия патента СССР или патента Российской Федерации на изобретение из-за неуплаты в установленный срок пошлины за поддержание патента в силе
Дата прекращения действия патента: 15.02.2007
Извещение опубликовано: 20.06.2008 БИ: 17/2008
|
|