|
|
(21), (22) Заявка: 2005108852/09, 29.03.2005
(24) Дата начала отсчета срока действия патента:
29.03.2005
(46) Опубликовано: 10.12.2006
(56) Список документов, цитированных в отчете о поиске:
US 5129083 А, 07.07.1992. RU 14093 U1, 27.06.2000. US 5455947 А, 03.10.1995. US 5713014 А, 27.01.1998.
Адрес для переписки:
117312, Москва, пр-т 60-летия Октября, 9, ООО “Когнитивные технологии”, А.Н. Романову
|
(72) Автор(ы):
Арлазаров Владимир Львович (RU), Бачурин Евгений Викторович (RU), Курочкин Евгений Павлович (RU), Романов Анатолий Николаевич (RU)
(73) Патентообладатель(и):
ОАО “Аэрофлот – Российские авиалинии” (RU)
|
(54) АВТОМАТИЗИРОВАННАЯ СИСТЕМА СБОРА И ОБРАБОТКИ ДАННЫХ ТЕРРИТОРИАЛЬНО-РАСПРЕДЕЛЕННЫХ ОБЪЕКТОВ
(57) Реферат:
Изобретение относится к вычислительной технике, в частности к автоматизированной системе сбора и обработки данных территориально-распределенных объектов, например данных о продажах билетов территориально-распределенными агентствами Аэрофлота. Техническим результатом является повышение быстродействия системы путем локализации адресов записей базы данных по идентификаторам принимаемых системой сообщений от территориально-распределенных агентств аэрофлота. Технический результат достигается тем, что система содержит блок приема запросов пользователей, блок идентификации агентств, блок идентификации признаков входных сообщений, блок формирования адресов базы данных сервера, блок коммутации каналов выдачи данных, блок приема входных сообщений, блок селекции базовых адресов агентств, блок контроля поступления сводных данных, блок селекции временных интервалов приема сообщений, блок определения текущих результатов продаж, блок вычисления нарастающего итога продаж, блок приема данных из базы данных сервера и блок агрегирования информационных сигналов. 12 ил.
Изобретение относится к вычислительной технике, в частности к автоматизированной системе сбора и обработки данных территориально-распределенных объектов, например данных о продажах билетов территориально-распределенными агентствами авиакомпании.
Для оперативного анализа и принятия решений по пассажирским перевозкам, выполняемым за какой-либо заданный период, как правило, используются такие показатели, как количество продаж билетов на соответствующие рейсы и соответственно доход, приходящийся на каждый рейс.
Сопоставление динамики изменения этих показателей в их взаимосвязи позволяет с достаточной степенью вероятности судить о потенциале эксплуатируемого рынка, о структуре пассажиропотока (по доходной ставке), об эффективности расписания (правильности расстановки ВС), о правильности применения тарифов и т.п.
В этой связи особенно актуальной становится задача сбора и обработки данных о продажах билетов территориально-распределенными агентствами авиакомпании на соответствующие рейсы и выявления наиболее правильной расстановки воздушных судов для получения наибольшего эффекта их использования.
Известны системы, которые могли бы быть использованы для решения поставленной задачи (1, 2).
Первая из известных систем содержит блоки приема и хранения данных, соединенные с блоками управления и обработки данных, блоки поиска и селекции, подключенные к блокам хранения данных и отображения, синхронизирующие входы которых соединены с выходами блока управления (1).
Существенный недостаток данной системы состоит в невозможности решения задачи оперативного обновления данных, хранимых в памяти в виде соответствующих документов, в реальном масштабе времени.
Известна и другая система, содержащая телекоммуникационную сеть блоков обработки данных, информационные входы которых соединены с блоками приема данных и управления, а выходы подключены к первой группе блоков памяти, центральный процессор, входы которого соединены с выходами блоков памяти первой группы и блоков обработки данных, а выходы соединены с входами блоков памяти второй группы и блоков отображения данных (2).
Последнее из перечисленных выше технических решений наиболее близко к описываемому.
Его недостаток заключается в невысоком быстродействии системы, обусловленном тем, что выполнение процедуры актуализации данных, собираемых системой от территориально-распределенных объектов системы по телекоммуникационной сети передачи данных, реализуется через процедуру их поиска по всему объему базы данных системы с последующим выполнением обработки обновляемых данных центральным процессором, что при больших объемах данных базы данных системы неизбежно приводит к большим затратам времени.
Цель изобретения – повышение быстродействия системы путем локализации адресов записей базы данных по идентификаторам принимаемых системой сообщений от территориально-распределенных агентств авиакомпании.
Поставленная цель достигается тем, что в известную систему, содержащую блок приема запросов, информационный и синхронизирующий входы которого являются первыми информационным и синхронизирующим входами системы, а один информационный выход соединен с первым информационным входом блока коммутации каналов выдачи данных, информационные выходы группы которого являются информационными выходами группы системы, блок приема входных сообщений, информационный и синхронизирующий входы которого являются вторыми информационным и синхронизирующим входами системы, а синхронизирующий выход соединен с управляющим входом блока приема запросов, блок вычисления нарастающего итога продаж, синхронизирующий вход которого подключен к синхронизирующему выходу блока приема входных сообщений, а выход соединен со вторым информационным входом блока коммутации каналов выдачи данных, блок приема данных из базы данных сервера, информационный и синхронизирующий входы которого являются третьими информационным и синхронизирующим входами системы, а информационный выход соединен с третьим информационным входом блока коммутации каналов выдачи данных, блок формирования адресов базы данных сервера, информационный выход которого является адресным выходом системы, блок агрегирования информационных сигналов, выход которого является первым информационным выходом системы, введены блок идентификации признаков входных сообщений, информационный вход которого соединен с первым информационным выходом блока приема сообщений, а первый и второй синхронизирующие выходы которого являются первым и вторым синхронизирующими выходами системы, блок идентификации агентств, информационный вход которого соединен с другим информационным выходом блока приема запросов, синхронизирующий вход подключен к одному синхронизирующему выходу блока приема запросов, информационный выход соединен с первым информационным входом блока формирования адресов базы данных сервера, а первый синхронизирующий выход подключен к тактирующему входу блока идентификации признаков входных сообщений, при этом другой синхронизирующий выход блока приема запросов соединен с первым синхронизирующим входом блока коммутации каналов выдачи данных, второй синхронизирующий выход блока идентификации агентств подключен ко второму синхронизирующему входу блока коммутации каналов выдачи данных, первый и второй управляющие входы которого соединены с первым и вторым управляющими выходами блока идентификации агентств соответственно, блок селекции базовых адресов агентств, информационный вход которого соединен со вторым информационным выходом блока приема входных сообщений, а синхронизирующий вход подключен к синхронизирующему выходу блока приема входных сообщений, при этом информационный выход блока селекции базовых адресов агентств соединен со вторым информационным входом блока формирования адресов базы данных сервера, а синхронизирующий выход подключен к первому синхронизирующему входу блока идентификации признаков входных сообщений, первый и второй тактирующие выходы которого соединены с первым и вторым тактирующими входами блока формирования адресов базы данных сервера соответственно, блок определения текущих результатов продаж, один информационный вход которого соединен с выходом блока приема данных из базы данных сервера, другой информационный вход подключен к третьему выходу блока приема входных сообщений, синхронизирующий вход соединен с третьим синхронизирующим входом системы, а управляющий вход подключен к управляющему выходу блока приема запросов, при этом информационный выход соединен с одним информационным входом блока агрегирования информационных сигналов, другой информационный вход которого подключен к третьему информационному выходу блока приема входных сообщений, подключенному к информационному входу блока вычисления нарастающего итога продаж, блок селекции временных интервалов приема сообщений, счетный вход которого соединен с синхронизирующим выходом блока определения текущих результатов продаж, информационный выход подключен к третьему информационному входу блока формирования адресов базы данных сервера, один синхронизирующий выход соединен со вторым синхронизирующим входом блока идентификации входных сообщений, а другой синхронизирующий выход подключен к синхронизирующему входу блока формирования адресов базы данных сервера и к установочному входу блока приема запросов, при этом первый и второй управляющие выходы блока селекции временных интервалов приема сообщений соединены с первыми и вторыми управляющими входами блоков формирования адресов базы данных сервера и агрегирования информационных сигналов соответственно, блок контроля поступления сводных данных, счетный вход которого подключен ко второму синхронизирующему выходу блока идентификации признаков входных сообщений, а информационный и синхронизирующий выходы которого являются первым и вторым сигнальными выходами системы, при этом синхронизирующий выход блока формирования адресов базы данных сервера соединен с третьим синхронизирующим входом блока идентификации признаков входных сообщений, синхронизирующий вход блока приема запросов подключен к третьему синхронизирующему входу системы, а четвертый информационный выход блока приема входных сообщений является вторым информационным выходом системы.
Сущность изобретения поясняется чертежами, где на фиг.1 представлена структурная схема системы, на фиг.2 представлен пример конкретного конструктивного выполнения блока приема запросов, на фиг.3 – пример конкретного конструктивного выполнения блока идентификации агентств, на фиг.4 – пример конкретного конструктивного выполнения блока идентификации признаков входных сообщений, на фиг.5 – пример конкретного конструктивного выполнения блока формирования адресов базы данных сервера, на фиг.6 – пример конкретного конструктивного выполнения блока коммутации каналов выдачи данных, на фиг.7 – пример конкретного конструктивного выполнения блока приема входных сообщений, на фиг.8 – пример конкретного конструктивного выполнения блока селекции базовых адресов агентств, на фиг.9 – пример конкретного конструктивного выполнения блока контроля поступления сводных данных, на фиг.10 – пример конкретного конструктивного выполнения блока селекции временных интервалов приема сообщений, на фиг.11 – пример конкретного конструктивного выполнения блока вычисления нарастающего итога продаж, на фиг.12 – пример конкретного конструктивного выполнения блока агрегирования информационных сигналов.
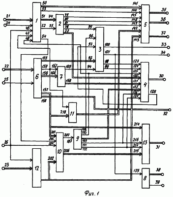
Система (фиг.1) содержит блок 1 приема запросов, блок 2 идентификации агентств, блок 3 идентификации признаков входных сообщений, блок 4 формирования адресов базы данных сервера, блок 5 коммутации каналов выдачи данных, блок 6 приема входных сообщений, блок 7 селекции базовых адресов агентств, блок 8 контроля поступления сводных данных, блок 9 селекции временных интервалов приема сообщений, блок 10 определения текущих результатов продаж, блок 11 вычисления нарастающего итога продаж, блок 12 приема данных из базы данных сервера и блок 13 агрегирования информационных сигналов.
На фиг.1 показаны первый 21, второй 22 и третий 23 информационные входы системы, первый 24, второй 25 и третий 26 синхронизирующие входы системы, а также адресный 30, первый 31 и второй 32 информационный выходы системы, первый 33 и второй 34 синхронизирующие выходы системы, информационные выходы 35-37 группы системы, первый 38 и второй 39 сигнальные выходы системы.
Блок 1 приема запросов (фиг.2) содержит регистр 40, триггер 41, элементы 42, 43 И, элемент 44 задержки. На чертеже также показаны входы 21, 24, 46-48 и выходы 50-54 блока.
Блок 2 идентификации агентств (фиг.3) содержит блок памяти 60, выполненный в виде постоянного запоминающего устройства, дешифратор 61, триггер 62, элементы 63-66 И, элемент 70 ИЛИ, элементы 71-72 задержки.
На чертеже показаны информационный 74 и синхронизирующий 75 входы, а также информационный 77, синхронизирующие 78, 79 и управляющие 80, 81 выходы.
Блок 3 идентификации признаков входных сообщений (фиг.4) содержит дешифратор 82, элементы 83-85 ИЛИ, элементы 86, 87 И, элементы 88-92 задержки. На чертеже показаны информационный вход 93, синхронизирующие 94-97 входы и синхронизирующие 98-101 выходы.
Блок 4 формирования адресов базы данных сервера (фиг.5) содержит сумматор 110, регистры 111, 112, группы 113, 114 элементов И, элемент 116 задержки, группы 117, 118 элементов ИЛИ.
На чертеже показаны информационные 120 – 122 входы, синхронизирующие 123-125 входы, управляющие 126-127 входы, а также установочный вход 125 блока, а также адресный 30 и синхронизирующий 128 выходы блока.
Блок 5 коммутации каналов выдачи данных (фиг.6) содержит дешифратор 131, группы 132-136 элементов И, группу 137 элементов ИЛИ, элемент 138 ИЛИ. На чертеже показаны информационные входы 141-143 блока, синхронизирующие входы 144-145, управляющие входы 146-147 блока, а также информационные выходы 35-37 выходы группы блока.
Блок 6 приема входных сообщений (фиг.7) содержит регистр 150, триггер 151, элемент 152 И, элемент 153 задержки. На чертеже показаны информационный 22 и синхронизирующий 25 входы, а также информационные 155-158 и синхронизирующий 159 выходы.
Блок 7 селекции базовых адресов агентств (фиг.8) содержит блок памяти 160, выполненный в виде постоянного запоминающего устройства, дешифратор 161, элементы 162-164 И, элемент 165 ИЛИ.
На чертеже показаны информационный 166 и синхронизирующий 167 входы, а также информационный 168 и синхронизирующий 169 выходы.
Блок 8 контроля поступления сводных данных (фиг.9) содержит компаратор 170, счетчик 171, регистр 172 и элемент 173 задержки.
На чертеже показаны счетный 175 вход, первый 38 и второй 39 сигнальные выходы.
Блок 9 селекции временных интервалов приема сообщений (фиг.10) содержит первый счетчик 180, регистр 181, компаратор 182, второй счетчик 183, триггер 184, элементы задержки 185-186.
На чертеже показаны счетный 187 вход блока, а также информационный 189, синхронизирующие 188 и 190 и управляющие 191, 192 выходы.
Блок 10 определения текущих результатов продаж (фиг.11) содержит сумматор 195, группу 196 элементов И, элемент 197 И, элементы 199, 200 задержки.
На чертеже показаны информационные 202, 203, синхронизирующий 204 и управляющий 205 входы, а также информационный и синхронизирующий 207 выходы.
Блок 11 вычисления нарастающего итога продаж выполнен в виде накапливающего сумматора, имеющего информационный 218 и синхронизирующий 219 входы и информационный 220 выход.
Блок 12 приема данных из базы данных сервера выполнен в виде регистра.
Блок 13 агрегирования информационных сигналов (фиг.12) содержит группы 210, 211 элементов И, а также группу 212 элементов И.
На чертеже показаны информационные 214, 215 и управляющие 216, 217 входы, а также информационный выход 31.
В данной системе территориально-распределенные агентства авиакомпании выступают в качестве источников данных о количестве проданных билетов за определенный интервал времени.
Передача сообщений о количестве проданных билетов на соответствующие рейсы за определенный период времени реализуется по определенному регламенту, в соответствии с которым агентства авиакомпании передают итоговые сведения о числе проданных билетов на определенные моменты времени, например в начале каждого часа.
Работу системы рассмотрим на примере решения основных функциональных задач системы, связанных как с получением и обработкой данных о числе проданных билетов на соответствующие рейсы, так и с получением итоговых данных результатов продаж на всех территориально-распределенных агентствах авиакомпании.
При решении задачи сбора и обработки данных о числе продаж билетов на информационный вход 22 системы в соответствии с установленным регламентом по тракту передачи данных последовательно поступают сообщения (кодограммы) от агентств авиакомпании, имеющие следующую структуру:
| КОД |
КОД |
КОД |
КОД |
Признак входного сообщения |
Идентификатор агентства Аэрофлота |
Общее число продаж за установленный временной интервал |
Остальные атрибуты продаж, включающие данные о количестве мест, проданных на соответствующие рейсы Аэрофлота |
Код кодограммы с информационного входа 22 системы заносится в регистр 150 блока 6 синхронизирующим импульсом с входа 25, который проходит на синхронизирующий вход регистра 150 через элемент 152 И, открытый по второму входу высоким потенциалом с инверсного выхода триггера 151, находящегося до прихода первой кодограммы в исходном состоянии.
С выхода 155 блока 6 код признака входного сообщения поступает на вход 93 блока 3 и далее подается на вход дешифратора 82, который расшифровывает код признака входного сообщения и, в данном случае, открывает элемент 87 И по одному входу.
Параллельно с этим с выхода 156 блока 6 код идентификатора агентства аэрофлота поступает на информационный вход 166 блока 7 и далее на вход дешифратора 161, который расшифровывает поступивший код, выдавая на один их своих выходов высокий потенциал. Для определенности положим, что высокий потенциал поступил на один вход элемента 164 И.
В это время синхронизирующий импульс с выхода элемента 152 И блока 6 задерживается элементом 153 на время приема кода входного сообщения в регистр 150 и срабатывания дешифратора 161 и далее, во-первых, поступает на единичный вход триггера 151 и устанавливает его в единичное состояние, при котором с инверсного выхода триггера будет выдан низкий потенциал на вход элемента 152 И, блокирующий прием следующего сообщения.
Во-вторых, этот же синхронизирующий импульс с выхода 158 блока 6 поступает на вход 167 блока 7, откуда он опрашивает состояния элементов 162-164 И.
Учитывая то обстоятельство, что открытым по одному входу будет только элемент 164 И, то, пройдя этот элемент И, синхроимпульс поступает, во-первых, на вход считывания фиксированной ячейки памяти постоянного запоминающего устройства 160, где хранится базовый адрес ячейки памяти в базе данных сервера, закрепленной за данным агентством аэрофлота, и считывает ее содержимое через выход 168 на вход 121 блока 4.
С входа 121 блока 4 код базового адреса агентства, приславшего входное сообщение, проходит через элементы 118 ИЛИ группы на информационные входы регистров 111 и 112.
Во-вторых, тот же импульс считывания кода базового адреса агентства с выхода элемента 164 И блока 7 проходит элемент 165 ИЛИ на выход 169 блока 7 и далее поступает на вход 94 блока 3, где задерживается элементом 88 задержки на время считывания содержимого фиксированной ячейки ПЗУ, проходит через открытый дешифратором 82 элемент 87 И и затем, во-первых, проходит через элемент 83 ИЛИ на выход 98 блока 3 и далее через вход 123 блока 4 поступает на синхронизирующий вход регистра 111, фиксируя в нем базовый адрес ячейки памяти, закрепленной за данным агентством.
Во-вторых, этот же импульс с выхода 99 блока 3 поступает на вход 124 блока 4 и далее подается на синхронизирующий вход регистра 112, также фиксируя в нем базовый адрес ячейки памяти, закрепленной за данным агентством.
В-третьих, этот же импульс задерживается элементом 90 на время занесения базового адреса агентства в регистры 111 и 112 и далее через элемент 84 ИЛИ и выход 100 блока 3 выдается на выход 33 системы и далее на вход первого канала прерывания сервера (на чертеже не показан).
По этому сигналу сервер переходит на подпрограмму опроса содержимого базы данных по базовому адресу агентства, который с выхода регистра 111 через элементы 113 И группы, открытые высоким потенциалом с входа 126 блока 4, и через элементы 117 ИЛИ группы выдается на адресный 30 выход системы.
Содержимое базового адреса данного агентства считывается из базы данных сервера и через информационный вход 23 системы поступает на информационный вход регистра 12, куда оно заносится синхронизирующим импульсом сервера, поступающим на синхронизирующий вход 26 системы.
Следует учесть, что перед началом работы системы все ее узлы и блоки были установлены в исходное состояние, а содержимое ячеек базы данных сервера было обнулено.
В связи с этим с приходом первого сообщения от данного агентства при считывании содержимого его базового адреса на вход регистра 12 будет считываться нулевой код и, следовательно, регистр 12 останется в исходном состоянии.
Содержимое регистра 12 (в данном случае оно равно нулю) поступает на вход 202 блока 10 и далее через элементы 196 И группы, открытые по входу 205 блока 10 высоким потенциалом с инверсного выхода триггера 41 блока 1, поступает на одни входы сумматора 195.
На другие входы сумматора 195 с входа 203 блока 10 подан код числа продаж билетов по данным агентства аэрофлота, приславшего данное сообщение.
Импульс занесения кода в регистр 12 с входа 26 системы поступает на синхронизирующий вход 204 блока 10, задерживается на время занесения кода в регистр 12 элементом задержки 199, проходит через элемент 197 И, также открытый по второму входу высоким потенциалом с входа 205, и поступает на синхронизирующий вход сумматора 195, на выходе которого формируется итоговая сумма продаж билетов, выполненных данным агентством.
Полученная сумма продаж с выхода 206 блока 10 поступает на вход 215 блока 13, затем проходит элементы 211 И группы, открытые высоким потенциалом с входа 217, и далее через элементы 212 ИЛИ группы выдается на информационный выход 32 системы, откуда оно выдается на информационный вход сервера, на адресный вход которого по-прежнему подан базовый адрес данного агентства с адресного выхода 31 системы.
Импульс с выхода элемента 197 блока 10, задержанный элементом 200 задержки на время срабатывания сумматора 195, и через выход 207 блока 10 поступает на вход 187 блока 9 и далее на счетный вход счетчика 180, подсчитывающего число агентств аэрофлота, приславших сообщения в данном интервале времени.
Во-вторых, этот же импульс задерживается элементом задержки 186 блока 9 на время срабатывания счетчика 180 и поступает на синхронизирующий вход компаратора 182. По этому сигналу компаратор 182 сравнивает число агентств, приславших сообщения и зафиксированных в счетчике 180, с заданным числом агентств в регистре 181, которые должны прислать свои сообщения.
Если число агентств, приславших сообщения, меньше заданного числа, хранящегося в регистре 181, то на выходе 230 компаратора 182 формируется сигнал, который через выход 188 блока 9 поступает на вход 96 блока 3, проходит элемент 85 ИЛИ и с выхода 101 выдается на выход 34 системы.
С выхода 34 системы импульс управления записью данных поступает на вход второго канала прерывания сервера. По этому сигналу сервер переходит на подпрограмму записи и записывает по базовому адресу на адресном выходе 30 системы итоговую сумму продаж на данное время дня в данном агентстве, выдаваемое системой на информационный выходы 31 и 32.
Параллельно с процессом формирования базового адреса данного агентства в блоке 4 сам код базового адреса с выхода регистра 112 блока 4 поступает на один вход сумматора 110, на другой вход 122 которого поступает код с выхода 189 блока 9.
Сумматор 110 выполняет функцию модификации базовых адресов агентств с целью их привязки к конкретным значениям временных интервалов, в пределах которых агентства аэрофлота сообщают новые данные. Формирование модифицированных базовых адресов предназначено для упорядоченного документирования всех принимаемых сообщений агентств прямо в процессе приема сообщений и осуществляется с помощью блока 9.
Блок 9 предназначен для фиксации моментов времени, при которых в очередном временном цикле приема сообщений от агентств аэрофлота будет зафиксирован факт поступления сообщений от всех работающих агентств.
С этой целью в процессе реализации очередного цикла приема сообщений от агентств очередной импульс управления записью нового содержимого по базовому адресу с выхода 207 блока 10 поступает на вход 187 блока 9 и далее на счетный вход счетчика 180.
Как только показания счетчика 180 будут равны показаниям регистра 181, по сигналу опроса состояния компаратора импульсом с выхода элемента 186 задержки, поступающим на синхронизирующий вход компаратора 182, компаратор 182 выдаст сигнал на выход 231.
Этот импульс, во-первых, поступает на счетный вход счетчика 183, подсчитывающего число временных интервалов, в данном случае в счетчик 183 занесена первая единица.
Во-вторых, после задержки элементом 185 на время срабатывания счетчика 183 и триггера 184 он поступает на установочный вход счетчика 180, возвращая его в исходное состояние и подготавливая к очередному циклу приема сообщений.
В-третьих, этот же импульс поступает на единичный вход триггера 184 и устанавливает его в единичное состояние, при котором на выходе 192 будет высокий потенциал, а на выходе 191 – низкий.
Триггер 184 низким потенциалом со своего инверсного выхода 191 закрывает по одному входу элементы 113 И блока 4, блокируя тем самым подключение выхода регистра 111 блока 4 к адресному выходу 30 системы, и, наоборот, высоким потенциалом со своего прямого выхода 192 триггер 184 открывает элементы 114 И группы по одному входу, подключая тем самым выход сумматора 110 через элементы 114 И группы и элементы 117 ИЛИ группы к адресному выходу 30 системы.
И, наконец, в-четвертых, задержанный на время срабатывания счетчика 183 и триггера 184 синхронизирующий импульс с выхода 190 блока 9 поступает на вход 125 блока 4 и далее на синхронизирующий вход сумматора 110.
С поступлением каждого синхронизирующего импульса с выхода 190 блока 9 на синхронизирующий вход сумматора 110 последний формирует модифицированный базовый адрес путем последовательного прибавления к базовому адресу количества интервалов приема сообщений от соответствующих агентств.
На информационный 31 выход системы в данный момент времени с выхода 157 блока 6 через вход 214 блока 13, элементы 210 И группы, элементы 212 ИЛИ группы подан код числа продаж, выполненных данным агентством, на момент приема сообщения, а на информационный выход 32 выдается кодовая запись с выхода 158 блока 6.
Синхронизирующий импульс с синхронизирующего входа сумматора 110 задерживается элементом 116 на время срабатывания сумматора 110 и далее с выхода 128 блока 4 поступает на вход 97 блока 3, где проходит элемент 85 ИЛИ и с выхода 101 блока 3 выдается на выход 34 системы, откуда он поступает на вход второго канала прерывания сервера.
По этому сигналу сервер переходит на подпрограмму записи присланного сообщения по модифицированному адресу.
Таким образом, все сообщения, присланные конкретным агентством, будут последовательно документированы с жесткой привязкой к его базовому адресу, а само содержимое базового адреса данного агентства будет представлять собой накапливающуюся сумму числа продаж, выполненных на данный момент времени в данном агентстве.
Наряду с итоговым подсчетом числа продаж в каждом из агентств аэрофлота система формирует итоговое число продаж сразу от всех агентств прямо в процессе приема сообщений, поступающих от агентств аэрофлота.
С этой целью выход 157 блока 6 соединен с информационным входом 218 накапливающего сумматора блока 11, который по синхронизирующему импульсу с выхода 158 блока 6 формирует нарастающим итогом результирующее число продаж билетов.
Итоговые данные нарастающим итогом с выхода блока 11 поступают через вход 142 блока 5 на входы элементов 132 И группы.
Аналогичным образом система работает и при решении функциональной задачи приема сводных данных продаж билетов от всех агентств аэрофлота, передаваемых по состоянию на заданное время, например на 00 часов очередных суток.
При решении данной функциональной задачи на информационный вход 22 системы в соответствии с установленным регламентом по тракту передачи данных последовательно поступают сообщения (кодограммы) от агентств аэрофлота, имеющие следующую структуру:
| КОД |
КОД |
КОД |
КОД |
Признак входного сообщения
|
Идентификатор агентства Аэрофлота
|
Итоговое число продаж
|
Остальные атрибуты продаж, включающие данные о количестве мест, проданных на соответствующие рейсы Аэрофлота |
Код кодограммы с информационного входа 22 системы заносится в регистр 150 блока 6 синхронизирующим импульсом с входа 25, который проходит на синхронизирующий вход регистра 150 через элемент 152 И, открытый по второму входу высоким потенциалом с инверсного выхода триггера 151, находящегося до прихода первой кодограммы в исходном состоянии.
С выхода 155 блока 6 код признака входного сообщения поступает на вход 93 блока 3 и далее подается на вход дешифратора 82, который расшифровывает код признака входного сообщения и, в данном случае, открывает элемент 86 И по одному входу.
Параллельно с этим с выхода 156 блока 6 код идентификатора избирательной комиссии поступает на информационный вход 166 блока 7 и далее на вход дешифратора 161, который расшифровывает поступивший код, выдавая на один их своих выходов высокий потенциал. Для определенности положим, что высокий потенциал поступил на один вход элемента 162 И.
В это время синхронизирующий импульс с выхода элемента 152 И блока 6 задерживается элементом 153 на время приема кода входного сообщения в регистр 150 и срабатывания дешифратора 161 и далее, во-первых, поступает на единичный вход триггера 151 и устанавливает его в единичное состояние, при котором с инверсного выхода триггера будет выдан низкий потенциал на вход элемента 152 И, блокирующий прием следующего сообщения.
Во-вторых, этот же синхронизирующий импульс с выхода 158 блока 6 поступает на вход 167 блока 7, откуда он опрашивает состояния элементов 162-164 И.
Учитывая то обстоятельство, что открытым по одному входу будет только элемент 162 И, то пройдя этот элемент И, синхроимпульс поступает, во-первых, на вход считывания фиксированной ячейки памяти постоянного запоминающего устройства 160, где хранится базовый адрес ячейки памяти в базе данных сервера, закрепленной за данным агентством, и считывает ее содержимое через выход 168 на вход 121 блока 4.
С входа 121 блока 4 код базового адреса агентства, приславшего входное сообщение, проходит через элементы 118 ИЛИ группы на информационные входы регистров 111 и 112.
Во-вторых, тот же импульс считывания кода базового адреса агентства с выхода элемента 162 И проходит элемент 165 ИЛИ на выход 169 блока 7 и далее поступает на вход 94 блока 3, где задерживается элементом 88 задержки на время считывания содержимого фиксированной ячейки ПЗУ, проходит через открытый дешифратором 82 элемент 86 И и затем, во-первых, проходит через элемент 83 ИЛИ на выход 98 блока 3 и далее через вход 123 блока 4 поступает на синхронизирующий вход регистра 111, фиксируя в нем базовый адрес ячейки памяти, закрепленной за данным агентством.
В-третьих, этот же импульс с выхода элемента 86 И блока 3 задерживается элементом 92 на время занесения кода базового адреса в регистр 111 блока, проходит элемент 85 ИЛИ и с выхода 101 блока 3 поступает на выход 34 системы в качестве импульса управления записью данных.
Импульс управления записью данных поступает на вход второго канала прерывания сервера. По этому сигналу сервер переходит на подпрограмму записи и записывает по базовому адресу на адресном выходе 30 системы содержание сводных данных от указанного агентства, выдаваемых системой на информационные выходы 31 и 32.
Кроме того, каждый синхронизирующий импульс записи сводных данных в базу данных с выхода 101 поступает на вход 175 блока 8, откуда он подается на счетный вход счетчика 171, фиксирующего число итоговых данных, присланных агентствами. В регистр 172 введено работающее число агентств авиакомпании. Показания счетчика 171 через сигнальный выход 38 системы выведены на табло отображения.
Каждый синхронизирующий импульс, поступающий на вход 175 блока 8, задерживается элементом 173 на время срабатывания счетчика 171 и поступает на синхронизирующий вход компаратора 170, сравнивающего заданное число агентств с числом агентств, зафиксированных счетчиком 171.
Как только показания счетчика 171 и регистра 172 будут равны, на второй сигнальный выход 39 системы будет выдан сигнал о готовности сводных данных от всех агентств для подведения окончательных итогов.
Как уже отмечалось выше, окончание операции приема сообщений от агентств фиксируется блоком 9, сигнал с выхода 190 которого также поступает на управляющий 47 вход блока 1 и устанавливает триггер 41 режима в единичное состояние, при котором низкий потенциал с инверсного выхода – с выхода 54 блока 1 поступает на вход 205 блока 10, где блокирует работу элементов 196 И группы и элемента 197 И.
Кроме того, высоким потенциалом триггера 41 блока 1 с прямого выхода открываются элементы 42 и 43 И. Тем самым разрешается переход системы в режим выдачи справок по итоговым данным.
Структура кодограммы запроса на получение соответствующих справок имеет следующий вид:
| КОД |
КОД |
| Идентификатор рабочего места, с которого запрашиваются данные |
Тип запрашиваемых данных: – либо о числе продаж, выполненных конкретным агентством Аэрофлота; – либо о числе продаж, выполненных всеми агентствами Аэрофлота. |
Код запроса с рабочего места пользователя поступает на информационный вход 21 блока 1, откуда поступает на информационные входы регистра 40. Одновременно на вход 24 поступает синхронизирующий импульс, который, пройдя элемент 42 И, поступает на синхронизирующий вход регистра 40 и заносит в регистр код запроса.
Код типа запроса с выхода 51 блока 1 поступает на вход 74 блока 2 и далее на вход дешифратора 61, который расшифровывает тип запроса пользователя, выдавая на один их своих выходов высокий потенциал. Для определенности положим, что высокий потенциал поступил на один вход элемента 65 И.
Параллельно с этим синхронизирующий импульс с выхода элемента 42 И проходит на выход 52 блока 1 и далее поступает на вход 75 блока 2, где задерживается элементом 71 на время срабатывания регистра 40 и дешифратора 61, и далее опрашивает состояния элементов 63-66 И.
Учитывая то обстоятельство, что открытым по одному входу будет только элемент 65 И, то, пройдя этот элемент И, синхроимпульс, во-первых, поступает на вход считывания фиксированной ячейки памяти постоянного запоминающего устройства 60, где хранится базовый адрес ячейки памяти, закрепленной за соответствующим агентством, чьи справочные данные запрашиваются.
Код базового адреса с выхода 77 блока 2 поступает на вход 120 блока 4 и далее, пройдя элементы 118 ИЛИ группы, подается на входы регистров 111, 112.
Во-вторых, тот же импульс считывания проходит элемент 70 ИЛИ блока 2 и через выход 78 блока 2 выдается на вход 95 блока 3, где задерживается элементом 89 задержки на время считывания содержимого фиксированной ячейки ПЗУ.
Во-вторых, этот же импульс после задержки элементом 91 на время занесения базового адреса агентства в регистр 111 проходит элемент 84 ИЛИ и через выход 100 блока 3 поступает на выход 33 системы и далее на вход первого канала прерывания сервера.
По этому сигналу сервер переходит на подпрограмму считывания содержимого базы данных по базовому адресу агентства, который с выхода регистра 111 блока 4 проходит элементы 113 И группы, открытые высоким потенциалом с входа 126, элементы 117 ИЛИ группы и выдается на адресный 31 выход системы.
Содержимое базового адреса запрашиваемого агентства считывается из базы данных сервера и через информационный вход 23 системы поступает на информационный вход регистра 12, куда оно заносится импульсом синхронизации сервера с входа 26, который также поступает на вход 46 блока 1, где задерживается элементом 44 на время занесения данных в регистр 12, и далее, пройдя элемент 43 И, выдается на выход 53 в качестве импульса синхронизации выдачи ответа на запрос пользователя.
Этот импульс поступает на синхронизирующий вход 144 блока 5, проходит элемент 138 ИЛИ и далее переписывает содержимое базового адреса запрашиваемого агентства регистра 12 с входа 143 блока 5 через открытые элементы 133 И группы, элементы 137 ИЛИ группы и элементы И одной из групп 134-136 на рабочее место пользователя, приславшего запрос через один из выходов 35-37 системы.
Для этого параллельно с описанным процессом код идентификатора рабочего места пользователя с выхода 50 блока 1 поступает на вход 141 блока 5 и далее на входы дешифратора 131, который открывает одну из групп 134-136, соответствующую выбранному рабочему месту пользователя.
Содержимое регистра 12 поступает на вход 143 блока 5 и далее через элементы 133 И группы, которые открыты по второму входу высоким потенциалом с инверсного выхода 81 триггера 62 блока 2, подаваемого через вход 147 блока 5, проходит через элементы 137 ИЛИ группы и далее поступает на входы групп элементов 134-136 И.
После выдачи справки на соответствующее рабочее место все узлы и элементы системы устанавливаются в исходное состояние тем же импульсом с выхода элемента 138 ИЛИ, задержанным на время выдачи данных (для упрощения чертежа цепи установки узлов и блоков системы в исходное состояние на чертеже не показаны).
Если же в систему поступает запрос второго типа, по которому пользователь запрашивает итоговую сумму продаж всеми агентствами, то в этом случае дешифратор 61 блока 1 открывает по одному входу элемент 66 И, через который синхронизирующий импульс с входа 75 проходит на единичный вход триггера 62 и устанавливает его в единичное состояние.
В этом случае высоким потенциалом с выхода 80 блока 2, поступающим на вход 146 блока 5, элементы 132 И группы будут открыты, а элементы 133 И группы закрыты. При этом выход блока 11 через вход 142 блока 5 будет подключен к каналу выдачи данных на рабочее место пользователя, приславшего запрос.
Синхронизирующий импульс с выхода элемента 66 И блока 2 задерживается элементом 72 на время срабатывания триггера 62 и подключения выхода блока 11 к каналу выдачи данных на рабочее место пользователя и с выхода 79 блока 2 поступает на вход 145 блока 5, где проходит элемент 138 ИЛИ и поступает на синхронизирующий вход элементов 134-136 И групп, обеспечивая выдачу запрашиваемых данных.
Таким образом, введение новых узлов и блоков и новых конструктивных связей позволило существенно повысить быстродействие системы путем исключения затрат времени, связанных с выполнением процедур предварительной записи всей получаемой информации в базу данных, их последующим поиском и обработкой.
Источники информации
1. Патент США №0505651, М.кл. G 06 F 13/40, 13/38, 1992.
2. Патент США №05129083, М.кл. G 06 F 12/00, 15/40, 1992 (прототип).
Формула изобретения
Автоматизированная система сбора и обработки данных территориально-распределенных объектов, содержащая блок приема запросов, информационный и синхронизирующий входы которого являются первыми информационным и синхронизирующим входами системы, а один информационный выход соединен с первым информационным входом блока коммутации каналов выдачи данных, информационные выходы группы которого являются информационными выходами группы системы, блок приема входных сообщений, информационный и синхронизирующий входы которого являются вторыми информационным и синхронизирующим входами системы, а синхронизирующий выход соединен с управляющим входом блока приема запросов, блок вычисления нарастающего итога продаж, синхронизирующий вход которого подключен к синхронизирующему выходу блока приема входных сообщений, а выход соединен со вторым информационным входом блока коммутации каналов выдачи данных, блок приема данных из базы данных сервера, информационный и синхронизирующий входы которого являются третьими информационным и синхронизирующим входами системы, а информационный выход соединен с третьим информационным входом блока коммутации каналов выдачи данных, блок формирования адресов базы данных сервера, информационный выход которого является адресным выходом системы, блок агрегирования информационных сигналов, выход которого является первым информационным выходом системы, отличающаяся тем, что она содержит блок идентификации признаков входных сообщений, информационный вход которого соединен с первым информационным выходом блока приема сообщений, а первый и второй синхронизирующие выходы которого являются первым и вторым синхронизирующими выходами системы, блок идентификации агентств, информационный вход которого соединен с другим информационным выходом блока приема запросов, синхронизирующий вход подключен к одному синхронизирующему выходу блока приема запросов, информационный выход соединен с первым информационным входом блока формирования адресов базы данных сервера, а первый синхронизирующий выход подключен к тактирующему входу блока идентификации признаков входных сообщений, при этом другой синхронизирующий выход блока приема запросов соединен с первым синхронизирующим входом блока коммутации каналов выдачи данных, второй синхронизирующий выход блока идентификации агентств подключен ко второму синхронизирующему входу блока коммутации каналов выдачи данных, первый и второй управляющие входы которого соединены с первым и вторым управляющими выходами блока идентификации агентств соответственно, блок селекции базовых адресов агентств, информационный вход которого соединен со вторым информационным выходом блока приема входных сообщений, а синхронизирующий вход подключен к синхронизирующему выходу блока приема входных сообщений, при этом информационный выход блока селекции базовых адресов агентств соединен со вторым информационным входом блока формирования адресов базы данных сервера, а синхронизирующий выход подключен к первому синхронизирующему входу блока идентификации признаков входных сообщений, первый и второй тактирующие выходы которого соединены с первым и вторым тактирующими входами блока формирования адресов базы данных сервера соответственно, блок определения текущих результатов продаж, один информационный вход которого соединен с выходом блока приема данных из базы данных сервера, другой информационный вход подключен к третьему выходу блока приема входных сообщений, синхронизирующий вход соединен с третьим синхронизирующим входом системы, а управляющий вход подключен к управляющему выходу блока приема запросов, при этом информационный выход соединен с одним информационным входом блока агрегирования информационных сигналов, другой информационный вход которого подключен к третьему информационному выходу блока приема входных сообщений, подключенному к информационному входу блока вычисления нарастающего итога продаж, блок селекции временных интервалов приема сообщений, счетный вход которого соединен с синхронизирующим выходом блока определения текущих результатов продаж, информационный выход подключен к третьему информационному входу блока формирования адресов базы данных сервера, один синхронизирующий выход соединен со вторым синхронизирующим входом блока идентификации входных сообщений, а другой синхронизирующий выход подключен к синхронизирующему входу блока формирования адресов базы данных сервера и к установочному входу блока приема запросов, при этом первый и второй управляющие выходы блока селекции временных интервалов приема сообщений соединены с первыми и вторыми управляющими входами блоков формирования адресов базы данных сервера и агрегирования информационных сигналов соответственно, блок контроля поступления сводных данных, счетный вход которого подключен ко второму синхронизирующему выходу блока идентификации признаков входных сообщений, а информационный и синхронизирующий выходы которого являются первым и вторым сигнальными выходами системы, при этом синхронизирующий выход блока формирования адресов базы данных сервера соединен с третьим синхронизирующим входом блока идентификации признаков входных сообщений, синхронизирующий вход блока приема запросов подключен к третьему синхронизирующему входу системы, а четвертый информационный выход блока приема входных сообщений является вторым информационным выходом системы.
РИСУНКИ
MM4A – Досрочное прекращение действия патента СССР или патента Российской Федерации на изобретение из-за неуплаты в установленный срок пошлины за поддержание патента в силе
Дата прекращения действия патента: 30.03.2007
Извещение опубликовано: 10.07.2008 БИ: 19/2008
|
|