|
|
(21), (22) Заявка: 2004133462/28, 16.11.2004
(24) Дата начала отсчета срока действия патента:
16.11.2004
(43) Дата публикации заявки: 27.04.2006
(46) Опубликовано: 10.12.2006
(56) Список документов, цитированных в отчете о поиске:
WO 03/062938 A1, 31.07.2003. RU 2002126527 A1, 20.04.2004. US 5431182 А, 11.07.1995. WO 2004/003483 A1, 08.01.2004. WO 03/058363 A1, 17.07.2003.
Адрес для переписки:
170026, г.Тверь, наб. А. Никитина, 22, ТГТУ, Отдел ОАП и ЗИ, Е.Н. Ратовой
|
(72) Автор(ы):
Илясов Леонид Владимирович (RU), Коновалов Михаил Борисович (RU)
(73) Патентообладатель(и):
Государственное образовательное учреждение высшего профессионального образования “Тверской государственный технический университет” (RU)
|
(54) ИСПОЛНИТЕЛЬНОЕ УСТРОЙСТВО ДЛЯ РЕГУЛИРОВАНИЯ ПОТОКОВ ЖИДКИХ СРЕД В ТРУБОПРОВОДАХ
(57) Реферат:
Изобретение относится к области средств управления технологическими процессами. Устройство для регулирования потока содержит устройство формирования измерительной информации о расходе жидкой среды, подключенное к одному из входов электрического позиционера, другой вход которого подключен к источнику аналогового электрического сигнала. Выход позиционера подключен к серводвигателю, соединенному штоком с регулирующим органом, установленным на трубопроводе. Устройство формирования измерительной информации о расходе содержит пьезометрическую усредняющую трубку с выходами для отбора полного и статического давлений, установленную в трубопроводе перед регулирующим органом по потоку жидкой среды, и датчик разности давлений с электрическим аналоговым выходным сигналом, подключенный своими входами к выходам пьезометрической трубки. Выход датчика разности давлений подключен ко входу устройства извлечения квадратного корня. Изобретение инвариантно к изменению режима течения, обеспечивает повышение точности формирования измерительной информации о расходе, не требует предварительной калибровки регулирующего органа. 1 ил.
Изобретение относится к области средств управления технологическими процессами, а именно к исполнительным устройствам с аналоговым электрическим входным сигналом для систем автоматического управления.
Известно исполнительное устройство для регулирования потоков жидких сред в трубопроводах (Шегал Г.Л. Электрические исполнительные механизмы. М.-Л.: Госэнергоиздат, 1961, с.12), содержащее электромагнитный двигатель (соленоид), соединенный штоком с регулирующим органом, установленным на трубопроводе. В процессе управления электромагнитный двигатель посредством штока перемещает регулирующий орган пропорционально аналоговому электрическому входному сигналу.
Недостатком этого исполнительного устройства является большая потребляемая электрическая мощность и возможность применения только на трубопроводах малого диаметра (до 30 мм).
Наиболее близким по технической сущности является исполнительное устройство для регулирования потоков жидких сред в трубопроводах (патент WO 03/062938 A1, G 05 D 7/06, 31.07.2003), содержащее электрический серводвигатель, соединенный штоком с регулирующим органом, установленным на трубопроводе, электрический позиционер с двумя входами, один из которых подключен к источнику аналогового электрического сигнала, а выход позиционера подключен к серводвигателю, и устройство формирования измерительной информации о расходе жидкой среды, протекающей через трубопровод, включающее в себя электрическое устройство извлечения квадратного корня.
В процессе работы электрический позиционер сравнивает значение сигнала, поступающего от источника аналогового электрического сигнала, со значением сигнала, поступающего от устройства формирования измерительной информации о расходе жидкой среды, протекающей через трубопровод, и вырабатывает соответствующий выходной сигнал, под действием которого серводвигатель перемещает шток и изменяет расход жидкой среды до тех пор, пока разность сигналов на входах позиционера не станет равной нулю.
Для формирования измерительной информации о расходе жидкой среды используются: датчик давления, подключенный к трубопроводу до регулирующего органа по потоку среды, датчик давления после регулирующего органа и датчик перемещения штока, соединяющего серводвигатель с регулирующим органом. Кроме этого, для формирования сигнала измерительной информации о расходе жидкой среды в названное устройство вводиться информация о зависимости размерного коэффициента клапана (произведение площади поперечного сечения клапана на коэффициент расхода) от положения штока регулирующего органа, полученной предварительно экспериментальным путем.
Недостатком данного исполнительного устройства является низкая точность формирования измерительной информации о расходе жидкой среды, определяемая тем, что в данном случае не учитывается режим течения среды (ламинарный, турбулентный или переходный), который может изменятся в процессе работы исполнительного устройства при изменении степени закрытия регулирующего органа. Кроме этого, использование двух датчиков давления и последующее вычисление разности их сигналов может вызывать очень высокую погрешность определения этой разности, так как разность давления может быть мала (разность близких величин) при различной степени закрытия регулирующего органа. Существенным недостатком такого исполнительного устройства является необходимость предварительного экспериментального определения для каждого регулирующего органа зависимости между размерным коэффициентом и положением штока регулирующего органа, т.е. необходимость проведения калибровки регулирующего органа, что связано с большими материальными и трудовыми затратами, особенно для исполнительных устройств большого диаметра. Другим недостатком такого исполнительного устройства является загрязнение регулирующего органа в процессе эксплуатации, которое изменяет зависимость между размерным коэффициентом и положением штока регулирующего органа, что является причиной изменения расходной характеристики последнего.
Задачей данного изобретения является совершенствование исполнительного устройства для регулирования потоков жидких сред в трубопроводах, а именно создание исполнительного устройства, инвариантного к изменению режима течения жидкой среды, изменению давления жидкой среды перед регулирующим органом и не требующего предварительной калибровки регулирующего органа.
Технический результат – создание исполнительного устройства для регулирования потоков жидких сред в трубопроводах, инвариантного к изменениям режима течения жидкой среды и не требующего предварительной калибровки регулирующего органа.
Технический результат достигается тем, что в исполнительном устройстве для регулирования потоков жидких сред в трубопроводах, содержащем электрический серводвигатель, соединенный штоком с регулирующим органом, установленным на трубопроводе, электрический позиционер с двумя входами, один из которых подключен к источнику аналогового электрического сигнала, а выход позиционера подключен к серводвигателю, и устройство формирования измерительной информации о расходе жидкой среды, протекающей через трубопровод, включающее в себя электрическое устройство извлечения квадратного корня, согласно изобретению устройство формирования измерительной информации о расходе жидкой среды исполнительного устройства содержит пьезометрическую усредняющую трубку с выходами для отбора полного усредненного давления и статического давления, установленную в трубопроводе перед регулирующим органом по потоку жидкой среды, и датчик разности давлений с электрическим аналоговым выходным сигналом, подключенный своими входами к выходам пьезометрической усредняющей трубки, при этом выход датчика разности давлений подключен ко входу устройства извлечения корня, выход которого подключен ко второму входу позиционера.
Такая конструкция обеспечивает инвариантность расходной характеристики исполнительного устройства к изменению режима течения жидкой среды через трубопровод, который может быть ламинарным, турбулентным или переходным в зависимости от степени закрытия регулирующего органа, и исключает необходимость предварительной, дорогостоящей и трудоемкой калибровки регулирующего органа за счет включения в состав исполнительного устройства расходомера, обеспечивающего измерение среднего расхода жидкой среды через трубопровод при всех режимах ее течения.
По сравнению с прототипом заявляемая конструкция имеет отличительную особенность в совокупности элементов и их взаимном расположении.
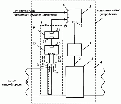
Схема исполнительного устройства для регулирования потоков жидких сред в трубопроводах показана на чертеже.
Исполнительное устройство для регулирования потоков жидких сред в трубопроводах содержит электрический серводвигатель 1, соединенный штоком 2 с регулирующим органом 3, установленным на трубопроводе 4, электрический позиционер 5 с двумя входами. Первый вход 6 позиционера 5 подключен к источнику аналогового электрического сигнала, а его выход 7 подключен к серводвигателю 1. Исполнительное устройство включает в свой состав устройство формирования измерительной информации 8 о расходе жидкой среды, протекающей по трубопроводу, которое включает в себя электрическое устройство извлечения квадратного корня 9, пьезометрическую трубку 10 с выходами 11 и 12 для отбора полного усредненного и статического давлений, установленную в трубопроводе 4, перед регулирующим органом 3 по потоку жидкой среды, и датчик разности давлений 13, подключенный своими входами 14 и 15 к выходам 11 и 12 пьезометрической усредняющей трубки 10. Выход 16 датчика разности давлений 13 подключен ко входу 17 устройства извлечения квадратного корня, выход 18 которого подключен ко второму входу 19 позиционера 5.
Работа исполнительного устройства для регулирования потоков жидких сред в трубопроводах осуществляется следующим образом.
Исполнительное устройство, включенное как составная часть в систему автоматического регулирования технологического параметра, получает аналоговый электрический сигнал от автоматического регулятора технологического параметра, который реализует тот или иной закон регулирования.
При изменении в процессе работы системы автоматического регулирования значения аналогового электрического входного сигнала электрический позиционер 5 сравнивает значение данного сигнала, поступившего на первый вход 6, со значением сигнала, поступившего на второй вход 19, пропорционального расходу жидкой среды, и вырабатывает управляющий сигнал, поступающий с выхода 7 на серводвигатель 1. Последний перемещает шток 2 регулирующего органа 3, изменяет его проходное сечение и расход жидкой среды через трубопровод до тех пор, пока разность сигналов на входах позиционера 5 не станет равной нулю. Сигнал, поступающий на вход 19 позиционера 5, формируется следующим образом. Из пьезометрической усредняющей трубки 10 сигналы полного усредненного и статического давлений поступают на входы 14 и 15 датчика разности давлений 13, который преобразует значение разности давлений в пропорциональный электрический аналоговый сигнал и передает его со своего выхода 16 на вход 17 устройства извлечения квадратного корня 9. Использование такого устройства необходимо из-за того, что массовый расход жидкой среды Gж, протекающей через трубопровод 4, зависит от разности полного давления Рп на выходе 11 пьезометрической усредняющей трубки 10 и статического давления Рст в трубопроводе 4 ( р=РП-РСТ) и описывается следующей формулой:

где k – постоянный коэффициент.
Таким образом, в процессе работы исполнительного устройства массовый расход жидкой среды через регулирующий орган будет пропорционален аналоговому электрическому входному сигналу.
Преимуществом предлагаемого технического решения является:
– инвариантность к изменениям режима течения среды в трубопроводе в процессе работы исполнительного устройства и загрязнению регулирующего органа;
– возможность применения на трубопроводах практически любого диаметра;
– уменьшение затрат на эксплуатацию за счет исключения необходимости предварительной калибровки регулирующего органа.
Предлагаемое исполнительное устройство может быть реализовано на базе электрического серводвигателя, позиционера, широко распространенных электронных элементов и простых средств измерения расхода.
Исполнительное устройство может найти применение для регулирования расхода потока жидкой среды в различных областях промышленности.
Формула изобретения
Исполнительное устройство для регулирования потоков жидких сред в трубопроводах, содержащее электрический серводвигатель, соединенный штоком с регулирующим органом, установленным на трубопроводе, электрический позиционер с двумя входами, один из которых подключен к источнику аналогового электрического сигнала, а выход позиционера подключен к серводвигателю, и устройство формирования измерительной информации о расходе жидкой среды, протекающей через трубопровод, включающее в себя электрическое устройство извлечения квадратного корня, отличающееся тем, что устройство формирования измерительной информации о расходе жидкой среды содержит пьезометрическую усредняющую трубку с выходами для отбора полного усредненного давления и статического давления, установленную в трубопроводе перед регулирующим органом по потоку жидкой среды, и датчик разности давлений с электрическим аналоговым выходным сигналом, подключенный своими входами к выходам пьезометрической усредняющей трубки, при этом выход датчика разности давлений подключен ко входу устройства извлечения квадратного корня, выход которого подключен ко второму входу позиционера.
РИСУНКИ
MM4A – Досрочное прекращение действия патента СССР или патента Российской Федерации на изобретение из-за неуплаты в установленный срок пошлины за поддержание патента в силе
Дата прекращения действия патента: 17.11.2006
Извещение опубликовано: 10.07.2008 БИ: 19/2008
|
|