|
|
(21), (22) Заявка: 2005120886/28, 04.07.2005
(24) Дата начала отсчета срока действия патента:
04.07.2005
(46) Опубликовано: 10.12.2006
(56) Список документов, цитированных в отчете о поиске:
RU 2167444 C1, 20.05.2001. US 4883348 A, 28.11.1989. US 4312330 A, 26.01.1982. RU 2242710 C2, 20.12.2004.
Адрес для переписки:
188540, Ленинградская обл., г. Сосновый Бор, ФГУП НИИКИ ОЭП, зам. ген. директора-главному инженеру П.И. Дундину
|
(72) Автор(ы):
Бородин Владимир Григорьевич (RU), Лопато Алексей Владимирович (RU), Филиппов Владимир Геннадьевич (RU), Оспенникова Софья Наумовна (RU), Игнатьев Георгий Николаевич (RU), Андрианов Василий Петрович (RU)
(73) Патентообладатель(и):
Федеральное государственное унитарное предприятие Научно-исследовательский институт импульсной техники (RU), Федеральное государственное унитарное предприятие Научно-исследовательский институт комплексных испытаний оптико-электронных приборов и систем (ФГУП НИИКИ ОЭП) (RU)
|
(54) УСТРОЙСТВО ФОКУСИРОВКИ ОПТИЧЕСКОГО ИЗЛУЧЕНИЯ НА ОБЪЕКТ
(57) Реферат:
Изобретение относится к оптическому приборостроению, к устройствам оптического наведения и прицеливания. Устройство включает размещенные по ходу лазерного луча светоделительную пластину, фокусирующий объектив, держатель объекта и устройство контроля фокусировки – зрительную трубу. Зрительная труба установлена в обратном ходе луча. Узел регистрации сечения фокального объема установлен с возможностью движения перпендикулярно оптической оси и вдоль нее. Узел состоит из жестко закрепленных на манипуляторе прозрачной миры, микрообъектива с увеличением, обеспечивающим высокое пространственное разрешение, измерителя интенсивности излучения из матричного фотоприемника и блока обработки сигнала. Поверхности миры и фотоприемника размещены в сопряженных плоскостях. Технический результат – высокая точность осуществления фокусировки оптического излучения на поверхность облучаемого объекта. 2 з.п. ф-лы, 1 ил., 1 табл.
Изобретение относится к оптическому приборостроению, в частности к устройствам оптического наведения и прицеливания, и может быть использовано для решения широкого круга технических задач, таких как создание плазмы, ускорение частиц, генерирование сверхкоротких рентгеновских импульсов.
Плазменный объект образуется при облучении поверхности плоской мишени лазерным пучком. Для создания лазерной плазмы применяют лазеры с пикосекундной длительностью импульса. В качестве мишени используются тонкие пластины (фольги) из золота, алюминия, дейтерированного полиэтилена и др. Большинство явлений в плазме, происходит, когда интенсивность на поверхности мишени достигает величин порядка 1020 Вт/см2 и более. Для достижения таких интенсивностей лазерные пучки концентрируют с помощью светосильных фокусирующих объективов. Распределение интенсивности вдоль оси объектива неоднородно. Задача фокусировки – совместить поверхность мишени с плоскостью, на которой реализуется максимальная интенсивность сфокусированного пучка. Фокусировка мощных пучков и получение лазерной плазмы осуществляются в вакууме. Поэтому фокусирующий объектив, облучаемый объект (мишень) и манипуляторы для юстировки размещают в вакуумной камере.
Известны устройства фокусировки оптического излучения. Например, устройство [Латыев С.М., Сухопаров С.А., Митрофанов С.С., Тимощук И.Н., Михеев П.А. Эффективность совмещенного способа индикации фокусировки. Изв. ВУЗов, Приборостроение, 2002, т.45, №3, с.43-48], включающее источник света с коллиматором, полупрозрачное зеркало, фокусирующий объектив, в качестве которого используется микроскоп, объект юстировки, вспомогательное зеркало, индикатор фокусировки в виде объектива, в фокальной плоскости которого установлен координатно-чувствительный приемник.
Устройство функционирует следующим образом.
Излучение с плоским волновым фронтом (коллимированное) проходит полупрозрачное зеркало, фокусируется микроскопом, поступает на юстируемый объект, отражается вспомогательным зеркалом в обратном направлении. Излучение, прошедшее фокусирующий объектив в обратном направлении, поступает на полупрозрачное зеркало и направляется им в индикатор фокусировки. Если поверхность юстируемого объекта не совпадает с фокальной плоскостью фокусирующего объектива, то в индикаторе фокусировки вырабатывается сигнал, пропорциональный расстоянию между поверхностью объекта и фокальной плоскостью, и юстируемый объект перемещается до получения нулевого сигнала, при котором фокальная плоскость и поверхность объекта совмещены.
Устройство с такой схемой фокусировки не обеспечивает необходимую точность фокусировки лазерного излучения большой мощности, поскольку плоскость, в которой реализуется максимальная интенсивность мощного сфокусированного пучка, не совпадает с фокальной плоскостью.
Известно устройство наведения и фокусировки оптического излучения на объект, выбранное нами в качестве прототипа [Мак А.А., Стариков А.Д., Тузов В.Г. Наведение и фокусировка мощных световых пучков на поверхность малоразмерных мишеней. ОМП, 1976, №1, с.42-44], включающее лазерный источник, автоколлимационную зрительную трубу, установленную в обратном ходе лучей, плоскопараллельную пластину, вбрасываемое плоское зеркало, фокусирующий объектив, мишень на манипуляторе.
Устройство функционирует следующим образом.
Автоколлимационную зрительную трубу настраивают на наблюдение фокальной плоскости фокусирующего объектива. Для этого перед автоколлимационной зрительной трубой устанавливают вбрасываемое плоское зеркало, включают автоколлимационный источник света и путем перемещения объектива зрительной трубы добиваются резкого изображения диафрагмы автоколлиматора в плоскости наблюдения. Изображение наблюдают с помощью окуляра автоколлимационной зрительной трубы. После выполнения этой операции автоколлимационная зрительная труба настроена на наблюдение фокальной плоскости фокусирующего объектива. Излучение, рассеянное мишенью в апертуру фокусирующего объектива, с помощью пластины направляется в автоколлимационную зрительную трубу. При перемещении мишени вдоль оптической оси поверхность мишени в некоторый момент времени совмещается с фокальной плоскостью, при этом в окуляр наблюдается резкое изображение диафрагмы. При этом мишень совмещена с фокальной плоскостью фокусирующего объектива.
Устройство и с такой схемой фокусировки также не обеспечивает необходимую точность фокусировки лазерного излучения большой мощности на поверхность плоской мишени, поскольку плоскость, в которой реализуется максимальная интенсивность мощного сфокусированного пучка, не совпадает с фокальной плоскостью. Это несовпадение возникает вследствие отличия волнового фронта реального пучка от плоского. Отклонение волнового фронта от плоского вызвано тремя причинами. Во-первых, неоднородностью показателя преломления оптического материала, из которого изготовлены оптические элементы; во-вторых, погрешностью изготовления оптических поверхностей; в-третьих, остаточной кривизной волнового фронта лазерного излучения, которая определяется точностью юстировочных устройств, используемых при настройке лазера. Все три причины приводят к тому, что волновой фронт реального пучка отличается от плоского, и, как следствие, плоскость, в которой реализуется максимальная интенсивность сфокусированного пучка, не совпадает с фокальной плоскостью.
Предложенное изобретение позволяет с высокой точностью осуществить фокусировку оптического излучения на поверхность облучаемого объекта (мишени). Оно удобно и надежно в работе, дает стабильные результаты по параметрам плазмы.
Такой технический эффект получен нами, когда в устройство фокусировки оптического излучения на объект, включающее размещенные по ходу лазерного луча светоделительную пластину, фокусирующий объектив и установленный с возможность перемещения в плоскости, перпендикулярной оси фокусирующего объектива, держатель объекта и устройство контроля фокусировки – зрительную трубу, установленную в обратном ходе луча, дополнительно введен установленный с возможностью движения перпендикулярно оптической оси и вдоль нее узел регистрации сечения фокального объема, состоящий из жестко закрепленных на манипуляторе прозрачной миры, микрообъектива с увеличением, обеспечивающим высокое пространственное разрешение, и с числовой апертурой не менее числовой апертуры фокусирующего объектива, и измерителя интенсивности излучения из матричного фотоприемника и блока обработки сигнала, обеспечивающего определение пиковой интенсивности, при этом поверхности миры и фотоприемника размещены в сопряженных плоскостях.
Если фокусирующий объектив имеет аберрации, которые влияют на положение плоскости с максимальной пиковой интенсивностью, то узел регистрации сечений фокального объема располагают внутри вакуумной камеры за держателем объекта (см. п.2 Формулы).
Если используют высокоточный фокусирующий объектив, то возможно размещение узла регистрации сечений фокального объема вне вакуумной камеры, для чего в устройство вводят эквивалентный по действию фокусирующему объективу второй объектив, установленный за светоделительной пластиной по ходу отраженного от нее или проходящего за нее луча, а узел регистрации сечений фокального объема размещают за ним (см. п.3 Формулы).
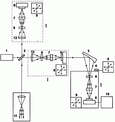
На чертеже изображено устройство фокусировки оптического излучения на объект, где: источник 1 лазерного излучения, светоделительная пластина 2, фокусирующий объектив 3, держатель 4 для объекта с манипулятором 5, обозначенный римской цифрой I узел регистрации сечений фокального объема, состоящий из миры 6, микрообъектива 7, фотоприемника 8, манипулятор 9 узла регистрации сечений фокального объема, встроенный в компьютер блок 10 обработки сигнала с фотоприемника, устройство 11 контроля фокусировки – зрительная труба. Пунктиром выделены варианты установки узла регистрации сечений фокального объема со вторым объективом 12 (см. п.3 Формулы).
Конструкции зрительных труб-устройств контроля фокусировки известны.
Устройство работает следующим образом.
Непосредственно перед работой настраивают мощный лазер с помощью источника 1 лазерного излучения малой мощности, излучение которого согласовано с излучением мощного лазера по длине волны, направлению, световому диаметру пучка и другим параметрам. Подходы к решению этой задачи известны.
Излучение от лазерного источника 1 проходит через светоделительную пластину 2, поступает на фокусирующий объектив 3 и концентрируется в области, которую называют фокальным объемом. Фокальный объем имеет трубчатую структуру, протяженную вдоль оптической оси. В сечении, нормальном к оптической оси, распределение интенсивности представляет собой фигуру, которую в оптике называют кружком рассеяния. Распределение интенсивности в нем изменяется от сечения к сечению. Чтобы найти плоскость (сечение) с максимальной интенсивностью и в последующем настроить на эту плоскость зрительную трубу 11, в устройство дополнительно введен узел регистрации сечений фокального объема, состоящий из элементов: миры 6, микрообъектива 7 и фотоприемника 8, жестко укрепленных на манипуляторе 9, который перемещает узел регистрации сечений фокального объема вдоль оси фокусирующего объектива 3.
Микрообъектив 7 строит на фотоприемнике 8 изображение кружка рассеяния. Фотоприемник 8 выполнен на основе двумерной матрицы из фоточувствительных элементов. Для обеспечения высокого пространственного разрешения микрообъектив 7 имеет числовую апертуру не менее числовой апертуры фокусирующего объектива и формирует увеличенное изображение (примерно в 100 крат) кружка рассеяния.
Измеритель интенсивности состоит из фотоприемника 8 и блока 10 обработки сигнала. Благодаря тому, что фотоприемник матричный, блок обработки сигнала позволяет определить интенсивность излучения, попавшего на каждый из чувствительных элементов фотоприемника, запомнить элемент с пиковой интенсивностью и ее величину. Подходы к решению такой задачи известны.
При перемещении устройства вдоль оптической оси фокусирующего объектива 3 измеряют пиковое значение интенсивности в различных плоскостях, выбирают плоскость с максимальной пиковой интенсивностью и затем настраивают узел на эту плоскость.
Далее на эту плоскость настраивают устройство контроля фокусировки – зрительную трубу 11. Чтобы настроить зрительную трубу 11 на плоскость с максимальной пиковой интенсивностью, эту плоскость необходимо визуализировать, то есть совместить с ней миру. Для этого в плоскости, оптически сопряженной с фотоприемником 8, заранее установлена мира. Подходы к установке оптических элементов в сопряженные плоскости известны. При этом, поскольку в сопряженных плоскостях находятся также предмет (кружок рассеяния) и его изображение на фотоприемнике (в оптике всякий предмет и его изображение находятся в сопряженных плоскостях), то это означает, что поверхность миры совмещена с плоскостью, на которой пиковая интенсивность максимальна. Следовательно, когда узел регистрации сечений фокального объема настроен на плоскость с максимальной интенсивностью, то поверхность миры 6, установленная в плоскости, сопряженной с фотоприемником 8, визуализирует эту плоскость.
Излучение, рассеянное мирой 6 в апертуру фокусирующего объектива 3, направляется с помощью светоделительной пластины 2 в зрительную трубу 11. Конструктивные решения зрительных труб известны. В трубу наблюдают поверхность миры 6. Трубу настраивают на резкое изображение поверхности миры. Поскольку мира 6 совмещена с плоскостью, с максимальной пиковой интенсивностью, то при этом труба настраивается на наблюдение этой плоскости.
Затем узел регистрации сечений фокального объема выводят с оптической оси и с помощью манипулятора 5 вводят держатель 4 с объектом (мишенью). Перемещают мишень вдоль оптической оси фокусирующего объектива 3. Наблюдают поверхность мишени в зрительную трубу 11, добиваясь резкого изображения поверхности. При этом поверхность мишени совмещается с плоскостью с максимальной пиковой интенсивностью сфокусированного пучка. Затем лазер 1 выводят с оптической оси, а мощный лазер устанавливают по оси, и мощный лазер готов к облучению мишени.
Если фокусирующий объектив выполнен высококачественным, т.е. сам не влияет на положение плоскости с максимальной пиковой интенсивностью, то процесс определения этой плоскости удобнее выполнять вне вакуумной камеры, используя второй объектив, эквивалентный по действию фокусирующему. Второй объектив устанавливают после светоделительной пластины в отраженном ею или прошедшем за нее луче. Узел регистрации сечения фокального объема устанавливают за вторым объективом. Остальные операции: перемещение узла вдоль оптической оси, настройка его на наблюдение плоскости с максимальной пиковой интенсивностью, настройка устройства контроля фокусировки – зрительной трубы выполняются аналогично тому, как выполнялось для фокусирующего объектива. После того, как зрительная труба настроена, с оптической оси выводят и узел регистрации сечения фокального объема, и второй объектив. Установка мишени выполняется аналогично предыдущему варианту.
Пример конкретного выполнения
На нашем предприятии было изготовлено устройство фокусировки по предлагаемому изобретению. Оно было введено в работу после испытаний на мощной лазерной установке “Прогресс-П”. Мощность лазерного импульса установки составляла до 30×1012 Вт, длительность импульса 1-1,5 пикосекунды. Процессы взаимодействия лазерного излучения с веществом осуществляются в вакууме. Для этого использовали вакуумную камеру в виде стальной сферы диаметром около 1 м. В камере располагали фокусирующий объектив и манипулятор с мишенью. Лазерное излучение поступало в камеру через вакуумно-плотное прозрачное окно и попадало на фокусирующий объектив. На установке “Прогресс-П” в качестве фокусирующего объектива использовали внеосевое параболическое зеркало со световым диаметром 145 мм и фокусным расстоянием 200 мм. Узел настройки был установлен на трехкоординатном манипуляторе и укреплен также внутри вакуумной камеры на вбрасываемом столике. Мира располагалась перед микрообъективом на расстоянии около 2 мм. Ее изображение с увеличением 100х формировалось микрообъективом (20×0,65 АПОХР) на фотоприемнике, в качестве которого использовалась ПЗС-матрица цифровой телекамеры VBS-522 и для удобства юстировки наблюдалось на экране монитора компьютера. Числовая апертура микрообъектива (0,65) превышала числовую апертуру фокусирующего объектива (0,36) и, следовательно, не снижала разрешающую способность при формировании изображения. Резкое изображение миры свидетельствовало о том, что она установлена в плоскости, сопряженной с фотоприемником. Установка миры в сопряженную плоскость была выполнена на отдельном стенде известными методами. Узел перемещали вдоль оптической оси фокусирующего объектива. Расположение миры в сопряженной плоскости означало, что кружок рассеяния, который изображался на экране, совпадал с поверхностью миры. Для нескольких различных положений узла настройки сигнал, поступающий с фотоприемника во встроенный в компьютер блок обработки сигнала, обрабатывался программой, которая позволяла определить и вывести на экран число, соответствующее пиковой интенсивности в кружке рассеяния. По полученному ряду чисел определялась плоскость, в которой пиковая интенсивность максимальна, и узел устанавливался в это положение. При этом поверхность миры, совмещенная с кружком рассеяния, в котором пиковая интенсивность максимальна, рассеивала часть излучения назад в апертуру фокусирующего объектива. Рассеянное излучение поступало в зрительную трубу, которая настраивалась на наблюдение поверхности миры, а следовательно, и на плоскость, в которой пиковая интенсивность максимальна.
Для проверки точности фокусировки устанавливался на манипулятор мишени специальный шаблон-мишень в виде плоского алюминированного зеркала диаметром 10 мм. На торцевой поверхности зеркала была нанесена микромарка в виде шкалы из линий шириной 5 мкм. Шкала наблюдалась в горизонтальный измерительный микроскоп от оптической скамьи ОСК-2, размещенный в камере на время определения точности. В микроскопе фиксировалось (запоминалось) положение одного из штрихов сетки. Затем шаблон-мишень выводился из фокальной области и выполнялась вся последовательность действий по повторной установке шаблон-мишени. Отличие в положении штриха по сравнению с предшествующим его положением дает погрешность в фокусировке и характеризует данное устройство. Измерения проводились 15 раз. Типичные результаты пяти из них приведены в таблице, где N означает номер измерения, L – погрешность в микрометрах положения штриха.

Обработка результатов измерений показала, что среднеквадратичная погрешность фокусировки равна 2 мкм, т.е. поверхность облучаемого объекта (мишени) совмещается с плоскостью, в которой пиковая интенсивность максимальна с точностью до 2 мкм. Повысилась стабильность параметров плазмы, возникающей при облучении мишеней: повышение энергии лазера приводило к возрастанию температуры плазмы, рентгеновского излучения из плазмы и энергии быстрых частиц. Такой результат объясняется точным определением плоскости, в которой интенсивность максимальна, а также точным и контролируемым совмещением поверхности облучаемого объекта с этой плоскостью.
При фокусировке, выполняемой другими методами, в значительном числе экспериментов нарушалась корреляция между параметрами плазмы и энергией лазерного пучка (повышение энергии лазерного излучения приводило к снижению температуры плазмы). Такой результат можно объяснить ошибками в фокусировке пучка на мишени. Эти погрешности в известных методиках носят случайный неконтролируемый характер, при котором поверхность мишени совмещается с плоскостью, пиковая интенсивность в которой немаксимальна.
Формула изобретения
1. Устройство фокусировки оптического излучения на объект, включающее размещенные по ходу лазерного луча светоделительную пластину, фокусирующий объектив и установленный с возможностью перемещения в плоскости, перпендикулярной оптической оси фокусирующего объектива, держатель объекта и устройство контроля фокусировки – зрительную трубу, установленную в обратном ходе луча, отличающееся тем, что в него дополнительно введен установленный с возможностью движения перпендикулярно оптической оси и вдоль нее узел регистрации сечения фокального объема, состоящий из жестко закрепленных на манипуляторе прозрачной миры, микрообъектива с увеличением, обеспечивающим высокое пространственное разрешение, и с числовой апертурой не менее числовой апертуры фокусирующего объектива и измерителя интенсивности излучения из матричного фотоприемника и блока обработки сигнала, обеспечивающего определение пиковой интенсивности, при этом поверхности миры и фотоприемника размещены в сопряженных плоскостях.
2. Устройство по п.1, отличающееся тем, что узел регистрации сечения фокального объема установлен за держателем объекта.
3. Устройство по п.1, отличающееся тем, что в него дополнительно введен эквивалентный по действию фокусирующему объективу второй объектив, установленный за светоделительной пластиной по ходу отраженного от нее или прошедшего за нее луча, а узел регистрации сечения фокального объема размещен за ним.
РИСУНКИ
Прежний патентообладатель:
Федеральное государственное унитарное предприятие “Научно-исследовательский институт импульсной техники”
(73) Патентообладатель:
Федеральное государственное унитарное предприятие “Всероссийский научно-исследовательский институт автоматики им. Н.Л. Духова”
(73) Патентообладатель:
Федеральное государственное унитарное предприятие “Научно – исследовательский институт комплексных испытаний оптико-электронных приборов и систем”
Договор № РП0001003 зарегистрирован 15.09.2010
Извещение опубликовано: 10.11.2010 БИ: 31/2010
|
|