|
|
(21), (22) Заявка: 2005118675/09, 16.06.2005
(24) Дата начала отсчета срока действия патента:
16.06.2005
(46) Опубликовано: 10.12.2006
(56) Список документов, цитированных в отчете о поиске:
SU 873397 A1, 15.10.1981. SU 304683 A1, 25.05.1971. SU 1483618 A1, 30.05.1989. SU 309326 A1, 09.07.1971. JP 61178681 А, 11.08.1986. JP 4086582 А, 19.03.1992.
Адрес для переписки:
107564, Москва, Погонный пр-д, 10, 3 ЦНИИ МО РФ
|
(72) Автор(ы):
Рудианов Николай Александрович (RU), Авилушкин Вячеслав Федорович (RU), Гончаров Владимир Васильевич (RU)
(73) Патентообладатель(и):
Рудианов Николай Александрович (RU)
|
(54) УСТРОЙСТВО ДЛЯ ПЕРВИЧНОЙ ОБРАБОТКИ РАДИОЛОКАЦИОННОЙ ИНФОРМАЦИИ
(57) Реферат:
Изобретение относится к вычислительной технике. Целью изобретения является повышение точности при измерении азимута целей с малой эффективной площадью рассеяния (ЭПР), находящихся на большой дальности за счет уменьшения ошибок измерения программным измерителем с защитой от эффекта расщепления пачки этих целей. Для этого устройство содержит регистр сдвига, входы, элементы И, элемент ИЛИ, триггер, элемент И, элемент ИЛИ, элемент НЕ, элементы И, триггер, реверсивный регистр сдвига, элемент И, элемент ИЛИ, элемент НЕ, генератор тактовых импульсов, счетчик, выходы, счетчик измерительных импульсов, триггер, элемент И, входы. 5 ил.
Изобретение относится к вычислительной технике.
В качестве наиболее близкого аналога принят документ SU 1508830 А1, 1987 г., G 06 F 15/20. Целью изобретения являлось повышение точности при измерении азимута целей и достоверности за счет уменьшения вероятности “завязки” ложных траекторий при вторичной обработке информации для случая “расщепления” пачки импульсов. Данное устройство для первичной обработки радиолокационной информации содержит регистр сдвига, реверсивный регистр сдвига, девять элементов И, три элемента ИЛИ, два триггера, генератор тактовых импульсов, причем прямые входы первого и второго разрядов регистра сдвига подключены соответственно к первым входам первого и второго элементов И, выходы которых подключены к первому и второму входам первого элемента ИЛИ, соответственно выход которого подключен к выходу начала пачки импульсов устройства и к входу установки в единицу первого триггера, два элемента НЕ, счетчик тактовых импульсов. Данное изобретение отличается тем, что, с целью повышения точности при измерении азимута целей и достоверности за счет уменьшения вероятности “завязки” ложных траекторий при вторичной обработке информации для случая “расщепления” пачки импульсов, в него введен счетчик тактовых импульсов, синхронизирующий вход, счетный вход и вход установки, в ноль которого подключены соответственно к выходу первого триггера, к выходу третьего элемента ИЛИ и к выходу четвертого элемента И, выход счетчика подключен к второму входу четвертого элемента И.
В нашем случае целью изобретения является повышение точности при измерении азимута целей с малой ЭПР, находящихся на большой дальности за счет уменьшения ошибок измерения программным измерителем с защитой от эффекта “расщепления” пачки этих целей.
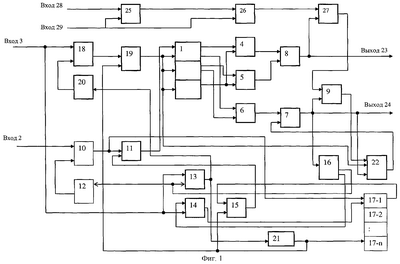
На фиг.1 представлена схема устройства; на фиг.2-5 приведены временные диаграммы, поясняющие работу устройства.
Устройство содержит регистр сдвига 1, входы 2, 3, элементы И 4-7, элемент ИЛИ 8, триггер 9, элемент И 10, элемент ИЛИ 11, элемент НЕ 12, элементы И 13, 14, 15, триггер 16, реверсивный регистр сдвига 17, элемент И 18; элемент ИЛИ 19; элемент НЕ 20, генератор тактовых импульсов 21, счетчик 22, выходы 23, 24, счетчик измерительных импульсов 25, триггер 26, элемент И 27, входы 28, 29.
Принцип действия устройства целесообразно рассмотреть по следующим циклам работы:
исходное состояние;
режим прямой обработки;
режим дополнительной обработки.
В исходном состоянии элементы И 4, 5, 6, 7 закрыты. Триггер 9 – на его первом входе “0”, на выходе – “0”. Триггер 16 – на его входе “0”, на первом выходе – “0”, на втором инверсном выходе “1”. Элемент НЕ 12 – на его входе “0”, на выходе “1”. Элемент И 13 закрыт: на первом входе “0”, на втором входе – “1”, следовательно, генератор тактовых импульсов 21 не работает, на его выходе – “0”, и сигналы сдвига влево на вход реверсивного регистра сдвига 17 не подаются.
Элемент И 14 открыт и сигналы сдвига вправо через него поступают на вход реверсивного регистра 17 сдвига. Элемент И 15 закрыт, на втором входе – “0”. Элемент И 10 открыт. Элемент НЕ 20 – на его входе “0”, на выходе – “1”. Элемент И 18 открыт, с его выхода тактовые импульсы синхронизатора радиолокационной станции (РЛС) через элемент ИЛИ 19 поступают на тактовые входы триггеров регистра. Счетчик 22 не работает на его управляющем входе – “0”.
Через вход 29 на счетчик импульсов 25 и триггер 26 из системы синхронизации импульсной РЛС поступает импульс сброса, совпадающий по времени с импульсом запуска передатчика (ИЗП) (см. фиг.2а). При этом счетчик 25 обнуляется, а триггер 26 перебрасывается в состояние, при котором на его выходе логическая единица “1” (см. фиг.2 г). Этот уровень “1” поступает на второй вход схемы И 27 и присутствует там до момента опрокидываться триггера 26. В режиме прямой обработки, при сканировании диаграммы направленности антенны, с приемного устройства РЛС снимается пачка двоично-квантовых сигналов (ДКС) в виде последовательности “0” и “1”(см. фиг.3б), которая подается на вход элемента 10 (вход 2 устройства). Так как элемент И 10 открыт вследствие подачи на его вход импульса “1” с выхода элемента НЕ 12, то с выхода элемента 10 пачка ДКС поступает на вход реверсивного регистра 17 сдвига, где она записывается по мере поступления с помощью сигналов сдвига вправо, которые подаются на вход регистра 17 через открытый элемент И 14, и одновременно через элемент ИЛИ 11 – на вход первого триггера регистра сдвига 1, на вторые входы триггеров регистра сдвига 1 подаются единичные импульсы сдвига вправо от синхронизатора РЛС через открытый элемент И 18 и элемент ИЛИ 19. Программный измеритель азимута осуществляет прямую обработку пачки ДКС по заданному алгоритму (в нашем случае 2/3-2), определяет границы пачки ДКС импульсы Н1 и К1 (см. фиг.3в), которые затем с соответствующих выходов программного измерителя азимута подаются в счетно-решающее устройство РЛС, где определяется оценка азимута цели при прямой обработке по формуле

где – оценка азимута цели;
Н1 – азимут начального импульса пачки;
К1 – азимут конечного импульса пачки.
В случае “расщепления” пачки программный измеритель азимута определяет границы пачки ДКС Н1 и К1 (см. фиг.4а, б), которые соответствуют импульсам Н1 и К1 соответственно (см. фиг.4к). Импульсы Н1 и К1 (фиг.4в) не фиксируются, так как после определения импульса Н1 триггер 9 изменяет свое состояние (на выходе “1”) и на вход счетчика 22 подается “1”, в результате чего счетчик 22 начинает подсчет тактовых импульсов, которые подаются на его счетный вход с выхода элемента ИЛИ 19. При поступлении на счетчик 22 S-импульсов с его выхода снимается единичный импульс (“1″)”, на вход элемента И 7, т.е. с помощью счетчика 22 осуществляется блокировка срабатывания схемы фиксации конца пачки по случайному отсутствию на l смежных позициях единичных импульсов, если число импульсов, зафиксированных измерителем, существенно меньше среднеаприорной длины пачки (см. фиг.4б). Это позволяет устранить негативные явления, вызванные эффектом “расщепления” пачки ДКС. В исходное состояние счетчик 22 и триггер 9 переводятся путем подачи на его вход установки в ноль импульса “1” с выхода элемента И 7.
Через вход 28 измерительные импульсы из системы измерения дальности (СИД) РЛС, следующие с эталонной частотой Fэ, начинают поступать на счетный вход счетчика. Пока счетчик не отсчитает заданное число импульсов Nзад (см. фиг.2б), на его выходе присутствует сигнал логического нуля. Этот сигнал логического нуля не изменяет состояние триггера 26, при котором на его выходе логическая единица “1”. Этот уровень “1” продолжает поступать на второй вход схемы И 27, не меняя исходного состояния. В это время все сигналы фиксации начала пачки с выхода схемы “ИЛИ” 8, имеющие уровень логической “1”, проходят через открытую схему “И” 27 на триггер 9, опрокидывая его и тем самым обеспечивая нормальную работу схемы защиты от “расщепления” пачки.
Как только счетчик 25 отсчитает заданное число импульсов Nзад, соответствующее 0,79 Dmax, на его выходе появляется импульс с уровнем логической единицы “1” (см. фиг.2в). Этот импульс опрокидывает триггер 26, и на выходе триггера появляется сигнал логического нуля “0” (см. фиг.2г). С выхода триггера сигнал “0” поступает на второй выход схемы И 27 и запирает ее. Логический “0” с выхода И 27, поступивший на вход триггера 9, блокирует его опрокидывание, а следовательно, не срабатывает схема защиты от “расщепления”. Такое состояние триггера длится, пока приходят сигналы от дальних целей 0,79 Dmaxmax. Таким образом, схема защиты от расщепления пачки срабатывает только в диапазоне 0max, тем самым сохраняя информацию о азимуте целей с малой ЭПР на дальностях 0,79 Dmaxmax. C поступлением следующего импульса сброса счетчик измерительных импульсов 27 и триггер 3 переходят в исходное состояние.
В режиме дополнительной обработки после фиксации импульса конца пачки к1 (импульс “1”, см. фиг.3в) он подается на вход триггера 16, опрокидывая триггер 16, в результате чего триггер 16 меняет свое состояние. Импульс “1” с выхода триггера 16, поступая одновременно на вход элемента НЕ1 2, закрывает элемент И 10 (на его “ходе – “0”), т.е. блокирует вход 2 устройства, и на вход элемента И 13, открывая его, вследствие чего сигнал с синхронизатора РЛС подается на вход генератора тактовых импульсов 21 и запускает его. С выхода генератора тактовых импульсов 21 сигналы сдвига влево с частотой в (N+2) раз больше, чем частота следования импульсов с синхронизатора РЛС (N – расчетное число импульсов в пачке РЛС), поступают на вход регистра 17 (элемент И 14 закрыт, так как на его входе импульс “0” с выхода триггера 16, сигнал сдвига вправо на входе регистра 17 отсутствует), осуществляя вывод ранее записанной пачки ДКС в последовательности, обратной записанной. Импульс, записанный первым, выводится последним, а импульс, записанный последним, выводится первым, через открытый элемент И 15 (на его входе импульсы “1” с выхода генератора тактовых импульсов 21) и элемент ИЛИ 11 на вход первого триггера регистра 1. Элемент 18 в это время закрыт (на его входе “0” с выхода элемента НЕ 20), в результате чего на тактовые входы триггеров регистра 1 сдвига подаются сигналы сдвига вправо с генератора 21.
Таким образом, пачка ДКС в зеркально перевернутом виде с выхода регистра 17 подается для дополнительной обработки. Дополнительная обработка пачки ДКС осуществляется с частотой генератора тактовых импульсов, что позволяет закончить дополнительную обработку до прихода очередного импульса с приемника РЛС. Импульсы начала н2 и конца пачки к2 ДКС, которые определяются по алгоритму 2/3-2, затем подаются в счетно-решающее устройство РЛС, где определяется оценка азимута цели ц2 при дополнительной обработке (см. фиг.3ж) и определяется оценка азимута цели  при двойной обработке (см. фиг.3и). Одновременно с изменением направления обработки необходимо предусмотреть смену масштаба азимута, вводимого в счетно-решающее устройство РЛС, на время дополнительной обработки с тем, чтобы импульсы н2 и к2 соответствовали истинным значениям азимута этой же пачки ДКС.
Устранение эффекта “расщепления” пачки ДКС в данном режиме обработки производят так же, как и в режиме прямой обработки, т.е. с помощью счетчика 22, который осуществляет априорный учет среднестатистической длины пачки.
Единичный импульс к2 выхода элемента И 7 подается на вход триггера 16, опрокидывая его, в результате чего все устройство переходит в исходное состояние и готово к новому циклу работы.
Блокировка схемы защиты от “расщепления” пачек сигналов от дальних целей 0,79 Dmaxmax в данном режиме обработки происходит так же, как и в режиме прямой обработки, т.е. счетчик 25, триггер 26 и схема И 10 функционируют одинаково в режиме прямой обработки и в режиме дополнительной обработки.
По прошествии времени, равного периоду повторения зондирующих импульсов РЛС – Тп, узел блокировки схемы защиты от “расщепления” пачек сигналов от дальних целей – счетчик 25, триггер 26 и схема И 27 перебрасываются в исходное состояние импульсом сброса, совпадающим по времени с импульсом запуска передатчика (ИЗП) (см. фиг.2а).
Формула изобретения
Устройство для первичной обработки радиолокационной информации, содержащее регистр сдвига, реверсивный регистр сдвига, девять элементов И, три элемента ИЛИ, два триггера, генератор тактовых импульсов, счетчик тактовых импульсов, причем прямые выходы первого и второго разрядов регистра сдвига подключены соответственно к первым входам первого и второго элементов И, выходы которых подключены к первому и второму входам первого элемента ИЛИ соответственно, выход которого подключен к выходу устройства “начало пачки” и к входу установки уровня логической единицы на выходе первого триггера, инверсные выходы первого и второго разрядов регистра сдвига подключены соответственно к первому и второму входам третьего элемента И, выход которого подключен к первому входу четвертого элемента И, выход которого подключен к выходу устройства “конец пачки”, к входу установки в ноль первого триггера и к счетному входу второго триггера, синхронизирующий вход, счетный вход и вход установки в ноль счетчика тактовых импульсов подключены соответственно к выходу первого триггера, к выходу третьего элемента ИЛИ и к выходу четвертого элемента И, выход счетчика подключен к второму входу четвертого элемента И, прямой выход второго триггера через первый элемент НЕ подключен к первому входу пятого элемента И, второй вход которого подключен к информационному входу устройства, синхронизирующий вход устройства подключен к первым входам шестого и седьмого элементов И, вторые входы которых подключены соответственно к прямому и инверсному выходам второго триггера, выход пятого элемента И подключен к информационному входу реверсивного регистра сдвига и к первому входу второго элемента ИЛИ, выход которого подключен к информационному входу регистра сдвига, выход третьего разряда которого подключен к вторым входам первого и второго элементов И, выход седьмого элемента И подключен к входу сдвига вправо реверсивного регистра сдвига, выход которого подключен к первому входу восьмого элемента И, выход которого подключен к второму входу второго элемента ИЛИ, выход шестого элемента И подключен к управляющему входу генератора тактовых импульсов, выход которого подключен к входу сдвига влево реверсивного регистра сдвига, к второму входу восьмого элемента И и к первому входу третьего элемента ИЛИ, выход которого подключен к синхронизирующему входу регистра сдвига, синхронизирующий вход устройства подключен к первому входу девятого элемента И, выход которого подключен к второму входу третьего элемента ИЛИ, выход шестого элемента И через второй элемент НЕ подключен к второму входу девятого элемента И, отличающееся тем, что в него введены счетчик измерительных импульсов, счетный вход которого подключен к третьему входу устройства, а выход счетчика подключен к входу установки в нулевое состояние третьего триггера, выход которого подключен к первому входу десятого элемента И, второй вход счетчика измерительных импульсов и вход установки третьего триггера в единичное состояние подключены к четвертому входу устройства, второй вход десятого элемента И соединен с выходом первой схемы ИЛИ, выход десятого элемента И соединен с входом установки в “1” первого триггера.
РИСУНКИ
|
|