|
| На основании пункта 3 статьи 13 Патентного закона Российской Федерации от 23 сентября 1992 г. № 3517-I патентообладатель обязуется передать исключительное право на изобретение (уступить патент) на условиях, соответствующих установившейся практике, лицу, первому изъявившему такое желание и уведомившему об этом патентообладателя и федеральный орган исполнительной власти по интеллектуальной собственности, – гражданину РФ или российскому юридическому лицу. |
|
(21), (22) Заявка: 2004132404/28, 05.11.2004
(24) Дата начала отсчета срока действия патента:
05.11.2004
(43) Дата публикации заявки: 20.04.2006
(46) Опубликовано: 10.12.2006
(56) Список документов, цитированных в отчете о поиске:
SU 1578492 A1,15.07.1990. SU 1673857 A1, 30.08.1991. RU 2227904 C1, 27.04.2004. DE 2723999 A1, 07.12.1978. DE 842554 С, 30.06.1952. FR 2580070 A1, 10.10.1986.
Адрес для переписки:
440023, г.Пенза, ул. Крымская, 137, П.Т. Харитонову
|
(72) Автор(ы):
Харитонов Петр Тихонович (RU), Буц Виктор Петрович (RU), Недорезов Валерий Григорьевич (RU)
(73) Патентообладатель(и):
Харитонов Петр Тихонович (RU)
|
(54) УРОВНЕМЕР ТОПЛИВА
(57) Реферат:
Изобретение относится к средствам контроля уровня топлива на транспорте и может найти применение для контроля уровня жидкостей в пищевой, химической и нефтедобывающей отраслях производства. Сущность: в уровнемере использован протяженный емкостный чувствительный элемент, подключенный в частотозадающие цепи функционального и опорного автогенераторов. С помощью основного и дополнительного счетчиков из выходных частот автогенераторов формируется позиционный код уровня топлива. Индикация уровня обеспечивается линейным светодиодным или стрелочным индикатором с преобразователем позиционного кода в ток питания стрелочного индикатора. Технический результат – снижение энергопотребления, повышение надежности и точности контроля уровня топлива при максимальной простоте устройства 2 з.п. ф-лы, 2 ил.
Изобретение относится к контрольно-измерительной технике и позволяет повысить надежность контроля уровня топлива в хранилищах, колодцах, емкостях и топливных баках транспортных средств с верхним пределом контролируемого уровня от 0,2 до 12,8 метра. Известны промышленные автомобильные индикаторы уровня топлива, содержащие поплавковый датчик с реохордом, движок которого включен последовательно со стрелочным индикатором уровня топлива и связан с поплавком. В зависимости от уровня топлива изменяется сопротивление той части реохорда, которая включена в последовательную цепь, состоящую из рамки стрелочного прибора, аккумулятора и реохорда. Существенный недостаток этого аналога в его низких надежности, искробезопасности и точности измерения уровня. Известен также датчик уровня жидкости, содержащий мостовую схему с протяженными функциональным и компенсационным терморезисторами разного сопротивления, подогреваемыми током в мостовой схеме [1]. В зависимости от уровня жидкости происходит разбаланс моста вследствие разной теплоотдачи терморезисторов. Этот разбаланс усиливается масштабным усилителем, выход которого подключен к индикатору уровня. Основные недостатки аналога [1]:
– значительная стоимость и низкая надежность сборки из двух протяженных терморезисторов разного сопротивления, особенно при контроле уровня жидкости более 500 мм;
– низкая долговременная и температурная стабильности показаний из-за оседания примесей на поверхность протяженных терморезисторов и при работе в широком температурном диапазоне.
Наиболее близким к предлагаемому известным техническим решением является цифровой измеритель параметров жидкости [2]. Прототип содержит протяженный чувствительный элемент в виде линейно-протяженных функциональных терморезисторов с косвенным подогревом, размещенных на общем основании с компенсационным терморезистором, а также источник тока подогрева, функциональный и опорный автогенераторы, основной и дополнительный счетчики, цифровые индикаторы уровня и температуры и схему управления счетом. Устройство [2] обеспечивает высокие надежность и точность цифрового измерения уровня жидкости до 500 мм, но его существенным недостатком является значительные энергопотребление и стоимость линейнопротяженных терморезисторов с косвенным подогревом, особенно при необходимости контроля уровня более 500 мм. Кроме того, при контроле уровня топлива более 500 мм резко снижаются точность контроля и надежность устройства.
Техническим результатом изобретения является снижение энергопотребления, повышение надежности и упрощение устройства при контроле уровня топлива и других жидкостей в широком диапазоне температуры и контролируемого уровня. Для достижения технического результата протяженный чувствительный элемент выполнен емкостным, основной и дополнительный счетчики имеют дешифраторы позиционного кода, выход функционального автогенератора подключен к счетному входу дополнительного счетчика, выход опорного автогенератора подключен к счетному входу основного счетчика, схема управления счетом включает в себя первый и второй элементы 2И-НЕ, RS-триггер и элемент выделения переднего фронта, при этом первые выходы дополнительного счетчика через RS-триггер и первый элемент 2И-НЕ подключены ко входу управления счетом основного счетчика, вход обнуления основного счетчика подключен через элемент выделения переднего фронта к выходу RS-триггера, а второй вход первого элемента 2И-НЕ подключен к выходу второго элемента 2И-НЕ, первый вход второго элемента 2И-НЕ подключен во второму выходу дополнительного счетчика, а второй вход второго элемента 2И-НЕ подключен к выходу переполнения основного счетчика, выходы дешифратора позиционного кода основного счетчика подключены через инверторы, разделительные диоды и ограничительные резисторы к стрелочному индикатору уровня или напрямую к светодиодному индикатору уровня. Кроме того, соотношение частот f1 опорного и f2 функционального автогенераторов выбирают по условию: f1=m×n×f2max, где m – число периодов частоты f1 в интервале счета, n – число состояний основного счетчика, а емкость протяженного чувствительного элемента выполнена с обеспечением условия: dСд/dh=dVб/dh, где Сд – текущее значение общей емкости в частотозадающей цепи функционального автогенератора, h – текущее значение контролируемого уровня топлива, Vб – текущее значение контролируемого объема топлива.
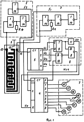
Структура предлагаемого устройства приведена на Фиг.1, на Фиг.2 показан вариант включения стрелочного индикатора к выходам основного счетчика. Устройство содержит протяженный емкостный чувствительный элемент 1, функциональный 2 и опорный 3 автогенераторы, основной 4 и дополнительный 5 счетчики с дешифраторами позиционного кода на выходе. В состав устройства входит схема управления счетом 6 и линейный световой индикатор 7 уровня. Схема управления счетом 6 содержит первый элемент 2И-НЕ 8, RS-триггер 9, второй элемент 2И-НЕ 10 и элемент 11 выделения переднего фронта. Выход функционального генератора 2 подключен к счетному входу дополнительного счетчика 5, а выход опорного генератора 3 подключен к счетному входу основного счетчика 4. Вход С управления счетом счетчика 4 подключен к первому выходу Uсч схемы управления счетом 6, а вход R обнуления основного счетчика 4 – ко второму выходу Uo схемы управления счетом. Входы схемы управления счетом 6 подключены к первым выходам дешифратора позиционного кода дополнительного счетчика 5. Линейный световой индикатор 7 уровня подключен входами к выходам дешифратора позиционного кода основного счетчика и содержит число световых элементов, равное числу выходных разрядов позиционного кода основного счетчика.
Работу устройства можно проследить с момента установки RS-триггера 9 в единичное состояние передним фронтом сигнала U1 с первого выхода дешифратора позиционного кода счетчика 5. По переднему фронту сигнала U1 сигнал Uсч переходит в единичное состояние, элементом 11 формируется короткий сигнал Uo – счетчик 4 обнуляется. Значение сигнала Uсч=1 – “разрешен счет импульсов опорной частоты f1 в основном счетчике 4». После первого переполнения счетчика 4 происходит штатный счет импульсов опорной частоты f1 до конца интервала счета. Интервал счета Тсч=2/f2 завершается по переднему фронту сигнала Uз, по которому RS-триггер 9 переключается в нулевое состояние, по которому сигнал Uсч=0 – завершено формирование интервала счета и результат штатного счета импульсов частоты f1 заносится в буферный регистр счетчика 4 по заднему фронту сигнала Uсч. Состояние буферного регистра /на Фиг.1 не показан/ счетчика 4 преобразуется совмещенным со счетчиком дешифратором двоичного кода в позиционный код и индицируется линейным световым индикатором 7. Повторное формирование интервала счета Тсч произойдет по очередному переднему фронту сигнала U1. Значение интервала Тсч обратно пропорционально емкости Сд между выводами 12 и 13 протяженного чувствительного элемента 1. При минимальном значении контролируемого уровня топлива емкость Сд минимальна, функциональная частота f2 максимальна, интервал Тсч минимален и наоборот. Этим обеспечивается прямая зависимость числа сосчитанных счетчиком 4 импульсов частоты f1 к концу очередного интервала счета Тсч от значения контролируемого уровня топлива. На Фиг.1 показан вариант подключения схемы 6 к выводам счетчика 5, обеспечивающий Тсч=2/f2. При этом выбором соотношениея частот f1 и f2 обеспечивается число импульсов в интервале Тсч от 8 /при нулевом уровне топлива/ до 16 /при максимальном уровне топлива/, что возможно при двухкратном изменении общей емкости в частотозадающей цепи функционального автогенератора 2. Для автогенератора 2 с частотозадающими RC элементами общеизвестна зависимость: Т2=1,4 Rф (Сд+Со), где Сд – емкость между выводами 12 и 13, зависящая от уровня топлива, Со – постоянная емкость, Rф – сопротивление резистора в частотозадающей цепи. При значении Со=91пФ необходимо изменение Сд в пределах от 50 до 190 пФ, тогда Сд+Со будет в пределах (141…281)пФ. Выберем Rф=750 кОм и получим Т2 в пределах от 148 до 295 мксек или частоту f2 в пределах от 6756 до 3390 Гц соответственно. Выбрав частоту f1=54 кГц, получим требуемый диапазон изменения числа импульсов счета Нсч=(8 – 16). Значения частот f1 и f2 можно выбирать в пределах от десятков герц до 100 кГц.
Частота f1=54 кГц обеспечивается при реальном значении компенсационной емкости Ск=80 пФ между выводами 13 и 15 элемента 1 и величине сопротивления Rк=165 кОм в опорном автогенераторе 3. Возможен выбор диапазона изменения Nc4=(16-24), а диапазон изменения общей емкости Сд в 1,5 раза, при этом необходимо обеспечить двукратное переполнение счетчика 4 за интервал счета. Это обеспечивается подключением второго входа схемы управления счетом 6 /входа установки RS-триггера 9 в нулевое состояние/ к выходу сигнала Uч счетчика 5. Увеличением числа разрядов дополнительного счетчика 5 возможно обеспечение многократного переполнения основного счетчика 4 за интервал счета Тсч. В любом случае соотношение частот опорного 3 и функционального 2 автогенераторов устройства выбирают по условию: f1=m×n×f2max, где m – число периодов частоты f2 в интервале счета, n – число состояний основного счетчика 4. Автогенераторы 2 и 3 могут быть собраны на инверторах КМОП-типа в одной микросхеме, что повысит температурную стабильность устройства. Отсутствие необходимости косвенного подогрева чувствительного элемента 1 вкупе с использованием микросхем КМОП-типа позволяет снизить общий ток потребления устройства. В основном потребляемый устройством ток зависит от энергопотребления линейного светового индикатора 7. При использовании светодиодов АЛ102 в качестве элементов 16…23 линейного светового индикатора общий ток, потребляемый устройством, может быть задан в пределах (3…10) mA независимо от числа разрядов счетчика 4. Протяженный емкостный чувствительный элемент 1 значительно дешевле, надежнее и проще в изготовлении из-за отсутствия никелевых дорожек микронной ширины. Все элементы устройства за исключением протяженного чувствительного элемента 1 и линейного светового индикатора 7 можно изготовить в виде микрочипа и разместить вместе с элементом 1, например. Число выходных разрядов основного счетчика 4 выбирают в пределах от 4 до 128 и выше для обеспечения требуемой точности индикации уровня топлива. Верхний предел контролируемого уровня топлива может быть в пределах от 0,2 до 12,8 метра. Для контроля с помощью предложенного устройства объема топлива необходимо выполнить следующее соотношение: dCд/dh=dVб/dh, где Сд – текущее значение общей емкости в частотозадающей цепи функционального автогенератора, h – текущее значение контролируемого уровня топлива, V6 – текущее значение контролируемого объема топлива. Индикатор 7 в этом случае должен быть оцифрован в единицах объема топлива. Все цифровые элементы устройства реализуются на серийных микросхемах КМОП-типа /например серий 564, К561, К1561 и др./.
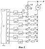
При дополнении устройства преобразователем Фиг.2 позиционного кода в аналоговый сигнал возможна замена промышленного поплавкового автомобильного датчика уровня топлива предложенным уровнемером. Вместо линейного светового индикатора 7 к выходам счетчика 4 через инверторы 24…31 и разделительные диоды 32…38 подключены резисторы 39…45, через которые подается ток питания на стандартный стрелочный индикатор уровня 46. При близком к нулевому контролируемом уровне топлива действует сигнал на первом выходе счетчика 4, через инвертор 24 и резистор 47 засвечен элемент 48 нулевого уровня топлива. Другие значения уровня топлива индицирует стрелочный индикатор уровня 46, ток питания которого задается величинами резисторов 39…45. В этом варианте устройства элементы 4, 24…48 можно разместить как в месте размещения протяженного чувствительного элемента 1, так и в месте установки стрелочного индикатора 46.
ИСТОЧНИКИ ИНФОРМАЦИИ
1. Датчик уровня жидкости. Авт.свид. СССР №1673857, БИ №32, 1991 г.
2. Цифровой измеритель параметров жидкости. Авт.свид. СССР №157492, БИ №26, 1990 г.
Формула изобретения
1. Уровнемер топлива, содержащий функциональный и опорный автогенераторы, протяженный чувствительный элемент, подключенный к автогенераторам, основной и дополнительный счетчики, схему управления счетом, индикатор уровня, отличающийся тем, что протяженный чувствительный элемент выполнен емкостным, основной и дополнительный счетчики имеют дешифраторы позиционного кода, выход функционального автогенератора подключен к счетному входу дополнительного счетчика, выход опорного автогенератора подключен к счетному входу основного счетчика, схема управления счетом включает в себя первый и второй элементы 2И-НЕ, RS-триггер и элемент выделения переднего фронта, при этом первые выходы дополнительного счетчика подключены через RS-триггер и первый элемент 2И-НЕ ко входу управления счетом основного счетчика, вход обнуления основного счетчика подключен через элемент выделения переднего фронта к выходу RS-триггера, а второй вход первого элемента 2И-НЕ подключен к выходу второго элемента 2И-НЕ, первый вход второго элемента 2И-НЕ подключен ко второму выходу дополнительного счетчика, а второй вход второго элемента 2И-НЕ подключен к выходу переполнения основного счетчика, кроме того, выходы дешифратора позиционного кода основного счетчика подключены через инверторы, разделительные диоды и ограничительные резисторы к стрелочному индикатору уровня или напрямую к светодиодному индикатору уровня.
2. Уровнемер топлива по п.1, отличающийся тем, что функциональная емкость протяженного чувствительного элемента выполнена с обеспечением условия dCд/dh=dVб/dh, где Сд – текущее значение функциональной емкости, Vб – текущее значение объема топлива в баке, h – текущее значение уровня топлива, а компенсационная емкость протяженного чувствительного элемента сосредоточена в его нижней части.
3. Уровнемер топлива по п.1, отличающийся тем, что соотношение частот f1 опорного и f2 функционального автогенераторов выбирают по условию f1=m×n×f2max., где m – число периодов частоты f2 в интервале счета, n – число состояний основного счетчика.
РИСУНКИ
|
|