|
|
(21), (22) Заявка: 2005135679/06, 17.11.2005
(24) Дата начала отсчета срока действия патента:
17.11.2005
(46) Опубликовано: 10.12.2006
(56) Список документов, цитированных в отчете о поиске:
RU 2066016 C1, 27.08.1996. RU 2129684 С1, 27.04.1999. GB 2128701 A, 02.05.1984. US 4917149 A, 17.04.1990. DE 2425139 A, 27.11.1975. ЕР 0650005 А1, 26.04.1995.
Адрес для переписки:
119146, Москва, Комсомольский пр-т, 23/7, кв.119, П.В. Малина
|
(72) Автор(ы):
Малина Петр Васильевич (RU), Смаков Артур Жанович (RU)
(73) Патентообладатель(и):
Малина Петр Васильевич (RU), Смаков Артур Жанович (RU)
|
(54) БЫСТРОРАЗЪЕМНОЕ СОЕДИНЕНИЕ ТРУБОПРОВОДОВ
(57) Реферат:
Изобретение относится к трубопроводной арматуре и предназначено для быстрого соединения (разъединения) гибких трубопроводов с высоким давлением и большим расходом рабочей жидкости и предотвращения ее вытекания из трубопровода. Быстроразъемное соединение трубопроводов содержит два герметично соединенных между собой корпуса. Каждый из корпусов герметично соединен с соответствующим трубопроводом. В каждом из корпусов расположены пустотелые трубчатые запорные элементы и жестко закреплены вставки. Каждая из вставок выполнена с глухой первой торцевой поверхностью и, по крайней мере, с одним сквозным каналом. Последний проходит через боковую поверхность соответствующей вставки и открывается в соответствующий трубопровод со стороны второй торцевой поверхности соответствующей вставки. Между боковыми поверхностями вставок и внутренними поверхностями вкладышей выполнены первые уплотнения, расположенные между выходами каналов на боковых поверхностях соответствующих вставок и трубопроводами. Расположенный в первом корпусе первый запорный элемент выполнен со сплошными стенками. На выступающей из первого корпуса первой торцевой части первой вставки расположено первое седло. Это седло выполнено с возможностью герметичного контакта с торцевой частью выполненного со сплошными стенками первого запорного элемента. Между внутренней поверхностью корпуса и внешней поверхностью первого запорного элемента выполнено второе герметичное уплотнение, расположенное между первым седлом и соответствующим первым уплотнением. Между боковой поверхностью утопленной во втором корпусе второй вставки и внутренней поверхностью второго запорного элемента выполнено третье герметичное уплотнение, расположенное вблизи первой торцевой поверхности второй вставки. Между внутренней поверхностью корпуса и внешней поверхностью второго запорного элемента выполнено четвертое герметичное уплотнение, расположенное между соответствующим первым уплотнением и соответствующим трубопроводом. Внутри второго корпуса со стороны первого корпуса выполнено второе седло, выполненное с возможностью герметичного контакта с торцевой частью второго запорного элемента. Стенки второго запорного элемента выполнены, по крайней мере, с одним окном. Это окно расположено между третьим герметичным уплотнением и соответствующим четвертым герметичным уплотнением при возвратно-поступательном перемещении второго запорного элемента между крайними положениями. Изобретение направлено на предотвращение утечек рабочей среды, находящейся под высоким давлением, при расстыковке быстроразъемного соединения, на уменьшение силы при стыковке и расстыковке частей устройства и герметичность рассоединенных частей трубопровода. 10 з.п. ф-лы, 9 ил.
Устройство предназначено для быстрого соединения (разъединения) гибких трубопроводов (БРС) с высоким давлением и большим расходом рабочей жидкости и предотвращения ее вытекания из трубопровода.
Известно быстроразъемное соединение (см. К.М.Холин, Основы гидравлики и объемные гидроприводы. Москва, «Машиностроение», 1989, стр.137), состоящее из двух гидроразъемов: штырькового и гнездового, в которых установлены шарики и цилиндрические пружины, одной стороной упирающиеся в крестовины, а другой – в шарики, которые выполняют функцию затворов. При соединении парных гидроразъемов под действием усилия стыковки шарики соприкасаются и взаимно отжимаются от седел, образуя проходное сечение для рабочей среды.
Недостатком такого устройства является необходимость создания определенного усилия для отжатия шариков от седла и большое гидравлическое сопротивление для прохода рабочей среды, т.е. такое устройство работоспособно только при маленьких проходных сечениях и незначительных рабочих давлениях.
Известна муфта быстроразъемная типа 9601 (изготовитель ОАО «Ковровский электромеханический завод», г.Ковров Владимировской обл.), содержащая корпус, втулку, выполняющую роль штуцера, два симметричных клапана с уплотнительными кольцами, подпирающиеся цилиндрическими пружинами, и механизм фиксации с шариками и пружиной.
Недостатком данной конструкции является необходимость при соединении приложить определенное усилие на преодоление силы от давления рабочей жидкости и сил подпружиненных клапанов для открытия проходного сечения.
Известно быстроразъемное соединение (см. GB 2128701 А, Кл. F 16 L 37/28, 02.05.1984 г.), содержащее два симметричных корпуса, каждый из которых представляет собой две соосные трубы, причем между цилиндрическими поверхностями находится цилиндрический шток, т.е., пространство между трубами представляет собой цилиндрический гидроцилиндр, где цилиндрический шток двигается от глухой торцевой части с каналами управления подачи гидрожидкости до открытого кольцевого проходного отверстия и выполняет функцию клапана, перекрывая во внутренней трубе проходные окна и торцевое кольцевое отверстие, а торец внутренней трубы перекрыт конусом с основанием наружу для контакта с основанием конуса второго симметричного корпуса. Внешние конусные фланцы двух корпусов фиксируются составным хомутом и гидравлическим механизмом.
Недостатком такого устройства является сложность конструкции, т.е. наличие управляющих сложных цилиндрических гидроцилиндров с трубопроводами управления, механизма соединения двух корпусов при помощи гидропривода и наличие большого количества уплотнений.
Известно быстроразъемное соединение высокого давления (см. RU 2129684 С1, кл. F 16 L 37/00, 27.04.1999 г.), содержащее две полумуфты, соединенные подпружиненной запорной втулкой с фиксирующим элементом. На наружной поверхности обеих полумуфт в диаметральной плоскости вдоль окружности выполнены сквозные окна произвольной формы. Окна совмещены при стыковке полумуфт и перекрываются подпружиненными поршнями в разомкнутом состоянии.
Недостатком такой конструкции является необходимость точного изготовления полумуфт и качественного уплотнения для создания надежного герметичного соединения, а также большое гидравлическое сопротивление всего устройства через сквозные окна и малые расходы рабочей среды.
Наиболее близким к заявленному изобретению является быстроразъемное соединение трубопроводов (пат. РФ RU2066016 С1, кл. F 16 L 37/28, 27.08.1996 г.).
Известное быстроразъемное соединение позволяет снизить усилия присоединения трубопровода к источнику высокого давления, т.к. один из элементов выполнен с хвостовиком цилиндрической формы, а запорный элемент выполнен с глухой торцевой расточкой, взаимодействующей с хвостовиком с образованием полости, сообщенной через дополнительно установленный запорный элемент, установленный в основном с внутренней полостью корпуса, охватывающего соединяемые элементы.
Недостатком указанного быстроразъемного соединения является то, что для достижения снижения усилия присоединения трубопровода к источнику высокого давления вводятся дополнительные элементы с проходными каналами, которые создаю дополнительное гидравлическое сопротивление и не позволяют применять это устройство при больших расходах рабочей среды. Указанная конструкция является технологически сложной и не надежной, то есть запорный элемент не разгружен от действия высокого давления и в корпусе установлен дополнительный запорный элемент, а также штуцер пристыковывается к корпусу через наружный уплотнительный элемент.
Технический результат, достигаемый при реализации изобретения, заключается в предотвращении утечек транспортируемой по трубопроводам рабочей среды, находящейся под высоким давлением, при расстыковке быстроразъемного соединения, исключении применения силы при стыковке и расстыковке частей устройства и герметичности рассоединенных частей трубопровода.
Указанный технический результат достигается за счет того, что устройство состоит из корпуса ниппельной части в виде трубы с кронштейном, со сквозными пазами по бокам, с двумя фланцами по торцам, один из них – конический с торцевым уплотнением, вставки, прикрепленной к корпусу силовым кольцом и имеющей в сужающейся части сквозные отверстия и прикрепленное седло с внутренней конической рабочей кромкой, трубчатого запорного элемента, широкой частью контактирующего через полуоси и рычаги с устройством управления, а узкой – внутренней торцевой кромкой с рабочей конической поверхностью седла, хомута с рычагом, состоящего из набора секций с пружиной внутри, корпуса штуцерной части в виде ступенчатой трубы, имеющего по торцам фланцы, кронштейн и сквозные пазы по бокам, вставки с дном и сквозными отверстиями, прикрепленной при помощи силового кольца к фланцу корпуса, трубчатого запорного элемента, имеющего на широкой части сквозные отверстия и контактирующего внутренней торцевой кромкой с рабочей конической поверхностью седла, а узкой частью – контактирующего через полуоси и рычаги с устройством управления, входного и выходного патрубков.
Конструкция предлагаемого устройства показана на чертежах:
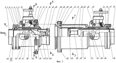
Фиг.1. Быстроразъемное соединение (БРС) в разъединенном положении.
Фиг.2. БРС в соединенном положении.
Фиг.3. Положение БРС при открытых запорных элементах, проходное сечение открыто.
Фиг.4. Поперечные сечения БРС при открытом положении хомута.
Фиг.5. Поперечные сечения БРС при закрытом положении хомута.
Фиг.6. Поперечные сечения ниппельной части БРС.
Фиг.7. Торцевой вид ниппельной части БРС.
Фиг.8. Поперечные сечения штуцерной части БРС.
Фиг.9. Продольное сечение БРС в соединенном положении при закрытых запорных элементах.
Предлагаемое устройство состоит из корпуса 1 ниппельной части в виде трубы со сквозными пазами 2 по бокам, кронштейна 3, входного фланца 4, контактирующего с входным патрубком 5 и с составным силовым кольцом 6 и герметизирующим кольцом 7, конического фланца 8, на котором расположены подвижный хомут 9 с рычагом зажима 10 (Фиг.4), внутренняя пружина 11 и фиксирующий винт 12, трубчатого запорного элемента 13 с пазами 14 на наружной хвостовой части, в которых установлены полуоси 15, связанные через рычаги 16 с устройством управления 17, вставки 18 с дном и со сквозными отверстиями 19, на которой закреплено седло 20 с внутренней рабочей конической поверхностью 21, корпуса 22 штуцерной части клапана в виде ступенчатой трубы с кронштейном 23, выходного фланца 24, контактирующего с выходным патрубком 25 и с составным силовым кольцом 26 и герметизирующим кольцом 27, с силовым фланцем 28, на котором установлено седло 29 с ответным коническим фланцем 30 и конической рабочей поверхностью 31, трубчатого запорного элемента 32 с отверстиями 33 на большем диаметре и пазами 34 на наружной хвостовой части, в которых установлены полуоси 35, связанные через рычаги 36 с устройством управления 37, вставки 38 с дном и со сквозными отверстиями 39, уплотнительных элементов 40, 41, 42, 43, 44, 45, 46, 47, 48, 49 и болтов 50 с гайками 51 (Фиг.1, Фиг.2, Фиг.6, Фиг.7, Фиг.8 и Фиг.9).
Предлагаемое устройство работает следующим образом.
Рабочая среда под давлением через входной патрубок 5 попадает в полость вставки 18, закрепленной при помощи силового кольца 6 в корпусе 1, и через сквозные отверстия 19 действует на внутреннюю поверхность трубчатого запорного элемента 13 и поверхность седла 20. Запорный элемент 13 при помощи устройства управления 17, действующего через рычаги 16 на полуоси 15, закрепленные на наружной поверхности запорного элемента, жестко контактирует с рабочей конической поверхностью 21 седла 20 и обеспечивает герметичность ниппельной части БРС. Хомут 9, закрепленный при помощи винта 12 на коническом фланце 8, находится в свободном состоянии.
Рабочая среда, находящаяся под давлением во вставке 38 корпуса 22 штуцерной части БРС, ранее подведенная через входной патрубок 25, через сквозные пазы 39 и отверстия 33 запорного элемента 32, запорного элемента штуцерной части, попадает в полость корпуса 22 и действует на наружную поверхность запорного элемента и внутреннюю поверхность седла 29. Запорный элемент 32 при помощи устройства управления 37, действующего через рычаги 36 на полуоси 35, закрепленные на наружной поверхности запорного элемента, жестко контактирует с рабочей конической поверхностью 31 седла 29 и обеспечивает герметичность штуцерной части БРС (Фиг.1).
При стыковке частей БРС конический фланец 30 седла 29 заходит в полость хомута 9 и одновременно седло 20 ниппельной части заходит в полость штуцерной части БРС, причем ступенчатая внутренняя поверхность седла 29 контактирует с уплотнением 42 (Фиг.2). При нижнем положении рычага 10 пружина 11, находящаяся во внутренней полости хомута 9, растягивает его секции до максимального диаметра, чтобы в полость хомута 9 максимально вошел конический фланец 30 седла 29, а фиксирующий винт 12 не позволяет хомуту 9 вращаться вокруг оси. С поворотом рычага 10 происходит жесткое герметичное соединение ниппельной части БРС со штуцерной (Фиг.2, Фиг.4 и Фиг.5).
После стыковки частей БРС производится открытие проходного сечения устройства в ниппельной части, где запорный элемент 13 при помощи устройства управления 17, рычагов 16 и полуосей 15 перемещается из крайнего правого положения в левое. Открытие штуцерной части БРС происходит при помощи устройства управления 37, которое через рычаги 36 и полуоси 35 перемещает запорный элемент 32 из крайнего левого положения в правое (Фиг.3).
При открытом проходном сечении БРС рабочая среда проходит через внутреннюю полость вставки 18 отверстия 19 и попадает в полость корпуса 22, откуда через отверстия 33 запорного элемента 32 и отверстия 39 вставки 38 через фланец 25 проходит в трубопровод. Рабочая среда может проходить через БРС и в обратном порядке.
Конструкции запорных элементов 13 и 32 представляют собой ступенчатую трубу, широкая часть которой имеет внутренний диаметр, равный 0,9-1,1 внешнего диаметра узкой части трубы. При различных положениях клапанов-золотников в устройстве, даже при соединении между собой частей корпусов, рабочее давление среды действует только на цилиндрическую часть, тем самым запорные элементы всегда полностью разгружены от действия рабочего давления (жидкости или газа) и на их перемещение требуется минимальное количество энергии.
Закрытие проходного сечения БРС и разъединение всего устройства проходит в обратном порядке. В ниппельной части БРС устройство управления 17 при помощи рычагов 16 и полуосей 15 перемещает запорный элемент 13 из крайнего левого положения в правое до контакта с рабочей конической поверхностью 21 седла 20. В штуцерной части БРС устройство управления 37 при помощи рычагов 36 и полуосей 35 перемещает запорный элемент 32 из крайнего правого положения в левое до контакта с рабочей конической поверхностью 31 седла 29. Когда проходное сечение полностью закрыто, рычаг 10 на хомуте 9 переводится в нижнее положение, пружина 11 раздвигает секции хомута 9 и конический фланец 30 освобождает корпус 22 для перемещения вдоль оси БРС, происходит полное разъединение ниппельной и штуцерной частей между собой.
Преимущества предлагаемой конструкции:
1. работоспособность при любых расходах и давлении рабочей среды;
2. запорные элементы полностью конструктивно разгружены от давления и для их перемещения при открытии и закрытии проходного сечения требуются незначительные усилия;
3. в данном устройстве запорные элементы перекрывают проходное сечение с двух сторон при помощи устройств управления;
4. рычаги и устройство управления устраняют возможность возникновения гидравлического удара при открытии и закрытии проходного сечения БРС;
5. подвижный хомут быстро и жестко соединяет ниппельную и штуцерную части между собой, а внутренняя пружина способствует быстрому разъединению частей;
6. конические фланцы и торцевое уплотнение между ними не создают «вакуумного эффекта» при разъединении частей клапана.
Формула изобретения
1. Быстроразъемное соединение трубопроводов, содержащее два герметично соединенных между собой корпуса, каждый из которых герметично соединен с соответствующим трубопроводом, а в каждом из корпусов расположены пустотелые трубчатые запорные элементы и жестко закреплены вставки, каждая из которых выполнена с глухой первой торцевой поверхностью и, по крайней мере, с одним сквозным каналом, проходящим через боковую поверхность соответствующей вставки и открывающимся в соответствующий трубопровод со стороны второй торцевой поверхности соответствующей вставки, между боковыми поверхностями вставок и внутренними поверхностями вкладышей выполнены первые уплотнения, расположенные между выходами каналов на боковых поверхностях соответствующих вставок и трубопроводами, причем расположенный в первом корпусе первый запорный элемент выполнен со сплошными стенками, на выступающей из первого корпуса первой торцевой части первой вставки расположено первое седло, выполненное с возможностью герметичного контакта с торцевой частью выполненного со сплошными стенками первого запорного элемента, между внутренней поверхностью корпуса и внешней поверхностью первого запорного элемента выполнено второе герметичное уплотнение, расположенное между первым седлом и соответствующим первым уплотнением, между боковой поверхностью утопленной во втором корпусе второй вставки и внутренней поверхностью второго запорного элемента выполнено третье герметичное уплотнение, расположенное вблизи первой торцевой поверхности второй вставки, между внутренней поверхностью корпуса и внешней поверхностью второго запорного элемента выполнено четвертое герметичное уплотнение, расположенное между соответствующим первым уплотнением и соответствующим трубопроводом, внутри второго корпуса со стороны первого корпуса выполнено второе седло, выполненное с возможностью герметичного контакта с торцевой частью второго запорного элемента, а стенки второго запорного элемента выполнены, по крайней мере, с одним окном, расположенным между третьим герметичным уплотнением и соответствующим четвертым герметичным уплотнением при возвратно-поступательном перемещении второго запорного элемента между крайними положениями.
2. Быстроразъемное соединение по п.1, отличающееся тем, что корпусы выполнены с приводами, обеспечивающими возвратно-поступательное движение запорных элементов.
3. Быстроразъемное соединение по п.2, отличающееся тем, что, по крайней мере, один из приводов выполнен пневмогидравлическим.
4. Быстроразъемное соединение по п.1 или 2, отличающееся тем, что на корпусах расположены кронштейны механизма управления.
5. Быстроразъемное соединение по п.1, или 2, или 3, отличающееся тем, что корпусы соединены с использованием хомута, расположенного на кольцевых выступах сопряженных торцов корпусов, причем хомут выполнен из набора секций с пружиной внутри и имеет рычаг, обеспечивающий натяжение пружины.
6. Быстроразъемное соединение по п.1, отличающееся тем, что каждый запорный элемент содержит широкий и узкий участки постоянного поперечного сечения, причем узкий участок первого запорного элемента расположен со стороны своего седла, а широкий участок второго запорного элемента расположен со стороны своего седла, при этом площадь участка плоскости поперечного сечения запорного элемента, ограниченного внутренней кромкой поверхности широкой части запорного элемента, равна 0,9-1,1 площади участка плоскости поперечного сечения запорного элемента, ограниченной внешней кромкой поверхности узкой части запорного элемента, а каждое седло имеет форму участка конуса в месте контакта с запорным элементом.
7. Быстроразъемное соединение по п.2, отличающееся тем, что каждый запорный элемент содержит широкий и узкий участки постоянного поперечного сечения, причем узкий участок первого запорного элемента расположен со стороны своего седла, а широкий участок второго запорного элемента расположен со стороны своего седла, при этом площадь участка плоскости поперечного сечения запорного элемента, ограниченного внутренней кромкой поверхности широкой части запорного элемента, равна 0,9-1,1 площади участка плоскости поперечного сечения запорного элемента, ограниченной внешней кромкой поверхности узкой части запорного элемента, а каждое седло имеет форму участка конуса в месте контакта с запорным элементом.
8. Быстроразъемное соединение по п.3, отличающееся тем, что каждый запорный элемент содержит широкий и узкий участки постоянного поперечного сечения, причем узкий участок первого запорного элемента расположен со стороны своего седла, а широкий участок второго запорного элемента расположен со стороны своего седла, при этом площадь участка плоскости поперечного сечения запорного элемента, ограниченного внутренней кромкой поверхности широкой части запорного элемента, равна 0,9-1,1 площади участка плоскости поперечного сечения запорного элемента, ограниченной внешней кромкой поверхности узкой части запорного элемента, а каждое седло имеет форму участка конуса в месте контакта с запорным элементом.
9. Быстроразъемное соединение по п.6, отличающееся тем, что, по крайней мере, один из запорных элементов выполнен подвижным относительно уплотнений.
10. Быстроразъемное соединение по п.7, отличающееся тем, что, по крайней мере, один из запорных элементов выполнен подвижным относительно уплотнений.
11. Быстроразъемное соединение по п.8, отличающееся тем, что, по крайней мере, один из запорных элементов выполнен подвижным относительно уплотнений.
РИСУНКИ
|
|