|
|
(21), (22) Заявка: 2005107481/09, 18.03.2005
(24) Дата начала отсчета срока действия патента:
18.03.2005
(46) Опубликовано: 20.11.2006
(56) Список документов, цитированных в отчете о поиске:
RU 1406676 A1, 30.06.1988. RU 2042140 C1, 20.08.1995. RU 2037932 C1, 19.06.1995. SU 1385171 A1, 30.03.1988. SU 1762274 A1, 15.09.1992. US 6831600 A, 14.12.2004. WO 03/015212 A1, 20.02.2003.
Адрес для переписки:
111250, Москва, ул. Авиамоторная, 53, ЗАО “Патентный Поверенный”, пат.пов. Г.Н.Андрущак, рег. № 189
|
(72) Автор(ы):
Урличич Юрий Матэвич (RU), Гришмановский Виктор Александрович (RU)
(73) Патентообладатель(и):
Закрытое акционерное общество “НПО Космического Приборостроения” (RU)
|
(54) ПРОСТРАНСТВЕННАЯ ПРИЕМОПЕРЕДАЮЩАЯ ФАЗИРОВАННАЯ АНТЕННАЯ РЕШЕТКА (ВАРИАНТЫ)
(57) Реферат:
Изобретение относится к антенной технике. Технический результат – создание активной антенной решетки с минимальным числом управляемых фазовращателей. Для этого, на примере одного из вариантов, предлагается пространственная приемопередающая фазированная антенная решетка, выполненная в виде матрицы и содержащая задающий смеситель, на который подаются сигналы задающих частот f и f, выходные сигналы служебных частот f1=f+ f и f2=f- f которого через соответствующие фазовращатели подаются соответственно на строки и столбцы матрицы, в точках пересечения строк и столбцов матрицы расположены смесители, выходы каждого из которых соединены с соответствующим циркулятором, подключенным через соответствующий приемный усилитель с первым входом гетеродинного смесителя, на второй вход которого поступает частота гетеродина, а выход соединен с первым входом приемного смесителя, второй вход приемного смесителя соединен с выходом соответствующего смесителя, при этом выходы приемных смесителей соединены с устройством суммирования сигналов. 2 н.п. ф-лы, 2 ил.
Изобретение относится к антенной технике, в частности к активным пространственным фазированным антенным решеткам (ФАР), и может быть использовано при создании антенн с не механическим качанием луча антенны.
Известны фазированные антенные решетки, схемы с фазировкой на промежуточной частоте и схемы с двойным преобразованием частоты (Книга Бененсона и др. “Антенные решетки”, стр.184-187).
Однако недостатком приведенных в книге схем является тот факт, что хотя в приведенных в ней схемах рис.5.11 и рис.5.12 используются смесители для сложения фаз от разных гетеродинов и производится преобразование частоты, но в этих схемах используются гетеродин с качающейся частотой и частотно-зависимые линии задержки, при этом сложение фаз от строк и столбцов плоской антенной решетки невозможно.
Известные устройства, описанные в патентах US 6831600, H 01 Q 3/26, 14.12.2004, WO 03015212, H 01 Q 3/26, 20.02.2003, JP 2002158528, H 01 Q 3/26, 31.05.2002, обладают теми же недостатками.
Другие схемы формирования необходимого фазового распределения в раскрыве фазированной антенной решетки приведены в книге А.С.Лаврова и Г.Б.Резникова “Антенно-фидерные устройства”. В разделе 15.3 этой книги показаны схемы запитки излучателей для получения необходимых фазовых задержек. Как видно из рис.15.3 и 15.4, число управляющих фазовращателей плоской антенной фазированной решетки равно числу ее излучателей. Для прямоугольной плоской антенной решетки, имеющей N строк и М столбцов, общее число излучателей будет равно произведению числа строк на число столбцов, а суммарное число К фазовращателей равно К=N·M.
Недостатком данных устройств является большое число управляемых фазовращателей.
Частично данный недостаток устранен в техническом решении, характеризующем устройство управления положением луча фазированной антенной решетки (ФАР), содержащее N каналов, включающих первые смесители, входы которых соединены с излучателями ФАР, а начиная с третьего канала – вторые и третьи смесители, при этом гетеродинные входы первых смесителей соединены с выходами соответствующих вторых смесителей, гетеродинные входы которых соединены с выходами соответствующих третьих смесителей, блок управления, первый кварцевый генератор, сумматор мощности, входы которого соединены с выходами первых смесителей соответствующих каналов, а выход является выходом ФАР, а также управляемый фазовращатель, четвертый и пятый смесители, второй кварцевый генератор, выход которого соединен с первыми входами четвертого и пятого смесителей, выход первого кварцевого генератора соединен с гетеродинным входом первого смесителя первого канала, входом фазовращателя и вторым входом четвертого смесителя, выход фазовращателя соединен с гетеродинным входом первого смесителя второго канала, сигнальным входом третьего смесителя третьего канала и вторым входом пятого смесителя, выход пятого смесителя соединен с гетеродинными входами третьих смесителей всех каналов, начиная с третьего, сигнальные входы третьих смесителей n-x каналов соединены попарно, начиная с четвертого канала (SU 1406676, H 01 Q 3/26, 30.06.1988).
Однако данное устройство представляет собой линейную (не пространственную) антенную решетку, следуя логике ее построения, невозможно создать пространственную фазированную решетку с минимальным числом управляемых фазовращателей.
Технический результат устройств заключается в создании активной антенной решетки с минимальным числом управляемых фазовращателей.
Для достижения указанного технического результата предлагается пространственная приемопередающая фазированная антенная решетка, выполненная в виде матрицы и содержащая задающий смеситель, на который подаются сигналы задающих частот f и f, выходные сигналы служебных частот f1=f+ f и f2=f- f которого через соответствующие фазовращатели подаются соответственно на строки и столбцы матрицы, в точках пересечения строк и столбцов матрицы расположены смесители, выходы каждого из которых соединен с входом соответствующего передающего усилителя, выход которого соединен с соответствующим циркулятором, подключенным через соответствующий приемный усилитель с первым входом гетеродинного смесителя, на второй вход которого поступает частота гетеродина, а выход соединен с первым входом приемного смесителя, второй вход приемного смесителя соединен с выходом соответствующего смесителя, при этом выходы приемных смесителей соединены с устройством суммирования сигналов, а также в качестве варианта – пространственная приемопередающая фазированная антенная решетка, выполненная в виде матрицы и содержащая задающий смеситель, на который подаются сигналы задающих частот f и f, выходные сигналы служебных частот f1=f+ f и f2=f- f которого через соответствующие фазовращатели подаются соответственно на строки и столбцы матрицы, в точках пересечения строк и столбцов матрицы расположены смесители, выходы каждого из которых соединены соответственно с первым входом передающего гетеродинного смесителя и первым входом приемного смесителя, выход передающего смесителя соединен через передающий усилитель с циркулятором, который соединен через приемный усилитель с первым входом приемного гетеродинного смесителя, выход которого соединен со вторым входом приемного смесителя, при этом на вторые входы приемного и передающего смесителей подаются соответственно сигналы с частотой гетеродина и частотой передатчика путем воздушной запитки.
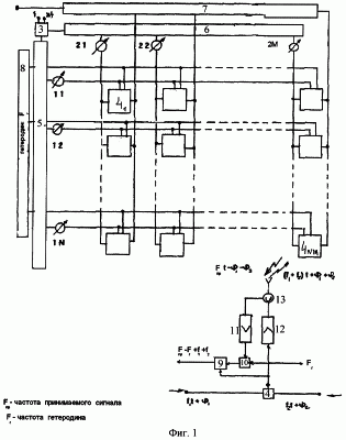
На фиг.1 и 2 изображены соответственно функциональные схемы пространственных приемопередающих фазированных антенных решеток согласно соответственно пп.1 и 2 формулы изобретения.
На фиг.1 пространственная приемопередающая фазированная антенная решетка содержит 11-1N – фазовращатели строк, 21-2М – фазовращатели столбцов, 3 – задающий смеситель, 41-4N – смесители излучателей, 5 – распределитель служебного сигнала строк, 6 – распределитель служебного сигнала столбцов, 7 – сумматор приемных сигналов, 8 – гетеродин, 9 – приемный смеситель, 10 – гетеродинный смеситель, 11 – приемный усилитель, 12 – передающий усилитель, 13 – циркулятор.
На фиг.2 пространственная приемопередающая фазированная антенная решетка содержит 11-1N – фазовращатели строк, 21-2М – фазовращатели столбцов, 3 – задающий смеситель, 41-4N – смесители излучателей, 5 – распределитель служебного сигнала строк, 6 – распределитель служебного сигнала столбцов, 7 – устройство суммирования сигналов, 8 – приемный смеситель, 9 – передающий гетеродинный смеситель, 10 – приемный гетеродинный смеситель, 11 – приемный усилитель, 12 – передающий усилитель, 13 – циркулятор.
Антенная решетка на фиг.1 работает следующим образом. Сигналы служебных частот строки f1=f+ f и столбца f2=f- f получаются на одном задающем смесителе 3.
На каждый элемент решетки поступают сигналы служебных частот с фазой:
– строки 1=f1t+ 1
– столбца 2=f2t+ 2,
где 1 и 2 – требуемые для качания луча антенны фазовые сдвиги по строкам и столбцам.
На элементе решетки сигналы служебных частот складываются на соответствующем смесителе 4 и перед излучением усиливаются.
Перед излучателем устанавливается циркулятор 13 или переключатель, подключающий приемную часть элемента решетки к излучателю в режиме приема сигнала.
Принятый сигнал имеет фазу: пр=Fпр t-ф1-ф2. Для компенсации фазовой задержки (ф1-ф2) принятого элементом решетки сигнала используются приемный смеситель 9 и гетеродинный смеситель 10.
Получаемый после гетеродинного смесителя 10 сигнал с фазой 2=(Fпр-Fг)t-ф1-ф2 поступает на приемный смеситель 9, где суммируется с сигналом, поступающим со смесителя 4.
На выходе приемного смесителя 9 получается сигнал Fпр-Fг+2f без фазовых задержек, который может суммироваться в устройстве суммирования сигналов 7 синфазно со всех элементов решетки.
Антенная решетка на фиг.2 работает аналогичным образом, однако осуществляется эфирная запитка сигнала для формирования несущей частоты в режиме передачи и эфирной подачей сигнала гетеродина в режиме приема.
В этой схеме сигнал после смесителя 4 поступает на передающий гетеродинный смеситель 9, где смешивается с сигналом F воздушной (эфирной) запитки без использования проводников. Сигнал суммарной частоты, равной F+f1+f2 c фазой =(F+f1+f2)1+ф1+ 2, усиливается передающим усилителем 12 и излучается излучателем.
Принятый элементом решетки сигнал, имеющий фазу
=(Fпр)t-ф1-ф2, смешивается с частотой Fr в гетеродинном смесителе 10.
Сигнал с выхода смесителя 10 частоты Fпр-Fг и фазы – ф1-ф2 поступает на приемный смеситель 8, где складывается с сигналом, поступающим с смесителя 4.
С выхода приемного смесителя 10 получается сигнал частоты Fпр-Fг+2f, который уже не несет информации о сдвиге фаз в элементах решетки, вносимых изменением направления суммарной диаграммы направленности решетки.
Таким образом, при минимальном числе управляемых фазовращателей осуществляются прием и передача сигналов.
Формула изобретения
1. Пространственная приемопередающая фазированная антенная решетка, выполненная в виде матрицы и содержащая задающий смеситель, на который подаются сигналы задающих частот f и f, выходные сигналы служебных частот f1=f+ f и f2=f- f которого через соответствующие фазовращатели подаются соответственно на строки и столбцы матрицы, в точках пересечения строк и столбцов матрицы расположены смесители, выходы каждого из которых соединены с входом соответствующего передающего усилителя, выход которого соединен с соответствующим циркулятором, подключенным через соответствующий приемный усилитель с первым входом гетеродинного смесителя, на второй вход которого поступает частота гетеродина, а выход соединен с первым входом приемного смесителя, второй вход приемного смесителя соединен с выходом соответствующего смесителя, при этом выходы приемных смесителей соединены с устройством суммирования сигналов.
2. Пространственная приемопередающая фазированная антенная решетка, выполненная в виде матрицы и содержащая задающий смеситель, на который подаются сигналы задающих частот f и f, выходные сигналы служебных частот f1=f+ f и f2=f- f которого через соответствующие фазовращатели подаются соответственно на строки и столбцы матрицы, в точках пересечения строк и столбцов матрицы расположены смесители, выходы каждого из которых соединены соответственно с первым входом передающего гетеродинного смесителя и первым входом приемного смесителя, выход передающего гетеродинного смесителя соединен через передающий усилитель с циркулятором, который соединен через приемный усилитель с первым входом приемного гетеродинного смесителя, выход которого соединен со вторым входом приемного смесителя, при этом на вторые входы приемного и передающего смесителей подаются соответственно сигналы с частотой гетеродина и частотой передатчика путем воздушной запитки.
РИСУНКИ
MM4A – Досрочное прекращение действия патента СССР или патента Российской Федерации на изобретение из-за неуплаты в установленный срок пошлины за поддержание патента в силе
Дата прекращения действия патента: 19.03.2007
Извещение опубликовано: 20.06.2008 БИ: 17/2008
NF4A – Восстановление действия патента СССР или патента Российской Федерации на изобретение
Дата, с которой действие патента восстановлено: 20.06.2008
Извещение опубликовано: 20.06.2008 БИ: 17/2008
|
|