|
|
(21), (22) Заявка: 2005110562/28, 11.04.2005
(24) Дата начала отсчета срока действия патента:
11.04.2005
(46) Опубликовано: 10.11.2006
(56) Список документов, цитированных в отчете о поиске:
US 5849592, 15.12.1998. US 5695720, 09.12.1997. RU 2076322 C1, 27.03.1997. RU 4169 U1, 16.05.1997. EP 1102069 A2, 23.05.2001. US 5268147, 07.12.1993.
Адрес для переписки:
191014, Санкт-Петербург, ул. Госпитальная 3, ООО “Интеринтеллект-сервис”, пат. пов. В.В. Туренко
|
(72) Автор(ы):
Москвин Леонид Николаевич (RU), Москвин Алексей Леонидович (RU), Мозжухин Анатолий Васильевич (RU)
(73) Патентообладатель(и):
Закрытое акционерное общество Научно-производственное объединение “Гранит-НЭМП” (RU)
|
(54) СПОСОБ ИНЖЕКЦИОННОГО АНАЛИЗА И УСТРОЙСТВО ДЛЯ ЕГО ОСУЩЕСТВЛЕНИЯ
(57) Реферат:
Использование: для автоматизированного проведения химических анализов жидких сред. Сущность: способ включает подачу жидкой пробы и растворов реагентов в реакционную емкость с помощью реверсного насоса, соединенного с многоходовым краном. Подачу жидкой пробы и растворов реагентов в реакционную емкость осуществляют по гидравлической линии, созданной каналом многоходового крана и детектором. После подачи пробы и растворов реагентов в реакционную емкость через реакционную емкость с помощью одного из каналов многоходового крана прокачивают поток атмосферного воздуха или газа, инертного по отношению к пробе и реагентам. Осуществляют пропускание пробы с реагентами через детектор, который производит измерения. Устройство для осуществления последовательного инжекционного анализа содержит, по меньшей мере, один многоходовой кран, один из каналов которого через реверсный насос и детектор соединен с реакционной емкостью, другой канал многоходового крана является каналом для подачи жидкой пробы, еще один канал многоходового крана является каналом для слива, еще один канал многоходового крана является каналом для подачи воздуха или газа, инертного по отношению к пробе и реагентам, остальные каналы многоходового крана являются каналами для подачи реагентов, при этом многоходовой кран выполнен с возможностью соединения канала, который соединен с реакционной емкостью, с любым из оставшихся каналов, а реакционная емкость соединена с каналом своей нижней частью. Технический результат заключается в повышении точности и достоверности анализа. 2 н. и 10 з.п. ф-лы, 1 ил.
Предлагаемые изобретения относятся к химии и могут быть использованы для автоматизированного проведения химических анализов жидких сред.
Известен способ проточного анализа [1]. Способ заключается в использовании процесса контролируемой дисперсии зоны одной жидкости в движущемся потоке другой жидкости.
Основными недостатками известного способа проточно-инжекционного анализа являются высокий расход растворов реагентов и индивидуальная специфика гидравлических схем, соответствующих условиям определения каждого аналита.
Наиболее близким к предлагаемому способу является последовательный инжекционный анализ без использования носителя [2].
Для осуществления последовательного инжекционного анализа без использования носителя используется устройство, содержащее шприцевой насос, удерживающую петлю, многоходовой кран, реакционную петлю, проточный детектор.
На первой стадии система через многоходовой кран заполняется с помощью шприцевого насоса пробой. На второй стадии зоны раствора реагента всасываются через многоходовой кран в удерживающую петлю. Наконец, на третьей стадии поток пробы с зонами реагента направляется через реакционную спираль в проточный детектор. Регистрируемые детектором пики формируются при прохождении через него зон реагента с продиффундировавшими в них из потока пробы аналитами.
Данный способ позволяет минимизировать расход реагента и унифицировать узлы гидравлических схем при различных методиках анализа.
Недостатками способа-прототипа являются невозможность включать операции предварительного экстракционного или сорбционного концентрирования, кроме этого, данный способ ограничен по эффективности проникновения аналита в зону раствора реагента площадью сечения канала реакционной петли, т.е. не позволяет достигнуть максимальной величины аналитического сигнала, которая бы достигалась при полном смешении пробы и раствора реагента.
Наиболее близким к предлагаемому устройству и выбранным в качестве прототипа является сетевое устройство для проточного анализа [3], содержащее, по крайней мере, один многоходовой клапан-распределитель, имеющий множество входов, каждый из которых приспособлен, чтобы пропускать выбранную жидкость, содержащее приспособление для создания последовательности жидкостей, которое связано с вышеупомянутым клапаном, смешивающее приспособление, по крайней мере, одну жидкостную линию, насосное приспособление, детектор.
Недостатком устройства-прототипа является недостаточная точность и воспроизводимость результатов анализа.
Задачей изобретений является повышение точности и достоверности анализа.
Предлагаемый способ последовательного инжекционного анализа включает подачу жидкой пробы и растворов реагентов в реакционную емкость с помощью реверсного насоса, соединенного с многоходовым краном, подачу жидкой пробы и растворов реагентов в реакционную емкость по гидравлической линии, созданной каналом многоходового крана и детектором, после подачи пробы и растворов реагентов в реакционную емкость через реакционную емкость с помощью одного из каналов многоходового крана прокачивают поток атмосферного воздуха или газа, инертного по отношению к пробе и реагентам, далее осуществляют пропускание пробы с реагентами через детектор, который производит измерения.
Устройство для осуществления последовательного инжекционного анализа содержит, по меньшей мере, один многоходовой кран, один из каналов которого через реверсный насос и детектор соединен с реакционной емкостью, другой канал многоходового крана является каналом для подачи жидкой пробы, еще один канал многоходового крана является каналом для слива, еще один канал многоходового крана является каналом для подачи воздуха или газа, инертного по отношению к пробе и реагентам, остальные каналы многоходового крана являются каналами для подачи реагентов, при этом многоходовой кран выполнен с возможностью соединения канала, который соединен с реакционной емкостью, с любым из оставшихся каналов, а реакционная емкость соединена с каналом своей нижней частью.
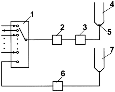
Сущность изобретений поясняется чертежом, на котором обозначены:
1 – многоходовой кран;
2 – реверсный насос;
3 – детектор;
4 – реакционная емкость;
5 – диспергатор;
6 – вспомогательное устройство пробоподготовки;
7 – вспомогательная емкость.
В способе последовательного инжекционного анализа также могут перед измерениями в детекторе дополнительно осуществлять подачу пробы с реагентами из реакционной емкости через многоходовой кран и вспомогательное устройство пробоподготовки во вспомогательную емкость, после чего подают пробу с реагентами обратно в реакционную емкость.
Один из каналов многоходового крана 1 через вспомогательное устройство 6 пробоподготовки может быть соединен с вспомогательной емкостью 7.
В нижней части реакционной емкости 4 может быть установлен диспергатор 5, в качестве которого может использоваться, например, фильтр Шотта.
В качестве реверсного насоса 2 может использоваться перистальтический насос. Насос 2 также может быть выполнен в виде шприцевого насоса с системой клапанов.
В качестве вспомогательного устройства 6 пробоподготовки могут использоваться, например, сорбционная колонка, экстракционная колонка или кадмиевый редуктор.
Многоходовой кран 1 выполнен с возможностью задания его состояния при помощи дискретных или кодовых сигналов, поступающих от электронно-вычислительной машины (ЭВМ), микроконтроллера или микропроцессора. Реверсный насос 2 выполнен с возможностью задания направления, производительности и времени работы также при помощи дискретных или кодовых сигналов, поступающих от ЭВМ, микроконтроллера или микропроцессора.
Детектор 3 выполнен с возможностью выдачи данных измерений по аналоговым или дискретным (кодовым) каналам в устройство обработки информации, в качестве которого может использоваться та же ЭВМ (микропроцессор, микроконтроллер), которая используется для управления многоходовым краном 1 и реверсным насосом 2 либо другая ЭВМ (микропроцессор, микроконтроллер). Детектор 3 также может быть выполнен с возможностью задания режимов измерений при помощи дискретных или кодовых сигналов. Детектор 3 может являться проточным детектором, заполняемым детектором, а также может быть совмещенным с реакционной емкостью 4.
В качестве детектора 3 может использоваться колориметр, флуориметрический детектор, фотометрический детектор, ионометрическая ячейка.
Способ осуществляется следующим образом. Через многоходовой кран 1 в реакционную емкость 4 при помощи реверсного насоса 2 подают последовательно пробу и один или несколько реагентов. Для этого многоходовой кран последовательно производит соединение гидравлической линии, образованной каналом многоходового крана 1 и детектором 3, со своими входами, по одному из которых подается проба (раствор пробы), а по другим – реагенты (растворы реагентов). Для обеспечения перемешивания пробы и реагентов, а также для обеспечения протекания реакции один из каналов многоходового крана 1 соединен с атмосферой или с резервуаром с газом, который является инертным по отношению к пробе, реагентам и также к продуктам реакции пробы с реагентами. Многоходовой кран 1 переводят в состояние, когда гидравлическая линия, образованная каналом многоходового крана 1 и детектором 3, соединена с этим каналом, и воздух или инертный газ прокачивается через реакционную емкость 4. По окончании реакций в реакционной емкости 4 реверсный насос 2 включают в обратном направлении и продукты реакции из емкости 4 через детектор 3 поступают на слив. Для этого один из каналов многоходового крана 1 используется как сливной и соединен с емкостью для отходов (на чертеже не показана). Детектор 3 производит измерения (регистрирует аналитический сигнал), на основании данных которых производится вычисление результата, например при помощи устройства обработки информации, выполненного в виде ЭВМ. В случае необходимости длительных измерений (например, при исследовании кинетики реакций) возможна остановка насоса 2 на время проведения измерений.
В случае необходимости дополнительной пробоподготовки, например сорбционного концентрирования, экстракции или стабилизации химической формы анализируемого вещества, перед измерениями в детекторе 3 дополнительно перекачивают содержимое реакционной емкости 4 через многоходовой кран 1 во вспомогательную емкость 7. При этом вещество проходит через вспомогательное устройство 6 пробоподготовки, после чего возвращается в реакционную емкость 4.
При необходимости проведения процедур десорбции и реэкстракции содержимое реакционной емкости 4 подается на слив. Далее через соответствующий канал многоходового крана 1 в реакционную емкость подается необходимый реагент (например, десорбент), после чего повторяется процедура перекачки содержимого реакционной емкости 4 во вспомогательную емкость 7 через вспомогательное устройство 6 пробоподготовки и обратно в реакционную емкость 4.
Пример использования способа для определения фосфат-ионов.
При определении фосфат-ионов в реакционную емкость 4 по одному из каналов многоходового крана 1 (например, по четвертому) подают реагент, полученный путем смешиванием растворов серной кислоты, раствора аммония молибденовокислого, раствора калия сурьмяновиннокислого и дистиллированной воды. Далее через другой канал многоходового крана 1 (например, через второй) в реакционную емкость 4 подают пробу. Далее через еще один канал многоходового крана 1 (например, через третий) в реакционную емкость 4 подают раствор аскорбиновой кислоты. После чего через реакционную емкость 4 пропускают поток воздуха (например, через пятый канал многоходового крана 1). После перемешивания содержимого реакционной емкости 4 при помощи потока воздуха и окончания реакций производят реверс насоса 2 и подают содержимое реакционной емкости 4 на слив (через соответствующий канал многоходового крана 1, например через шестой). При этом детектор 3 измеряет интенсивность светового потока. В данном случае в качестве детектора 3 используется фотометрический детектор с рабочей длинной волны 650 нм. В реакционной емкости 4 в результате реакции фосфат-ионов, содержащихся в пробе с раствором аммония молибеновокислого и с раствором калия сурьмяновиннокислого образуется калий сурьмяновиннокислый молибденофосфорной гетерополикислоты (желтой формы), который при восстановлении аскорбиновой кислотой образует молибденофосфатный комплекс (синяя форма), который и является фотометрируемым веществом.
Для увеличения точности измерений дополнительно проводят измерения без раствора реагента. Для этого в реакционную емкость 4 последовательно подают дистиллированную воду (например, через первый канал многоходового крана 1), пробу и раствор аскорбиновой кислоты. Затем осуществляют перемешивание содержимого реакционной емкости 4 при помощи воздуха. При этом реакция не осуществляется и молибденофосфатный комплекс (синяя форма) не образуется. Затем величина аналитического сигнала, полученная при измерении без использования раствора реагента, вычитается из величины, полученной при измерении с использованием раствора реагента. Полученный результат пропорционален содержанию фосфат-ионов в анализируемой пробе.
Пример использования способа для определения фторид-ионов.
При определении фторид-ионов в реакционную емкость 4 по одному из каналов многоходового крана 1 (например, по второму) подают корректирующий реагент, в качестве которого используется ацетатно-хлоридный буферный раствор с добавкой сульфосалицилат-ионов. Далее через другой канал многоходового крана 1 (например, через первый) в реакционную емкость 4 подают пробу. После чего через реакционную емкость 4 пропускают поток воздуха (например, через четвертый канал многоходового крана 1). После перемешивания содержимого реакционной емкости 4 при помощи потока воздуха и окончания реакций производят реверс насоса 2 и подают содержимое реакционной емкости 4 на слив (через соответствующий канал многоходового крана 1, например через пятый). В данном случае в качестве детектора 3 используется фторид-селективный электрод, при помощи которого производится измерение э.д.с. ионометрической ячейки. На основании полученного значения э.д.с. производится вычисление результата (концентрации фторид-ионов). Раствор с сульфосалицилат-ионами используется для маскировки мешающего действия катионов, образующих с фторид-ионами комплексные соединения. Сульфосалицилат-ионы образуют с указанными катионами более устойчивые комплексы, чем фторид-ионы.
Для повышения точности измерений дополнительно могут производить измерение для раствора с известной концентрацией фторид-ионов, например с концентрацией 0.20 мг/дм3. Этот раствор подается в реакционную емкость 4 вместо пробы по соответствующему каналу многоходового крана 1 (например, по третьему). Остальные действия при этом производятся аналогично действиям, производимым при измерениях с пробой. Полученные данные учитываются при вычислении результата.
Пример использования способа для определения нитрат-ионов.
При определении нитрат-ионов в реакционную емкость 4 по одному из каналов многоходового крана 1 (например, по первому) подают пробу. Далее через другой канал многоходового крана 1 (например, через второй) подают реагент №1, в качестве которого используют раствор, содержащий хлорид аммония, буру, сульфат меди и трилон Б. После этого через реакционную емкость 4 пропускают поток воздуха (например, через пятый канал многоходового крана 1). После перемешивания содержимого реакционной емкости 4 при помощи потока воздуха и окончания реакций производят реверс насоса 2 и подают содержимое реакционной емкости 4 через вспомогательное устройство 6 пробоподготовки во вспомогательную емкость 7 (например, через седьмой канал многоходового крана 1). В качестве вспомогательного устройства 6 пробоподготовки используется кадмиевый редуктор, в котором нитрат-ионы восстанавливаются до нитрит-ионов. Далее вновь производят реверс насоса 2 и содержимое вспомогательной емкости 7 перекачивают в реакционную емкость 4. После этого в реакционную емкость подают реагент №2 (например, через третий канал многоходового крана 1), в качестве которого используется сульфаниловая кислота. Далее вновь осуществляют перемешивание содержимого реакционной емкости 4 и после окончания реакции осуществляют реверс насоса 2. При этом многоходовой кран 1 переводят в состояние, когда к реакционной емкости 4 подключен сливной канал, соединенный через вспомогательное устройство 6 пробоподготовки со вспомогательной емкостью 7 (например, седьмой). После того как содержимое реакционной емкости 4 заполнит детектор 3, производят остановку насоса. В качестве детектора 3 в данном случае используется фотометрический детектор с рабочей длинной волны 520 нм. Детектором 3 производится измерение фонового сигнала. Далее вновь производят реверс насоса 2, перемещая содержимое вспомогательной емкости 7 вновь в реакционную емкость 4.
После чего в реакционную емкость 4 подают реагент №3 (например, через четвертый канал многоходового крана 1), в качестве которого используется 1-нафтиламин. Далее вновь осуществляют перемешивание содержимого реакционной емкости 4 и после окончания реакции осуществляют реверс насоса 2. Содержимое реакционной емкости 4 поступает на слив через детектор 3, который производит измерения. Из результатов этих измерений вычитают результаты измерений фонового сигнала, полученные на предыдущем этапе. Полученная величина является пропорциональной содержанию нитрат-ионов в пробе.
Таким образом, в результате использования изобретений достигается технический результат, заключающийся в повышении точности и достоверности анализа жидких сред.
Представленные чертежи и описания изобретений позволяют осуществить способ и изготовить устройство для его осуществления и использовать изобретения для автоматизированного проведения химических анализов жидких сред.
Источники информации
1. Ruzicka J., Hansen E.H./ Anal.Chim. Acta 1975, 78, №1 p.145.
2. Патент США 5849592, МПК G 01 N 1/00, опубл. 15.12.1998.
3. Патент США 5695720, МПК G 01 N 1/00, опубл. 09.12.1997.
Формула изобретения
1. Способ последовательного инжекционного анализа, включающий подачу жидкой пробы и растворов реагентов в реакционную емкость с помощью реверсного насоса, соединенного с многоходовым краном, подачу жидкой пробы и растворов реагентов в реакционную емкость по гидравлической линии, созданной каналом многоходового крана и детектором, после подачи пробы и растворов реагентов в реакционную емкость через реакционную емкость с помощью одного из каналов многоходового крана прокачивают поток атмосферного воздуха или газа, инертного по отношению к пробе и реагентам, далее осуществляют пропускание пробы с реагентами через детектор, который производит измерения и регистрирует аналитический сигнал, позволяющий произвести вычисления содержания определяемого компонента в анализируемой жидкой пробе.
2. Способ по п.1, отличающийся тем, что перед измерениями в детекторе дополнительно осуществляют подачу пробы с реагентами из реакционной емкости через многоходовой кран и вспомогательное устройство пробоподготовки во вспомогательную емкость, после чего подают пробу с реагентами обратно в реакционную емкость.
3. Устройство для осуществления последовательного инжекционного анализа, содержащее, по меньшей мере, один многоходовой кран, один из каналов которого через реверсный насос и детектор соединен с реакционной емкостью, другой канал многоходового крана является каналом для подачи жидкой пробы, еще один канал многоходового крана является каналом для слива, еще один канал многоходового крана является каналом для подачи воздуха или газа, инертного по отношению к пробе и реагентам, остальные каналы многоходового крана являются каналами для подачи реагентов, при этом многоходовой кран выполнен с возможностью соединения канала, который соединен с реакционной емкостью, с любым из оставшихся каналов, а реакционная емкость соединена с каналом своей нижней частью.
4. Устройство по п.3, отличающееся тем, что один из каналов многоходового крана через вспомогательное устройство пробоподготовки соединен с вспомогательной емкостью.
5. Устройство по п.3, отличающееся тем, что в нижней части реакционной емкости установлен диспергатор.
6. Устройство по п.4, отличающееся тем, что в качестве вспомогательного устройства пробоподготовки используется сорбционная колонка.
7. Устройство по п.4, отличающееся тем, что в качестве вспомогательного устройства пробоподготовки используется экстракционная колонка.
8. Устройство по п.4, отличающееся тем, что в качестве вспомогательного устройства пробоподготовки используется кадмиевый редуктор.
9. Устройство по п.3, отличающееся тем, что в качестве детектора используется колориметр.
10. Устройство по п.3, отличающееся тем, что в качестве детектора используется флуориметрический детектор.
11. Устройство по п.3, отличающееся тем, что в качестве детектора используется фотометрический детектор.
12. Устройство по п.3, отличающееся тем, что в качестве детектора используется ионометрическая ячейка.
РИСУНКИ
|
|