|
|
(21), (22) Заявка: 2004107732/06, 15.03.2004
(24) Дата начала отсчета срока действия патента:
15.03.2004
(43) Дата публикации заявки: 27.09.2005
(46) Опубликовано: 10.10.2006
(56) Список документов, цитированных в отчете о поиске:
RU 2208176 С2, 10.07.2003. RU 2105179 С1, 20.02.1998. RU 2132476 C1, 27.06.1999. US 4357800 A, 09.11.1982. US 4206604 A, 10.06.1980.
Адрес для переписки:
443106, г.Самара, ул. Стара Загора, 267А, кв.64, О.А. Айзуппе
|
(72) Автор(ы):
Айзуппе Олег Аполлосович (RU)
(73) Патентообладатель(и):
Айзуппе Олег Аполлосович (RU)
|
(54) ДВИГАТЕЛЬ ВНЕШНЕГО СГОРАНИЯ
(57) Реферат:
Двигатель содержит статор с внутренней цилиндрической поверхностью, герметично закрытый с торцов и имеющий отверстия, ротор, имеющий профилированную цилиндрическую поверхность с кулачковыми выступами, контактирующими с внутренней цилиндрической поверхностью статора, внутри которого установлены с возможностью перемещения и контакта с профилированной поверхностью ротора перегородки, герметичные камеры переменного объема, образованные внутренней поверхностью статора, ротором и перегородками, подогреватель, соединенный с отверстиями в статоре. Впускное и выпускное отверстия в статоре расположены по обе стороны одной перегородки. На роторе выполнены каналы с возможностью взаимодействия с внутренней поверхностью статора и камерами. Отверстия статора соединены с подогревателем каналами, имеющими возможность взаимодействовать с ротором и его каналами. Статор снабжен кожухом, образующим в части двигателя объем, являющийся нагревательным устройством, а подогреватель установлен внутри последнего. Впускное и выпускное отверстия статора соединены друг с другом, и в конструкцию соединения вмонтированы теплообменники. Технический результат: увеличение надежности и повышение кпд. 4 з.п. ф-лы, 6 ил.
Предлагаемое устройство относится к двигателестроению, а именно к двигателям внешнего сгорания.
Известен двигатель внешнего сгорания, Стирлинга двигатель (Большой энциклопедический словарь политехнический, М.: «Большая Российская энциклопедия», 2000, стр.505, 506), содержащий корпус, цилиндр с двумя поршнями: поршнем-вытеснителем и рабочим поршнем, кривошипно-ползунный механизм, нагреватель, регенератор, две полости: горячая и холодная. К горячей полости теплота подводится от нагревателя, от холодной отводится охладителем, в котором циркулирует вода.
Двигатель внешнего сгорания обладает определенными преимуществами перед двигателем внутреннего сгорания, так как позволяет использовать любое топливо для его работы: твердое, жидкое, газообразное, а также тепло ядерного реактора или солнечную энергию, имеет более чистый выхлоп и работает менее шумно.
Однако существующие образцы конструкции двигателей внешнего сгорания являются более сложными по конструкции и более тяжелыми, чем двигатели внутреннего сгорания.
Известен роторный двигатель внешнего сгорания (роторный двигатель Стирлинга) (Патент Российской Федерации №2208176, МПК F 02 G 1/04, 10.07.2001, опубликован 2003 г.), содержащий статор с внутренней цилиндрической поверхностью, герметично закрытый с торцов и имеющий отверстия в статоре, герметичные камеры переменного объема, образуемые внутренней поверхностью статора и ротором, подогреватель, соединенный с отверстиями, холодильник, причем ротор имеет профилированную цилиндрическую поверхность с кулачковыми выступами, которые контактируют с внутренней цилиндрической поверхностью статора, внутри статора установлены перегородки с возможностью перемещения и контакта с профилированной поверхностью ротора, а в образовании камер принимают участие также и упомянутые перегородки.
Указанный двигатель является более компактным, так как в нем движущей рабочей частью является ротор. Однако наличие в нем дополнительных механизмов (клапанов, газового баллона, компрессора, многочисленных трубопроводов-каналов) данную конструкцию двигателя делает достаточно сложной.
Указанные недостатки отсутствуют в предлагаемой схеме двигателя внешнего сгорания. Технический результат, на достижение которого направлено изобретение, заключается в максимальном упрощении конструкции, повышении надежности и увеличении кпд.
Результат достигается тем, что в двигателе, содержащем статор с внутренней цилиндрической поверхностью, герметично закрытый с торцов и имеющий отверстия в статоре, герметичные камеры переменного объема, образуемые внутренней поверхностью статора и ротором, подогреватель, соединенный с отверстиями, холодильник, причем ротор имеет профилированную цилиндрическую поверхность с кулачковыми выступами, которые контактируют с внутренней цилиндрической поверхностью статора, внутри статора установлены перегородки с возможностью перемещения и контакта с профилированной поверхностью ротора, а в образовании камер принимают участие также и упомянутые перегородки. В отличие от прототипа впускное и выпускное отверстия в статоре расположены по обе стороны одной перегородки, на роторе выполнены каналы с возможностью взаимодействия с внутренней поверхностью статора и камерами, а отверстия статора соединены с подогревателем каналами, имеющими возможность взаимодействовать с ротором и его каналами.
В качестве нагревающего элемента подогревателя может быть использовано тепло любого топлива (газообразное, жидкое, твердое, ядерное и т.п.). Также могут быть использованы, например, солнечное тепло, геотермальные воды и т.п.
В предлагаемом двигателе для повышения коэффициента полезного действия максимально используемой тепловой энергии топлива статор снаружи снабжен кожухом, образующим в части двигателя объем, являющийся нагревательным устройством, а подогреватель установлен внутри последнего.
Также для повышения коэффициента полезного действия двигателя в нагревательном устройстве установлен теплообменник, использующий остаточное тепло продуктов сгорания для предварительного подогрева воздуха, поступающего для горения топлива.
Для повышения кпд двигателя выпускное и впускное отверстия статора соединены между собой и образуют общий замкнутый внутренний объем двигателя, в который под давлением закачан газ, имеющий наибольший коэффициент удельной теплоемкости, например водород или гелий, а на выходе из выпускного отверстия установлен теплообменник, где выходящий нагретый газ отдает тепло воздуху, поступающему в нагревательное устройство, а для дальнейшего, более глубокого охлаждения газа последовательно установлен второй теплообменник, являющийся холодильником, омываемый охладителем (например, водой).
Также для повышения кпд и использования тепла конструкции двигателя наружные стенки статора, камеры рабочего хода и камеры вытеснения выполнены в виде теплообменника, например с ребрами, которые также отдают тепло двигателя свежему воздуху, поступающему в нагревательное устройство.
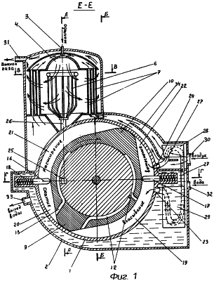
Конструктивная схема предлагаемого двигателя с учетом устройств зависимых пунктов формулы изобретения иллюстрируется чертежами.
На фиг.1 изображен общий вид двигателя с разрезом по Е-Е фиг.2.
На фиг.2 изображен разрез по А-А фиг.1.
На фиг.3 изображен разрез по Б-Б фиг.1.
На фиг.4 изображен разрез по В-В фиг.1.
На фиг.5 изображен разрез по Г-Г фиг.1.
На фиг.6 изображен разрез по Д-Д фиг.3.
Предлагаемый двигатель включает в себя статор 1, который снаружи окружен кожухом 2. В верхней части двигателя кожух 2 образует объем, являющийся нагревательным устройством, в который включаются форсунка 3 для подачи и распыления топлива, камера сгорания 4. Внутри нагревательного устройства установлены два подогревателя 5 и 6 и теплообменник 7. Внутри статора 1 помещен ротор 8, выполненный с цилиндрической профилированной поверхностью и, например, с двумя кулачковыми выступами 9 и 10, которые имеют возможность скользить (контактировать) по внутренней цилиндрической поверхности статора 1, образуя герметичное подвижное соединение. Ротор 8 по торцам оборудован двумя круглыми боковыми щечками 11 и кольцевыми проточками, на которых выполнены каналы 12, 13, 14, 15. Радиально к цилиндрической поверхности статора 1, на противоположных сторонах, установлены две подвижные перегородки 16 и 17, которые постоянно поджаты к цилиндрической поверхности ротора 8 с помощью пружин 18 и образуют с поверхностью ротора 8 (цилиндрической профилированной поверхностью с кулачковыми выступами 9, 10 и боковыми щечками 11) подвижное герметичное соединение. Торцевые поверхности ротора 8 и торцевые поверхности статора 1, а также цилиндрические поверхности кольцевых проточек ротора 8 с расположенными на них каналами 12, 13, 14, 15 и контактирующая с ней часть статора 1 образуют подвижные герметичные соединения. Кулачковые выступы 9 и 10 ротора 8 и подвижные перегородки 16 и 17 отсекают свободные объемы – переменные объемы камер 19, 20, 21 и 22. По обе стороны от подвижной перегородки 16, вблизи ее, в статоре 1, выполнены два отверстия: 23 – впускное и 24 – выпускное, соединенные между собой трубопроводом 27. Трубопровод 27 последовательно соединяет выпускное отверстие 24 – теплообменник 28 – теплообменник 29 – впускное отверстие 23. В статоре 1 также выполнены отверстия-каналы 25 и 26, соединенные с подогревателями 5 и 6 (в данном случае понятие – «отверстие» применяется в смысле «проход куда-нибудь» см. С.И.Ожегов, Словарь русского языка, М.: «Русский язык», 1986, а слово-дополнение «канал» дается как поясняющее).
Нижняя и верхняя части кожуха 2 разделены перегородкой. В средней части кожуха 2 имеется отверстие 30 (для впуска наружного воздуха), а в верхней части кожуха 2 – отверстие выхлопа 31 для выпуска продуктов сгорания. В полости, образованной частью кожуха 2 и верхней частью статора 1, установлен разделительный щиток 34. В нижней части кожуха имеется отверстие 32 для впуска охладителя (например, воды) и отверстие 33 для его выпуска.
Функционально вся конструкция двигателя делится на 3 контура:
1) Контур нагревания, который состоит из:
– нагревательного устройства, образуемого верней частью кожуха 2 и включающего в себя камеру сгорания 4, топливную форсунку 3;
– теплообменника 28 (использующего тепло вытесняемого из камеры 22 отработанного горячего рабочего газа), где поступающий в двигатель (для камеры сгорания 4) наружный воздух предварительно нагревается;
– теплообменника, выполненного из части конструкции статора 1, примыкающей к камерам 21 и 22 (выполненный в виде ребер охлаждения, которые омывает поступающий наружный воздух для камеры сгорания 4 и предварительно нагревают его);
– теплообменника 7, использующего остатки тепла продуктов сгорания и подогревающего поступающий в камеру сгорания воздух (предварительно нагретого после теплообменника 28 и после теплообмена с наружной частью камер 21 и 22);
– части кожуха 2 (с двойной стенкой), окружающего камеру сгорания 4 и используемого для дальнейшего подогрева поступающего в камеру сгорания воздуха;
– отверстия 30 в кожухе 2 для впуска наружного воздуха в двигатель (в подкожуховое пространство), в контур сгорания;
– отверстия выхлопа 31 в кожухе 2, через которое выходят наружу продукты сгорания.
2) Замкнутый рабочий контур, в который под давлением закачан рабочий газ, например водород или гелий. Рабочий контур состоит из:
– камеры 19 (камеры всасывания);
– камеры 20 (камеры сжатия);
– подогревателей 5 и 6;
– отверстий-каналов 25 и 26 статора 1;
– каналов 12, 13, 14, 15 ротора 8;
– камеры 21 (камеры расширения – камеры рабочего хода);
– камеры 22 (камеры вытеснения);
– трубопровода 27, соединяющего отверстия 24 и 23;
– теплообменника 28;
– теплообменника 29.
3) Контур охлаждения – холодильник, который состоит из:
– части кожуха 2, окружающего камеры 19 и 20;
– теплообменника 29, где рабочий газ окончательно охлаждается после теплообменника 28 перед поступлением в впускное отверстие 23;
– отверстия 32 для подачи охладителя;
– отверстия 33 для выхода охладителя.
В теплообменнике 29 охлаждение рабочего газа и охлаждение части статора 1, примыкающего к камерам 19 и 20, осуществляется охлаждающей жидкостью, например водой.
Работа двигателя, заявленная независимым пунктом формулы изобретения, осуществляется следующим образом.
В данном исполнении присутствуют только следующие элементы конструкции двигателя:
– статор 1,
– два подогревателя 5 и 6,
– ротор 8 с кулачковыми выступами 9, 10 и с боковыми щечками 11, и каналами 12, 13, 14, 15,
– перегородки 16 и 17, поджимаемые пружинами 18,
– камеры 19, 20, 21, 22,
– в статоре: впускное отверстие 23, выпускное отверстие 24 и отверстия-каналы 25 и 26 (отверстия 23 и 24 не связаны между собой),
– в качестве холодильника используется наружная поверхность статора, которая для усиления эффекта охлаждения может быть снабжена ребрами.
В данном исполнении работа двигателя происходит следующим образом.
Нагревание подогревателей 5 и 6 осуществляется от любого источника тепла, в том числе и не связанного с двигателем. Например, от открытого пламени, любого топлива – газообразного, жидкого, твердого в том числе и от элементарного костра (при использовании двигателя в походных условиях, например, при использовании его в связке с электрогенератором). Может использоваться тепло от ядерного источника, геотермальных вод, а также от Солнца и т.д.
Охлаждение осуществляется холодильником, роль которого исполняет наружная стенка статора 1, которая может быть снабжена ребрами. Охлаждение осуществляется за счет отвода тепла в окружающую среду. Тепло может отводиться воздухом (в том числе набегающим потоком, как например на мотоцикле, или вентилятором, который может и не являться принадлежностью двигателя), водой (от водопровода, ручья или реки, или любого водоема). При использовании двигателя в космосе отвод тепла может осуществляться за счет системы терморегулирования космического аппарата (как и любого другого прибора космического аппарата) или просто за счет излучения тепла с поверхности статора 1 в космическое пространство, как, например, происходит сброс тепла с радиатора системы терморегулирования космического аппарата.
Исходное положение ротора 8 может быть любым. Для примера: кулачковый выступ 9 ротора 8 находится по часовой стрелке от подвижной перегородки 17. Вращение ротора 8 происходит по часовой стрелке, как показано стрелкой на фиг.1 и фиг.6. Поскольку кулачковые выступы 9 и 10 ротора 8 и каналы 12 и 13, 14 и 15 расположены симметрично друг от друга, то такты работы двигателя для каждого из подогревателей 5 и 6 также симметричны. В момент времени, возникающий при вращении ротора 8, когда его кулачковые выступы 9 и 10 отжимают подвижные перегородки 16 и 17, утапливая их внутрь статора 1, – это точки «мертвой зоны». Рассмотрим такты работы для каждой камеры двигателя.
Начало работы двигателя осуществляется нагревом подогревателей 5 и 6 и возможно принудительным поворотом ротора 8 на 0,5-2,0 оборота.
1 такт (фиг.1, 6). Впуск (для камеры 19). При вращении ротора 8 в переменном (увеличивающемся) объеме камеры 19, образуемом подвижной перегородкой 17 и кулачковым выступом 9 ротора 8, возникает разрежение и из отверстия 23 в камеру 19 поступает наружный воздух. Поскольку каналы 12 (фиг.1) свободно соединены только с камерой 19, то они также заполняются наружным воздухом. Канал 15 (фиг.6), в этот момент, не соединен с камерой 19 (соединен с камерой 22).
Когда камеру 19 образуют кулачковый выступ 10 и перегородка 17 (канал 15 соединен с камерой 19, канал 12 – нет), процесс происходит аналогично описанному выше (канал 12 соединен с камерой 22).
2 такт (фиг.1, 3, 5, 6). Сжатие (для камеры 20). Ранее поступивший наружный воздух в камеру 19 был отсечен при вращении ротора 8 кулачковым выступом 9 от впускного отверстия 23 и оказался заперт в камере 20, ограниченной выступом 9 и перегородкой 16 – это камера (уменьшаемого объема) 20. Камера 20 соединена с каналом 13 (фиг.1), который взаимодействует с отверстием-каналом 25 подогревателя 5, куда и поступает сжимаемый воздух. В конце такта кулачковый выступ 9 ротора 2 подходит к подвижной перегородке 16, полностью вытесняя сжатый в камере 20 воздух в канал 13, и далее через отверстие-канал 25 в подогреватель 5 (фиг.1, 2, 5). При дальнейшем повороте ротора 8 отверстие-канал 25 закрывается частью ротора 8 и, таким образом, сжатый воздух оказывается заперт в подогревателе 5. Находящийся в подогревателе 5 сжатый воздух нагревается воздействующим на подогреватель теплом от любого источника. Каналы 14 не соединены, в этот момент, с камерой 20 и не взаимодействуют с ней (каналы 14 в этот момент соединены с камерой 21, но это рассматривается в 3 такте).
Если, при вращении ротора 8, камера 20 образуется кулачковым выступом 10 и подвижной перегородкой 16, то камера 20 оказывается соединена с каналом 14, который взаимодействует с отверстием-каналом 26 подогревателя 6, куда в свою очередь и поступает сжимающийся воздух, где он нагревается. То есть процесс происходит аналогично, как и с подогревателем 5.
3 такт (фиг.1, 2, 3, 5, 6). Рабочий ход (расширение) (для камеры 21). При дальнейшем движении ротора 8 его кулачковый выступ 10 или 9 пересекает подвижную перегородку 16 и образует новый переменный расширяющийся объем между подвижной перегородкой 16 и кулачковым выступом 10 или 9 ротора 8. Это камера 21. На фиг.1, 6 показана камера 21, когда она образована кулачковым выступом 10 и перегородкой 16. В этом положении (см. фиг.6, 5) канал 14 соединился с отверстием-каналом 26, который постоянно соединен с подогревателем 6 и где до этого находился под давлением нагретый воздух. В момент соединения канала 14 с отверстием-каналом 26 горячий и находящийся под давлением воздух из подогревателя 6 выпускается в камеру 21 и давит на кулачковый выступ 10 ротора 8, заставляя его поворачиваться и совершать рабочий ход.
Если, при вращении ротора 8, камера 21 образуется кулачковым выступом 9 и перегородкой 16 (при нахождении выступа 9 в верхней части двигателя), то камера 21 оказывается соединена каналом 12 с отверстием-каналом 25 и, соответственно, с подогревателем 5 и процесс происходит аналогично описанному выше.
4 такт (фиг.1, 2, 3). Выпуск отработанного воздуха (для камеры 22). Когда объем с расширяющим воздухом (при дальнейшем вращении ротора 8) соединяется с выпускным отверстием 24, в этот момент образуется камера 22. То есть камера 22 – это переменный (уменьшаемый) объем, образованный кулачковым выступом 9 (или 10) в верхней части двигателя и подвижной перегородкой 17. Как показано на фиг.1, 6, кулачковый выступ 10 ротора 8, перемещаясь, уменьшает объем камеры 22, вытесняя отработанный воздух через выпускное отверстие 24 наружу в атмосферу. В конце такта кулачковый выступ 10 ротора 8 пересекает подвижную перегородку 17, образуя новый переменный расширяющийся объем (камеру 19), куда через открытое впускное отверстие 23 засасывается новая порция наружного воздуха, и цикл повторяется.
Для камеры 22, образованной кулачковым выступом 9 и перегородкой 17 (при нахождении выступа 9 в верхней части двигателя), процесс происходит аналогично описанному.
Таким образом, видно, что (фиг.1, 6) в нижней части двигателя располагаются переменного объема камеры 19 и 20, где камера 19 – расширяющегося объема, и в ней происходит всасывание свежей порции наружного воздуха через открытое отверстие 23, а камера 20 – уменьшающего объема, и в ней происходит сжатие поступившего воздуха из камеры 19. То есть камера 19 – камера всасывания, а камера 20 – камера сжатия.
В верхней части двигателя (фиг.1, 6) располагаются переменного объема камеры 21 и 22. Камера 21 – расширяющегося объема, и в ней происходит расширение горячего под давлением воздуха, поступившего из подогревателя 5 или 6, и давление его на кулачковый выступ 9 или 10 и, соответственно, осуществление рабочего хода, то есть камера 21 – это камера рабочего хода. Когда камера соединяется с выпускным отверстием 24, то данная камера становится камерой уменьшаемого объема, то есть камерой 22. Камера 22 – камера выпуска отработанного воздуха.
Если заявляемый двигатель оснащен устройствами, описанными во всей формуле изобретения (т.е. с учетом зависимых пунктов), его работа описывается ниже.
Работа двигателя в исполнении всей формулы изобретения.
1) Работа контура нагревания
Наружный воздух для камеры сгорания 4 поступает через отверстие 30 в кожухе 2 в полость верхней части двигателя, образованной наружной поверхностью статора 1 и кожухом 2. Здесь поток воздуха разделяется на два: одна часть проходит через теплообменник 28, где нагревается за счет горячего газа, вытесненного из камеры 22 через трубопровод 27; другая часть потока наружного воздуха проходит через полость, образованную ребристой наружной частью конструкции статора 1, примыкающей к камерам 21 и 22, и направляющим щитком 34, где за счет теплообмена с горячей ребристой поверхностью статора 1 также нагревается. При дальнейшем движении к камере сгорания 4 оба предварительно нагретых воздушных потока смешиваются и поступают в теплообменник 7, где за счет высокой остаточной температуры продуктов горения воздух продолжает нагреваться. Далее воздух, омывая наружные горячие стенки камеры сгорания 4 и еще более нагреваясь, подходит к топливной форсунке 3 и вместе с распыленным форсункой 3 топливом поступает в камеру сгорания 4, где происходит процесс горения. Факел пламени омывает и нагревает подогреватели 5 и 6 и далее (как было указано выше) трубки теплообменника 7, а затем, уже потеряв значительную часть тепла, через отверстие 31 покидает полость двигателя.
Таким образом, отработанное тепло двигателя (тепло статора 1, остаточное тепло газа, вытесняемого из камеры 21, остаточное тепло продуктов сгорания топлива) используется для предварительного нагрева поступающего наружного воздуха, что повышает кпд двигателя.
2) Работа рабочего контура
Впускное и выпускное отверстия 23 и 24 соединены трубопроводом 27, и в рабочий контур закачен под давлением газ, например водород или гелий.
Исходное положение ротора 8 может быть любым, например, как описано при работе двигателя в исполнении независимой формулы изобретения, т.е. кулачковый выступ 9 ротора 8 находится по часовой стрелке от подвижной перегородки 17. Рассмотрим такты работы для каждой камеры двигателя.
1 такт (фиг.1, 6). Впуск (для камеры 19). При вращении ротора 8 в переменном (увеличивающемся) объеме камеры 19, образуемом подвижной перегородкой 17 и кулачковым выступом 9 ротора 8, возникает разрежение и прошедший через теплообменник 29 по соединительному трубопроводу 27 через отверстие 23 в камеру 19 поступает охлажденный газ. Поскольку каналы 12 (фиг.1) свободно соединены только с камерой 19, то они также заполняются охлажденным газом. Канал 15 (фиг.6), в этот момент, не соединен с камерой 19.
Когда камеру 19 образуют кулачковый выступ 10 и перегородка 17, процесс происходит аналогично описанному выше (канал 15 соединен с камерой 19, канал 12 – нет).
2 такт (фиг.1, 3, 5, 6). Сжатие (для камеры 20). 3 такт (фиг.1, 2, 3, 5, 6). Рабочий ход (расширение) (для камеры 21). 2 и 3 такты происходят, как описано при работе двигателя в комплектации, указанной в независимой части формулы изобретения, с учетом того, что здесь вместо воздуха – газ.
4 такт (фиг.1, 2, 3). Выпуск отработанных газов (для камеры 22). Когда объем с расширяющимися газами (при дальнейшем вращении ротора 8) соединяется с выпускным отверстием 24, в этот момент образуется камера 22. То есть камера 22 – это переменный (уменьшаемый) объем, образованный кулачковым выступом 9 (или 10) в верхней части двигателя и подвижной перегородкой 17. Как показано на фиг.1, 6, кулачковый выступ 10 ротора 8, перемещаясь, уменьшает объем камеры 22, вытесняя отработанные газы через выпускное отверстие 24 в трубопровод 27 и далее в теплообменник 28, где он охлаждается, отдавая свое тепло поступающему в нагревательное устройство двигателя (в камеру сгорания 4) через отверстие 30 наружному воздуху. Предварительно охлажденный в теплообменнике 28 газ окончательно охлаждается в теплообменнике 29. В конце такта кулачковый выступ 10 ротора 8 пересекает подвижную перегородку 17, образуя новый переменный расширяющийся объем (камеру 19), куда через открытое впускное отверстие 23 засасывается из соединительного трубопровода 27 прошедшая теплообменник 28 и 29 новая порция охлажденного газа и цикл повторяется.
Для камеры 22, образованной кулачковым выступом 9 и перегородкой 17, процесс происходит аналогично описанному.
3) Работа контура охлаждения – холодильника
Как видно из чертежей (фиг.1, 5), охлаждение двигателя производится жидкостью (водой), которая поступает через отверстие 32 в полость, образованную нижней частью статора 1 и нижней частью кожуха 2, отделенного от верхней части перегородкой. В теплообменнике 29 вода охлаждает газ, поступающий в камеру 19 (камеру всасывания), и затем, омывая наружную часть конструкции статора 1, примыкающую к камерам 19 и 20 (камерам всасывания и сжатия), покидает полость двигателя через отверстие 33.
Поскольку двигатель оборудован двумя подогревателями 5 и 6, которые поочередно используют одну рабочую камеру 21, то за один оборот ротора 8 происходит два такта рабочего хода, что соответствует традиционному четырехцилиндровому четырехтактному двигателю.
Описанный выше двигатель может быть использован в комбинациях с одним, двумя, тремя и т.д. кулачковыми выступами ротора и, соответственно, одним, двумя, тремя и т.д. подогревателями, а также в блоке из нескольких роторов.
Технический результат, достигаемый при реализации предлагаемого роторного двигателя, заключается в создании двигателя, который является достаточно простым по конструкции и надежным, так как имеет всего три движущие детали: ротор и две подвижные перегородки. Поскольку двигатель вторично использует отработанную в нем тепловую энергию, это позволяет увеличить его кпд.
Формула изобретения
1. Двигатель внешнего сгорания, содержащий статор с внутренней цилиндрической поверхностью, герметично закрытый с торцов и имеющий отверстия, ротор, имеющий профилированную цилиндрическую поверхность с кулачковыми выступами, контактирующими с внутренней цилиндрической поверхностью статора, внутри которого установлены с возможностью перемещения и контакта с профилированной поверхностью ротора перегородки, герметичные камеры переменного объема, образованные внутренней поверхностью статора, ротором и перегородками, подогреватель, соединенный с отверстиями в статоре, отличающийся тем, что впускное и выпускное отверстия в статоре расположены по обе стороны одной перегородки, на роторе выполнены каналы с возможностью взаимодействия с внутренней поверхностью статора и камерами, а отверстия статора соединены с подогревателем каналами, имеющими возможность взаимодействовать с ротором и его каналами.
2. Двигатель по п.1, отличающийся тем, что статор снаружи снабжен кожухом, образующим в части двигателя объем, являющийся нагревательным устройством, а подогреватель установлен внутри последнего.
3. Двигатель по п.2, отличающийся тем, что в конструкцию нагревательного устройства введен теплообменник, имеющий возможность предварительно нагревать воздух, поступающий в нагревательное устройство.
4. Двигатель по п.1 или 2, отличающийся тем, что внешняя часть конструкции статора выполнена с возможностью взаимодействия с воздухом, поступающим в нагревательное устройство, и с охладителем, охлаждающим двигатель.
5. Двигатель по п.2, отличающийся тем, что впускное и выпускное отверстия соединены друг с другом и в конструкцию соединения вмонтированы теплообменники, имеющие возможность взаимодействовать с воздухом, поступающим в нагревательное устройство, и охладителем для охлаждения двигателя.
РИСУНКИ
|
|