|
|
(21), (22) Заявка: 2004134384/09, 25.11.2004
(24) Дата начала отсчета срока действия патента:
25.11.2004
(46) Опубликовано: 20.08.2006
(56) Список документов, цитированных в отчете о поиске:
SU 1483588 А, 30.05.1989. RU 2124812 C1, 10.01.1999. RU 2214058 C1, 10.10.2003. WO 01/11396 A, 15.02.2001.
Адрес для переписки:
119270, Москва, Фрунзенская наб., 38/1, кв.136, пат.пов. В.В.Коваленко
|
(72) Автор(ы):
Борцов Александр Анатольевич (RU), Ильин Юрий Борисович (RU)
(73) Патентообладатель(и):
Борцов Александр Анатольевич (RU)
|
(54) ФОРМИРОВАТЕЛЬ ЧАСТОТНО-МОДУЛИРОВАННЫХ СИГНАЛОВ
(57) Реферат:
Изобретение относится к радиотехнике и может быть использовано в системах связи, измерительной технике, гидролокации и радиолокации, в аппаратуре формирования прецизионных СВЧ- и КВЧ-радиосигналов. Технический результат состоит в повышении точности формирования частотно-модулированных сигналов за счет снижения уровня фазовых шумов. Для этого формирователь содержит генератор и функциональный преобразователь, состоящий из дефлектора, приемника, усилителя, источника излучения, двух световодов, в устройство дополнительно введен фазовый интерферометр, в функциональный преобразователь дополнительно введены фазовращатель, фильтр, три направленных ответвителя, четыре световода, один из которых специальный с полимерной оболочкой, причем источник излучения содержит оптический источник и модулятор. 1 з.п. ф-лы, 1 ил.
Изобретение относится к радиотехнике и может быть использовано в системах связи, измерительной технике, гидролокации и радиолокации, в аппаратуре формирования прецизионных радиосигналов сверхвысоких частот (СВЧ) и крайне высоких частот (КВЧ).
Из патентной литературы известен «Формирователь частотно-модулированных сигналов» (а.с. №1483588, опубл. 30.05.89), содержащий последовательно соединенные автогенератор, к первому и второму управляющим входам которого подключены соответственно выходы управляющего элемента и частотного модулятора, и делитель частоты, последовательно соединенные эталонный генератор и фазовый детектор, а также амплитудный селектор, при этом вход частотного модулятора является входом модулирующего сигнала, а выход автогенератора – выходом формирователя частотно-модулированных сигналов, а также синхронизатор, сигнальный вход которого соединен с выходом эталонного генератора, управляющий вход – с выходом амплитудного селектора, а первый выход – с установочным входом делителя частоты, и блок слежения за фазой информационный вход которого соединен с выходом фазового детектора, управляющего элемента, при этом вход амплитудного селектора соединен с входом частотного модулятора, а выход делителя частоты соединен со вторым входом фазового детектора.
Недостатком данного устройства является ограничение по радиочастотному диапазону его применения и сложность реализации в диапазоне СВЧ из-за наличия в нем синхронизатора и блока слежения за фазой, содержащего два ключа, два блока запоминания, блок интегрирования и инвертор.
Наиболее близким к предлагаемому изобретению является «Формирователь частотно-модулированных сигналов» (а.с. №1506508, опубл. 07.09.89), содержащий последовательно соединенные сумматор напряжений и управляемый генератор, последовательно соединенные синхронизатор, счетчик и первый блок памяти, генератор интерполирующего напряжения и прецизионный функциональный преобразователь, содержащий усилитель, на входе и первом выходе которого включены соответственно приемник и источник светового излучения, первый и второй световоды и дефлектор, при этом первый световод по входу оптически сопряжен с источником светового излучения, а по выходу – с дефлектором, второй световод по входу оптически сопряжен с дефлектором, а по выходу – с приемником светового излучения, второй вход счетчика объединен с первым входом генератора интерполирующего напряжения и подключен ко второму выходу синхронизатора, вход и выход второго блока памяти подключены соответственно к выходу счетчика и к первому входу сумматора, выход управляемого генератора соединен с входом дефлектора, а второй выход усилителя является выходом формирователя частотно-модулированного сигнала, при этом выход первого блока памяти подключен ко второму входу генератора интерполирующего напряжения, выход которого подключен ко второму входу сумматора.
Недостатком данного устройства является то, что функциональный преобразователь не выполняет функции по регистрации и управлению фазовыми шумами, поэтому данное устройство имеет недостаточную точность формирования частотно-модулированных сигналов.
Технической задачей, решаемой предлагаемым изобретением, является повышение точности формирования частотно-модулированных сигналов за счет снижения уровня фазовых шумов.
Поставленная задача решается за счет того, что в формирователь частотно-модулированных сигналов, содержащий генератор и функциональный преобразователь, состоящий из дефлектора, имеющего два входа и один выход, приемника, усилителя, имеющего один вход и два выхода, источника излучения, включенного во первый выход усилителя, двух световодов, при этом один из них по выходу оптически сопряжен с приемником, другой световод по входу оптически сопряжен с источником излучения, а по выходу – дефлектором, дополнительно введен фазовый интерферометр, имеющий три входа и один выход, в функциональный преобразователь дополнительно введены фазовращатель, фильтр, три направленных ответвителя, четыре световода, один из которых специальный, при этом фазовый интерферометр подключен входами ко вторым выходам направленных ответвителей, а его выход – ко второму входу фазовращателя, причем фильтр расположен между фазовращателем и усилителем, а три световода расположены последовательно таким образом, что один из них по входу оптически сопряжен с выходом дефлектора, причем специальный световод расположен между двумя другими, при этом направленные ответвители подключены последовательно так, что первый и третий оптически сопряжен соответственно по выходу и по входу со световодами, первый и второй направленные ответвители жестко связаны между собой, а второй и третий – посредством расположенного между ними световода, причем источник излучения содержит оптический источник и модулятор.
При этом фазовый интерферометр выполнен по двухплечевой схеме и содержит два фазовращателя, три световода, два приемника, один из которых имеет два входа и один выход, два усилителя и смеситель, имеющий два входа и выход, при этом второй и третий фазовращатели входами подключены ко вторым выходам соответственно третьего и второго направленных ответвителей, а выходами – ко второму приемнику, который в свою очередь подключен к второму усилителю, причем между фазовращателями и вторым приемником установлены световоды, а третий приемник подключен ко второму выхода первого направленного ответвителя, и между ними установлен световод, при этом второй усилитель и третий приемник подключены соответственно к первому и второму входам смесителя, который в свою очередь подключен к третьему усилителю, передающему сигнал на второй вход первого фазовращателя.
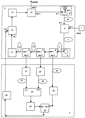
На чертеже изображена функциональная схема формирователя частотно-модулированных сигналов.
Формирователь частотно-модулированных сигналов состоит из генератора 1, функционального преобразователя 2, например, прецизионного и фазового интерферометра 3.
Функциональный преобразователь 2 содержит последовательно соединенные дефлектор 4, первый световод 5, второй специальный световод 6, третий световод 7, первый направленный ответвитель 8, второй направленный ответвитель 9, четвертый световод 10, третий направленный ответвитель 11, пятый световод 12, первый приемник 13, первый фазовращатель 14, фильтр 15, первый усилитель 16, источник излучения 17, шестой световод 18.
Источник излучения 17 состоит из модулятора 19 и оптического источника 20.
Фазовый интерферометр 3 содержит второй фазовращатель 21, седьмой световод 22, второй приемник 23, второй усилитель 24, смеситель 25, третий усилитель 26, третий фазовращатель 27, восьмой световод 28, девятый световод 29, третий приемник 30.
Описание входов и выходов устройства.
Дефлектор 4 имеет два входа и один выход.
Направленные ответвители 8, 9 и 11 имеют по одному входу и двум выходам.
Приемник 13 имеет вход и выход.
Первый фазовращатель 14 имеет два входа и один выход.
Фильтр 15 имеет вход и выход.
Усилитель 16 имеет один вход и два выхода.
Источник 17 имеет один вход и один выход.
Модулятор 19 имеет два входа и один выход.
Оптический источник 20 имеет выход.
Второй фазовращатель 21 и третий фазовращатель 27 имеют по одному входу и одному выходу.
Второй приемник 23 имеют два входа и один выход.
Второй усилитель 24 имеет вход и выход.
Смеситель 25 имеет два входа и один выход.
Третий усилитель 26 имеет вход и выход.
Третий приемник 30 имеет вход и выход.
Связи контактов и блоков заявляемого устройства.
Генератор 1 подсоединен к первому входу дефлектора 4, выход которого оптически сопряжен с первым световодом 5, связанным со вторым специальным световодом 6, который, в свою очередь, соединен с третьим световодом 7.
Первый направленный ответвитель 8 по входу оптически сопряжен с третьим световодом 7 и жестко связан по первому выходу со вторым направленным ответвителем 9, оптически сопряженным по первому выходу с четвертым световодом 10, который, в свою очередь, оптически связан с третьим направленным ответвителем 11, сопряженным по первому выходу с пятым световодом 12.
Первый приемник 13 оптически связан с пятым световодом 12, выходом подключен к первому входу первого фазовращателя 14.
Фильтр 15 входом соединен с выходом первого фазовращателя 14, выходом – с первым усилителем 16.
Усилитель 16 имеет два выхода, второй выход является выходом функционального преобразователя 2.
Источник излучения 17 подключен к первому выходу усилителя 16 и оптически связан с шестым световодом 18, выход которого соединен со вторым входом дефлектора 4, при этом первый вход модулятора 19 является входом источника излучения 17, второй вход связан с оптическим источником 20, а его выход является выходом источника излучения 17.
Второй фазовращатель 21 связан входом со вторым выходом третьего направленного ответвителя 11, а выходом оптически сопряжен с седьмым световодом 22, который, в свою очередь, оптически связан с первым входом второго приемника 23.
Третий фазовращатель 27 связан входом со вторым выходом второго направленного ответвителя 9, а выходом оптически сопряжен с восьмым световодом 28, который, в свою очередь, оптически связан со вторым входом второго приемника 23.
Второй приемник 23 соединен со вторым усилителем 24, выход которого подключен к первому входу смесителя 25.
Девятый световод 29 входом оптически сопряжен со вторым выходом первого направленного ответвителя 8, а выходом – с третьим приемником 30, выход которого подключен ко второму входу смесителя 25.
Смеситель 25 подключен к третьему усилителю 26, который в свою очередь соединен со вторым входом первого фазовращателя 14.
Функциональное назначение узлов заявляемого устройства.
Функциональный преобразователь 2, например прецизионный, построен по принципу оптоэлектронного автогенератора с волоконно-оптической линией задержки, содержащего усилитель и цепь обратной связи.
Усилителем в функциональном преобразователе 2 является первый усилитель 16, который необходим для компенсации затухания сигнала в цепи обратной связи, то есть для обеспечения баланса амплитуд сигнала в функциональном преобразователе 2.
В цепь обратной связи функционального преобразователя 2 входят последовательно соединенные дефлектор 4, первый световод 5, второй специальный световод 6, третий световод 7, первый направленный ответвитель 8, второй направленный ответвитель 9, четвертый световод 10, третий направленный ответвитель 11, пятый световод 12, первый приемник 13, первый фазовращатель 14, фильтр 15, первый усилитель 16, источник 17, шестой световод 18, при этом источник 17 содержит модулятор 19 и оптический источник 20.
Фильтр 15 вводится для улучшения подавления фазовых шумов.
Световоды 6, 7, 10 и направленные ответвители 8, 9, 11 введены для подключения к функциональному преобразователю 2 фазового интерферометра 3.
Для уменьшения уровня фазовых шумов вводится цепь выделения, регистрации и управления фазовыми шумами, которая работает по принципу фазовой автоподстройки.
Цепь регистрации и управления фазой сигнала выполняется на базе фазового интерферометра 3 и первого фазовращателя 14.
Фазовый интерферометр 3 выполняет функции выделения, регистрации фазовых шумов сигнала и преобразования сигнала фазовых шумов в электрический сигнал управления.
Регистрация сигнала фазовых шумов осуществляется в фазовом интерферометре 3 по двухплечевой схеме, содержащей два канала. Первый канал состоит из второого фазовращателя 21, седьмого световода 22, второго приемника 23. Второй канал состоит из третьего фазовращателя 27, восьмого световода 28, второго приемника 23.
Первый фазовращатель 14 выполняет функцию управления фазовыми шумами в функциональном преобразователе 2.
Реализация устройств.
Генератор 1 может быть выполнен, например, по схеме генератора на поверхостных акустических волнах («Проблемы современной радиотехники и электроники», под ред. Котельникова В.А., М.: Наука, 1980 г., стр.342-345) или схеме LC-генератора (Г.А.Кардашев «Виртуальная электроника. Компьютерное моделирование аналоговых устройств.», М., Горячая линия – Телеком, 2002 г., стр.143-145, 171-173).
Дефлектор 4 реализован, например, в виде кристалла TeO2, в котором возбуждается продольная волна с помощью пьезоэлектрического возбудителя, выполненного на основе ниобата лития (Н.А.Семенов, «Оптические кабели связи. Теория и расчет», М.: Радио и связь, 1981 г., стр.300-303).
Первый световод 5, третий световод 7, четвертый световод 10, пятый световод 12, шестой световод 18, седьмой световод 22, восьмой световод 28, девятый световод 29 могут быть, например, реализованы на основе кварцевых одномодовых световодов (Н.А.Семенов, «Оптические кабели связи. Теория и расчет», М.: Радио и связь, 1981 г. стр.12-15).
Второй специальный световод 6 может быть реализован, например, на основе кварцевых одномодовых световодов со специальной полимерной оболочкой (О.К.Скляров, «Современные волоконно-оптические системы передачи, аппаратура и элементы», Солон Р, Москва, 2001 г., стр.97-109).
Первый направленный ответвитель 8, второй направленный ответвитель 9, третий направленный ответвитель 11 могут быть реализованы, например, на базе направленных одномодовых ответвителей (О.К.Скляров «Современные волоконно-оптические системы передачи, аппаратура и элементы», Солон Р, М., 2001 г., стр.194).
Первый приемник 13, второй приемник 23, третий приемник 30 могут быть реализованы, например, на основе высокочувствительных фотодиодов («Волоконно-оптическая техника: История, достижения, перспективы», под ред. Дмитриева С.А., Слепова Н.Н. АО «Волоконно-оптическая техника», М., 2000 г., стр.241).
Первый усилитель 16, второй усилитель 24, третий усилитель 26 могут быть реализованы, например, на базе узкополосных усилителей с транзисторными каскадами с общей базой с использованием биполярных транзисторов (Г.А.Кардашев «Виртуальная электроника. Компьютерное моделирование аналоговых устройств», М., Горячая линия – Телеком, 2002 г., стр.143-145).
Первый фазовращатель 14, второй фазовращатель 21, третий фазовращатель 27 могут быть, например, реализованы на основе электронных ферритовых фазовращателей (Справочник по радиолокации, т.2, под ред. Сколник М., М.: Советское радио, 1977 г., стр.47).
Фильтр 15 может быть, например, реализован на основе полосковой линии передачи (Справочник по радиолокации, т.2, под ред. Сколник М., М.: Советское радио, 1977 г., стр.20).
Источник 17 может быть, например, реализован на базе лазерного диода и модулятора из ниобата лития («Волоконно-оптическая техника: История, достижения, перспективы», под ред. Дмитриева С.А., Слепова Н.Н. АО «Волоконно-оптическая техника», М., 2000 г., стр.74).
Модулятор 19 может быть, например, реализован на базе электрооптического модулятора на базе кристалла ниобата лития («Волоконно-оптическая техника: История, достижения, перспективы», под ред. Дмитриева С.А., Слепова Н.Н. АО «Волоконно-оптическая техника», М., 2000 г., стр.139-140).
Оптический источник 20 может быть, например, реализован на базе полупроводникового лазерного диода («Волоконно-оптическая техника: История, достижения, перспективы», под ред. Дмитриева С.А., Слепова Н.Н. АО «Волоконно-оптическая техника», М., 2000 г., стр.74).
Смеситель 25 может быть, например, реализован по схеме дифференциального усилителя на транзисторах с общими эмиттерами с двумя входами (Г.А.Кардашев «Виртуальная электроника. Компьютерное моделирование аналоговых устройств», М., Горячая линия – Телеком, 2002 г., стр.194).
Формирователь частотно-модулированных сигналов работает следующим образом.
На выходе генератора 1 вырабатывается напряжение U(t), которое поступает на первый вход дефлектора 4. Это напряжение вызывает изменение задержки T1(t) сигнала светового излучения, проходящего через дефлектор 4 от источника 17 через шестой световод 18.
При постоянном напряжении U(t)=U0 генератора 1 на втором выходе усилителя 16, то есть на выходе функционального преобразователя 2, формируется электрические радиочастотные колебания с частотой f0.
Изменение напряжения генератора 1 во времени U(t) приводит к изменению частоты колебания f(t) функционального преобразователя 2 на втором выходе первого усилителя 16.
Функция изменения частоты от времени f(t) полностью определяется типом дефлектора 4.
При выполнении баланса амплитуд и фаз в таком функциональном преобразователе 2, то есть на втором выходе первого усилителя 16, формируются электрические радиочастотные колебания, частота f0 которых определяется общей задержкой Т0 сигнала в его цепи обратной связи
f0=m/T0,
где m – номер типа колебания, m=1, 2, 3…
В свою очередь задержка в цепи обратной связи зависит от задержки T1 в дефлекторе 4. Изменение задержки в дефлекторе 4 от времени T1=T1(t) при модуляции напряжения U(t), поступающего на его вход от генератора 1, производит изменение частоты f(t)=f0+f1(t), где f1(t) – изменения частоты за счет изменений задержки T1=T1(t) в дефлекторе 4 от времени t, то есть частоты колебаний на втором выходе первого усилителя 16. Таким образом, задаваясь законом изменения напряжения U(t) генератора 1, после функционального преобразования на втором выходе первого усилителя 16 получают заданное частотно-модулированное колебание с частотой f(t) и для нее справедливо выражение
f(t)=m/(T0+T1(U(t))),
где m=1, 2, 3…
При этом частота модуляции изменений колебаний напряжения намного меньше средней собственной частоты f0 функционального преобразователя 2.
В процессе формирования радиочастотных колебаний в схеме функционального преобразователя 2 из-за шумов устройств, входящих в его состав, возникают фазовые шумы сигнала.
Выделение и регистрация сигнала фазовых шумов осуществляется в фазовом интерферометре 3 по двухплечевой схеме.
Благодаря тому, что фазы огибающих сигналов на выходах седьмого световода 22 и восьмого световода 28 имеют задержку противофазе близкую к 180 градусам, и амплитуды сигналов, огибающих на выходах седьмого световода 22 и восьмого световода 28, равны, на выходе второго приемника 23 выделяется сигнал шумов, который усиливается по амплитуде вторым усилителем 24.
Задержки фаз огибающих сигналов на выходах седьмого световода 22 и восьмого световода 28, настраиваются извне в противофазе по отношению друг к другу с помощью второго фазовращателя 21 и третьего фазовращателя 27. Амплитуды огибающих сигналов на входах второго приемника 23 выравниваются с помощью второго фазовращателя 21 и третьего фазовращателя 27, седьмого световода 22, восьмого световода 28, второго направленного ответвителя 9 и третьего направленного ответвителя 11.
Усиленный сигнал шумов с выхода второго усилителя 24 поступает на первый вход смесителя 25, в котором происходит смешение его с сигналом, который формируется на выходе третьего приемника 30 и поступает на второй вход смесителя 25.
Настройка амплитуды сигнала, поступающего на второй вход смесителя 25, осуществляется в первом направленном ответвителе 8, девятом световоде 29 и третьем приемнике 30.
Сигнал, поступающий на второй вход смесителя 25, формируется при детектировании излучения, поступающего со второго выхода первого направленного ответвителя 8 через девятый световод 29 на вход третьего приемника 30.
Амплитуды сигналов на входах смесителя 25 приблизительно равны.
При смешении в смесителе 25 сигналов шумов и основного сигнала с равными амплитудами на выходе смесителя 25 формируется сигнал управления. Сигнал управления пропорционален по своему мгновенному значению разности фаз между сигналом шумов и основным сигналом. Данный сигнал управления усиливается и фильтруется третьим усилителем 26 и поступает на второй вход первого фазовращателя 14.
Фазовращатель 14 задерживает фазу поступающего на его первый вход сигнала так, чтобы на его выходе происходила компенсация регистрируемого разностного фазового набега фазовым интерферометром 3. Таким образом, происходит компенсация и снижение фазовых шумов в функциональном преобразователе 2, за счет чего улучшается точность формирования частотно-модулированных сигналов. Уровень снижения фазовых шумов определяется уровнем выравнивания по амплитуде сигналов фазовых шумов в цепях выделения фазовых шумов и цепи формирования сигнала управления, то есть в цепях, образованных элементами фазового интерферометра 3. В результате испытаний установлено, что уровень снижения фазовых шумов составляет более 5 дБ.
Таким образом, можно утверждать, поставленная задача – повышение точности формирования частотно-модулированных сигналов за счет снижения уровня фазовых шумов, решена.
Формула изобретения
1. Формирователь частотно-модулированных сигналов, содержащий генератор и функциональный преобразователь, состоящий из дефлектора, имеющего два входа и один выход, приемника, усилителя, имеющего один вход и два выхода, источника излучения, включенного в первый выход усилителя, двух световодов, при этом один из них по выходу оптически сопряжен с приемником, другой световод по входу оптически сопряжен с источником излучения, а по выходу – дефлектором, при этом генератор подсоединен к первому входу дефлектора, отличающийся тем, что в устройство дополнительно введен фазовый интерферометр, имеющий три входа и один выход, в функциональный преобразователь дополнительно введены фазовращатель, второй вход которого соединен с выходом приемника, фильтр, три направленных ответвителя, четыре световода, один из которых с полимерной оболочкой, при этом фазовый интерферометр подключен входами ко вторым выходам направленных ответвителей, а его выход – ко второму входу фазовращателя, причем фильтр расположен между фазовращателем и усилителем, второй выход которого является выходом функционального преобразователя, а три световода расположены последовательно таким образом, что один из них по входу оптически сопряжен с выходом дефлектора, причем световод с полимерной оболочкой расположен между двумя другими, при этом направленные ответвители подключены последовательно так, что первый и третий оптически сопряжен соответственно по выходу и по входу со световодами, первый и второй направленные ответвители жестко связаны между собой, а второй и третий – посредством расположенного между ними световода, причем источник излучения содержит оптический источник и модулятор, первый вход которого является входом источника излучения, второй вход связан с оптическим источником, а его выход является выходом источника излучения.
2. Формирователь по п.1, отличающийся тем, что фазовый интерферометр выполнен по двухплечевой схеме и содержит два фазовращателя, три световода, два приемника, один из которых имеет два входа и один выход, два усилителя и смеситель, имеющий два входа и выход, при этом второй и третий фазовращатели входами подключены ко вторым выходам соответственно третьего и второго направленных ответвителей, а выходами – ко второму приемнику, который, в свою очередь, подключен ко второму усилителю, причем между фазовращателями и вторым приемником установлены световоды, а третий приемник подключен ко второму выходу первого направленного ответвителя и между ними установлен световод, при этом второй усилитель и третий приемник подключены соответственно к первому и второму входам смесителя, который, в свою очередь, подключен к третьему усилителю, передающему сигнал на второй вход первого фазовращателя.
РИСУНКИ
MM4A – Досрочное прекращение действия патента СССР или патента Российской Федерации на изобретение из-за неуплаты в установленный срок пошлины за поддержание патента в силе
Дата прекращения действия патента: 26.11.2007
Извещение опубликовано: 10.07.2009 БИ: 19/2009
|
|