|
|
(21), (22) Заявка: 2004112174/09, 22.04.2004
(24) Дата начала отсчета срока действия патента:
22.04.2004
(43) Дата публикации заявки: 20.10.2005
(46) Опубликовано: 20.08.2006
(56) Список документов, цитированных в отчете о поиске:
RU 2132573 C1, 27.06.1999. SU 1260996 A1, 30.09.1986. RU 2010338 C1, 30.03.1994. US 5973629 A, 26.10.1994. EP 0974944 A1, 26.01.2001.
Адрес для переписки:
129223, Москва, пр. Мира, 115, ГАО ВВЦ, ВТД “Гранит-микро”
|
(72) Автор(ы):
Портнов Евгений Михайлович (RU)
(73) Патентообладатель(и):
ООО ВТД “Гранит-микро” (RU), СНПП “Промэкс” (UA)
|
(54) УСТРОЙСТВО КОДИРОВАНИЯ И ПЕРЕДАЧИ СИГНАЛОВ
(57) Реферат:
Устройство кодирования в передачи сигналов является частью информационно-управляющего комплекса и предназначено для формирования информационного сообщения, содержащего данные о состоянии двухпозиционных объектов – исполнительных механизмов, охранной и пожарной сигнализации. Устройство отличается высокой достоверностью информации благодаря совмещению процедур ввода и кодирования сигналов от датчика. Ввод и кодирование информации от датчиков проводится в два этапа – на первом этапе фиксируются и заносятся в регистр текущие значения сигналов от датчиков, а на втором этапе ввод и кодирование сигналов совмещается с диагностикой работоспособности общих и индивидуальных узлов устройства и цепей связи кодера с датчиками. Процедуры диагностики проводятся таким образом, что элементы устройства, ранее использовавшиеся при определении текущих состояний датчиков, должны сформировать сигналы противоположного уровня. По совпадению уровней сигналов, полученных на двух этапах кодирования, в приемнике информации можно идентифицировать место и вид неисправности. Технический результат состоит в повышении достоверности информации 4 з.п. ф-лы, 1 ил.
Изобретение относится к информационно-управляющим комплексам и может быть использовано для кодирования и спорадической передачи информации о состоянии датчиков дискретных сигналов, отображающих состояние (положение) двухпозиционных исполнительных механизмов, цепей охранной и пожарной сигнализации.
Наиболее близким по технической сущности к предлагаемому является устройство для спорадической передачи телесигнализации по авторскому свидетельству № 1260996 (М.Л.Портнов и др., бюллетень № 36, 1986 г.), которое содержит источник питания, блок датчиков сигналов, состоящий из индивидуальных узлов для каждого из «n» датчиков, первый, второй и третий коммутаторы, преобразователь параллельного кода в последовательный, состоящий из мультиплексора и счетчика, генератор тактовых импульсов, первый распределитель, регистр – ОЗУ, компаратор, первый, второй и третий триггеры, первый и второй формирователи импульсов, первый, второй, третий, четвертый, пятый, шестой и седьмой элементы ИЛИ, первый и второй элементы И, элемент задержки, причем ненулевой («U») выход источника питания подключен к первым входам первого и второго коммутаторов, а нулевой («0») выход – ко второму входу второго коммутатора, объединенные вторые выходы узлов блока датчиков сигналов соединены с выходом первого и вторым выходом второго коммутаторов, а первые, индивидуальные выходы узлов блока датчиков сигналов подключены к информационным входам мультиплексора, у которого адресные входы соединены с соответствующими основными выходами счетчика и регистра – ОЗУ, а выход – с первым выходом второго коммутатора и входом третьего коммутатора, у которого выход соединен с первым входом компаратора, подключенного вторым входом – к первому выходу первого триггера, который является выходом «данные» устройства, пятый выход первого распределителя является выходом «запрос» устройства и соединен со входом элемента задержки и вторым входом первого элемента И, подключенного первым входом ко входу «передача» устройства.
Устройство – прототип обеспечивает динамический контроль работоспособности общих узлов путем проведения тестовых режимов, при которых на этапах тестового контроля должны быть получены сигналы «1» и «0» на всех индивидуальных выходах блока датчиков. В режиме ввода и обработки реальных и тестовых сигналов используются одни и те же элементы устройства, благодаря чему достигается диагностика работоспособности общих для всех сигналов узлов.
Недостатком устройства – прототипа является отсутствие контроля работоспособности индивидуальных узлов, а также цепей связи датчиков с кодером устройства, что снижает достоверность получаемой информации.
Сущность и цель изобретения – повышение достоверности информации, принимаемой от устройства.
Цель изобретения достигается совмещением процедур ввода и кодирования сигналов от узлов блока датчиков. Для реализации процедур ввода и кодирования в индивидуальные узлы блока датчиков сигналов вводится дополнительный первый диод, включенный последовательно с выходным элементом (контактом) датчика, причем параллельно указанной цепи из датчика и первого дополнительного диода включена вторая последовательная цепь из второго диода и опорного элемента – стабилитрона. Направление включения диодов в первой и второй цепи противоположно. Опрос состояния датчиков, совмещенный с процедурами кодирования, проводится в два этапа. На первом этапе опроса и кодирования поочередно для каждого датчика формируется сигнал, который проходит через цепь, включающую первый диод и выходной элемент (контакт) датчика. Кодовый сигнал, отображающий зафиксированное текущее (мгновенное) состояние датчика, заносится в регистр – оперативное запоминающее устройство (ОЗУ). Если контакт датчика замкнут, на первом этапе формируется сигнал «1», в противном случае – сигнал «0». После завершения первого этапа – опроса и кодирования текущих состояний всех датчиков, проводится второй этап опроса и кодирования. На втором этапе поочередно для каждого датчика формируется сигнал, который проходит по цепи из второго диода и стабилитрона узлов датчиков сигналов, причем уровень сигнала опроса для каждого датчика зависит от сигнала, зафиксированного на первом этапе опроса состояния этого датчика. Если на первом этапе был зафиксирован сигнал «1», соответствующий замкнутому состоянию контакта (выходного элемента) датчика, на втором этапе формируется сигнал относительно низкого уровня с тем, чтобы определить отсутствие короткого замыкания цепи связи датчика с соответствующим входом кодера. Если цепь связи замкнута, т.е. оказывается зашунтированным пороговым элементом – первый стабилитрон, сигнал относительно низкого уровня оказывается выше порога чувствительности кодера. В результате, узел ввода и кодирования сигнала и на проводимом втором этапе зафиксирует поступление от узла датчика сигнала «1». Полученная на двух этапах опроса и кодирования состояния соответствующего датчика комбинация сигналов «11» будет расшифрована как неисправность – короткое замыкание цепи связи кодера с опрашиваемым датчиком. При отсутствии указанной неисправности на двух этапах опроса и кодирования будет сформирована комбинация сигналов «10», которая будет расшифрована приемником как замкнутое состояние датчика и отсутствие неисправности цепи связи с ним.
Если на первом этапе опроса и кодирования от датчика получен сигнал «0», на втором этапе проводится контроль обрыва цепи связи этого датчика с кодером. Для этого уровень сигнала опроса, который проходит по цепи из второго диода и первого стабилитрона, повышается на величину, несколько большую значения порога срабатывания стабилитрона. Если цепь связи опрашиваемого датчика с кодером не разорвана, уровень сигнала опроса оказывается больше порогового сигнала, а кодером будет зафиксирован сигнал «1». В результате на двух этапах опроса и кодирования соответствующего датчика будет сформирована пара сигналов «01», которая расшифровывается приемником как разомкнутое состояние датчика и отсутствие обрыва цепи связи с ним. Если же цепь связи кодера с опрашиваемым датчиком разорвана, на двух этапах кодирования формируется пара сигналов «00», которая интерпретируется приемником как неисправность – обрыв цепи связи с датчиком.
Сформированные на двух этапах опроса и кодирования состояния каждого датчика пары сигналов: «10» или «01» – при отсутствии неисправности, «11» или «00» – при обнаружении неисправности общей или индивидуальной цепи, заносятся в соответствующие ячейки регистра – оперативного запоминающего устройства. Информация из ОЗУ после выдачи устройством сигнала «запрос» и получения сигнала «передача», подаются на выход «данные» устройства в сопровождении сигналов «такты» и «вывод данных».
Важно подчеркнуть, что при реализации двух этапов опроса и кодирования используются одни и те же узлы устройства, причем для всех общих и индивидуальных цепей создаются условия, при которых должны быть сформированы сигналы разного уровня, что максимально повышает глубину диагностики работоспособности элементов устройства.
Таким образом, в предложенном устройстве не только проводится динамический контроль работоспособности общих узлов, но и диагностируется исправность индивидуальных цепей кодирования и связи с датчиками. Предложенные процедуры кодирования и контроля позволяют идентифицировать в приемнике как номер датчика, так и вид неисправности. Указанные особенности устройства обеспечивают повышение достоверности информации по сравнению с устройством – прототипом.
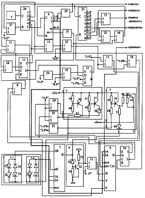
На чертеже приведена схема предложенного устройства.
В предложенное устройство, как и в прототип, входит блок 1 датчиков, который по числу «n» датчиков включает индивидуальные узлы 1-1…1-n, первый 2, второй 3 и третий 4 коммутаторы, генератор 5, преобразователь параллельного кода в последовательный, состоящий из счетчика 6 и мультиплексора 7, у которого адресные входы 1А…mA соединены с соответствующими основными выходами счетчика, а индивидуальные информационные входы 1И…nИ – с соответствующими индивидуальными выходами 1-1…1-n узлов блока 1, причем объединенные вторые выходы всех узлов соединены с выходом первого и вторым выходом второго коммутаторов В устройство – прототип и предлагаемое устройство включены также компаратор 8, регистр 9, у которого основные адресные входы соединены с соответствующими входами мультиплексора, первый 10, второй 11 и третий 12 триггеры, первый 13, второй 14, третий 15, четвертый 16, пятый 17, шестой 18 и седьмой 19 элементы ИЛИ, первый 20 и второй 21 формирователи импульсов, первый 22 и второй 23 элементы И, элемент 24 задержки, первый 25 распределитель. Пятый выход распределителя 25 является выходом «запрос» устройства и соединен со вторым входом ИЛИ 22, у которого первый вход соединен с входом «передача» устройства. Первый выход триггера 10 является выходом «данные» устройства.
Для реализации новых свойств в состав предложенного устройства дополнительно по отношению к устройству – прототипу включены второй 26 распределитель, восьмой 27 и девятый 28 элементы ИЛИ, первый 29 и второй 30 элементы И-НЕ, элементы 31 ИСКЛЮЧАЮЩЕЕ ИЛИ, ИЛИ-НЕ 32.
В состав блока 1 датчиков входят индивидуальные для датчиков Д1…Дn узлы 1-1…1-n. Каждый узел включает первый 33 и второй 34 дополнительные диоды, пороговый элемент – первый стабилитрон 35, причем объединенные анод первого и катод второго диодов образуют первые индивидуальные выходы узлов 1-1…1-n, катод первого диода присоединен к одному выводу датчика, соединенные вместе катоды первых стабилитронов и вторые выходы датчиков всех узлов 1-1…1-n образуют второй выход блока 1, который присоединен к выходу первого и второму выходу второго коммутаторов.
Первый 2 коммутатор включает первый 36 и второй 37 транзисторы, второй стабилитрон 38, катод которого соединен с коллектором 37, а анод объединен с коллектором 36. Первый 39, второй 40, третий 41 и четвертый 42 резисторы задают рабочий режим и входной ток транзисторов 36 и 37, а пятый резистор 43 – уровень рабочего сигнала на выходе коммутатора 2. Один вывод резисторов 39,41 соединен с эмиттерами транзисторов 36 и 37 и образует первый вход коммутатора, который подключен к ненулевому («U») выводу источника питания. Один вывод резисторов 40 и 42 подключен, соответственно, к базам транзисторов 36 и 37, а вторые выводы 40 и 42 образуют, соответственно, второй и третий входы коммутатора и подключены к выходам И-НЕ 29 и 30.
Второй 3 коммутатор включает третий 44 и четвертый 45 транзисторы, третий диод 46, шестой 47, седьмой 48, восьмой 49, девятый 50 резисторы, которые задают рабочий режим и входной ток транзисторов 44 и 45 и подключены аналогично соответствующим резисторам первого коммутатора, а десятый 51 резистор вместе с диодом 46 определяет уровень сигнала на первом выходе коммутатора 3. Эмиттер транзистора 44 образует первый вход коммутатора и подключен в выходу «U» источника питания, эмиттер транзистора 45 образует второй вход коммутатора и подключен к выходу «0» источника питания, а коллектор транзистора 45 образует второй выход второго коммутатора, объединенный с выходом первого коммутатора.
Третий 4 коммутатор включает пятый 52 транзистор, третий 53 стабилитрон, одиннадцатый 54 и двенадцатый 55 резисторы. Резистор 54 задает рабочий режим транзистора 52 и подключен одним выводом к базе 52, а вторым – к нулевому («0») выводу источника питания. Один вывод 55 соединен с коллектором 52 и образует выход третьего коммутатора, а второй вывод 55 подключен к ненулевому выводу («U») источника питания. Катод стабилитрона 53 образует вход третьего коммутатора, который соединен с выходом мультиплексора 7 и первым выходом коммутатора 2.
Мультиплексор 7 преобразователя параллельного кода – состояния датчиков, в последовательный может быть, например, реализован на восьмиканальных микросхемах серии 561КП2. Число микросхем (М) определяется общим числом датчиков «n» по формуле , где – знак округления до ближайшего большего целого числа. Выходы «В» всех микросхем объединяются. На адресные входы микросхем подаются сигналы от счетчика, причем число «m» основных разрядов счетчика определяется по формуле m= logn. Если число датчиков больше восьми, они разделяются на группы по восемь датчиков в каждой группе. Сигналы от трех младших разрядов счетчика соединяются с соответствующими адресными входами мультиплексоров, остальные разряды счетчика преобразуются в позиционные сигналы и подаются на вход разрешения перехода в рабочее состояние мультиплексора соответствующей группы датчиков. На фигуре условно показан один мультиплексор.
Счетчик 6 преобразователя параллельного кода в последовательный может быть, например, реализован на микросхемах 561ИЕ10. На первый, тактовый (С) вход микросхемы подаются импульсные сигналы. Счетчик переключается в смежную кодовую позицию при переходе входного сигнала из «0» в «1», а возвращается в начальное положение (нулевую кодовую позицию) при подаче сигнала «1» на второй (R) вход. На фигуре не показан вход управления (СЕ) счетчика, на который в предложенном устройстве постоянно подан сигнал «1». Подача сигнала «0» на вход управления блокирует чувствительность счетчика к сигналам по первому входу. На дополнительном (m+1) выходе счетчика формируется сигнал «1» после завершения опроса и кодирования состояния всех «n» датчиков.
Регистр 9 реализует последовательный ввод и последовательный вывод сигналов и может быть, например, выполнен на одной микросхеме оперативного запоминающего устройства 561РУ2, если число датчиков «n» не превышает 256. На основные адресные входы ОЗУ 1А…mA подаются сигналы с основных выходов счетчика 6, а на дополнительный адресный вход (m+1)A – сигнал с выхода ИЛИ 18. В ячейки памяти с номерами от 0 до (2m-1) заносится последовательный код, полученный на первом этапе опроса и кодирования сигналов от датчиков, а в ячейки памяти с номерами от 2m до (2m+l-1) – последовательный код, полученный на втором этапе опроса и кодирования сигналов от датчиков. Код подается на информационный (И) вход ОЗУ, сигнал задания режима записи-считывания информации – на управляющий (У) вход с выхода ИЛИ 17 (режим записи реализуется при подаче на вход У сигнала «1»), а сигнал перевода ОЗУ в активное состояние – при подаче сигнала на вход разрешения (Р). В качестве управляющего используется вход W/R микросхемы 561РУ2, а в качестве разрешающего – вход СЕ указанной микросхемы.
Распределители 25 и 26 могут быть реализованы, например, на микросхеме 561ИЕ9, сочетающей двоичный счетчик на восемь кодовых позиций и дешифратор. В конкретной реализации устройства используются не все выходы распределителя 26.
Триггеры 10, 11, 12 могут быть реализованы, например, на микросхемах 561ТМ2. Триггеры могут управляться асинхронно – сигналами, подаваемыми на первый вход установки состояния «1» (S) или четвертый вход установки состояния «0» (R), а также синхронно – при подаче на второй вход информационного сигнала (D), причем триггер переходит в состояние, соответствующее сигналу на входе D, по положительному перепаду сигнала на третьем, тактовом входе (С). Некоторые из входов триггера могут не использоваться.
Формирователи импульсов 20 и 21 могут быть реализованы, например, на основе триггера, прямой выход которого через интегрирующую RC цепочку подключается к R входу. Формирователь переводится в рабочее состояние по положительному (или любому) перепаду сигнала на С входе триггера, если в данный момент времени на D вход подан сигнал «1». Длительность формируемого импульса определяется постоянной времени интегрирующей RC цепочки.
Компаратор последовательных кодов 8 может быть реализован, например, на элементе ИСКЛЮЧАЮЩЕЕ ИЛИ, на входы которого подаются сравниваемые сигналы последовательных кодов. На выходе компаратора образуется сигнал «1» при несовпадении входных сигналов.
Элемент задержки может быть реализован, например, на интегрирующей RC цепочке.
Остальные элементы устройства реализуются, например, на логических микросхемах серии 561.
На чертеже приведен пример реализации устройства на отдельных интегральных схемах. Функции показанных на фигуре элементов могут частично выполняться программно с помощью элементов, входящих в однокристальную микроЭВМ, например, типа АТ89С52.
Рассмотрим работу предложенного устройства.
Все процедуры ввода, кодирования, обработки и передачи сигналов разделяются на несколько этапов. Каждому этапу ставится в соответствие сигнал «1» на одном из выходов 1-Р…8-Р распределителя 25. Распределитель 25 переводится в очередную позицию (а устройство – на очередной этап работы) сигналом, поступающим на его первый (С) вход. Длительность одного этапа определяется периодом поступления сигналов на первый вход 25 и задается счетчиком 6, который переключается из одной кодовой позиции в смежную по фронту сигнала на первом (С) входе – при появлении сигнала «1» на выходе «5» второго распределителя 26. Сигнал «1» появляется на выходе «5» второго распределителя при поступлении пяти тактовых сигналов на его первый (С) вход с выхода генератора 5. Одновременно с поступлением сигнала на первый вход счетчика 6 изменяется сигнал на его первом выходе. При каждом изменении сигнала на первом выходе 6 формируется импульсный сигнал на выходе первого формирователя 20, который через ИЛИ 27 подается на второй (R) вход 26, переводя второй распределитель в начальное состояние. Таким образом, с помощью распределителя 26 одна кодовая позиция счетчика 6 – один такт разделяется на пять разделенных во времени микротактов. Число тактов, составляющих один этап работы устройства, определяется числом датчиков «n», после завершения опроса или другого вида обработки информации от всех датчиков сигнал «1» формируется на дополнительном, (n+1) выходе счетчика 6. Второй формирователь импульсов 21 фиксирует появление сигнала «1» на выходе (m+1) счетчика и формирует при этом импульсный сигнал, который через ИЛИ 16 подается на второй (R) вход счетчика 6 и первый (С) вход распределителя 25. Счетчик 6 переводится в начальное состояние, а распределитель 25 переключается в смежную позицию. Описанная работа генератора 5, первого 25 и второго 26 распределителей и счетчика 6 проводится циклически.
При установке сигнала «1» на выходе 1-Р, т.е. на каждом первом этапе работы устройства, контролируется изменение состояния любого датчика. Так как в указанное время сигнал «1» подается на вход ИЛИ-НЕ 32, на его выходе образуется сигнал «0». В результате образуется цепь: выход «U» источника питания – параллельная ветвь из перехода эмиттер-база транзистора 44 и резистора 47 – резистор 48 – выход 32 – выход «0» источника питания. Резистор 47 фиксирует рабочую точку транзистора 44 (препятствует самопроизвольному переходу транзистора в рабочее состояние при изменении в широких пределах температуры окружающего воздуха), а резистор 48 определяет величину рабочего тока во входной цепи 44. Ток во входной цепи 44 вызывает появление тока в выходной цепи 44, который проходит по двум параллельным ветвям. Одна из ветвей включает резистор 51 и разделительный диод 46, а вторая – последовательную цепочку из резистора 49, перехода база-эмиттер транзистора 45 и замыкается на вывод «0» источника питания. Резистор 50, аналогичный резистору 47, фиксирует рабочую точку 45. В результате на второй выход коммутатора 3 и второй (общий) выход блока 1 подается сигнал с уровнем «0». Цепь протекания тока первой ветви транзистора 44 определяется состоянием опрашиваемого в рассматриваемый отрезок времени датчика. Номер опрашиваемого датчика определяется комбинацией кодовых сигналов на адресных входах 1А…mA мультиплексора 7, т.е. текущей кодовой позицией счетчика 6. Так, например, при установке счетчика 6 в начальное состояние, выход «В» мультиплексора 7 подключается к первому (1 И) информационному входу, а при установке сигналов «1» на всех адресных входах мультиплексора 7 выход «В» присоединяется ко входу nИ, т.е. к первому выходу узла 1-n блока датчиков 1.
Предположим, что контакт (выходной элемент) опрашиваемого в рассматриваемый момент времени датчика Д1 замкнут. Тогда создается цепь: выход 44-51-46 – выход «В» 7 – вход 1И мультиплексора 7 – первый выход узла 1-1-33-Д1 – второй выход блока 1 – переход коллектор-эмиттер 45 – выход «0» источника питания. Так как сумма падений напряжения на мультиплексоре 7, диоде 33 и замкнутом контакте датчика Д1 ниже порогового напряжения стабилитрона 53 коммутатора 4, по входной цепи третьего коммутатора 4 ток не проходит. В результате транзистор 52 остается в нерабочем состоянии, а уровень сигнала на его коллекторе оказывается равным «U», т.е. логическому сигналу «1». Таким образом, в рассматриваемом режиме работы устройства при замкнутом контакте датчика сигнал на выходе коммутатора 4 равен «1». Если же контакт датчика разомкнут, описанная выше цепь тока не создается. Ток транзистора 44 замыкается через резистор 51, диод 46, стабилитрон 53, переход база-эмиттер транзистора 52 на выход «0» источника питания (отметим, что резистором 54 фиксируется рабочая точка транзистора 52). В результате транзистор 52 переводится в рабочее состояние, по его выходной цепи проходит ток, а уровень выходного сигнала коммутатора 4 становится равным «0» (падением напряжения на отпертом транзисторе 52 пренебрегаем). Аналогично описанному определяется текущее состояние всех датчиков. Выходной сигнал коммутатора 4 подается на первый вход элемента ИСКЛЮЧАЮЩЕЕ ИЛИ 31, на второй вход которого в рассматриваемом случае подан сигнал «0» с выхода 4-Р распределителя 25. Элемент 31 на этапе 1-Р выполняет функцию повторителя сигнала, поступившего на его первый вход. Выходной сигнал 31 подается на информационный (И) вход регистра – оперативного запоминающего устройства 9. На этапе 1-Р на вход управления (У) 9 сигнал «1» не подан, поэтому регистр переведен в режим считывания ранее записанной информации. Так как сигналы, подаваемые на адресные входы мультиплексора 7 и регистра 9 идентичны, на выходы коммутатора 4 и регистра 9 подаются сигналы, соответствующие одному и тому же датчику. Сигнал на выходе 4 отражает текущее значение сигнала от датчика, а на выходе 9 – значение сигнала, записанного в регистр ранее. Выходной сигнал регистра 9 фиксируется триггером 10, причем в триггер 10 сигнал от регистра 9 переписывается на третьем микротакте (при формировании сигнала «1» на третьем выходе распределителя 26), т.е. со сдвигом на один микротакт относительно момента перевода регистра в рабочее состояние сигналом на выходе ИЛИ 13. Важно, что момент перевода регистра в рабочее состояние также сдвинут на один микротакт относительно изменения кодовой позиции счетчика 6, т.е. относительно момента подключения ко входу мультиплексора сигнала от вновь выбранного (опрашиваемого) датчика. Видно, что использование разделенных во времени микротактов позволяет исключить влияние переходных процессов на работу устройства.
Если текущее состояние опрашиваемого датчика изменилось относительно зафиксированного ранее и занесенного в регистр, на входы компаратора 8 поступают разные по уровню сигналы, сигнал на выходе 8 становится равным «1», в противном случае выходной сигнал компаратора оказывается равным «0». Сигнал компаратора, отображающий результат сравнения «старого» и «нового» значений сигналов от датчика, фиксируется триггером 11 при появлении сигнала «1» на четвертом выходе распределителя 26, т.е. со сдвигом на один микротакт относительно момента фиксации сигнала от регистра 9 триггером 10. После перевода триггера 11 в состояние «1» сигнал с его первого (прямого) выхода через ИЛИ 28 подается на второй (D) вход, блокируя возврат триггера 11 в состояние «0» независимо от соотношения текущих и ранее занесенных в регистр сигналов, отображающих состояние других датчиков. Таким образом, триггер 11 после однократного перевода в состояние «1» сохраняет это состояние до окончания этапа сравнения сигналов состояния всех датчиков. Этап завершается при образовании импульсного сигнала формирователем 21, который через ИЛИ 16 подается на первый (С) вход распределителя 25 и на второй (R) вход счетчика 6. Распределитель переходит в очередное состояние – сигнал «1» образуется на его выходе 2-Р. Если к этому моменту не зафиксировано изменение любого текущего состояния датчика относительно ранее записанного в регистр, триггер 11 остается в состоянии «0» – на его втором (инверсном) выходе образуется сигнал «1», который подается на второй (D) вход триггера 12. По фронту сигнала 2-Р триггер 12 переводится в состояние «1», в результате чего распределитель 25 сигналом по второму (R) входу возвращается в начальное состояние. Устройство возвращается на этап сравнения текущих и ранее занесенных в регистр сигналов состояния датчиков. При переходе на каждый новый этап работы по сигналу от формирователя 21, поступающему на четвертый (R) вход, триггер 11 возвращается в начальное состояние. После возврата распределителя 25 в начальное состояние сигналом «1» с выхода 1-Р возвращается (по входу R) в начальное состояние и триггер 12.
Если к моменту формирования сигнала «1» на выходе 2-Р триггер 11 переведен в состояние «1», на его втором выходе образован сигнал «0», триггер 12 не переводится в состояние «1», а распределитель не возвращается в начальное состояние, устройство переходит на этап 2-Р.
На этапе 2-Р проводится запись текущих состояний датчиков в регистр 9. На вход ИЛИ-НЕ 32 подается сигнал «1», поэтому сигналы, формируемые на выходах коммутатора 3, идентичны формировавшимся на этапе 1-Р. Сигнал «1» подается на вход ИЛИ 17, поэтому на вход управления (У) регистра 9 подан сигнал «1» с выхода ИЛИ 17, этим сигналом регистр 9 переводится в режим записи информации, счетчик 6 к началу этапа 2-Р установлен в начальное состояние. В результате на втором микротакте каждого такта сигнал от коммутатора 4, повторенный на выходе ИСКЛЮЧАЮЩЕГО ИЛИ 31, заносится в выбранную ячейку регистра. Номер ячейки определяется адресными сигналами на входах 1А…mA мультиплексора и регистра. К моменту окончания этапа 2-Р в регистр 9 оказываются записанными сигналы, соответствующие текущим состояниям датчиков.
На очередном этапе 3-Р устанавливается тайм-аут, который отделяет моменты начальной и повторной записи данных в регистр и уменьшает вероятность искажения информации помехами в цепях связи датчиков с кодером, реализованным на счетчике 6, мультиплексоре 7, коммутаторах 2, 3 и 4, ИСКЛЮЧАЮЩЕМ ИЛИ 31.
Этап 4-Р выделяется для диагностики работоспособности общих и индивидуальных узлов устройства и отсутствия повреждений цепей связи датчиков блока 1 с кодером. На этапе 4-Р сигнал «1» на вход ИЛИ-НЕ 32 не подается, поэтому коммутатор 3 остается в нерабочем состоянии, в рабочее состояние переводится коммутатор 2. Сигнал, который формируется коммутатором 2, определяется для каждого датчика в отдельности в зависимости от сигнала, ранее записанного в регистр 9. На втором микротакте на вход разрешения регистра 9 подается рабочий сигнал, причем на указанном микротакте сигнал «1» не подается на вход управления (У) и на адресный вход (m+1)А. В результате регистр 9 оказывается в режиме считывания информации из ячеек регистра, в которые ранее, на этапе 2-Р, была занесена информация. Считываемые из регистра 9 сигналы на третьих микротактах переносятся в триггер 10. Как было показано ранее, на этапе 2-Р в регистр записывается сигнал «1», если контакт опрашиваемого датчика замкнут. Для диагностики работоспособности элементов схемы и цепей связи датчика с кодером на этапе 4-Р для таких датчиков проверяется отсутствие короткого замыкания цепи связи датчика с кодером. В рассматриваемом случае сигнал «1» с первого выхода триггера 10 переводит в рабочее состояние И-НЕ 30, на выходе элемента образуется сигнал «0». Замыкается цепь: выход «U» источника питания – параллельные ветви из резистора 41 и перехода эмиттер-база транзистора 37 – резистор 42 – вход 3 коммутатора 2 – выход И-НЕ 30 – выход «0» источника питания. Как было указано ранее, резистор 41 фиксирует рабочую точку транзистора 37, а резистор 42 определяет рабочий ток транзистора 37. Ток во входной цепи 37 приводит к появлению тока в выходной цепи: выход «U» источника питания – переход эмиттер-коллектор 37 – стабилитрон 38 – резистор 43 – второй (общий) выход блока 1 – узел 1-1…1-n, соответствующий номеру опрашиваемого датчика, – стабилитрон 35 – диод 34 – информационный вход мультиплексора 7, соответствующий номеру опрашиваемого датчика – выход «В» мультиплексора 7 – стабилитрон 53 коммутатора 4 – параллельные ветви из резистора 54 и перехода база-эмиттер транзистора 52 – выход «0» источника питания. Если из рассмотренной цепи не исключен стабилитрон 35 (цепь связи датчика с кодером не замкнута), уровень выходного рабочего сигнала коммутатора 2 оказывается меньше порогового уровня для рассмотренной цепи. В результате транзистор 52 коммутатора 4 остается в нерабочем состоянии, ток в выходной цепи 52 отсутствует, уровень сигнала на выходе коммутатора 4 равен «1». Так как на второй вход ИСКЛЮЧАЮЩЕГО ИЛИ 31 в рассматриваемом режиме работы подан сигнал «1», элемент 31 выполняет функцию инвертора. В результате для рассмотренного случая сигнал на выходе 31 и информационном входе регистра 9 равен «0». На четвертом микротакте на разрешающий вход регистра 9 подан рабочий сигнал, на вход управления подается сигнал «1» с выхода ИЛИ 17, так как на его второй вход подан сигнал «1» с выхода И 23, сигнал «1» подан также на адресный вход (m+1)А регистра 9 с выхода ИЛИ 18. В результате в рассмотренном режиме работы в ячейку регистра 9, соответствующую опрашиваемому датчику, заносится сигнал «0». Следует подчеркнуть, что номер ячейки, в которую повторно заносится информация от датчика, сдвинут на «n» относительно номера ячейки, в которую первоначально заносилась информация от данного датчика. В результате в рассматриваемом случае в указанную пару ячеек регистра 9 оказывается записанной комбинация сигналов «10».
Если для рассматриваемого случая (первоначальной записи в регистр сигнала «1») цепь связи опрашиваемого датчика с кодером окажется замкнутой, из рассмотренной цепи протекания выходного тока коммутатора 2 исключается стабилитрон 35. В результате рабочий сигнал коммутатора 2 превысит пороговый, а транзистор 52 коммутатора 4 будет переведен в рабочее состояние. На выходе коммутатора 4 образуется сигнал «0», который преобразуется в сигнал «1» на выходе 31. В результате в ячейки регистра, выделенные для записи пары сигналов от одного датчика, будет записана комбинация сигналов «11», которая интерпретируется как неисправность (замыкание) цепи связи с датчиком или любая другая эквивалентная неисправность элементов устройства. Важно подчеркнуть, что при проведении диагностики работоспособности элементов устройства и цепей связи датчика с кодером задействовались цепи, которые на этапе 2-Р использовались для первоначальной записи в регистр 9 сигнала, отображающего текущее состояние датчика, что максимально повышает степень контроля. Итак, если первоначально зафиксировано замкнутое состояние какого-либо датчика, в две ячейки регистра (выделенные для одного датчика) 9 будет записана пара сигналов «10», если не обнаружена неисправность, и «11» – при обнаружении неисправности.
Рассмотрим работу устройства на этапе 4-Р для случая, когда первоначально зафиксировано разомкнутое состояние датчика, т.е. в соответствующую опрашиваемому датчику ячейку регистра был записан сигнал «0». В этом случае на этапе 4-Р триггер 10 (при считывании сигнала с соответствующей ячейки регистра) оказывается в состоянии «0», И-НЕ 30 оказывается в нерабочем состоянии, а И-НЕ 29 переводится в рабочее состояние. В этом случае, аналогично тому, как это было описано при переводе в рабочее состояние И-НЕ 30, сигналом «0» по второму входу коммутатора 2 переводится в рабочее состояние транзистор 36. Выходной сигнал транзистора 36 не ослабляется введением в выходную цепь стабилитрона 38. В результате создаются условия для диагностики отсутствия разрыва цепи связи датчика с кодером. Сформированный на выходе коммутатора 2 рабочий сигнал достаточен для перевода транзистора 52 коммутатора 4 в рабочее состояние, поэтому при исправных элементах схемы и цепи связи с опрашиваемым датчиком сигнал на выходе коммутатора 4 должен быть равным «0», а на выходе ИСКЛЮЧАЮЩЕГО ИЛИ 31 – равным «1». Как описано выше, данный сигнал заносится в выделенную для опрашиваемого датчика ячейку регистра 9, причем номер ячейки регистра сдвигается на «n» относительно ячейки, в которую ранее был записан сигнал, отображающий текущее состояние датчика. Таким образом, при фиксации разомкнутого состояния датчика и отсутствии разрыва цепи связи датчика с кодером в выделенные для опрашиваемого датчика две ячейки регистра 9 оказываются записанными сигналы «01». Если цепь связи датчика с кодером разорвана (или обнаружена эквивалентная неисправность элементов схемы), транзистор 52 коммутатора 4 не переводится в рабочее состояние, на его выходе образуется сигнал «1», а на выходе ИСКЛЮЧАЮЩЕГО ИЛИ 31 – сигнал «0», который записывается в соответствующую ячейку регистра 9. Таким образом, при фиксации разомкнутого состояния датчика и обнаружении неисправности (разрыва) цепи связи датчика с кодером в выделенные для опрашиваемого датчика две ячейки регистра 9 оказываются записанными сигналы «00». Данная ситуация идентифицируется приемником как неисправность, причем по полученным данным определяется номер датчика и тип неисправности.
Аналогично описанному проводится диагностика и повторная запись в регистр информации, полученной для всех датчиков, после чего работа устройства на этапе 4-Р завершается, устройство переходит на этап 5-Р.
Этап 5-Р предназначен для формирования и передачи во внешнее управляющее устройство сигнала «запрос», которым идентифицируется запись в регистр информации, которая должна быть передана приемнику. Сигнал «запрос» поступает на выход устройства от распределителя 25. В ответ на сигнал «запрос» от внешнего управляющего устройства должен поступить сигнал «передача», которым разрешается вывод информации из регистра устройства. Элемент задержки 24 фиксирует, что сигнал «передача» не поступает в устройство в течение заданного времени, т.е. определяет нештатную ситуацию. В этом случае на выходе 24 формируется сигнал «1», который через ИЛИ 19 поступает на первый (S) вход триггера 12. Как отмечалось выше, сигналом «1» от триггера распределитель 25 возвращается в начальное состояние. На время от выдачи устройством сигнала «запрос» и до получения ответного сигнала «передача» сигналом «1» с выхода 5-Р распределителя 25 через ИЛИ 27 блокируется работа распределителя 26, а следовательно, и счетчика 6. Если в ответ на сигнал «запрос» от внешнего устройства поступает сигнал «передача», сигнал «1» образуется на выходе И 22, который через ИЛИ 16 подается на первый (С) вход распределителя 25. Устройство переходит на этап 6-Р.
Этапы 6-Р и 7-Р выделены для передачи данных, считываемых из регистра 9. Данные сопровождаются управляющим сигналом «вывод данных», который формируется ИЛИ 15. На этапах 6-Р и 7-Р на управляющий (У) вход регистра 9 подан сигнал «0», поэтому регистр переведен в режим считывания данных. На адресный вход (m+1)А на этапе 6-Р подан сигнал «0», поэтому информация считывается из ячеек регистра, в которые были занесены текущие значения сигналов от датчиков блока 1. Считываемые из регистра 9 данные на втором микротакте переносятся в триггер 10, с первого (прямого) выхода которого информация подается на выход «данные» устройства. Данные сопровождаются также сигналами «такты» с выхода формирователя импульсов 20.
После считывания сигналов состояния всех датчиков формируется очередной сигнал на выходе формирователя 21, которым распределитель 25 переводится на очередную позицию – 7-Р. Этап 7-Р выделен для вывода информации из ячеек регистра 9, номера которых сдвинуты на «n» относительно номеров, из которых информация считывалась на этапе 6-Р. Как указывалось выше, в указанной зоне адресов регистра хранится диагностическая информация. На первый вход ИЛИ 18 подан сигнал «1», который ретранслируется на адресный вход (m+1)А регистра 9, определяя зону считывания информации. В остальном процедуры считывания данных на этапах 6-Р и 7-Р совпадают. После передачи всех диагностических сигналов формируется очередной сигнал на выходе формирователя 21, которым распределитель 25 переводится в позицию 8-Р.
Сигнал «1» с выхода 8-Р распределителя 25 через ИЛИ 19 подается на первый (S) вход триггера 12. Сигнал «1» от триггера подается на второй (R) вход распределителя 25, приводя устройство в начальное состояние. Сигнал «вывод данных» снимается, завершается цикл ввода, кодирования, диагностики и передачи данных, устройство подготовлено для выполнения процедур очередного цикла работы.
Как видно, при использовании предложенного устройства кодирования и передачи данных обеспечивается динамическая диагностика общих для всех датчиков и индивидуальных узлов, причем полученные диагностические данные вводятся в информационное сообщение устройства, что позволяет идентифицировать не только место, но и тип неисправности. При проведении процедур диагностики и рабочих процедур ввода и кодирования информации от датчиков используются одни и те же узлы и элементы, что повышает глубину диагностики. Таким образом, поставленная цель – повышение достоверности информации, достигается.
Устройство по авторскому свидетельству №1260996 – прототип предлагаемого устройства, одновременно является и базовым образцом.
Формула изобретения
1. Устройство кодирования и передачи сигналов, которое содержит источник питания, блок датчиков сигналов, первый, второй и третий коммутаторы, мультиплексор и счетчик, генератор тактовых импульсов, первый распределитель, регистр-ОЗУ, компаратор, первый, второй и третий триггеры, первый и второй формирователи импульсов, первый, второй, третий, четвертый, пятый, шестой и седьмой элементы ИЛИ, первый и второй элементы И, элемент задержки, причем ненулевой (U) выход источника питания подключен к первым входам первого и второго коммутаторов, а нулевой (0) выход – ко второму входу второго коммутатора, объединенные вторые выходы узлов блока датчиков сигналов соединены с выходом первого и вторым выходом второго коммутаторов, а первые выходы блока датчиков сигналов подключены к информационным входам мультиплексора, у которого адресные входы соединены соответствующими основными выходами счетчика и регистра-ОЗУ, а выход – с первым выходом второго коммутатора и входом третьего коммутатора, у которого выход соединен с первым входом компаратора, подключенного вторым входом к первому выходу первого триггера, который является выходом «данные» устройства, пятый выход первого распределителя является выходом «запрос» устройства и соединен со входом элемента задержки и вторым входом первого элемента И, отличающееся тем, что в него дополнительно включены второй распределитель, восьмой и девятый элементы ИЛИ, первый и второй элементы И-НЕ, элементы ИСКЛЮЧАЮЩЕЕ ИЛИ, ИЛИ-НЕ, выход которого соединен с третьим входом второго коммутатора, первый вход – с четвертым входом третьего триггера и первым выходом первого распределителя, второй вход соединен с третьим входом третьего триггера, первым входом пятого элемента ИЛИ и вторым выходом первого распределителя, четвертый выход которого соединен со вторыми входами второго элемента И, первого и второго элементов И-НЕ и ИСКЛЮЧАЮЩЕГО ИЛИ, пятый выход первого распределителя соединен со вторым входом восьмого элемента ИЛИ, шестой выход первого распределителя соединен с первым, а седьмой выход – со вторым входом третьего элемента ИЛИ, подключенного выходом к выходу «вывод данных» устройства, и первым входом шестого элемента ИЛИ, подключенного выходом к дополнительному адресному входу регистра, восьмой выход первого распределителя соединен со вторым входом седьмого элемента ИЛИ, соединенного первым входом с выходом элемента задержки, а выходом – с первым входом третьего триггера, у которого выход соединен со вторым входом первого распределителя, а второй вход – с инверсным выходом второго триггера, соединенного прямым выходом через первый вход девятого элемента ИЛИ, у которого второй вход соединен с выходом компаратора, со вторым входом второго триггера, соединенного третьим входом со вторыми входами первого и второго элементов ИЛИ и четвертым выходом второго распределителя, а четвертым входом – со вторым входом четвертого элемента ИЛИ и выходом второго формирователя импульсов, соединенного входом с дополнительным выходом счетчика, у которого второй вход соединен с первым входом первого распределителя и выходом четвертого элемента ИЛИ, подключенного первым входом к выходу первого элемента И, соединенного первым входом со входом «передача» устройства, у которого выход «такты» соединен с выходом первого формирователя импульсов, подключенного входом к первому основному выходу счетчика, и первым входом восьмого элемента ИЛИ, подключенного выходом ко второму входу второго распределителя, у которого первый вход соединен с выходом генератора, пятый выход – с первым входом счетчика, третий выход – с третьим входом первого триггера и первым входом второго элемента ИЛИ, соединенного выходом с первым входом второго элемента И, у которого выход соединен со вторыми входами пятого и шестого элементов ИЛИ, причем выход пятого элемента ИЛИ соединен с управляющим входом регистра, соединенного выходом со вторым входом первого триггера, у которого первый выход соединен с первым входом второго элемента И-НЕ, а второй выход – с первым входом первого элемента И-НЕ, причем выходы первого и второго элементов И-НЕ соединены, соответственно, с вторым и третьим входами второго коммутатора, а информационный вход регистра соединен с выходом элемента ИСКЛЮЧАЮЩЕЕ ИЛИ, подключенного первым входом к выходу третьего коммутатора, разрешающий вход регистра соединен с выходом первого элемента ИЛИ, подключенного первым входом ко второму выходу второго распределителя.
2. Устройство по п.1, отличающееся тем, что каждый индивидуальный узел блока датчиков включает первый и второй диоды, стабилитрон, причем объединенные анод первого и катод второго диода образуют первый индивидуальный выход узла, катод первого диода соединен с одним выходом узла, анод стабилитрона соединен с анодом второго диода, второй выход узла соединен с катодом стабилитрона, объединен с точками соединения второго выхода узла и катода стабилитрона всех узлов и образует второй, общий выход блока датчиков.
3. Устройство по п.1, отличающееся тем, что первый коммутатор включает первый и второй транзисторы, первый, второй, третий, четвертый и пятый резисторы и стабилитрон, причем эмиттеры первого и второго транзисторов и первые выводы первого и третьего резисторов соединены между собой, образуют первый вход коммутатора и подключены к ненулевому (U) выходу источника питания, вторые выводы первого и третьего резисторов соединены, соответственно, с базами первого и второго транзисторов и первыми выводами второго и четвертого резисторов, вторые выводы которых образуют, соответственно, второй и третий входы первого коммутатора, выход которого подключен к первому выводу пятого резистора, второй вывод которого соединен с коллектором первого транзистора и анодом стабилитрона, соединенного эмиттером с коллектором второго транзистора.
4. Устройство по п.1, отличающееся тем, что второй коммутатор включает третий и четвертый транзисторы, шестой, седьмой, восьмой, девятый и десятый резисторы и третий диод, причем эмиттер третьего транзистора и первый вывод шестого резистора подключены через первый вход коммутатора к ненулевому (U) выходу источника питания, база третьего транзистора и второй вывод шестого резистора объединены и подключены к первому выводу седьмого резистора, второй вывод которого является третьим входом второго коммутатора, второй вход которого соединен с нулевым выходом источника питания и объединенными эмиттером четвертого транзистора и первым выводом девятого резистора, второй вывод которого соединен с базой четвертого транзистора, а через восьмой резистор с коллектором третьего транзистора и первым выводом десятого резистора, второй вывод которого соединен с анодом третьего диода, подключенного катодом к первому выходу второго коммутатора, у которого второй выход соединен с коллектором четвертого транзистора.
5. Устройство по п.1, отличающееся тем, что третий коммутатор включает пятый транзистор, стабилитрон, одиннадцатый и двенадцатый резисторы, причем первый вывод двенадцатого резистора соединен с ненулевым выходом источника питания, второй вывод двенадцатого резистора образует выход третьего коммутатора и соединен с коллектором пятого транзистора, у которого база соединена с первым выводом одиннадцатого резистора и анодом стабилитрона, катод которого образует вход третьего коммутатора, а эмиттер пятого транзистора соединен со вторым выводом одиннадцатого резистора и нулевым выходом источника питания.
РИСУНКИ
|
|