|
|
(21), (22) Заявка: 2005101528/09, 24.01.2005
(24) Дата начала отсчета срока действия патента:
24.01.2005
(46) Опубликовано: 20.08.2006
(56) Список документов, цитированных в отчете о поиске:
RU 2227931 C1, 27.04.2004. RU 2047894 C1, 10.11.1995. SU 1730616 А1, 30.04.1992. SU 1587486 А1, 23.08.1990. GB 2342732 А, 19.04.2000.
Адрес для переписки:
432027, г.Ульяновск, Северный Венец, 32, ГОУ ВПО “Ульяновский государственный технический университет”, проректору по научной работе
|
(72) Автор(ы):
Андреев Дмитрий Васильевич (RU)
(73) Патентообладатель(и):
Государственное образовательное учреждение высшего профессионального образования “Ульяновский государственный технический университет” (RU)
|
(54) ЛОГИЧЕСКИЙ ВЫЧИСЛИТЕЛЬ
(57) Реферат:
Изобретение относится к вычислительной технике и может быть использовано для построения средств автоматики, функциональных узлов систем управления. Техническим результатом является упрощение устройства. Устройство содержит n логических модулей, каждый из которых состоит из D-триггера, элемента И, элемента ИЛИ, замыкающего и размыкающего ключей. 2 ил., 1 табл.
Изобретение относится к вычислительной технике и может быть использовано для построения средств автоматики, функциональных узлов систем управления и др.
Известны логические вычислители (см., например, рис.5.3 на стр.144 в книге Гутников B.C. Интегральная электроника в измерительных устройствах. Л.: Энергоатомиздат, 1988), которые реализуют простую симметричную булеву функцию 2=х1x2 x1x3 x2x3, зависящую от трех аргументов – входных двоичных сигналов х1, х2, x3 {0,1}.
К причине, препятствующей достижению указанного ниже технического результата при использовании известных логических вычислителей, относятся ограниченные функциональные возможности, обусловленные тем, что не выполняется реализация любой из n простых симметричных булевых функций, зависящих от n аргументов -входных двоичных сигналов x1,…, xn {0,1}.
Наиболее близким устройством того же назначения к заявленному изобретению по совокупности признаков является принятый за прототип логический вычислитель (фиг.1 в описании изобретения к патенту РФ 2227931, кл. G 06 F 7/00, 2004 г.), который содержит n логических модулей и реализует любую из n простых симметричных булевых функций 1,…, n, зависящих от n аргументов – входных двоичных сигналов х1,…, xn {0,1}.
К причине, препятствующей достижению указанного ниже технического результата при использовании прототипа, относится зависимость времени, в течение которого входные двоичные сигналы не должны изменяться, от индекса реализуемой функции.
Техническим результатом изобретения является упрощение реализации простых симметричных булевых функций 1,…, n за счет исключения зависимости между временем, в течение которого аргументы этих функций (входные двоичные сигналы) не должны изменяться, и индексом реализуемой функции.
Указанный технический результат при осуществлении изобретения достигается тем, что в логическом вычислителе, содержащем n логических модулей, каждый из которых содержит элемент ИЛИ, элемент И, подсоединенный первым и вторым входами соответственно к второму и первому входам элемента ИЛИ, и D-триггер, подключенный неинвертирующим выходом и тактовым входом соответственно к первому выходу и второму входу логического модуля, третий вход и первый выход которого объединены, а пятый вход подключен к второму входу элемента И, второй выход каждого предыдущего логического модуля соединен с пятым входом последующего логического модуля, а пятый вход первого и второй выход n-го логических модулей подключены соответственно к шине нулевого потенциала и выходу логического вычислителя, первый и второй управляющие входы которого образованы соответственно объединенными первыми и объединенными вторыми входами всех логических модулей, особенность заключается в том, что в каждый логический модуль введены замыкающий и размыкающий ключи, причем выход и вход замыкающего ключа соединены соответственно с входом данных D-триггера, выходом размыкающего ключа, подсоединенного входом к выходу элемента И, и четвертым входом логического модуля, первый, третий входы и второй выход которого образованы соответственно входом управления замыкающего, размыкающего ключей, первым входом элемента И и выходом элемента ИЛИ.
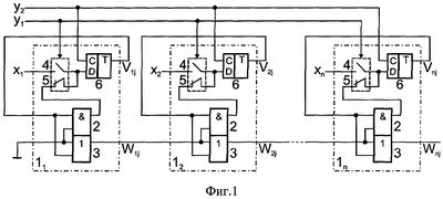
На фиг.1 и фиг.2 представлены соответственно схема предлагаемого логического вычислителя и временные диаграммы, поясняющие принцип его работы.
Логический вычислитель содержит n логических модулей 11,…, 1n. Каждый логический модуль содержит элемент И 2, элемент ИЛИ 3, замыкающий и размыкающий ключи 4 и 5, D-триггер 6, причем первый, второй входы и выход элемента 2 соединены соответственно с вторым, первым входами элемента 3 и входом ключа 5, подсоединенного выходом к выходу ключа 4 и входу данных D-триггера 6, тактовый вход и неинвертирующий выход которого соединены соответственно с вторым входом и первым выходом логического модуля, подключенного первым, третьим, четвертым, пятым входами и вторым выходом соответственно к входу управления ключей 4, 5, первому входу элемента 2, входу ключа 4, первому входу и выходу элемента 3. Первый выход каждого логического модуля соединен с его третьим входом, второй выход модуля подключен к пятому входу модуля 1k+1, а пятый вход модуля 11 и второй выход модуля 1n соединены соответственно с шиной нулевого потенциала и выходом логического вычислителя, первый и второй управляющие входы которого образованы соответственно объединенными первыми и объединенными вторыми входами модулей 11,…, 1n.
Работа предлагаемого логического вычислителя осуществляется следующим образом. На четвертые входы логических модулей 11,…, 1n подаются соответственно двоичные сигналы x1,…, xn {0,1}; на первый, второй управляющие входы логического вычислителя подаются соответственно импульсные сигналы y1, y2 {0,1} (фиг.2), причем период Т сигнала y2 должен удовлетворять условию Т> t, где t= tТр+n tИЛИ, а tTp и tИЛИ есть длительности задержек, вносимых D-триггером 6 и элементом 3. Если y1=1 (y1=0), то ключ 4 замкнут (разомкнут), а ключ 5 разомкнут (замкнут). Тогда сигналы на первом и втором выходах логического модуля будут определяться соответственно рекуррентными выражениями

и
Wij=Vij W(i-1)j,
где есть номер момента времени tj (фиг.2); W0j=0. В представленной ниже таблице приведены значения указанных рекуррентных выражений при n=4.
| V11=x1 |
V21=x2 |
V31=x3 |
V41=x4 |
| W11=x1 |
W21=x1 x2 |
W31=x1 x2 x3 |
W41=x1 x2 x3 x4 |
| V12=0 |
V22=x1x2 |
V32=x1x3 x2x3 |
V42=x1x4 x2x4 x3x4 |
| W12=0 |
W22=x1x2 |
W32=x1x2 x1x3 x2x3 |
W42=x1x2 x1x3 x1x4 x2x3 x2x4 x3x4 |
| V13=0 |
V23=0 |
V33=x1x2x3 |
V43=x1x3x4 x2x3x4 x1x2x4 |
| W13=0 |
W23=0 |
W33=x1x2x3 |
W43=x1x2x3 x1x2x4 x1x3x4 x2x3x4 |
| V14=0 |
V24=0 |
V34=0 |
V44=x1x2x3x4 |
| W14=0 |
W24=0 |
W34=0 |
W44=x1x2x3x4 |
Таким образом, на выходе предлагаемого логического вычислителя имеем

где 1,…, n есть простые симметричные булевы функции (см. стр.126 в книге Поспелов Д.А. Логические методы анализа и синтеза схем. М.: Энергия, 1974). При этом сигналы х1,…, хn не должны изменяться, пока сигнал y1 имеет высокий уровень.
Вышеизложенные сведения позволяют сделать вывод, что предлагаемый логический вычислитель выполняет более простую по сравнению с прототипом реализацию функций 1,…, n, поскольку устранена зависимость между временем, в течение которого аргументы этих функций (входные двоичные сигналы х1,…, xn) не должны изменяться, и индексом реализуемой функции. Дополнительным достоинством предлагаемого логического вычислителя является более простая по сравнению с прототипом настройка, так как для реализации функции q(q {1,…,n}) указанному вычислителю потребуется на n-1 импульсов сигнала y2 меньше, чем прототипу.
Формула изобретения
Логический вычислитель, предназначенный для реализации любой из n простых симметричных булевых функций, зависящих от n аргументов – входных двоичных сигналов, содержащий n логических модулей, каждый из которых содержит элемент ИЛИ, элемент И, подсоединенный первым и вторым входами соответственно к второму и первому входам элемента ИЛИ, и D-триггер, подключенный неинвертирующим выходом и тактовым входом соответственно к первому выходу и второму входу логического модуля, третий вход и первый выход которого объединены, а пятый вход подключен к второму входу элемента И, второй выход каждого предыдущего логического модуля соединен с пятым входом последующего логического модуля, а пятый вход первого и второй выход n-го логических модулей подключены соответственно к шине нулевого потенциала и выходу логического вычислителя, первый и второй управляющие входы которого образованы соответственно объединенными первыми и объединенными вторыми входами всех логических модулей, отличающийся тем, что в каждый логический модуль введены замыкающий и размыкающий ключи, причем выход и вход замыкающего ключа соединены соответственно с входом данных D-триггера, выходом размыкающего ключа, подсоединенного входом к выходу элемента И, и четвертым входом логического модуля, первый, третий входы и второй выход которого образованы соответственно входом управления замыкающего, размыкающего ключей, первым входом элемента И и выходом элемента ИЛИ.
РИСУНКИ
MM4A – Досрочное прекращение действия патента СССР или патента Российской Федерации на изобретение из-за неуплаты в установленный срок пошлины за поддержание патента в силе
Дата прекращения действия патента: 25.01.2007
Извещение опубликовано: 20.06.2008 БИ: 17/2008
|
|