|
| На основании пункта 3 статьи 13 Патентного закона Российской Федерации от 23 сентября 1992 г. № 3517-I патентообладатель обязуется передать исключительное право на изобретение (уступить патент) на условиях, соответствующих установившейся практике, лицу, первому изъявившему такое желание и уведомившему об этом патентообладателя и федеральный орган исполнительной власти по интеллектуальной собственности, – гражданину РФ или российскому юридическому лицу. |
|
(21), (22) Заявка: 2005114675/28, 13.05.2005
(24) Дата начала отсчета срока действия патента:
13.05.2005
(46) Опубликовано: 20.08.2006
(56) Список документов, цитированных в отчете о поиске:
RU 2052784 C1, 20.01.1996. SU 161507 A1, 19.03.1964. SU 1703991 A2, 07.01.1992. RU 2017080 C1, 30.07.1994. SU 1335825 A1, 07.09.1987.
Адрес для переписки:
355021, г.Ставрополь, ул. Ленина, 320, СВВАИУ, НИО, В.В. Ефанову
|
(72) Автор(ы):
Ефанов Василий Васильевич (RU), Мужичек Сергей Михайлович (RU), Глущенко Юрий Алексеевич (RU)
(73) Патентообладатель(и):
Ефанов Василий Васильевич (RU), Мужичек Сергей Михайлович (RU), Глущенко Юрий Алексеевич (RU)
|
(54) УСТРОЙСТВО ДЛЯ КОНТРОЛЯ ВИБРАЦИЙ
(57) Реферат:
Изобретение относится к области измерительной техники и может быть использовано при вибрационной диагностике машин и механизмов в процессе их эксплуатации. Техническим результатом изобретения является повышение информативности устройства. Сущность предлагаемого устройства заключается в определении прогнозируемого времени достижения вибрации уровня аварийной ситуации на основе оценки динамики изменения текущих значений вибрации, путем фиксации моментов превышения уровня вибрации двух заданных значений, определении на основе данной информации временного интервала, характеризующего скорость изменения амплитуды вибраций, измерении его значений и прогнозировании относительно второго заданного уровня, соответствующего предупредительному уровню вибрации, временного интервала достижения третьего заданного значения уровня вибрации, которое соответствует аварийной ситуации. Величина предупредительного уровня вибрации выбирается равной половине от уровня соответствующей аварийной ситуации. 1 ил.
Изобретение относится к измерительной технике и может быть использовано при вибрационной диагностике машин и механизмов в процессе их эксплуатации.
Известно устройство, содержащее последовательно соединенные вибропреобразователь, полосовой фильтр, масштабирующий усилитель и пороговый элемент с подключенным к его второму входу задатчиком уровня, логическую схему, подключенные к ее выходам блоки защиты и аварийной сигнализации и блок предупредительной сигнализации (Авторское свидетельство СССР №161507, кл. G 01 M 7/00, 1965 г.).
Недостатком данного устройства является отсутствие самоконтроля в процессе работы, что снижает его надежность.
Наиболее близким изобретением является устройство для контроля вибраций, содержащее последовательно соединенные вибропреобразователь, полосовой фильтр, масштабирующий усилитель, первый, второй и третий пороговые элементы, входы которых соединены с выходом масштабирующего усилителя, первую схему совпадения, два входа которой соединены с выходами первого и второго пороговых элементов, а остальные – с выходами блока питания, вторую схему совпадения, два входа которой подключены к выходам второго и третьего пороговых элементов, а остальные – к выходам блока питания, первую схему задержки, вход которой соединен с выходом первой схемы совпадения, а выход – с первым входом третьей схемы совпадения, второй вход которой соединен с выходом первого порогового элемента, первый триггер, один из установочных входов которого соединен с выходом третьей схемы совпадения, вторую схему задержки, где вход подключен к установочному входу второго триггера, четвертую схему совпадения, один из входов которой соединен через инвертор с выходом первого порогового элемента, а второй – с первым выходом второго триггера, третью схему задержки, вход которой соединен с выходом второй схемы совпадения, а выход через пятую схему совпадения подключен к одному из установочных входов третьего триггера, причем второй вход пятой схемы совпадения соединен с выходом третьего порогового элемента, а второй установочный вход третьего триггера соединен с выходом третьего порогового элемента через второй инвертор, и шестую схему совпадения, второй вход которой подключен к первому выводу второго триггера, при этом выход первого триггера соединен с выходом блока аварийной сигнализации, выход второго триггера – с блоком защиты, а выход третьего триггера – с блоком предупредительной сигнализации (Патент РФ №2052784, кл. G 01 М 7/00, 20.01.1996 г.).
Недостатками данного устройства являются отсутствие анализа процесса нарастания амплитуды вибрации и, соответственно, невозможность прогнозирования времени до наступления аварийной ситуации.
Цель изобретения – повышение информативности устройства для контроля вибраций за счет прогнозирования времени до наступления аварийной ситуации.
В заявляемом устройстве для анализа динамики изменения амплитуды вибраций используется элемент ИЛИ, сдвиговый регистр, схема совпадения, счетчик, генератор импульсов, индикатор прогнозирования времени наступления аварийной сигнализации.
Для достижения цели в устройство для контроля вибраций, которое содержит последовательно соединенные вибропреобразователь, полосовой фильтр и масштабирующий усилитель, первый, второй, третий пороговые элементы, первый и второй элементы И-НЕ, первую, вторую, третью, четвертую, пятую, шестую схему совпадений, первую, вторую, третью схему задержки, блок питания, первый, второй, третий триггеры, блок предварительной сигнализации, блок аварийной сигнализации, блок защиты, дополнительно введены задатчик уровней сигнализаций, элемент ИЛИ, сдвиговый регистр, седьмая схема совпадений, счетчик, индикатор времени, генератор сигналов, причем первые входы первого, второго, третьего пороговых элементов соединены с выходом масштабирующего усилителя, а вторые входы – с соответствующими выходами задатчика уровней сигнализации, выход первого порогового элемента соединен одновременно с первым входом элемента ИЛИ и вторыми входами первой и второй схем совпадений, группа третьих входов которых соединена с выходами блока питания, выход второго порогового элемента соединен одновременно с первым входом первой схемы совпадения, вторым входом элемента ИЛИ, первым входом четвертой схемы совпадения и с входом первого элемента И-НЕ, выход которого соединен с первым вводом третьей схемы совпадения, второй вход которой соединен с первым выходом третьего триггера, выход третьего порогового элемента соединен с первым входом второй схемы совпадения, с вторым входом пятой схемы совпадения и с входом второго элемента И-НЕ, выход которого соединен с первым входом шестой схемы совпадения, второй вход которой соединен с первым выходом третьего триггера, выходы третьей и шестой схем совпадения соединены соответственно с вторыми входами первого и второго триггера, выход первой схемы совпадения соединен с входом первой схемы задержки, выход которой соединен с вторым входом четвертой схемы совпадения, выход которой соединен с первым входом первого триггера, выход которого соединен с входом блока предупреждения сигнализации, выход элемента ИЛИ соединен с входом сдвигового регистра, выход которого соединен с первым входом седьмой схемы совпадений, второй вход которой соединен с выходом генератора, а выход – с входом счетчика, выход которого соединен с входом блока индикации, выход второй схемы совпадений соединен с входом второй схемы задержки, выход которой соединен с первым входом пятой схемы совпадений, выход которой соединен с первым входом второго триггера, выход которого соединен одновременно с входом блока аварийной сигнализации и входом третьей схемы задержки, выход которой соединен с входом третьего триггера, второй выход которого соединен с входом блока защиты.
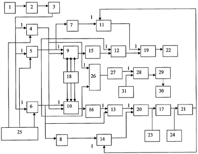
На чертеже показана блок-схема устройства.
Устройство содержит последовательно соединенные вибропреобразователь 1, полосовой фильтр 2 и масштабирующий усилитель 3, первый 4, второй 5, третий 6 пороговые элементы, первый 7 и второй 8 элементы И-НЕ, первую 9, вторую 10, третью 11, четвертую 12, пятую 13, шестую 14 схемы совпадений, первую 15, вторую 16, третью 17 схемы задержки, блок 18 питания, первый 19, второй 20, третий 21 триггеры, блок 22 предварительной сигнализации, блок 23 аварийной сигнализации, блок 24 защиты, задатчик 25 уровней сигнализаций, элемент ИЛИ 26, сдвиговый регистр 27, седьмую схему 28 совпадений, счетчик 29, индикатор 30 времени, генератор 31 сигналов, причем первые входы первого 4, второго 5, третьего 6 пороговых элементов соединены с выходом масштабирующего усилителя 3, а вторые входы – с соответствующими выходами задатчика 25 уровней сигнализации, выход первого 4 порогового элемента соединен одновременно с первым входом элемента ИЛИ 26 и вторыми входами первой 9 и второй 10 схем совпадений, группа третьих входов которых соединена с выходами блока 18 питания, выход второго порогового элемента 5 соединен одновременно с первым входом первой 9 схемы совпадения, вторым входом элемента ИЛИ 26, первым входом четвертой схемы 12 совпадения и с входом первого элемента И-НЕ 7, выход которого соединен с первым входом третьей схемы 11 совпадения, второй вход которой соединен с первым выходом третьего 21 триггера, выход третьего порогового элемента 6 соединен с первым входом второй схемы 10 совпадения, с вторым входом пятой схемы 13 совпадения и с входом второго элемента И-НЕ 8, выход которого соединен с первым входом шестой схемы 14 совпадения, второй вход которой соединен с первым выходом третьего триггера 21, выходы третьей 11 и шестой 14 схем совпадения соединены соответственно с вторыми входами первого 19 и второго 20 триггеров, выход первой схемы 9 совпадения соединен с входом первой схемы 15 задержки, выход которой соединен с вторым входом четвертой схемы 12 совпадения, выход которой соединен с первым входом первого триггера 19, выход которого соединен с входом блока 22 предупреждения сигнализации, выход элемента ИЛИ 26 соединен с входом сдвигового регистра 27, выход которого соединен с первым входом седьмой схемы 28 совпадений, второй вход которой соединен с выходом генератора 31, а выход – с входом счетчика 29, выход которого соединен с входом блока 30 индикации, выход второй схемы 10 совпадений соединен с входом второй схемы 16 задержки, выход которой соединен с первым входом пятой схемы 13 совпадений, выход которой соединен с первым входом второго триггера 20, выход которого соединен одновременно с входом блока 23 аварийной сигнализации и входом третьей схемы 17 задержки, выход которой соединен с входом третьего триггера 21, второй выход которого соединен с входом блока 24 защиты.
Работает устройство следующим образом.
Сигнал вибропреобразователя 1 после фильтра 2 и масштабирующего усилителя 3 поступает на входы пороговых элементов 4-6. Уровень срабатывания порогового элемента 4 выбирается таким образом, чтобы при минимальной амплитуде сигнала с вибропреобразователя на его выходе был сигнал, поступающий на входы схем 9 и 10 совпадения.
При обрыве кабеля вибропреобразователя 1 сигнал на выходе порогового элемента 4 отсутствует, блокируются схемы 9 и 10 совпадения и работа всего устройства. Аналогично происходит работа при отсутствии хотя бы одного из выходных напряжений блока 9 питания.
Пороговый элемент 5 имеет уровень срабатывания предупредительной сигнализации, соответствующий половине уровня срабатывания порогового элемента 6, соответствующего аварийной ситуации.
При достижении амплитуды сигнала с вибропреобразователя 1 уровня предварительной сигнализации сигнал порогового элемента 5 через схему 9 совпадения (при наличии всех остальных сигналов) запускает схему 15 задержки. Время задержки устанавливается таким, чтобы кратковременные повышения амплитуды вибрации, а также импульсные помехи не приводили к срабатыванию схем предупредительной и аварийной сигнализации. Если действительно появляется устойчивый сигнал на выходе порогового элемента 5, то происходит совпадение сигналов на входах схемы 12 совпадения и ее выходной сигнал перебрасывает триггер 19 в “единичное” состояние. При этом присутствует сигнал предварительной сигнализации в блоке 22.
Анализ динамики увеличения амплитуды сигнала вибрации осуществляется на основе фиксации моментов срабатывания первого 4 и второго 5 пороговых элементов, сигналы с выходов первого 4 и второго 5 пороговых элементов поступают через элемент ИЛИ 26 на вход сдвигового регистра 26, с выхода которого сигнал, пропорциональный временному интервалу нарастания амплитуды между двумя пороговыми устройствами, поступает на вход схемы 28 совпадения, на второй вход которой поступает сигнал с генератора 31 импульса, с выхода схемы 28 совпадения сигнал поступает на счетчик 29, с выхода которого поступает на блок 30 индикации, сигнализируя о времени, оставшемся до достижения уровня аварийной сигнализации. Оператор получает дополнительный информативный признак и принимает решение о снижении уровня вибрации.
Если оператор не предпринял своевременных действий по снижению вибраций, то при достижении амплитуды сигнала с вибропреобразователя 1 уровня аварийной сигнализации сигнал порогового элемента 6 через схему 10 совпадения (при наличии всех остальных сигналов) запускает схему 16 задержки и при устойчивом уровне сигнала происходит совпадение сигналов на входах схемы 13 совпадения и ее выходной сигнал перебрасывает триггер 20 в “единичное” состояние. При этом присутствует сигнал аварийной сигнализации в блоке 23. Выходной сигнал триггера 20 задерживается схемой 17 задержки на время, необходимое оператору для принятия решения. Если сигнал аварийной защиты не блокируется оператором, то выходной сигнал схемы 17 задержки перебрасывает триггер 21 в “единичное” состояние, формируя сигнал аварийной защиты в блоке 24.
Таким образом, введение новых элементов обеспечивает повышение информативности за счет сообщения информации о временном интервале до достижения аварийного уровня вибрации, что позволит принять своевременные меры по защите машин.
Устройство может найти применение в системе защиты технологического оборудования, машин и агрегатов от вибрационных перегрузок.
Источники информации
1. Авторское свидетельство СССР №161507, кл. G 01 M 7/00, 1965 г.
2. Патент РФ №2052784, кл. G 01 M 7/00, 20.01.1996 г. (прототип).
Формула изобретения
Устройство для контроля вибраций, содержащее последовательно соединенные вибропреобразователь, полосовой фильтр и масштабирующий усилитель, первый, второй, третий пороговые элементы, первый и второй элементы И-НЕ, первую, вторую, третью, четвертую, пятую, шестую схему совпадений, первую, вторую, третью схему задержки, блок питания, первый, второй, третий триггеры, блок предварительной сигнализации, блок аварийной сигнализации, блок защиты, отличающееся тем, что введен задатчик уровней сигнализаций, элемент ИЛИ, сдвиговый регистр, седьмая схема совпадений, счетчик, индикатор времени, генератор сигналов, причем первые входы первого, второго, третьего пороговых элементов соединены с выходом масштабирующего усилителя, а вторые входы с соответствующими выходами задатчика уровней сигнализации, выход первого порогового элемента соединен одновременно с первым входом элемента ИЛИ и вторыми входами первой и второй схем совпадений, группа третьих входов которых соединена с выходами блока питания, выход второго порогового элемента соединен одновременно с первым входом первой схемы совпадения, вторым входом элемента ИЛИ, первым входом четвертой схемы совпадения и со входом первого элемента И-НЕ, выход которого соединен с первым входом третьей схемы совпадения, второй вход которой соединен с первым выходом третьего триггера, выход третьего порогового элемента соединен с первым входом второй схемы совпадения, со вторым входом пятой схемы совпадения и со входом второго элемента И-НЕ, выход которого соединен с первым входом шестой схемы совпадения, второй вход которой соединен с первым выходом третьего триггера, выходы третьей и шестой схем совпадения соединены соответственно со вторыми входами первого и второго триггера, выход первой схемы совпадения соединен с входом первой схемы задержки, выход которой соединен со вторым входом четвертой схемы совпадения, выход которой соединен с первым входом первого триггера, выход которого соединен со входом блока предупреждения сигнализации, выход элемента ИЛИ соединен с входом сдвигового регистра, выход которого соединен с первым входом седьмой схемы совпадений, второй вход которой соединен с выходом генератора, а выход с входом счетчика, выход которого соединен со входом блока индикации, выход второй схемы совпадений соединен со входом второй схемы задержки, выход которой соединен с первым входом пятой схемы совпадений, выход которой соединен с первым входом второго триггера, выход которого соединен одновременно с входом блока аварийной сигнализации и входом третьей схемы задержки, выход которой соединен со входом третьего триггера, второй выход которого соединен со входом блока защиты.
РИСУНКИ
|
|