|
|
(21), (22) Заявка: 2004138266/28, 27.12.2004
(24) Дата начала отсчета срока действия патента:
27.12.2004
(46) Опубликовано: 20.08.2006
(56) Список документов, цитированных в отчете о поиске:
RU 2044291 C1, 20.09.1995. RU 2219506 C2, 20.12.2003. RU 15607 U1, 27.10.2000. SU 508701, 24.05.1976.
Адрес для переписки:
624200, Свердловская обл., г. Лесной, ФГУП “Комбинат “Электрохимприбор”, патентная служба
|
(72) Автор(ы):
Осокин Юрий Михайлович (RU), Юнышев Владимир Александрович (RU), Сараханов Константин Александрович (RU), Юров Лев Васильевич (RU)
(73) Патентообладатель(и):
Федеральное государственное унитарное предприятие “Комбинат “Электрохимприбор” (RU)
|
(54) УСТРОЙСТВО ДЛЯ ПОВЕРКИ МАНОМЕТРОВ
(57) Реферат:
Сущность: в устройстве, содержащем коллектор для подключения образцового прибора и поверяемых манометров, подключенный к баку с жидкостью и источнику давления через регулирующую и распределительную аппаратуру, в качестве образцового прибора применен датчик давления, электрически соединенный с устройством управления. В качестве распределительной аппаратуры применены электроуправляемые вентили. Бак с жидкостью выполнен герметичным и соединен через один из электроуправляемых вентилей с коллектором, а через другой – с атмосферой или источником сжатого воздуха. Устройство для создания давления выполнено в виде параллельно подключенных пневмогидравлических мультипликаторов с различными коэффициентами усиления, входы которых соединены с источником сжатого воздуха через редукционные клапаны, а выходы соединены с коллектором через электроуправляемые вентили. Устройство управления содержит микропроцессор, блоки индикации и печати. Редукционные клапаны могут быть выполнены электроуправляемыми. Технический результат: использование датчика давления вместо грузопоршневого манометра и управление циклом поверки от вычислительно-управляющего устройства позволяет устранить ручной труд, связанный с установкой грузов, сократить время на поверку за счет автоматизации процесса регулировки давления и записи результатов. 1 з.п. ф-лы, 1 ил.
Изобретение относится к области измерения давления, а именно к поверке и калибровке средств измерения давления, в частности манометров.
Известны устройства для поверки манометров, выполненные на базе грузопоршневых манометров (см. ПМ РФ №15607, патент РФ №2219506).
В известных устройствах давление создается за счет ручной установки грузов и ручным насосом, что делает процесс поверки трудоемким и малопроизводительным.
Среди известных устройств наиболее близким по технической сущности (прототипом) является “Задатчик давления” (см. патент РФ №2044291), содержащий коллектор для подключения образцового прибора (грузопоршневого манометра) и поверяемых манометров, бак с жидкостью и устройство для создания давления, соединенные магистралями с коллектором, регулирующую и распределительную аппаратуру, установленную в магистралях, и устройство управления.
Использование в данном устройстве в качестве образцового прибора грузопоршневого манометра с механизмом автоматической установки и снятия грузов значительно усложняет конструкцию и требует сравнительно больших временных затрат в связи с необходимостью установки грузов на каждую ступень нагружения.
Точность применяемых в грузопоршневых манометрах гидравлических устройств для создания давления с возрастанием давления падает, поскольку приращение давления при равных перемещениях поршня гидравлического устройства для создания давления с возрастанием давления увеличивается. Кроме того, поверка манометров ведется визуально, без автоматической регистрации поверяемых параметров, что в ответственных случаях не допускается.
Задача предлагаемого технического решения – упрощение конструкции устройства, повышение производительности процесса поверки и снижение его трудоемкости, а также автоматизация операций настройки и регистрации поверяемых параметров.
Решение поставленной задачи достигается тем, что в качестве образцового прибора применен датчик давления, электрически соединенный с устройством управления, в качестве распределительной аппаратуры применены электроуправляемые вентили, бак с жидкостью выполнен герметичным и соединен через один из электроуправляемых вентилей с коллектором, а через другой – с атмосферой или источником сжатого воздуха, устройство для создания давления выполнено в виде параллельно подключенных пневмогидравлических мультипликаторов с различными коэффициентами усиления, входы которых соединены с источником сжатого воздуха через редукционные клапаны, а выходы соединены с коллектором через электроуправляемые вентили, причем устройство управления содержит программируемое вычислительно-управляющее устройство, блоки индикации и печати.
Как вариант, редукционные клапаны могут быть электроуправляемыми и электрически соединены с устройством управления.
Проведенный анализ общедоступных источников информации об уровне техники не позволил выявить техническое решение, тождественное заявленному, на основании чего делается вывод о неизвестности последнего, т.е. о соответствии представленного в настоящей заявке решения критерию «новизна».
Сопоставительный анализ заявленного решения с известными техническими решениями позволил выявить, что представленная совокупность отличительных признаков неизвестна для специалиста в данной области и не следует явным образом из известного уровня техники, на основании чего делается вывод о соответствии представленного в настоящей заявке решения критерию «изобретательский уровень».
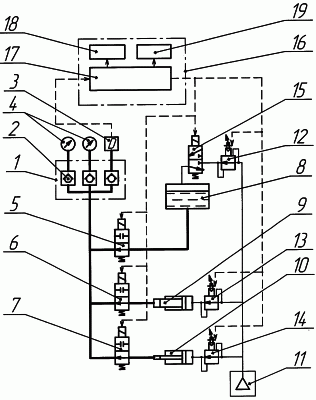
На чертеже представлена пневмогидравлическая схема предлагаемого устройства для поверки манометров. Гидравлические магистрали показаны сплошными толстыми линиями, пневматические – сплошными тонкими, электрические связи – штриховыми.
Устройство для поверки манометров содержит коллектор 1 с быстросъемными присоединениями (ниппелями) 2, посредством которых закрепляются образцовый прибор – датчик давления 3 и поверяемые манометры 4. Гидравлическими магистралями через электроуправляемые вентили 5, 6, 7 к коллектору 1 подсоединены соответственно герметичный бак с жидкостью 8, пневмогидравлические мультипликаторы низкого давления 9 и высокого давления 10.
Источник сжатого воздуха 11, например заводская пневмосеть давлением 0,6 МПа, через редукционные клапаны 12, 13 и 14 пневмомагистралями соединен соответственно с баком 8 и пневмогидравлическими мультипликаторами 9 и 10. Между редукционным клапаном 12 и баком 8 установлен электроуправляемый вентиль 15, соединяющий бак в отсутствии электрического сигнала управления с атмосферой, а при подаче электрического сигнала управления – с источником сжатого воздуха 11. Редукционные клапаны 12, 13 и 14 могут быть ручного управления и электроуправляемые. На чертеже показан вариант электроуправляемых редукционных клапанов.
Устройство управления 16 включает в себя вычислительно-управляющее устройство 17, блок индикации 18 и блок печати 19. Вычислительно-управляющее устройство 17 электрически связано с датчиком 3, электроуправляемыми вентилями 5, 6, 7 и 15, электроуправляемыми редукционными клапанами 12, 13 и 14, блоками индикации 18 и печати 19.
Устройство для поверки манометров работает по следующему циклу: повышение давления от нулевого до максимального в пределах заданного диапазона, выдержка манометра под давлением в течение заданного времени, снижение давления от максимального до нулевого.
Нормами поверки в зависимости от класса точности поверяемого манометра регламентируется количество поверяемых точек шкалы прибора в пределах заданного диапазона, в которых производится сравнение показаний образцового прибора (датчика) и поверяемого прибора (манометра). По результатам сравнения вычисляется погрешность поверяемого манометра. По величине погрешности делается вывод о пригодности манометра.
В исходном положении электроуправляемые вентили 5, 6 и 7 открыты, электроуправляемый вентиль 15 соединяет бак 8 с атмосферой, редукционные клапаны 12, 13 и 14 закрыты.
На коллектор 1 посредством быстросъемных присоединений (ниппелей) 2 закрепляют поверяемые манометры 4. Для повышения производительности может устанавливаться несколько однотипных манометров. На чертеже показан вариант установки двух манометров.
На пульте управления вычислительно-управляющего устройства 17 вводят поверяемые параметры, в данном случае диапазон показаний шкалы манометра, идентификационные номера манометров, дату поверки и т.п. В соответствии с программой, заложенной в вычислительно-управляющее устройство 17, для установленного диапазона давления задаются деления шкалы манометра, в которых производится сравнение численных значений давления по образцовому прибору и поверяемому манометру.
В зависимости от величины поверяемого давления, задаваемого вычислительно-управляющим устройством 17, по электрическим сигналам управления включаются соответствующие вентили и редукционные электроуправляемые клапаны.
В частности, если поверка производится с нарастанием давления от нуля до максимума (в пределах выбранного диапазона), то при нулевом давлении вентили 5, 6 и 7 открыты, вентиль 15 сообщает бак с атмосферой, на выходе редукционных клапанов 12, 13 и 14 давление отсутствует.
При задании следующей поверяемой точки давления, если она находится в диапазоне низких давлений, по сигналу управления срабатывает вентиль 15, который соединяет через редукционный клапан 12 бак с источником сжатого воздуха 11. При этом в случае ручного управления оператор, вращая маховик редукционного клапана 12, устанавливает стрелку первого поверяемого манометра на деление шкалы, соответствующее поверяемому значению давления. На блоке индикации 18 управляющего устройства 16 высвечивается истинное значение величины давления, регистрируемое датчиком 3. Вычислительно-управляющее устройство 17, сравнивая заданное значение поверяемого давления с истинным значением давления, вычисляет погрешность показаний поверяемого манометра и по команде оператора выводит результат на блок печати 19. Аналогично производится поверка второго манометра на данном делении шкалы поверяемого манометра.
В случае если в качестве редукционных клапанов применяются электроуправляемые редукционные клапаны, то управляющее устройство 16, подавая в соответствии с программой управляющий сигнал на редукционный клапан 12, предварительно устанавливает в гидросистеме заданное значение поверяемого давления. Затем оператор, подавая в режиме настройки электрический сигнал с пульта управления вычислительно-управляющего устройства 17 на редукционный клапан 12, устанавливает стрелку поверяемого манометра на соответствующее деление шкалы, после чего выводит на печать показания фактического значения давления и погрешности показаний манометра.
Если поверяемое значение давления находится в диапазоне средних значений, превышающих максимальное давление источника сжатого воздуха, то по сигналам с пульта управления 16 вентиль 15 соединяет бак 8 с источником сжатого воздуха 11, редукционный клапан 12 полностью открывается и гидравлическая система заполняется жидкостью под давлением источника сжатого воздуха. Вентиль 5 по сигналу с пульта управления 16, включаясь, отсоединяет бак с жидкостью 8 от коллектора 1. Затем вручную или с пульта управления воздействуя на редукционный клапан 13, посредством мультипликатора 9 в гидросистеме устанавливают требуемое значение поверяемого давления и, как описано выше, производят регистрацию поверяемых параметров.
При переходе в зону высоких значений поверяемого давления гидравлическая система коллектора 1, находящаяся под максимальным давлением, создаваемым мультипликатором при полностью открытом редукционным клапане 13, перекрывается вентилем 6 по сигналу управления вычислительно-управляющего устройства 17. Затем, аналогично описанному выше, устанавливают требуемое значение поверяемого давления редукционным клапаном 14 и регистрируют поверяемые параметры.
Для выдержки поверяемых манометров под заданным давлением в течение заданного процессом поверки времени для устранения утечек вентили 5, 6 и 7 находятся в закрытом состоянии.
В процессе поверки манометров при снижении давления от максимального до нулевого задание поверяемых значений давления производится в порядке, обратном описанному выше, с выводом поверяемых параметров на блок печати. По данным распечатки оператор делает выводы о пригодности либо непригодности манометра, сравнивая погрешность показаний поверяемого манометра с допустимой.
Таким образом, предлагаемое устройство для поверки манометров позволяет автоматизировать процесс поверки, снизить вероятность субъективных ошибок при подсчете погрешности поверяемых манометров, повысить точность настройки заданного значения давления при поверке за счет применения нескольких пневмогидравлических мультипликаторов с различными коэффициентами усиления.
Использование в качестве источника давления заводской пневматической сети позволяет снизить уровень шума и повысить культуру производства по сравнению с применением гидравлических станций.
Использование образцового датчика давления вместо грузопоршневого манометра и управление циклом поверки от вычислительно-управляющего устройства позволяет устранить ручной труд, связанный с установкой грузов, сократить время на поверку за счет автоматизации процесса регулировки давления и записи результатов. Протоколы, полученные при распечатке результатов, являются документом, объективно подтверждающим результаты поверки конкретного манометра.
Формула изобретения
1. Устройство для поверки манометров, содержащее коллектор для подключения образцового прибора и поверяемых манометров, бак с жидкостью и устройство для создания давления, соединенное магистралями с коллектором, регулирующую и распределительную аппаратуру, установленную в магистралях, и устройство управления, электрически соединенное с распределительной аппаратурой, отличающееся тем, что в качестве образцового прибора применен датчик давления, электрически соединенный с устройством управления, в качестве распределительной аппаратуры применены электроуправляемые вентили, бак с жидкостью выполнен герметичным и соединен через один из электроуправляемых вентилей с коллектором, а через другой с атмосферой или источником сжатого воздуха, устройство для создания давления выполнено в виде параллельно подключенных пневмогидравлических мультипликаторов с различными коэффициентами усиления, входы которых соединены с источником сжатого воздуха через редукционные клапаны, а выходы соединены с коллектором через электроуправляемые вентили, причем устройство управления содержит вычислительно-управляющее устройство, блоки индикации и печати.
2. Устройство по п.1, отличающееся тем, что редукционные клапаны выполнены электроуправляемыми и электрически соединены с устройством управления.
РИСУНКИ
|
|