|
|
(21), (22) Заявка: 2004128031/09, 20.09.2004
(24) Дата начала отсчета срока действия патента:
20.09.2004
(43) Дата публикации заявки: 10.03.2006
(46) Опубликовано: 27.07.2006
(56) Список документов, цитированных в отчете о поиске:
SU 1798927 A 228.02.1993. RU 2050695 C1 20.12.1995. SU 1411985 A1 23.07.1988. US 2002132590 A1 19.09.2002.
Адрес для переписки:
603950, г.Нижний Новгород, ГСП-462, пл. Комсомольская, 1, ФГУП “НПП “Полет”
|
(72) Автор(ы):
Кейстович Александр Владимирович (RU), Шавин Петр Борисович (RU)
(73) Патентообладатель(и):
Федеральное государственное унитарное предприятие “Научно-производственное предприятие “Полет” (RU)
|
(54) РАДИОСТАНЦИЯ
(57) Реферат:
Изобретение относится к радиосвязи, может быть использовано в адаптивных системах радиосвязи для организации обмена информацией по дуплексным каналам с изменяющимися параметрами, в том числе для организации связи в системах автоматизированного обмена данными воздух – земля. Достигаемым техническим результатом является расширение функциональных возможностей радиостанции за счет автоматизации процессов ввода в действие, оценки качества радиоканала связи и выбора режима работы с удаленным корреспондентом. Для этого в радиостанцию введены первый и второй аналого-цифровые преобразователи (АЦП), блок анализа сообщений, делитель частоты, цифровой модулятор, четвертый коммутатор, дифференциальная схема, делитель частоты с переменным коэффициентом деления, формирователь сообщений, третий элемент ИЛИ, оперативное запоминающее устройство, ключ, второй декодер, кодирующее устройство, преобразователь сообщений и шина управления, подключенная к входу формирователя команд управления. 1 ил.
Изобретение относится к радиосвязи, может быть использовано в адаптивных системах радиосвязи для организации обмена информацией по дуплексным каналам с изменяющимися параметрами, в том числе для организации связи в системах автоматизированного обмена данными в каналах «воздух – земля».
Известна центральная станция системы радиосвязи с подвижными объектами, содержащая последовательно соединенные приемник, демодулятор и блок дешифраторов адреса, а также передатчик, генератор импульсов, n таймеров, счетчик загрузки системы, блок задания приоритетов, счетчик числа приоритетных сообщений, последовательно соединенные формирователь сигнала включения передачи, блок хранения сигнала передачи, блок регистрации данных, блок выдачи данных, n элементов И, n счетчиков импульсов, n ключей, блок управления, n первых, n вторых формирователей импульсов, третий, четвертый формирователи импульсов, первый, второй, третий, четвертый элементы ИЛИ, запоминающий блок, где n – число обрабатываемых сообщений с подвижных объектов [1].
К недостаткам данной радиостанции системы радиосвязи следует отнести ограниченные возможности по числу обслуживаемых радиоканалов связи с различными видами модуляции.
Наиболее близкой к заявляемому объекту является радиостанция, содержащая приемник, дешифратор команд управления, первый триггер, первый коммутатор, передатчик, синтезатор частот приемника, блок выбора рабочих частот, формирователь команд управления, синтезатор частот передатчика, блок памяти частот приема, второй и третий коммутаторы, блок памяти частот передачи, блок управления подстройкой частот приемника ПРМ, блок управления подстройкой частот передатчика ПРД, второй триггер, первый элемент И, третий и четвертый триггеры, второй элемент И, формирователи импульса, синхронизатор, программатор, первую, вторую и третью шины входных сигналов, третий формирователь импульса, первый элемент ИЛИ, формирователь времени анализа, первый счетчик, декодер, второй элемент ИЛИ, генератор тактовых импульсов, второй счетчик, преобразователь двоичного кода, третий элемент ИЛИ [2].
К недостаткам прототипа следует отнести:
– не анализируется тип входной информации, которая в некоторых практических случаях определяет режим работы радиостанции;
– отсутствует схема оценки качества радиоканала связи;
– взаимодействие со вторым корреспондентом возможно только после подачи разрешающего сигнала по одной из входных шин, связанной с блоком оценки качества радиоканала.
Основной задачей, на решение которой направлено заявляемое изобретение, является расширение функциональных возможностей радиостанции за счет автоматизации процессов ввода в действие, оценки качества радиоканала связи и выбора режима работы с удаленным корреспондентом.
Указанный технический результат достигается тем, что в радиостанцию, содержащую приемник, первый выход которого через дешифратор команд управления подключен к входам третьего коммутатора блока памяти частот передачи и четвертого триггера, второй выход – через блок выбора рабочих частот подключен к входам формирователя команд управления и второго коммутатора, первый вход приемника является третьей шиной входных высокочастотных сигналов, передатчик, выход которого является высокочастотным выходом радиостанции, первый выход синхронизатора подключен через второй формирователь импульсов к входам третьего, четвертого триггеров и второго элемента И, второй выход синхронизатора подключен к программатору, третий выход – к входам блоков управления подстройкой частоты приемника и передатчика, выход второго элемента ИЛИ через последовательно соединенные первый формирователь импульсов, второй триггер соединен с входами блока памяти частот приема, второго и третьего коммутаторов и блока памяти частот передачи, выход блока управления подстройкой частот приемника через последовательно соединенные второй коммутатор, синтезатор частот приемника подключен к первому входу приемника, выход формирователя времени анализа через последовательно соединенные первый счетчик, первый декодер, блок памяти частот приема соединен с вторым входом приемника, выход блока управления подстройкой частот передатчика через последовательно соединенные третий коммутатор, синтезатор частот передатчика подключен к первому входу передатчика, выход первого элемента ИЛИ соединен с входами блока выбора рабочих частот, формирователя команд управления и через первый триггер с первым коммутатором, первый выход программатора через блок памяти частот передачи соединен с третьим входом передатчика, второй выход программатора через блок памяти частот приема соединен с третьим входом приемника, выход третьего формирователя импульсов подключен к входам первого элемента ИЛИ, формирователя времени анализа, первого счетчика, выход второго элемента И подключен ко входу первого элемента ИЛИ, первый выход формирователя команд управления подключен к вторым входам первого и четвертого триггеров, выход четвертого триггера соединен с первым входом первого элемента И, второй вход которого подключен к выходу третьего триггера, выход первого элемента И соединен с вторым входом второго триггера, генератор тактовых импульсов, введены первый аналого-цифровой преобразователь (АЦП), второй АЦП, блок анализа сообщений, делитель частоты, цифровой модулятор, четвертый коммутатор, дифференциальная схема, делитель частоты с переменным коэффициентом деления, формирователь сообщений, третий элемент ИЛИ, оперативное запоминающее устройство, ключ, второй декодер, кодирующее устройство, преобразователь сообщений, шина управления которого подключена к входу формирователя команд управления, причем генератор тактовых импульсов через делитель частоты подключен к входам первого АЦП, блока анализа сообщений, цифрового демодулятора, а через делитель частоты с переменным коэффициентом деления – к входам цифровых модулятора и демодулятора, второго декодера, второго АЦП, оперативного запоминающего устройства и кодера, а второй выход формирователя команд управления подключен к входам первого и четвертого коммутаторов, оперативного запоминающего устройства и ключа, третий выход – к входам кодера и второго декодера, формирователя и преобразователя сообщений, четвертый выход – к входам третьего коммутатора и первого элемента И, пятый выход – к входам делителя частоты с переменным коэффициентом деления, цифровых модулятора и демодулятора, выход блока памяти частот приема подключен к блоку анализа сообщений, второй выход ключа через оперативное запоминающее устройство подключен к второму входу третьего элемента ИЛИ, выход которого через первый коммутатор соединен с цифровым модулятором, третий выход приемника соединен с входом первого АЦП, первая шина входных сигналов подключена к входам «Установка в нуль» синхронизатора, блока анализа сообщений, формирователя команд управления, а также к второму входу второго элемента ИЛИ, вход преобразователя сообщений является второй шиной входных сигналов, выход формирователя сообщений является цифровым выходом радиостанции, вход второго АЦП соединен с выходом дифференциальной схемы, вход которой соединен с выходом четвертого коммутатора, вход-выход дифференциальной схемы является низкочастотным входом-выходом радиостанции.
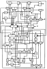
На чертеже показана структурная схема заявляемой радиостанции.
Радиостанция содержит приемник 1, дешифратор 2 команд управления, первый триггер 3, первый коммутатор 4, передатчик 5, синтезатор 6 частот приемника, блок 7 выбора рабочих частот, формирователь 8 команд управления, синтезатор 9 частот передатчика, блок 10 памяти частот приема, второй и третий коммутаторы 11 и 12, блок 13 памяти частот передачи, блок 14 управления подстройкой частоты приемника, блок 15 управления подстройкой частот передатчика, второй триггер 16, первый элемент И 17, третий и четвертый триггеры 18 и 19, второй элемент И 20, первый и второй формирователи 21 и 22 импульса, синхронизатор 23, программатор 24, первая, вторая и третья шины входных сигналов 25, 26, 27, третий формирователь 28 импульса, первый элемент ИЛИ 29, формирователь 30 времени анализа, первый счетчик 31, первый декодер 32, второй элемент ИЛИ 33, генератор 34 тактовых импульсов, первый аналого-цифровой преобразователь 35, второй АЦП 36, блок 37 анализа сообщений, делитель 38 частоты, цифровой модулятор 39, цифровой демодулятор 40, четвертый коммутатор 41, дифференциальную схему 42, делитель 43 частоты с переменным коэффициентом деления, формирователь 44 сообщений, третий элемент ИЛИ 45, оперативное запоминающее устройство 46, ключ 47, второй декодер 48, кодирующее устройство 49, преобразователь 50 сообщений. Шина управления 51 подключена к входу формирователя 8 команд управления.
Радиостанция работает следующим образом.
После включения радиостанции в начальный момент времени она устанавливается в режим приема на заранее известной рабочей частоте. Одновременно с этим она вводится в синхронизм путем подачи управляющего воздействия по первой шине 25 для начальной установки формирователя 8 команд управления, синхронизатора 23 и блока 37 анализа сообщений и через второй элемент ИЛИ 33 – на вход первого формирователя 21 импульса. Сигнал шины 25 может быть получен, например, из перепада напряжения питания, получаемого при включении радиостанции. Сформированный импульс переводит триггер 16 в состояние логической «1». Сигнал логической «1» с выхода триггера 16 поступает на входы второго 11 и третьего 12 коммутаторов и переключает управление синтезаторами 6 и 9 на блоки 14 и 15. Одновременно этот сигнал поступает на блоки 10 и 13 и разрешает переключение приемника 1 и передатчика 5 по программам смены фиксированных частот приемника 1 и передатчика 5, формируемым программатором 24. Синхронность формирования программ переключения обеспечивается синхронизатором 23 по сигналам, поступающим с его выходов на блоки 14 и 15 и программатор 24. При этом блоки 14 и 15 обеспечивают подстройку частот синтезаторов 6 и 9 в полосе пропускания приемника 1 и передатчика 5 относительно номиналов фиксированных частот. При отсутствии радиосигнала на первой из назначенных радиочастот с блока 37 анализа сообщений передается воздействие на третий формирователь 28 импульсов для изменения рабочих частот приемника и передатчика.
В отсутствие принимаемого радиосигнала переключение частот приемника 1 и передатчика 5 производится через определенные интервалы времени, достаточные для перестройки радиосредств, выбора новой рабочей частоты по алгоритму работы блоков 14 и 15. На каждом интервале времени, задаваемом с помощью синхронизатора 23, после переключения частот приемника 1 и передатчика 5 и выбора рабочей частоты по сигналу с синхронизатора 23 запускается формирователь 22, с выхода которого сформированный импульс поступает на триггеры 18 и 19 и устанавливает их в состояние логического «0», который с выходов триггеров 18 и 19 поступает на элемент И 17. Одновременно импульс через элемент И 20, на второй вход которого поступает логическая «1» с второго триггера 16 через первый элемент ИЛИ 29, подается на блок 7, формирователь 8 для запроса частоты и на триггер 3, который переключает коммутатор 4 в состояние трансляции информации через цифровой модулятор 39 на передатчик 5. По фронту этого импульса блок 7 выдает номинал частоты, на которой обнаружен соответствующий радиосигнал, на коммутатор 11 и формирователь 8, который по спаду импульса формирует сообщение, которое через коммутатор 4 и цифровой модулятор 39 поступает на вход передатчика 5. После передачи сообщения по алгоритму работы блока 15 в формирователе 8 формируется сигнал, который поступает на триггер 3 и устанавливает его в начальное состояние, а триггер 19 – в состояние логической «1». Аналогичные операции выполняются и у второго корреспондента.
Состояние эфира непрерывно анализируется в блоке 37 и в формирователе 8 команд управления вырабатывается соответствующее воздействие, переключающее радиосредства синхронно на следующие по программе фиксированные частоты. Если на очередной частоте принимается радиосигнал, то дешифраторы 2 корреспондентов выделяют соответствующее сообщения, определяющие установку новых режимов взаимодействующих радиостанций, при наличии их в составе принятого радиосигнала. В случае приема радиосигнала другого формата блоком 37 анализируется цифровой сигнал на выходе первого АЦП 35. Число квантов по амплитуде и дискрет во времени АЦП 35 выбирается из условия обработки принимаемых сигналов максимального динамического диапазона и скорости передачи данных соответственного. Анализ может быть проведен, например, по следующим характеристикам: виду модуляции, форме сигнала, преамбуле и другим характеристикам. Цифровой сигнал, несущий информацию о номинале рабочей частоты, с выхода дешифратора 2 поступает на третий триггер 18 непосредственно и после проведения последовательных операций анализа в блоке 37, формирования соответствующей команды управления в блоке 8 подается на первый элемент И 17 и коммутатор 12. При совпадении сигналов логических «1» или «0» с триггеров 18, 19 и с формирователя 8 команд управления элемент И 17 формирует сигнал, который поступает на триггер 16 и переводит его в состояние «0». Сигнал логического «0» с выхода триггера 16 поступает на коммутаторы 11 и 12, которые переключают управление синтезатором 6 частот приемника на блок 7, а синтезатором 9 частот передатчика – на дешифратор 2 или формирователь 8, после чего радиосредства корреспондентов настраиваются на соответствующие рабочие частоты, и начинается обмен информацией, поступающей через коммутатор 4 и цифровой модулятор 39. Радиостанция может работать в режиме обмена цифровыми и речевыми (аналоговыми) данными. Переключение этих режимов осуществляется после анализа выходных сигналов первого АЦП 35 в блоке 37, например, по форме сигнала или номиналу рабочей частоты, с блока 10 памяти частот приема. В блоке 37 анализа сообщений принимаемому сигналу ставятся в соответствие виды сообщений, на обмен которыми рассчитана радиостанция. При совпадении сигнала с одним из них через формирователь 8 команд управления на цифровой демодулятор 40 выдается соответствующее воздействие для выполнения заданных операций. Если принят аналоговый сигнал, с первого выхода формирователя 8 выдаются соответствующие управляющие воздействия на делитель 43 частоты с переменным коэффициентом деления импульсов, поступающих с генератора 34, цифровой модулятор 39 и демодулятор 40, со второго выхода – на четвертый коммутатор 41, оперативное запоминающее устройство 46, ключ 47, с третьего выхода – на четвертый триггер 19 и через первый триггер 3 на первый коммутатор 4. Преобразование четырехпроводных линий для аналоговых сигналов в двухпроводные осуществляется в дифференциальной схеме 42, вход-выход которой является входом-выходом радиостанции. В случае приема цифрового сигнала с формирователя 8 соответствующее управляющее воздействие рассылается на упомянутые выше узлы 41, 46, 47, а также с четвертого выхода – на второе декодирующее устройство 48, кодирующее устройство 49, формирователь 44 и преобразователь 50 сообщений. Цифровые сигналы подаются на вход преобразователя 50 сообщений (шина 26), а выдаются потребителю с выхода формирователя 44 сообщений.
При отсутствии радиосигнала или снижении достоверности принимаемой информации ниже заданного уровня с блока 37 анализа сообщений соответствующая команда поступает на третий формирователь 28 импульса. С формирователя 28 импульса импульс через элемент ИЛИ 29 поступает на вход блока 7 для запроса новой частоты, сообщение о которой поступает на коммутатор 11, и приемник 1 с помощью блоков 11 и 6 переключается на новую частоту. Этот же импульс поступает на триггер 3 для управления переключением коммутатора 4 в состояние трансляции информации с формирователя 8 и для считывания кодограммы команды корреспонденту. Кодограмма через коммутатор 4 и цифровой модулятор 39 поступает на передатчик 5 и передается корреспонденту. После передачи команды корреспонденту (окончание считывания кодограммы) сигналом с выхода формирователя 8 триггер 3 устанавливается в исходное состояние, коммутатор 4 также переключается в исходное состояние, а на вход передатчика 5 поступает кодограмма информации с оконечного устройства.
Кодограмма команды, принятая вторым корреспондентом с выхода приемника 1, поступает на вход дешифратора 2, где выделяются команды, которые поступают с соответствующих выходов дешифратора 2 на коммутатор 12 и блок 13 памяти частот, переключая передатчик 5 на новую частоту. Это же сообщение поступает на блок 37 для анализа.
Для оценки блоком 37 наличия (отсутствия) аналоговых сообщений и наличия (отсутствия) цифровых сообщений используются цифровые данные с выходов первого и второго АЦП 35 и 36 и с выходов первого преобразователя 50 сообщений соответственно. При аналоговом речевом сигнале величина амплитуды в каждой дискрете во времени изменяется, что и используется в блоке 37 для анализа. Наличие цифровых сообщений на выходе преобразователя 50 определяется в блоке 37, например, по форме сигнала. Аналоговый речевой сигнал через низкочастотный вход радиостанции и дифференциальную схему 42 поступает на вход второго АЦП 36. Принимаемый аналоговый речевой сигнал после преобразований в АЦП 36 и демодуляторе 40, пройдя четвертый коммутатор 41, через дифференциальную схему 42 подается на низкочастотный выход радиостанции. Хранение цифровых сообщений осуществляется в ОЗУ 46 при соответствующем положении ключа 47, управляемого с блока 8. В случае отсутствия аналоговых сигналов с блока 37 через блок 8 в ОЗУ 46 выдается соответствующее воздействие и производится считывание с ОЗУ 46 данных, которые через третий элемент ИЛИ 45, первый коммутатор 4, цифровой модулятор 39 подаются на вход передатчика 5. На время передачи цифровых сообщений блокируется передача аналоговых сообщений.
В большинстве случаев установление режима обмена сообщениями между корреспондентами событие в вероятностном смысле редкое, поэтому в радиостанции предусмотрен режим работы с поочередной передачей аналоговых и цифровых сообщений. Если аналоговые сообщения являются приоритетными, как, например, в системах управления воздушным движением, то блок 37 анализа сообщений через формирователь 8 команд управления обеспечивает переключение коммутаторов 41 и 4 (через триггер 3) таким образом, чтобы обеспечить передачу цифровых сообщений только в свободное от речевых сообщений время.
При наличии большого числа корреспондентов в зоне радиосвязи, как, например, бывает в аэродромной зоне крупных аэропортов, режим работы радиостанции может быть определен как фиксированный путем подачи соответствующего сигнала по шине 51. В этом случае с формирователя 8 на блок 37 анализа сообщений выдается команда управления, устанавливающая блок 37 в заданный режим работы, в соответствии с которым с формирователя 8 выдаются требуемые команды управления. Например, при обмене только речевыми сообщениями могут отсутствовать узлы 44, 45, 46, 47, 48, 49, 50, а при обмене цифровыми сообщениями – узлы 36, 42 соответственно.
Блоки 1-24, 28-34 по назначению и структуре одинаковые с прототипом. Они могут быть реализованы на известных серийных элементах и узлах. Введенные блоки 35-50 могут быть реализованы на известных микросхемах. Функции блоков 3-20 и 23-50 могут быть выполнены программно с помощью ЭВМ.
К преимуществам заявляемой радиостанции следует отнести следующее:
– по результатам оценки входных принимаемых сигналов автоматически устанавливается требуемый режим работы радиостанции;
– оценка качества радиоканала связи осуществляется непосредственно с помощью узлов радиостанции – при низком качестве радиоканала связи радиостанция автоматически переходит на другую рабочую частоту.
Источники информации
1. A.C. №2050695, М.кл. Н 04 В 7/26, 1995.
2. AC №1798927, М.кл. Н 04 В 7/22, 1993 (прототип).
Формула изобретения
Радиостанция, содержащая приемник, первый выход которого через дешифратор команд управления подключен к входам третьего коммутатора блока памяти частот передачи и третьего триггера, второй выход – через блок выбора рабочих частот подключен к входам формирователя команд управления и второго коммутатора, первый высокочастотный вход приемника является третьей шиной входных высокочастотных сигналов, передатчик, выход которого является высокочастотным выходом радиостанции, первый выход синхронизатора подключен через второй формирователь импульсов к входам третьего, четвертого триггеров и второго элемента И, второй выход синхронизатора подключен к программатору, третий выход – к входам блоков управления подстройкой частоты приемника и передатчика, выход второго элемента ИЛИ через последовательно соединенные первый формирователь импульсов, второй триггер соединен с входами блока памяти частот приема, второго и третьего коммутаторов и блока памяти частот передачи, выход блока управления подстройкой частот приемника через последовательно соединенные второй коммутатор, синтезатор частот приемника подключен к первому входу приемника, выход формирователя времени анализа через последовательно соединенные первый счетчик, первый декодер, блок памяти частот приема соединен с вторым входом приемника, выход блока управления подстройкой частот передатчика через последовательно соединенные третий коммутатор, синтезатор частот передатчика подключен к первому входу передатчика, выход первого элемента ИЛИ соединен с входами блока выбора рабочих частот приема, формирователя команд управления и через первый триггер с первым коммутатором, первый выход программатора через блок памяти частот передачи соединен с третьим входом передатчика, второй выход программатора соединен с соответствующим входом блока памяти частот приема, выход третьего формирователя импульсов подключен к входам первого элемента ИЛИ, формирователя времени анализа, первого счетчика, выход второго элемента И подключен ко входу первого элемента ИЛИ, первый выход формирователя команд управления подключен к вторым входам первого и четвертого триггеров, выход четвертого триггера соединен с первым входом первого элемента И, второй вход которого подключен к выходу третьего триггера, выход первого элемента И соединен с вторым входом второго триггера, генератор тактовых импульсов, отличающаяся тем, что в нее введены первый аналого-цифровой преобразователь (АЦП), второй АЦП, блок анализа сообщений, делитель частоты, цифровые модулятор и демодулятор, четвертый коммутатор, дифференциальная схема, делитель частоты с переменным коэффициентом деления, формирователь сообщений, третий элемент ИЛИ, оперативное запоминающее устройство, ключ, второй декодер, кодирующее устройство, преобразователь сообщений, шина управления которого подключена к входу формирователя команд управления, причем генератор тактовых импульсов через делитель частоты подключен к входам первого АЦП, блока анализа сообщений, цифрового демодулятора, а через делитель частоты с переменным коэффициентом деления – к входам цифровых модулятора и демодулятора, блока анализа сообщений, второго декодера, второго АЦП, оперативного запоминающего устройства и кодера, а второй выход формирователя команд управления подключен к входам третьего элемента ИЛИ четвертого коммутаторов, оперативного запоминающего устройства и ключа, третий выход – к входам кодера и второго декодера, формирователя и преобразователя сообщений, четвертый выход – к входам третьего коммутатора и первого элемента И, пятый выход – к входам делителя частоты с переменным коэффициентом деления, цифровых модулятора и демодулятора, выход блока памяти частот приема подключен к блоку анализа сообщений, второй выход ключа через оперативное запоминающее устройство подключен к второму входу третьего элемента ИЛИ, выход которого через первый коммутатор соединен с цифровым модулятором, третий выход приемника соединен с входом первого АЦП, первая шина входных сигналов подключена к входам “Установка в нуль” синхронизатора, блока анализа сообщений, формирователя команд управления, а также к второму входу второго элемента ИЛИ, вход преобразователя сообщений является второй шиной входных сигналов, выход формирователя сообщений является цифровым выходом радиостанции, информационный вход передатчика через последовательно соединенные цифровой модулятор, первый коммутатор, второй АЦП соединен с выходом дифференциальной схемы, вход которой соединен с выходом четвертого коммутатора, вход-выход дифференциальной схемы является низкочастотным входом-выходом радиостанции.
РИСУНКИ
|
|