|
|
(21), (22) Заявка: 2004127631/28, 15.09.2004
(24) Дата начала отсчета срока действия патента:
15.09.2004
(43) Дата публикации заявки: 20.02.2006
(46) Опубликовано: 27.07.2006
(56) Список документов, цитированных в отчете о поиске:
Сборник методических пособий по контролю состояния электрооборудования. Раздел 7. Методы контроля состояния вентильных разрядников, ограничителей перенапряжения, трубчатых разрядников. М.: ОРГРЭС, 1997, стр.14-19. US 5087885, 11.02.1992. US 5886429, 23.03.1999. SU 1534602 A1, 07.01.1990.
Адрес для переписки:
428038, г.Чебоксары, б-р Миттова, 24, кв.132, Г.М. Михееву
|
(72) Автор(ы):
Федоров Юрий Алексеевич (RU), Михеев Георгий Михайлович (RU), Михеев Геннадий Михайлович (RU)
(73) Патентообладатель(и):
Федоров Юрий Алексеевич (RU), Михеев Георгий Михайлович (RU), Михеев Геннадий Михайлович (RU)
|
(54) УСТРОЙСТВО ДЛЯ ОПРЕДЕЛЕНИЯ ПАРАМЕТРОВ РАЗРЯДА СРЕДСТВ ЗАЩИТЫ ОТ ПЕРЕНАПРЯЖЕНИЯ
(57) Реферат:
Изобретение относится к электрическим измерениям, в частности к измерению параметров разрядников с шунтирующими сопротивлениями и ограничителей перенапряжений, предназначенных для защиты электрооборудования от грозовых и коммутационных перенапряжений. Устройство содержит формирователь испытательного напряжения и питаемые от него испытуемое средство защиты от перенапряжения и делитель напряжения, состоящий из последовательно соединенных высокоомного сопротивления и измерительного сопротивления, один из выводов которого подключен к общей земле, а также запоминающий электронно-лучевой осциллограф. Кроме того, оно снабжено дополнительным сопротивлением, подключенным между общей землей и измерительным сопротивлением, системой подавления помех, подключенной к измерительному сопротивлению входными выводами и к запоминающему электронно-лучевому осциллографу выходными выводами, блоком запуска, подключенным своим выходом к дополнительному входу запоминающего электронно-лучевого осциллографа, который дополнительно имеет управляющий выход, соединенный с дополнительно введенным входом формирователя испытательного напряжения. При этом запоминающий электронно-лучевой осциллограф выполнен в виде цифрового осциллографа, снабженного энергонезависимой памятью, портом сопряжения с персональным компьютером, блоком гальванической развязки входных аналоговых измерительных цепей, автономным источником питания и вычислительным блоком, позволяющим автоматически измерять и вычислять напряжение пробоя, остаточное напряжение и время развития разряда. Техническим результатом является возможность с высокой точностью в автоматизированном режиме измерить такие параметры разряда средств защиты от перенапряжений, как пробивное напряжение, остаточное напряжение и время разряда, а также возможность оперативно сохранять в электронном виде данные измерений с последующей передачей их в персональный компьютер. 2 ил.
Область техники
Изобретение относится к электрическим измерениям, в частности к измерению параметров разрядников с шунтирующими сопротивлениями и ограничителей перенапряжений, предназначенных для защиты электрооборудования от грозовых и коммутационных перенапряжений. Оно может быть использовано в энергетике при пуско-наладочных, профилактических и периодических испытаниях разрядников и ограничителей перенапряжений. Устройство с успехом может применяться при испытаниях средств защиты от перенапряжения до и после ремонта в ремонтных мастерских и их диагностики во время комплексного обследования подстанционного электрооборудования. Оно может быть использовано при испытаниях средств защиты от перенапряжения на заводе-изготовителе. Устройство также может найти применение в технике физического эксперимента.
Уровень техники
Известно устройство для определения параметров разряда средств защиты от перенапряжения, включающее формирователь испытательного напряжения и питаемые от него средство защиты от перенапряжения и делитель напряжения, состоящий из последовательно соединенных высокоомного сопротивления и измерительного сопротивления, один из выводов которого подключен к общей земле, а также пиковый вольтметр, подключенный своими входами к измерительному сопротивлению [Шинкаренко Г.В. Ремонт вентильных разрядников в Донбасской электроэнергетической системе. Электрическая станция. №9, 2002. С.64-70]. Однако данное устройство позволяет определять только пробивное напряжение. Этим устройством невозможно определить остаточное напряжение и время развития разряда, так как не осуществляется регистрация кинетики развития разряда. Измерение пробивного напряжения этим устройством осуществляется не в автоматизированном режиме. Результаты отдельных измерений приходится протоколировать на бумажном носителе, так как не предусмотрено связи с персональным компьютером.
Наиболее близким по технической сущности к предлагаемому устройству является устройство для определения параметров разряда средств защиты от перенапряжения, включающее формирователь испытательного напряжения и питаемые от него средство защиты от перенапряжения и делитель напряжения, состоящий из последовательно соединенных высокоомного сопротивления и измерительного сопротивления, один из выводов которого подключен к общей земле, а также запоминающий электронно-лучевой осциллограф, подключенный своими входами к измерительному сопротивлению [Сборник методических пособий по контролю состояния электрооборудования. Раздел 7 Методы контроля состояния вентильных разрядников, ограничителей перенапряжений, трубчатых разрядников. Москва, ОРГРЭС, 1997 г. С.26].
Однако проведение измерения параметров разряда средств защиты от перенапряжения этим устройством трудоемко, устройство не обладает высокой точностью определения пробивного и остаточного напряжения. Кроме этого, определение времени развития разряда этим устройством затруднительно. Устройство не автоматизировано. Оно не позволяет оперативно сохранять в электронном виде данные измерений с последующей передачей их в персональный компьютер и воспользоваться многочисленными функциональными возможностями последнего.
Сущность изобретения
Задача изобретения – создание устройства, позволяющего в автоматизированном режиме измерять параметры разряда средств защиты от перенапряжения с высокой точностью и обладающего возможностью оперативно сохранять в электронном виде данные измерений в энергонезависимую память для последующей математической обработки полученных результатов с применением компьютерных технологий.
Поставленная задача решается благодаря тому, что в устройство для определения параметров разряда средств защиты от перенапряжения, включающее формирователь испытательного напряжения и питаемые от него средство защиты от перенапряжения и делитель напряжения, состоящий из последовательно соединенных высокоомного сопротивления и измерительного сопротивления, один из выводов которого подключен к общей земле, а также запоминающий электронно-лучевой осциллограф, введены дополнительное сопротивление, подключенное между общей землей и измерительным сопротивлением, система подавления помех, подключенная к измерительному сопротивлению входными выводами и к запоминающему электронно-лучевому осциллографу выходными выводами, блок запуска, подключенный своим выходом к дополнительному входу запоминающего электронно-лучевого осциллографа, который дополнительно имеет управляющий выход, соединенный с дополнительно введенным входом в формирователь испытательного напряжения, причем запоминающий электронно-лучевой осциллограф выполнен в виде цифрового осциллографа, снабженного энергонезависимой памятью, портом сопряжения с персональным компьютером, блоком гальванической развязки входных аналоговых измерительных цепей, автономным источником питания и вычислительным блоком, позволяющим автоматически измерять и вычислять напряжение пробоя, остаточное напряжение и время развития разряда.
Краткое описание фигур
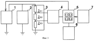
На фиг.1 приведена структурная электрическая схема предлагаемого устройства. Устройство содержит формирователь испытательного напряжения (1), испытуемое средство защиты от перенапряжения (2), делитель напряжения (3), состоящий из последовательно соединенных высокоомного сопротивления Z3.1, измерительного сопротивления Z3.2, дополнительного сопротивления Z3.3, систему подавления помех (4), цифровой осциллограф (5) с блоком гальванической развязки (5.1) аналогового сигнала, вычислительным блоком (5.2), энергонезависимой памятью (5.3) и с портом связи (5.4) для подключения к компьютеру (на фиг. не показан), автономный блок питания цифрового осциллографа (6), а также блок запуска (7).
На фиг.2 приведен пример осциллограммы, полученной при испытаниях высоковольтного разрядника (РВС-33) с помощью предлагаемого устройства, где u – напряжение на разряднике, меняющееся со временем t, Uпр. мгн. – мгновенное значение напряжения на разряднике в момент начала пробоя, Uост. – остаточное амплитудное напряжение разрядника после завершения процесса развития пробоя, tраз – время развития разряда, определяемое от момента начала пробоя до момента прекращения роста тока разрядника.
Раскрытие изобретения
Устройство работает следующим образом. Блок запуска формирует сигнал начала испытания средства защиты от перенапряжения, который подается на дополнительный вход цифрового осциллографа. При этом цифровой осциллограф через свой управляющий выход запускает формирователь испытательного напряжения. Последний начинает генерировать нарастающее во времени испытательное напряжение специальной формы (синусоидальной с частотой 50 Гц или импульсной формы), которое подается на испытуемое средство от перенапряжения и делитель, состоящий из трех последовательно соединенных сопротивлений Z3.1-3.3.. В результате на измерительном сопротивлении Z3.2 создается падение напряжения, пропорциональное напряжению на средстве защиты от перенапряжения, которое через систему подавления помех подается на блок гальванической развязки цифрового осциллографа. Наличие автономного блока питания цифрового осциллографа, гальваническая развязка его аналоговых цепей и система подавления помех с дополнительным сопротивлением Z3.3 обеспечивают наиболее эффективное подавление помехи по измерительным цепям, возникающей в момент срабатывания средства защиты от перенапряжения. Автономный блок питания позволяет исключить выход из строя цифрового осциллографа при случайном отсоединении делителя напряжения от земляного вывода. Дополнительное сопротивление Z3.3 увеличивает внутреннее сопротивление источника продольной помехи, возникающей в момент срабатывания средства защиты от перенапряжения. Система подавления помех эффективно подавляет поперечную помеху и совместно с внутренним сопротивлением источника продольной помехи подавляет продольную помеху. Гальваническая развязанная аналоговая цепь осциллографа дополнительно подавляет продольную помеху. Таким образом, достигается надежная работоспособность цифрового осциллографа в составе высоковольтного устройства, генерирующего мощные высоковольтные и высокочастотные помехи.
Нарастающее напряжение, поступающее на цифровой осциллограф с частотой дискретизации, записывается в цифровом виде в память цифрового осциллографа в течение некоторого промежутка времени до и после срабатывания средства защиты от перенапряжения. На основе этих данных вычислительный блок определяет следующие параметры разряда: напряжение пробоя, остаточное напряжение и время разряда. Далее вычислительный блок по мгновенному значению напряжения пробоя вычисляет действующее значение напряжения пробоя. Полученные данные сохраняются в энергонезависимой памяти для математической обработки и последующей передачи в персональный компьютер. Через установленный промежуток времени после срабатывания средства защиты от перенапряжения формирователь нарастающего напряжения отключается. Этим завершается первый цикл измерений. Такой цикл «измерения-вычисления-сохранения» многократно повторяется в соответствии с программой испытаний, заложенной в цифровой осциллограф. Полученные в результате многократных испытаний параметры разряда средства защиты от перенапряжения подвергаются статистической обработке вычислительным блоком, а результаты сохраняются в энергонезависимой памяти. После завершения процесса испытаний цифровой осциллограф может быть подключен к персональному компьютеру для передачи результатов испытаний, документирования и архивирования.
Пример исполнения
Номиналы сопротивлений делителя напряжения выбраны следующим образом:
Z3.1=R3.1=17 МОм; Z3.2=Z3.2=R3.1=4 кОм.
Система подавления помех выполнена из продольного трансформатора и двух шунтирующих конденсаторов.
Цифровой осциллограф включает в себя вычислительный блок, построенный на быстродействующем микропроцессоре; графический жидкокристаллический индикатор PG320240 с Analog Touch panel фирмы PowerTip; энергонезависимую память, выполненную на микросхеме AT45D фирмы Atmel; последовательный порт RS232.
Автономный блок питания выполнен в виде источника бесперебойного питания.
Формула изобретения
Устройство для определения параметров разряда средств защиты от перенапряжения, включающее формирователь испытательного напряжения и питаемые от него испытуемое средство защиты от перенапряжения и делитель напряжения, состоящий из последовательно соединенных высокоомного сопротивления и измерительного сопротивления, один из выводов которого подключен к общей земле, а также запоминающий электронно-лучевой осциллограф, отличающееся тем, что оно снабжено дополнительным сопротивлением, подключенным между общей землей и измерительным сопротивлением, системой подавления помех, подключенной к измерительному сопротивлению входными выводами и к запоминающему электронно-лучевому осциллографу выходными выводами, блоком запуска, подключенным своим выходом к дополнительному входу запоминающего электронно-лучевого осциллографа, который дополнительно имеет управляющий выход, соединенный с дополнительно введенным входом в формирователь испытательного напряжения, причем запоминающий электронно-лучевой осциллограф выполнен в виде цифрового осциллографа, снабженного энергонезависимой памятью, портом сопряжения с персональным компьютером, блоком гальванической развязки входных аналоговых измерительных цепей, автономным источником питания и вычислительным блоком, позволяющим автоматически измерять и вычислять напряжение пробоя, остаточное напряжение и время развития разряда.
РИСУНКИ
MM4A – Досрочное прекращение действия патента СССР или патента Российской Федерации на изобретение из-за неуплаты в установленный срок пошлины за поддержание патента в силе
Дата прекращения действия патента: 16.09.2008
Извещение опубликовано: 10.08.2010 БИ: 22/2010
|
|