|
|
(21), (22) Заявка: 2003110328/06, 11.09.2001
(24) Дата начала отсчета срока действия патента:
11.09.2001
(30) Конвенционный приоритет:
11.09.2000 EP 00307821.9
(43) Дата публикации заявки: 10.10.2004
(46) Опубликовано: 27.07.2006
(56) Список документов, цитированных в отчете о поиске:
US 4041721 А, 16.08.1977. JP 62149591 А, 03.07.1987. RU 2141084 C1 10.11.1999. GB 360140 A, 05.11.1931. SU 450743 A, 15.12.1974.
(85) Дата перевода заявки PCT на национальную фазу:
11.04.2003
(86) Заявка PCT:
EP 01/10561 (11.09.2001)
(87) Публикация PCT:
WO 02/21060 (14.03.2002)
Адрес для переписки:
103735, Москва, ул.Ильинка, 5/2, ООО “Союзпатент”, пат.пов. Л.И.Ятровой
|
(72) Автор(ы):
БЛИОЛТ Алан Эдгар Джон (NL), ГРОТУИС Каспер Крейно (NL), ДЕ ЛЕУ Кун Виллем (NL), РЭЙНЕН Данкан Питер Майкл (NL), ВАН ДЕР ВАЛК Клеменс Арнольдус Корнелис (NL)
(73) Патентообладатель(и):
ШЕЛЛ ИНТЕРНЭШНЛ РИСЕРЧ МААТСХАППИЙ Б.В. (NL)
|
(54) ПЛАВУЧАЯ УСТАНОВКА ДЛЯ СЖИЖЕНИЯ ПРИРОДНОГО ГАЗА
(57) Реферат:
Плавучая установка для сжижения природного газа содержит баржу, на которой расположена установка для сжижения, средство приема природного газа и средство накопления и подачи сжиженного природного газа. Установка для сжижения включает теплообменник, в котором тепло, отбираемое при сжижении природного газа, передается в воду. Баржа дополнительно содержит приемник, трубопровод забора воды с открытым концом, подвешенный на барже, входное отверстие которого расположено ниже приемника, соединительный трубопровод, проходящий от выходного отверстия трубопровода забора воды до входного отверстия приемника, насос, предназначенный для перекачки воды из приемника через трубопровод подачи в теплообменник, и систему выпуска воды, предназначенную для выпуска воды из теплообменника, в которой соединительный трубопровод имеет форму перевернутой буквы “U”, верхняя часть которой расположена выше приемника. Использование изобретения позволит обеспечить простую систему подачи и отвода воды. 4 з.п. ф-лы, 1 ил.
Настоящее изобретение относится к плавучей установке для сжижения природного газа, которая содержит баржу, на которой расположена установка для сжижения, средство приема природного газа и средство хранения и подачи сжиженного природного газа. Установка для сжижения содержит теплообменник, в котором тепло, отбираемое при сжижении природного газа, передается в воду.
Настоящее изобретение направлено на простую систему подачи воды в теплообменник установки для сжижения и отвода ее из него.
С этой целью плавучая установка для сжижения природного газа, в соответствии с настоящим изобретением, содержит баржу, на которой расположена установка для сжижения, средство приема природного газа и средство накопления и подачи сжиженного природного газа, причем установка для сжижения включает теплообменник, в котором тепло, отбираемое при сжижении природного газа, передается в воду, баржа дополнительно содержит приемник, установленный на барже, трубопровод забора воды с открытым концом, подвешенный на барже, входное отверстие которого расположено ниже приемника, соединительный трубопровод, проходящий от выходного отверстия трубопровода забора воды до входного отверстия приемника, насос, предназначенный для подачи воды из приемника через трубопровод подачи в теплообменник, и систему выпуска воды, предназначенную для выпуска воды из теплообменника, в которой соединительный трубопровод имеет форму перевернутой буквы “U”, верхняя часть которой расположена выше приемника.
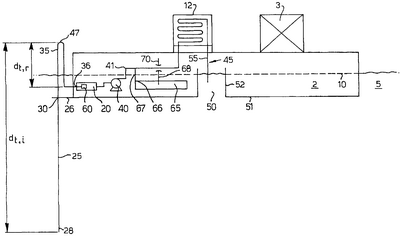
Настоящее изобретение более подробно будет описано ниже со ссылкой на прилагаемый чертеж, на котором показан вид с частичным продольным разрезом плавучей установки для сжижения природного газа в соответствии с настоящим изобретением.
Плавучая установка для сжижения природного газа содержит баржу 2, на которой распложена установка 3 для сжижения, средство для приема природного газа (не показано) и средство накопления и подачи сжиженного природного газа (не показано). Баржа 2 находится на плаву на поверхности воды 5, и пунктирной линией 10 показана ватерлиния.
Установка 3 для сжижения содержит теплообменник 12, в котором тепло, отбираемое при сжижении природного газа, передается в воду. В данной области техники хорошо известно, что природный газ сжижают путем косвенного теплообмена с хладагентом, испаряющимся в основном теплообменнике. Хладагент проходит по цепи, которая включает сжатие, сжижение и испарение в основном теплообменнике. Хладагент, который испаряется в основном теплообменнике, сжижают с использованием косвенного теплообмена с испаряющимся вспомогательным хладагентом. Вспомогательный хладагент также проходит через цепь, которая включает сжатие, сжижение и испарение. Для сжижения вспомогательного хладагента его охлаждают водой с помощью косвенного теплообмена в теплообменнике 12.
Для упрощения описания детали установки 3 для сжижения не показаны на чертеже.
Ниже более подробно описан канал прохождения охлаждающей воды.
Баржа 2 дополнительно содержит приемник 20, установленный на барже 2 ниже ватерлинии 10, трубопровод 25 забора воды с открытым концом, подвешенный на платформе 26, закрепленной на барже 2. Трубопровод 25 забора воды имеет входное отверстие 28, которое расположено ниже приемника 20, и выходное отверстие 30 на его верхнем конце, и соединительный трубопровод 35 проходит от выходного отверстия 30 трубопровода 25 забора воды до входного отверстия 36 приемника 20. Баржа 2 дополнительно содержит насос 40, предназначенный для перекачки воды из приемника 20 через трубопровод 41 подачи в теплообменник 12 и систему 45, предназначенную для выпуска воды, выходящей из теплообменника 12.
Соединительный трубопровод 35 имеет форму перевернутой буквы “U”, вершина 47 которой расположена выше ватерлинии 10.
В нормальном режиме работы природный газ поступает в установку 3 для сжижения, где он сжижается. Сжиженный природный газ накапливается на барже 2, и его можно подавать на судно, приспособленное для транспортировки сжиженного природного газа на берег. Вспомогательный хладагент охлаждают в теплообменнике 12 водой путем косвенного теплообмена.
Вода поступает в теплообменник 12 по следующему пути. Вначале вода поступает через трубопровод 25 забора воды с открытым концом и соединительный трубопровод 35 в приемник 20 и из него ее перекачивают в теплообменник 12. Из теплообменника 12 воду выпускают через систему 45 выпуска воды.
Для запуска потока воды создается сифон. Он может быть организован при заполнении приемника 20 водой и всасывании воды в трубопровод 25 забора воды и соединительный трубопровод 35 путем приложения низкого давления, pt (Н/м2), предпочтительно с помощью вакуума, до верхней части 47 соединительного трубопровода 35. Давление в трубопроводе 25 забора воды на конце его входного отверстия равно pt+ gdt,i и давление во входном отверстии 36 приемника 20 равно pt+ gdt,r, где – плотность воды (кг/м3), g – ускорение свободного падения (м/с2), dt,i – расстояние от верхней части 47 до входного отверстия 28 (м) и dt,r – расстояние от верхней части 47 до входного отверстия 36 приемника 20 (м).
Для того чтобы обеспечить непрерывный поток воды, значение dt,i должно быть больше dt,r. Предпочтительно, dt,i должно быть в 50 – 100 раз больше, чем dt,r. Кроме того, расстояние от верхней части 47 до ватерлинии 10 должно быть выбрано таким образом, чтобы давление в верхней части pt=р0– gdt,r было больше или равно 0, где р0 – атмосферное давление.
Выходное отверстие выпускного трубопровода 55 может соответствующим образом выходить на стороне баржи 2.
Предпочтительно, система 45 выпуска воды содержит отверстие 50 в днище 51 баржи 2, трубу 52, проходящую от отверстия 50 до уровня выше ватерлинии 10, и выпускной трубопровод 55, проходящий от выходного отверстия теплообменника 12, в трубу 52. Выходное отверстие выпускного трубопровода 55 заканчивается ниже ватерлинии 10.
Предпочтительно, приемник 20 содержит систему 60 фильтра, установленную таким образом, что при нормальной работе вода проходит через систему 69 фильтра в насос 40. Система фильтра содержит фильтрующее оборудование, приспособленное для непрерывной очистки воды, такое, как вращающийся барабан или циклон.
Для обеспечения возможности сброса давления в верхней части 47 соединительного трубопровода 35, или вблизи к его верхней части 47 к соединительному трубопроводу 35 подключен канал (не показан), выполненный с фланцем, и на этом фланце установлен трубопровод (не показан), к которому подключен клапан с возможностью его снятия. К открытому концу трубопровода может быть присоединен вакуумный насос. Кроме того, благодаря возможности впуска внутрь трубопровода воздуха из окружающей атмосферы, поток воды можно останавливать. Также, при демонтированном трубопроводе через канал можно опускать средство для очистки трубопровода 25 забора воды.
Предпочтительно, баржа 2 дополнительно содержит балластный резервуар 65, который содержит входное отверстие 66, соединенное через трубопровод 67 подачи с трубопроводом 41 подачи и выпускное отверстие 68, которое соединено с эжектором 70, установленным в трубопроводе 41 подачи.
В соответствии с требованиями по охлаждению установки для сжижения необходимо использовать более одного теплообменника 12. Теплообменники могут быть включены последовательно или параллельно, или с использованием комбинации последовательного и параллельного подключения. Каждый из этих теплообменников может содержать собственный выпускной трубопровод 55 или в них может использоваться единый выпускной трубопровод для двух или большего количества теплообменников.
Для охлаждения может потребоваться большее количество воды, чем обеспечивает один трубопровод 25 забора воды. Предпочтительно, количество трубопроводов забора воды выбирают в диапазоне от 6 до 8. Трубопроводы забора воды, предпочтительно, содержат средство подавления вибраций, которые могут возникать при потоке воды вокруг внешних поверхностей трубопроводов.
Баржа 2 может содержать более одного балластного резервуара 65, и каждый балластный резервуар может иметь собственный трубопровод 67 подачи и трубопровод 68 выпуска, или на ней может быть установлен один трубопровод подачи и один трубопровод выпуска для нескольких балластных резервуаров.
Формула изобретения
1. Плавучая установка для сжижения природного газа, содержащая баржу, на которой расположена установка для сжижения, средство приема природного газа и средство накопления и подачи сжиженного природного газа, причем установка для сжижения включает теплообменник, в котором тепло, отбираемое при сжижении природного газа, передается в воду, баржа дополнительно содержит приемник, трубопровод забора воды с открытым концом, подвешенный на барже, входное отверстие которого расположено ниже приемника, соединительный трубопровод, проходящий от выходного отверстия трубопровода забора воды до входного отверстия приемника, насос, предназначенный для перекачки воды из приемника через трубопровод подачи в теплообменник, и систему выпуска воды, предназначенную для выпуска воды из теплообменника, в которой соединительный трубопровод имеет форму перевернутой буквы U, верхняя часть которой расположена выше приемника.
2. Установка по п.1, в которой система выпуска воды содержит отверстие в днище баржи, трубу, проходящую от отверстия до уровня выше ватерлинии, и выпускной трубопровод, проходящий от выпускного отверстия теплообменника, в трубу, в которой выходное отверстие выпускного трубопровода расположено ниже ватерлинии.
3. Установка по п.1 или 2, в которой приемник содержит систему фильтра, установленную таким образом, что при нормальной работе вода проходит через систему фильтра к насосу.
4. Установка по одному из пп.1-3, в которой в верхней части или вблизи к верхней части соединительного трубопровода установлен канал, содержащий фланец, к которому подсоединен с возможностью отсоединения трубопровод с клапаном.
5. Установка по одному из пп.1-4, дополнительно содержащая балластный резервуар, в которой каждый балластный резервуар имеет входное отверстие, соединенное с трубопроводом подачи, и выпускное отверстие, которое соединено с эжектором в трубопроводе подачи.
РИСУНКИ
QB4A – Регистрация лицензионного договора на использование изобретения
Лицензиар(ы): ШЕЛЛ ИНТЕРНЭШНЛ РИСЕРЧ МААТСХАППИЙ Б.В. (NL)
Вид лицензии*: НИЛ
Лицензиат(ы): ШЕЛЛ РИСЕЧ ЛИМИТИД (GB)
Договор № РД0044384 зарегистрирован 09.12.2008
Извещение опубликовано: 20.01.2009 БИ: 02/2009
* ИЛ – исключительная лицензия НИЛ – неисключительная лицензия
|
|