|
(21), (22) Заявка: 2005111699/11, 20.04.2005
(24) Дата начала отсчета срока действия патента:
20.04.2005
(46) Опубликовано: 27.07.2006
(56) Список документов, цитированных в отчете о поиске:
DE 19912480 A1, 28.09.2000. SU 821820 A1, 20.04.1981. DE 19912481 A1, 28.09.2000. DE 10231414 A1, 29.01.2004.
Адрес для переписки:
105523, Москва, ул. 16-я Парковая, 49, корп.1, кв.88, А.Н. Лыскову
|
(72) Автор(ы):
Нагайцев Максим Валерьевич (RU), Харитонов Сергей Александрович (RU), Лысков Александр Николаевич (RU)
(73) Патентообладатель(и):
Общество с ограниченной ответственностью “КАТЕ” (RU)
|
(54) ГИДРОМЕХАНИЧЕСКАЯ КОРОБКА ПЕРЕДАЧ
(57) Реферат:
Изобретение относится к области автотранспортного машиностроения и касается конструкции ступенчатой планетарной коробки передач, используемой в автоматических трансмиссиях и предназначенной для транспортных средств. Коробка передач содержит гидродинамический преобразователь крутящего момента 2 и планетарный редуктор. Водило 6 первого планетарного ряда связано фрикционным тормозом 17 с картером коробки передач 1. Коронная шестерня 7 первого планетарного ряда связана с водилом 12 третьего планетарного ряда, являющимся выходным звеном 4 коробки передач. Выходной элемент 3 гидродинамического преобразователя крутящего момента связан с солнечной шестерней 8 второго планетарного ряда и фрикционной управляемой муфтой 15 с солнечной шестерней 5 первого планетарного ряда. Солнечная шестерня 11 третьего планетарного ряда связана фрикционным тормозом 18 с картером коробки передач. Солнечная шестерня 5 первого планетарного ряда связана фрикционным тормозом 16 с картером коробки передач. Коронная шестерня 10 второго планетарного ряда связана с коронной шестерней 13 третьего планетарного ряда. Водило 6 первого планетарного ряда связано с водилом 9 второго планетарного ряда. Коронная шестерня 10 второго планетарного ряда связана фрикционной управляемой муфтой 14 с водилом 6 первого планетарного ряда. Технический результат заключается в расширении кинематических возможностей коробки передач и увеличении ее долговечности. 8 з.п. ф-лы, 11 ил.
Изобретение относится к области автотранспортного машиностроения и касается конструкции ступенчатой планетарной коробки передач, которая может быть использована в автоматических трансмиссиях, управляемых с помощью электронного блока и гидравлики, и предназначенных для транспортных средств.
Крутящий момент и частота вращения двигателя преобразуются трансмиссией в соответствии с изменением условий движения транспортного средства для обеспечения движения транспортного средства как вперед, так и назад.
В состав автоматической трансмиссии входит гидродинамический преобразователь крутящего момента (гидротрансформатор), в котором кинетическая энергия рабочей жидкости используется для передачи крутящего момента от коленчатого вала двигателя на входное звено коробки передач. Далее расположена, как правило, коробка передач планетарного типа, обеспечивающая изменение крутящего момента на движителе и его частоты вращения. Коробка передач так же включает в себя фрикционные элементы управления, которые по своему назначению делятся на две группы: тормоза и муфты. Фрикционные муфты соединяют элементы планетарного механизма между собой. Фрикционные тормоза соединяют элементы планетарного механизма с картером коробки передач.
Использование коробок передач планетарного типа в автоматических трансмиссиях транспортных средств обусловлено возможностью получения малогабаритной компактной по компоновке конструкции, легко вписывающейся в ограниченное габаритами кузова пространство.
В настоящее время планетарные коробки передач, используемые для транспортных средств и обеспечивающие шесть передач переднего хода и одну заднего, включают в себя три планетарных ряда и пять или шесть элементов управления. Однако такие схемы не реализуют динамические характеристики, предъявляемые к трансмиссиям транспортных средств, уменьшают кинематические возможности коробки передач, сокращают ее долговечность. Для улучшения динамических характеристик разработчики, занимающиеся проектированием и производством автоматических трансмиссий, используют четвертый планетарный ряд, что усложняет конструкцию коробки передач либо увеличивают количество степеней свободы. Это приводит к увеличению числа фрикционных элементов управления, которые необходимы для включения передачи, что, в свою очередь, приводит к усложнению системы управления.
Известна гидромеханическая коробка передач, содержащая гидродинамический преобразователь крутящего момента и планетарный редуктор, водило первого планетарного ряда, которого связано фрикционным тормозом с картером коробки передач, коронная шестерня первого планетарного ряда связана с водилом третьего планетарного ряда, которое является выходным звеном коробки передач, выходной элемент гидродинамического преобразователя крутящего момента связан фрикционной управляемой муфтой с коронной шестерней второго планетарного ряда, коронная шестерня второго планетарного ряда связана с водилом первого планетарного ряда, выходной элемент гидродинамического преобразователя крутящего момента связан с солнечной шестерней второго планетарного ряда и фрикционной управляемой муфтой с солнечной шестерней первого планетарного ряда, коронная шестерня третьего планетарного ряда связана с водилом второго планетарного ряда, солнечная шестерня третьего планетарного ряда снабжена фрикционным тормозом для ее связи с картером коробки передач, солнечная шестерня первого планетарного ряда связана фрикционным тормозом с картером коробки передач (DE 19912480 A1, F 16 H 3/62, от 28.09.2000 г.).
Данная коробка передач содержит для изменения отношения крутящего момента между входным и выходным звеньями две фрикционных муфты и три тормоза. В коробке-прототипе переключение передач происходит за счет попарного включения пяти фрикционных элементов управления звеньями планетарных рядов. Это позволяет получить шесть передач переднего хода и одну передачу заднего хода.
Настоящее изобретение направлено на решение технической задачи по улучшению динамических характеристик транспортного средства. Достигаемый при этом технический результат заключается в расширении кинематических возможностей коробки передач, увеличении ее долговечности, а также позволяет существенно расширить число типов транспортных средств, в которые можно установить коробку передач с такой кинематической схемой.
Указанный технический результат достигается тем, что в гидромеханической коробке передач, содержащей гидродинамический преобразователь крутящего момента и планетарный редуктор, водило первого планетарного ряда которого связано фрикционным тормозом с картером коробки передач, коронная шестерня первого планетарного ряда связана с водилом третьего планетарного ряда, которое является выходным звеном коробки передач, выходной элемент гидродинамического преобразователя крутящего момента связан с солнечной шестерней второго планетарного ряда и фрикционной управляемой муфтой с солнечной шестерней первого планетарного ряда, солнечная шестерня третьего планетарного ряда снабжена фрикционным тормозом для ее связи с картером коробки передач, солнечная шестерня первого планетарного ряда связана фрикционным тормозом с картером коробки передач, коронная шестерня второго планетарного ряда связана с коронной шестерней третьего планетарного ряда, водило первого планетарного ряда связано с водилом второго планетарного ряда, коронная шестерня второго планетарного ряда связана фрикционной управляемой муфтой с водилом первого планетарного ряда.
Указанные признаки являются существенными и взаимосвязаны между собой с образованием устойчивой совокупности существенных признаков, достаточной для получения требуемого технического результата.
Соединение солнечной шестерни первого планетарного ряда через фрикционную управляемую муфту с водилом первого планетарного ряда позволило получить семь передач переднего хода и одну передачу заднего хода.
Соединение коронной шестерни первого планетарного ряда через фрикционную управляемую муфту с водилом первого планетарного ряда позволило получить семь передач переднего хода и одну передачу заднего хода.
Соединение солнечной шестерни третьего планетарного ряда через фрикционную управляемую муфту с водилом третьего планетарного ряда позволило получить восемь передач переднего хода и одну передачу заднего хода.
Соединение коронной шестерни третьего планетарного ряда через фрикционную управляемую муфту с водилом третьего планетарного ряда позволило получить восемь передач переднего хода и одну передачу заднего хода.
Соединение одновременно солнечной шестерни первого планетарного ряда через фрикционную управляемую муфту с водилом первого планетарного ряда и солнечной шестерни третьего планетарного ряда через фрикционную управляемую муфту с водилом третьего планетарного ряда позволило получить девять передач переднего хода и одну передачу заднего хода.
Соединение одновременно солнечной шестерни первого планетарного ряда через фрикционную управляемую муфту с водилом первого планетарного ряда и коронной шестерни третьего планетарного ряда через фрикционную управляемую муфту с водилом третьего планетарного ряда позволило получить девять передач переднего хода и одну передачу заднего хода.
Соединение одновременно коронной шестерни первого планетарного ряда через фрикционную управляемую муфту с водилом первого планетарного ряда и солнечной шестерни третьего планетарного ряда через фрикционную управляемую муфту с водилом третьего планетарного ряда позволило получить девять передач переднего хода и одну передачу заднего хода.
Соединение одновременно коронной шестерни первого планетарного ряда через фрикционную управляемую муфту с водилом первого планетарного ряда и коронной шестерни третьего планетарного ряда через фрикционную управляемую муфту с водилом третьего планетарного ряда позволило получить девять передач переднего хода и одну передачу заднего хода.
Настоящее изобретение поясняется конкретным примером который, однако, не является единственно возможным, но наглядно демонстрирует возможность достижения требуемого технического результата приведенной совокупностью признаков.
Сущность предлагаемого технического решения поясняется чертежами, где
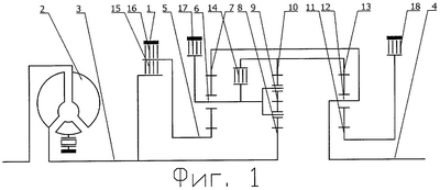
на фиг.1 – кинематическая схема гидромеханической шестиступенчатой коробки передач для трансмиссии транспортного средства с одной передачей заднего хода;
на фиг.2 – план угловых скоростей гидромеханической шестиступенчатой коробки передач для трансмиссии транспортного средства с одной передачей заднего хода;
на фиг.3 – кинематическая схема гидромеханической семиступенчатой коробки передач для трансмиссии транспортного средства с одной передачей заднего хода;
на фиг.4 – кинематическая схема гидромеханической семиступенчатой коробки передач для трансмиссии транспортного средства с одной передачей заднего хода;
на фиг.5 – кинематическая схема гидромеханической восьмиступенчатой коробки передач для трансмиссии транспортного средства с одной передачей заднего хода;
на фиг.6 – кинематическая схема гидромеханической восьмиступенчатой коробки передач для трансмиссии транспортного средства с одной передачей заднего хода;
на фиг.7 – кинематическая схема гидромеханической девятиступенчатой коробки передач для трансмиссии транспортного средства с одной передачей заднего хода;
на фиг.8 – кинематическая схема гидромеханической девятиступенчатой коробки передач для трансмиссии транспортного средства с одной передачей заднего хода;
на фиг.9 – кинематическая схема гидромеханической девятиступенчатой коробки передач для трансмиссии транспортного средства с одной передачей заднего хода;
на фиг.10 – кинематическая схема гидромеханической девятиступенчатой коробки передач для трансмиссии транспортного средства с одной передачей заднего хода;
на фиг.11 – план угловых скоростей гидромеханической девятиступенчатой коробки передач для трансмиссии транспортного средства с одной передачей заднего хода.
Согласно изобретению гидромеханическая коробка передач, содержащая гидродинамический преобразователь крутящего момента и планетарный редуктор, водило первого планетарного ряда которого связано фрикционным тормозом с картером коробки передач, коронная шестерня первого планетарного ряда связана с водилом третьего планетарного ряда, которое является выходным звеном коробки передач, выходной элемент гидродинамического преобразователя крутящего момента связан с солнечной шестерней второго планетарного ряда и фрикционной управляемой муфтой с солнечной шестерней первого планетарного ряда, солнечная шестерня третьего планетарного ряда снабжена фрикционным тормозом для ее связи с картером коробки передач, солнечная шестерня первого планетарного ряда связана фрикционным тормозом с картером коробки передач, коронная шестерня второго планетарного ряда связана с коронной шестерней третьего планетарного ряда, водило первого планетарного ряда связано с водилом второго планетарного ряда, коронная шестерня второго планетарного ряда связана фрикционной управляемой муфтой с водилом первого планетарного ряда.
Для получения семи передач переднего хода и одной передачи заднего хода по первому примеру реализации кинематической схемы солнечная шестерня первого планетарного ряда может быть связана фрикционной управляемой муфтой с водилом первого планетарного ряда.
Для получения семи передач переднего хода и одной передачи заднего хода по первому примеру реализации кинематической схемы коронная шестерня первого планетарного ряда может быть связана фрикционной управляемой муфтой с водилом первого планетарного ряда.
Для получения восьми передач переднего хода и одной передачи заднего хода по первому примеру реализации кинематической схемы солнечная шестерня третьего планетарного ряда может быть связана фрикционной управляемой муфтой с водилом третьего планетарного ряда, являющегося выходным звеном коробки передач.
Для получения восьми передач переднего хода и одной передачи заднего хода по первому примеру реализации кинематической схемы коронная шестерня третьего планетарного ряда может быть связана фрикционной управляемой муфтой с водилом третьего планетарного ряда, являющегося выходным звеном коробки передач.
Для получения девяти передач переднего хода и одной передачи заднего хода по второму примеру реализации кинематической схемы солнечная шестерня третьего планетарного ряда может быть связана фрикционной управляемой муфтой с водилом третьего планетарного ряда, являющегося выходным звеном коробки передач.
Для получения девяти передач переднего хода и одной передачи заднего хода по второму примеру реализации кинематической схемы коронная шестерня третьего планетарного ряда может быть связана фрикционной управляемой муфтой с водилом третьего планетарного ряда, являющегося выходным звеном коробки передач.
Для получения девяти передач переднего хода и одной передачи заднего хода по третьему примеру реализации кинематической схемы солнечная шестерня третьего планетарного ряда может быть связана фрикционной управляемой муфтой с водилом третьего планетарного ряда, являющегося выходным звеном коробки передач.
Для получения девяти передач переднего хода и одной передачи заднего хода по третьему примеру реализации кинематической схемы коронная шестерня третьего планетарного ряда может быть связана фрикционной управляемой муфтой с водилом третьего планетарного ряда, являющегося выходным звеном коробки передач.
Ниже приводится пример конкретного исполнения гидромеханической коробки передач для автоматической трансмиссии, например, легкового автомобиля повышенной проходимости.
Автоматическая гидромеханическая коробка передач, реализующая шесть передач переднего хода и одну передачу заднего хода содержит картер 1, гидродинамический преобразователь крутящего момента 2 (гидротрансформатор), входное звено 3, выходное звено 4 и планетарный редуктор, в состав которого входят планетарные ряды, две фрикционные муфты и три фрикционных тормоза.
В коробке передач согласно изобретению планетарный редуктор состоит из трех планетарных рядов. Первый планетарный ряд состоит из солнечной шестерни 5, водила 6 сателлитов и коронной шестерни 7 (эпицикла). Второй планетарный ряд состоит из солнечной шестерни 8, водила 9 сателлитов и коронной шестерни 10 (эпицикла). Третий планетарный ряд состоит из солнечной шестерни 11, водила 12 сателлитов и коронной шестерни 13 (эпицикла). Коронная шестерня 10 второго планетарного ряда, связанная с коронной шестерней 13 третьего планетарного ряда, соединяется фрикционной муфтой 14 со связанными между собой водилом 6 первого планетарного ряда и водилом 9 второго планетарного ряда. Входное звено 3 соединяется фрикционной муфтой 15 с солнечной шестерней 5 первого планетарного ряда. Солнечная шестерня 8 второго планетарного ряда связана с входным звеном 3.
Солнечная шестерня 5 первого планетарного ряда соединяется с картером 1 коробки передач фрикционным тормозом 16. Фрикционный тормоз 17 соединяет с картером 1 коробки передач связанные между собой водило 6 первого планетарного ряда и водило 9 второго планетарного ряда. Фрикционный тормоз 18 соединяет с картером 1 коробки передач солнечную шестерню 11 третьего планетарного ряда.
Такое выполнение коробки передач по сравнению с известными шестиступенчатыми коробками передач типа ZF HP-500, ALLISON В300, В500 и др. позволяет получить шесть передач переднего хода и одну передачу заднего хода, используя для этого три планетарных ряда и пять фрикционных элементов управления. При этом в предлагаемой схеме не происходит разрыва мощности при переключении передач.
Если к гидромеханической коробке передач добавить элемент управления, связывающий солнечную шестерню первого планетарного ряда и водило первого планетарного ряда, то можно получить коробку передач с семью передачами переднего хода и одной передачей заднего хода.
Если к гидромеханической коробке передач добавить элемент управления, связывающий коронную шестерню первого планетарного ряда и водило первого планетарного ряда, то можно получить коробку передач с семью передачами переднего хода и одной передачей заднего хода.
Если к гидромеханической коробке передач добавить элемент управления, связывающий солнечную шестерню третьего планетарного ряда и водило третьего планетарного ряда, то можно получить коробку передач с восемью передачами переднего хода и одной передачей заднего хода.
Если к гидромеханической коробке передач добавить элемент управления, связывающий коронную шестерню третьего планетарного ряда и водило третьего планетарного ряда, то можно получить коробку передач с восемью передачами переднего хода и одной передачей заднего хода.
Если к гидромеханической коробке передач одновременно добавить элемент управления, связывающий солнечную шестерню первого планетарного ряда и водило первого планетарного ряда, и элемент управления, связывающий солнечную шестерню третьего планетарного ряда и водило третьего планетарного ряда, то можно получить коробку передач с девятью передачами переднего хода и одной передачей заднего хода.
Если к гидромеханической коробке передач одновременно добавить элемент управления, связывающий солнечную шестерню первого планетарного ряда и водило первого планетарного ряда, и элемент управления, связывающий коронную шестерню третьего планетарного ряда и водило третьего планетарного ряда, то можно получить коробку передач с девятью передачами переднего хода и одной передачей заднего хода.
Если к гидромеханической коробке передач одновременно добавить элемент управления, связывающий коронную шестерню первого планетарного ряда и водило первого планетарного ряда, и элемент управления, связывающий солнечную шестерню третьего планетарного рада и водило третьего планетарного ряда, то можно получить коробку передач с девятью передачами переднего хода и одной передачей заднего хода.
Если к гидромеханической коробке передач одновременно добавить элемент управления, связывающий коронную шестерню первого планетарного ряда и водило первого планетарного рада, и элемент управления, связывающий коронную шестерню третьего планетарного ряда и водило третьего планетарного рада, то можно получить коробку передач с девятью передачами переднего хода и одной передачей заднего хода.
Оснащение коробки передач шестой передачей переднего хода позволило внести изменения в передаточные отношения и порядок попарного включения фрикционных элементов управления. Изменение конструкции и последовательность попарного включения элемента управления позволили добиться того, что при переключении отсутствует разрыв мощности. Так же удалось улучшить динамические характеристики коробки передач и расширить кинематические возможности коробки передач, увеличить ее долговечность, а также существенно расширить число типов транспортных средств, в которые можно установить коробку передач с такой кинематической схемой.
Предлагаемая согласно изобретению автоматическая коробка передач работает следующим образом.
После начала движения транспортного средства последовательным переключением передач от 1-й до 6-й осуществляется его разгон до требуемой скорости движения. При нахождении коробки передач в нейтральном положении ни один из фрикционных элементов управления не включен.
На первой передаче переднего хода включаются тормоз 18 и 17, то есть угловая скорость солнечной шестерни 11 третьего планетарного ряда и водила 6 первого планетарного ряда, связанного с водилом 9 второго планетарного ряда, равна нулю.
Крутящий момент с входного звена 3 через солнечную шестерню 8 второго планетарного ряда передается на коронную шестерню 10 второго планетарного ряда и связанную с ним коронную шестерню 13 третьего планетарного ряда, а с нее на водило 12 третьего планетарного ряда и связанное с ним выходное звено 4.
При переключении на вторую передачу переднего хода тормоз 17 выключается, и включается тормоз 16, тормоз 18 остается включенным. Таким образом, угловая скорость солнечной шестерни 5 первого планетарного ряда и солнечной шестерни 11 третьего планетарного ряда равны нулю.
Крутящий момент с входного звена 3 через солнечную шестерню 8 второго планетарного ряда передается на водило 9 второго планетарного ряда, а с нее через коронную шестерню 10 второго планетарного ряда и связанную с ней коронную шестерню 13 третьего планетарного ряда передается на водило 12 третьего планетарного ряда, где разделяется и передается на связанное с водилом 12 третьего планетарного ряда выходное звено 4, а также через коронную шестерню 7 первого планетарного ряда передается на водило 6 первого планетарного ряда и связанное с ним водило 9 второго планетарного ряда, где объединяется с потоком крутящего момента с солнечной шестерни 8 второго планетарного ряда.
При переключении на третью передачу переднего хода выключается тормоз 16 и включается муфта 15, тормоз 18 остается включенным. Таким образом, угловая скорость солнечной шестерни 11 третьего планетарного ряда равна нулю, а угловая скорость солнечной шестерни 5 первого планетарного ряда равна угловой скорости входного звена 3.
Крутящий момент с входного звена 3 разделяется и через включенную фрикционную муфту 15 передается на солнечную шестерню 5 первого планетарного ряда и далее на водило 6 первого планетарного ряда, а также через солнечную шестерню 8 второго планетарного ряда и водило 9 второго планетарного ряда передается на коронную шестерню 10 второго планетарного ряда и связанную с ней коронную шестерню 13 третьего планетарного ряда и далее на водило 12 третьего планетарного ряда, где разделяется и передается на связанное с водилом 12 третьего планетарного ряда выходное звено 4, а также на коронную шестерню 7 первого планетарного ряда, а с нее на водило 6 первого планетарного ряда, где объединяется с потоком крутящего момента от включенной фрикционной муфты 15 и затем передается на водило 9 второго планетарного ряда, на котором соединяется с крутящим моментом входного звена 3.
При переключении на четвертую передачу переднего хода выключается муфта 15 и включается муфта 14, тормоз 18 остается включенным. Таким образом, угловая скорость солнечной шестерни 11 третьего планетарного ряда равна нулю, а угловая скорость водила 6 первого планетарного ряда и связанного с ним водила 9 второго планетарного ряда равна угловой скорости коронной шестерни 10 второго планетарного ряда, связанной с коронной шестерней 13 третьего планетарного ряда.
Крутящий момент с входного звена 3 через солнечную шестерню 8 второго планетарного ряда передается на водило 9 второго планетарного ряда и далее на коронную шестерню 10 второго планетарного ряда, где разделяется и через включенную фрикционную муфту 14 передается на водило 9 второго планетарного ряда, где объединяется с потоком крутящего момента с солнечной шестерни 8 второго планетарного ряда, а также передается на коронную шестерню 13 третьего планетарного ряда и далее на водило 12 третьего планетарного ряда, связанное непосредственно с выходным звеном 4.
При переключении на пятую передачу переднего хода выключается тормоз 18 и включается муфта 15, муфта 14 остается включенной. Таким образом, угловая скорость солнечной шестерни 5 первого планетарного ряда равна угловой скорости входного звена 3, угловая скорость коронной шестерни 10 второго планетарного ряда, связанной с коронной шестерней 13 третьего планетарного ряда, равна угловой скорости водила 9 второго планетарного ряда, связанного с водилом 6 первого планетарного ряда.
Крутящий момент с входного звена 3 через солнечную шестерню 8 второго планетарного ряда передается на водило 9 второго планетарного ряда и далее через коронную шестерню 9 второго планетарного ряда передается на включенную фрикционную муфту 14, где разделяется и передается на водило 9 второго планетарного ряда, а также на водило 6 первого планетарного ряда, где разделяется и через солнечную шестерню 5 первого планетарного ряда и включенную фрикционную муфту 15 передается на входное звено 3, а также на коронную шестерню 7 первого планетарного ряда и связанное с ним водило 12 третьего планетарного ряда, связанное непосредственно с выходным звеном 4.
При переключении на шестую передачу переднего хода выключается муфта 15 и включается тормоз 16, муфта 14 остается включенной. Таким образом, угловая скорость солнечной шестерни 5 первого планетарного ряда равна нулю, а угловая скорость коронной шестерни 10 второго планетарного ряда, связанной с коронной шестерней 13 третьего планетарного ряда, равна угловой скорости водила 9 второго планетарного ряда, связанного с водилом 6 первого планетарного ряда.
Крутящий момент с входного звена 3 через солнечную шестерню 8 второго планетарного ряда передается на водило 9 второго планетарного ряда и далее через коронную шестерню 9 второго планетарного ряда передается на включенную фрикционную муфту 14, где разделяется и передается на водило 9 второго планетарного ряда, а также через водило 6 первого планетарного ряда передается на коронную шестерню 7 первого планетарного ряда и связанное с ним водило 12 третьего планетарного ряда, связанное непосредственно с выходным звеном 4.
На передаче заднего хода включаются муфта 15 и тормоз 17. Таким образом, угловая скорость солнечной шестерни 5 первого планетарного ряда равна угловой скорости входного звена 3, а угловая скорость водила 6 первого планетарного ряда, связанного с водилом 9 второго планетарного ряда, равны нулю.
Крутящий момент с входного звена 3 через включенную фрикционную муфту 15 передается на солнечную шестерню 5 первого планетарного ряда, а с нее через водило 6 первого планетарного ряда передается на коронную шестерню 7 первого планетарного ряда и связанное с ним водило 12 третьего планетарного ряда, связанное, непосредственно с выходным звеном 4.
При введении фрикционной управляемой муфты 20, соединяющей солнечную шестерню 5 первого планетарного ряда и водило 6 первого планетарного ряда, коробка передач может реализовывать семь передач переднего хода и одну передачу заднего хода.
При переключении на седьмую передачу включаются муфта 20 и тормоз 18. Таким образом, угловая скорость солнечной шестерни 11 третьего планетарного ряда равна нулю, а угловая скорость солнечной шестерни 5 первого планетарного ряда равна угловой скорости водила 6 первого планетарного ряда и связанного с ним водила 9 второго планетарного ряда.
Крутящий момент с входного звена 3 передается через солнечную шестерню 8 второго планетарного ряда на водило 9 второго планетарного ряда и далее на коронную шестерню 10 второго планетарного ряда и связанную с ней коронную шестерню 13 третьего планетарного ряда и далее на водило 12 третьего планетарного ряда, где разделяется и передается на связанное с водилом 12 третьего планетарного ряда выходное звено 4, а также на коронную шестерню 7 первого планетарного ряда, а с нее на водило 6 первого планетарного ряда и далее через включенную фрикционную муфту 20 передается на солнечную шестерню 5 первого планетарного ряда и затем на водиле 6 первого планетарного ряда объединяется с потоком крутящего момента с коронной шестерни 7 первого планетарного ряда и передается через водило 9 второго планетарного ряда, где объединяется с потоком крутящего момента с солнечной шестерни 8 второго планетарного ряда.
При введении фрикционной управляемой муфты 21, соединяющей коронную шестерню 7 первого планетарного ряда и водило 6 первого планетарного ряда, коробка передач может реализовывать семь передач переднего хода и одну передачу заднего хода.
При переключении на седьмую передачу включаются муфта 21, и тормоз 18. Таким образом, угловая скорость солнечной шестерни 11 третьего планетарного ряда равна нулю, а угловая скорость коронной шестерни 7 первого планетарного ряда равна угловой скорости водила 6 первого планетарного ряда и связанного с ним водила 9 второго планетарного ряда.
Крутящий момент с входного звена 3 передается через солнечную шестерню 8 второго планетарного ряда на водило 9 второго планетарного ряда, далее на коронную шестерню 10 второго планетарного ряда и связанную с ней коронную шестерню 13 третьего планетарного ряда и далее на водило 12 третьего планетарного ряда, где разделяется и передается на связанное с водилом 12 третьего планетарного ряда выходное звено 4, а также на коронную шестерню 7 первого планетарного ряда, а с нее через включенную фрикционную муфту 21 передается на водило 6 первого планетарного ряда и связанное с ним водило 9 второго планетарного ряда, где объединяется с потоком крутящего момента с солнечной шестерни 8 второго планетарного ряда.
При введении фрикционной управляемой муфты 22, соединяющей солнечную шестерню 11 третьего планетарного ряда и водило 12 третьего планетарного ряда, коробка передач может реализовывать восемь передач переднего хода и одну передачу заднего хода.
На седьмой передаче включаются муфта 22 и тормоз 17. Таким образом, угловая скорость водила 6 первого планетарного ряда и связанного с ним водила 9 второго планетарного ряда равна нулю, а угловая скорость солнечной шестерни 11 третьего планетарного ряда равна угловой скорости водила 12 третьего планетарного ряда и связанной с ним коронной шестерни 7 первого планетарного ряда.
Крутящий момент с входного звена 3 через солнечную шестерню 8 второго планетарного ряда передается на водило 9 второго планетарного ряда, а с нее через коронную шестерню 10 второго планетарного ряда и связанную с ней коронную шестерню 13 третьего планетарного ряда передается на водило 12 третьего планетарного ряда, где разделяется и передается на связанное с водилом 12 третьего планетарного ряда выходное звено 4, а также через включенную фрикционную муфту 22 передается на солнечную шестерню 11 третьего планетарного ряда и далее на водило 12 третьего планетарного ряда, где объединяется с потоком крутящего момента коронной шестерни 13 третьего планетарного ряда.
На восьмой передаче включаются муфта 22 и тормоз 16. Таким образом, угловая скорость солнечной шестерни 5 первого планетарного равна нулю, а угловая скорость солнечной шестерни 11 третьего планетарного ряда равна угловой скорости водила водила 12 третьего планетарного ряда и связанной с ним коронной шестерни 7 первого планетарного ряда.
Крутящий момент с входного звена 3 через солнечную шестерню 8 второго планетарного ряда передается на водило 9 второго планетарного ряда, а с нее через коронную шестерню 10 второго планетарного ряда и связанную с ней коронную шестерню 13 третьего планетарного ряда передается на водило 12 третьего планетарного ряда, где разделяется на три потока. Первый поток крутящего момента передается на связанное с водилом 12 третьего планетарного ряда выходное звено 4. Второй поток крутящего момента через включенную фрикционную муфту 22 передается на солнечную шестерню 11 третьего планетарного ряда и далее на водило 12 третьего планетарного ряда, где объединяется с потоком крутящего момента с коронной шестерни 13 третьего планетарного ряда. Третий поток крутящего момента через коронную шестерню 7 первого планетарного ряда передается на водило 6 первого планетарного ряда и связанное с ним водило 9 второго планетарного ряда, где объединяется с потоком крутящего момента с солнечной шестерни 8 второго планетарного ряда.
При введении фрикционной управляемой муфты 23, соединяющей коронную шестерню 13 третьего планетарного ряда и водило 12 третьего планетарного ряда, коробка передач может реализовывать восемь передач переднего хода и одну передачу заднего хода.
На седьмой передаче включаются муфта 23 и тормоз 17. Таким образом, угловая скорость водила 6 первого планетарного ряда и связанного с ним водила 9 второго планетарного ряда равна нулю, а угловая скорость коронной шестерни 13 третьего планетарного ряда и связанной с ней коронной шестерни 10 второго планетарного ряда равна угловой скорости водила водила 12 третьего планетарного ряда и связанной с ним коронной шестерни 7 первого планетарного ряда.
Крутящий момент с входного звена 3 через солнечную шестерню 8 второго планетарного ряда передается на водило 9 второго планетарного ряда, а с нее на коронную шестерню 10 второго планетарного ряда и связанную с ней коронную шестерню 13 третьего планетарного ряда и далее через включенную фрикционную муфту 23 передается на водило 12 третьего планетарного ряда, связанное непосредственно с выходным звеном 4.
На восьмой передаче включаются муфта 23 и тормоз 16. Таким образом, угловая скорость солнечной шестерни 5 первого планетарного ряда равна нулю, а угловая скорость коронной шестерни 13 третьего планетарного ряда и сязанной с ней коронной шестерни 10 второго планетарного ряда равна угловой скорости водила 12 третьего планетарного ряда и связанной с ним коронной шестерни 7 первого планетарного ряда.
Крутящий момент с входного звена 3 через солнечную шестерню 8 второго планетарного ряда передается на водило 9 второго планетарного ряда, а с нее на коронную шестерню 10 второго планетарного ряда и связанную с ней коронную шестерню 13 третьего планетарного ряда и далее через включенную фрикционную муфту 23 передается на водило 12 третьего планетарного ряда, где разделяется и передается на связанное с водилом 12 третьего планетарного ряда выходное звено 4, а также через включенную фрикционную муфту 23 передается на коронную шестерню 7 первого планетарного ряда и далее передается на водило 6 первого планетарного ряда и связанное с ним водило 9 второго планетарного ряда, где объединяется с потоком крутящего момента с солнечной шестерни 8 второго планетарного ряда.
При последующем одновременном ведении фрикционных управляемых муфт 20, 21, 22, 23 в комбинациях 20-22, 20-23, 21-22, 21-23 количество передач переднего и заднего хода складывается, а потоки крутящего момента не изменяются.
Настоящее изобретение позволяет в коробках передач, имеющих три планетарных ряда, обеспечить от шести до девяти передач переднего хода и от одной до трех передач заднего хода без увеличения количества планетарных рядов и существенного увеличения габаритов картера за счет увеличения числа элементов управления, а также изменив последовательность попарного включения элементов управления.
Настоящее изобретение промышленно применимо, так как для его реализации не требуется специальной новой технологии и специального оборудования, кроме тех, что используются в машиностроении в производстве редукторов, в том числе и планетарных.
Формула изобретения
1. Гидромеханическая коробка передач, содержащая гидродинамический преобразователь крутящего момента и планетарный редуктор, водило первого планетарного ряда которого связано фрикционным тормозом с картером коробки передач, коронная шестерня первого планетарного ряда связана с водилом третьего планетарного ряда, которое является выходным звеном коробки передач, выходной элемент гидродинамического преобразователя крутящего момента связан с солнечной шестерней второго планетарного ряда и фрикционной управляемой муфтой с солнечной шестерней первого планетарного ряда, солнечная шестерня третьего планетарного ряда снабжена фрикционным тормозом для ее связи с картером коробки передач, солнечная шестерня первого планетарного ряда связана фрикционным тормозом с картером коробки передач, отличающаяся тем, что коронная шестерня второго планетарного ряда связана с коронной шестерней третьего планетарного ряда, водило первого планетарного ряда связано с водилом второго планетарного ряда, коронная шестерня второго планетарного ряда связана фрикционной управляемой муфтой с водилом первого планетарного ряда.
2. Коробка передач по п.1, отличающаяся тем, что солнечная шестерня первого планетарного ряда связана фрикционной управляемой муфтой с водилом первого планетарного ряда.
3. Коробка передач по п.1, отличающаяся тем, что коронная шестерня первого планетарного ряда связана фрикционной управляемой муфтой с водилом первого планетарного ряда.
4. Коробка передач по п.1, отличающаяся тем, что солнечная шестерня третьего планетарного ряда связана фрикционной управляемой муфтой с водилом третьего планетарного ряда, являющимся выходным звеном коробки передач.
5. Коробка передач по п.1, отличающаяся тем, что коронная шестерня третьего планетарного ряда связана фрикционной управляемой муфтой с водилом третьего планетарного ряда, являющимся выходным звеном коробки передач.
6. Коробка передач по п.2, отличающаяся тем, что солнечная шестерня третьего планетарного ряда связана фрикционной управляемой муфтой с водилом третьего планетарного ряда, являющимся выходным звеном коробки передач.
7. Коробка передач по п.2, отличающаяся тем, что коронная шестерня третьего планетарного ряда связана фрикционной управляемой муфтой с водилом третьего планетарного ряда, являющимся выходным звеном коробки передач.
8. Коробка передач по п.3, отличающаяся тем, что солнечная шестерня третьего планетарного ряда связана фрикционной управляемой муфтой с водилом третьего планетарного ряда, являющимся выходным звеном коробки передач.
9. Коробка передач по п.3, отличающаяся тем, что коронная шестерня третьего планетарного ряда связана фрикционной управляемой муфтой с водилом третьего планетарного ряда, являющимся выходным звеном коробки передач.
РИСУНКИ
|