|
|
(21), (22) Заявка: 2004116297/11, 28.05.2004
(24) Дата начала отсчета срока действия патента:
28.05.2004
(43) Дата публикации заявки: 01.01.2000
(46) Опубликовано: 27.07.2006
(56) Список документов, цитированных в отчете о поиске:
ХАРИТОНОВ С.А. Автоматические коробки передач. – М.: ООО «Издательство Астрель»; ООО «Издательство ACT», 2003, с.167-168. SU 1714251 A1, 23.02.1992. SU 1504109 A1, 30.08.1989. SU 1071467 A, 07.02.1984.
Адрес для переписки:
640631, г.Курган, пр-т Машиностроителей, 17, ОАО “Специальное конструкторское бюро машиностроения”
|
(72) Автор(ы):
Никонов Александр Иванович (RU), Печенкин Виктор Алексеевич (RU), Гаев Сергей Викторович (RU), Евтодеев Юрий Леонидович (RU), Захаров Юрий Анатольевич (RU), Нефедов Александр Васильевич (RU)
(73) Патентообладатель(и):
Открытое акционерное общество “Специальное конструкторское бюро машиностроения” (RU)
|
(54) КОРОБКА ПЕРЕДАЧ
(57) Реферат:
Изобретение относится к транспортному машиностроению, а именно к трансмиссиям самоходных наземных колесных и гусеничных машин, и может быть использовано в энергетических установках нефтяного и газового оборудования, на судах водного транспорта. Коробка передач содержит входной и выходной валы, три планетарных механизма, две сцепные муфты и три тормоза. На входном валу 2 установлена солнечная шестерня 3 второго планетарного механизма. Эпицикл 5 этого планетарного механизма связан с водилом 6 первого планетарного механизма и тормозом 18. Эпицикл 8 первого планетарного механизма соединен с водилом 9 третьего планетарного механизма и выходным валом 11. Эпицикл 12 третьего планетарного механизма связан с водилом 13 второго планетарного механизма, через сцепную муфту 15 – с солнечной шестерней 16 первого планетарного механизма, через сцепную муфту 14 – с входным валом 2. Солнечная шестерня 16 первого планетарного механизма соединена с тормозом 17. Солнечная шестерня 20 третьего планетарного механизма соединена с тормозом 19. Коробка передач позволяет получить шесть передач переднего хода и две передачи заднего хода. Технический результат – снижение габаритных размеров и массы коробки передач и увеличение числа передач заднего хода. 1 ил., 1 табл.
Изобретение относится к транспортному машиностроению, в частности к трансмиссиям транспортных средств, и может быть использовано в различных колесных и гусеничных машинах.
Известны агрегаты трансмиссии со ступенчатым изменением передаточных чисел, содержащие валы, опоры, планетарные механизмы и фрикционные элементы управления (Автоматические коробки передач. С.А.Харитонов. – М.: ООО “Издательство Астрель”: ООО “Издательство ACT”, 2003. – 479, [1] с.: ил.).
Эти трансмиссионные агрегаты конструктивно сложны и имеют большие габаритные размеры и массу.
Наиболее близкой к предлагаемой кинематической схеме коробки передач (КП), выбранной в качестве прототипа, является синтезированная МГТУ им. Баумана кинематическая схема шестискоростной КП (см. Автоматические коробки передач. С.А.Харитонов. – М.: ООО “Издательство Астрель”: ООО “Издательство ACT”, 2003, с.167-168).
КП состоит из корпуса с размещенными в нем валами, тремя планетарными механизмами, двумя сцепными муфтами и тремя тормозами.
Такая КП имеет большие габаритные размеры и массу и позволяет реализовать только одну передачу заднего хода. Большие габаритные размеры и масса связаны с тем, что для получения приемлемого значения передаточного отношения передачи заднего хода и диапазона используются планетарные механизмы с большим значением параметра К, равным отношению числа зубьев эпицикла к числу зубьев солнечной шестерни, что приводит к использованию эпициклов с большим числом зубьев и, следовательно, больших диаметров. Кроме того, для некоторых дорожно-строительных и гусеничных машин, исходя из условий работы, необходима КП с дополнительными передачами заднего хода или КП с полным реверсом. Применение данной КП на таких машинах потребует установки дополнительного механизма реверсирования, что, в свою очередь, приведет к усложнению конструкции, а также к увеличению ее габаритных размеров и массы.
Целью изобретения является снижение габаритных размеров и массы КП за счет использования планетарных механизмов с меньшим значением параметра К, а также расширение эксплуатационных возможностей и улучшение маневренности машины вследствие увеличения числа передач заднего хода.
Поставленная цель достигается тем, что в известной кинематической схеме, содержащей входной и выходной валы, три планетарных механизма, три тормоза и две сцепные муфты, эпицикл второго планетарного механизма связан с водилом первого планетарного механизма и посредством сцепной муфты с входным валом. Вторая сцепная муфта соединяет входной вал с солнечной шестерней первого планетарного механизма. В прелагаемой кинематической схеме одна из сцепных муфт соединяет входной вал с водилом второго планетарного механизма, а вторая – это же водило с солнечной шестерней первого планетарного механизма. Это позволяет, при сохранении диапазона, использовать планетарные механизмы с меньшим значением параметра К, что, в конечном счете, приведет к уменьшению габаритных размеров и массы КП, а также получить дополнительную передачу заднего хода и, как следствие, расширение эксплуатационных возможностей и улучшение маневренности машины, без увеличения числа планетарных механизмов и элементов управления.
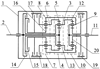
На чертеже изображена кинематическая схема КП.
В таблице указаны состояния элементов управления на различных передачах.
В опорах корпуса 1 расположен входной вал 2, с которым жестко связана солнечная шестерня 3 второго планетарного механизма 4. Эпицикл 5 планетарного механизма 4 связан с водилом 6 первого планетарного механизма 7, эпицикл 8 которого соединен с водилом 9 третьего планетарного механизма 10 и выходным валом 11. При этом эпицикл 12 третьего механизма 10 связан с водилом 13 второго планетарного механизма. Сцепная муфта 14 соединяет входной вал 2 с водилом 13. Сцепная муфта 15 соединяет водило 13 второго планетарного механизма 4 с солнечной шестерней 16 первого планетарного механизма 7. Тормоз 17 останавливает солнечную шестерню 16, тормоз 18 – водило 6 планетарного механизма 7, тормоз 19 – солнечную шестерню 20 третьего планетарного механизма 10.
Работа КП происходит следующим образом.
Для получения первой передачи должны быть включены тормоза 18 и 19 (см. таблицу). Крутящий момент от входного вала 2 (см. чертеж) и солнечной шестерни 3 через сателлиты планетарного механизма 4 передается на водило 13 и эпицикл 12. Далее крутящий момент через сателлиты планетарного механизма 10 передается на водило 9 и выходной вал 11.
Вторая передача включается тормозами 17 и 19. Планетарный механизм 4 работает в суммирующем режиме. На эпицикле 5 суммируются крутящие моменты: первый – от входного вала 2 и солнечной шестерни 3, второй – от эпицикла 12 планетарного ряда 10 и водила 13. От эпицикла 5 и водила 6 крутящий момент через сателлиты планетарного механизма 7 передается на эпицикл 8, водило 9 планетарного механизма 10 и выходной вал 11.
Для получения третьей передачи должны быть включены сцепная муфта 15 и тормоз 19. Планетарные механизмы 4 и 7 работают в суммирующем режиме. На эпицикле 5 планетарного механизма 4 суммируются крутящие моменты: первый – от входного вала 2 и солнечной шестерни 3, второй – от эпицикла 12 планетарного механизма 10 и водила 13. На эпицикле 8 планетарного ряда 7 также суммируются крутящие моменты: первый – от эпицикла 5 и водила 6, второй – от солнечной шестерни 16, подводимого от водила 13 планетарного механизма 4 через муфту 15. От эпицикла 8 суммарный крутящий момент передается, как и на предыдущей передаче.
Четвертая передача включается сцепной муфтой 14 и тормозом 19. Крутящий момент от входного вала 2 и солнечной шестерни 3 через заблокированный сцепной муфтой 14 планетарный механизм 4 передается на эпицикл 12. Далее крутящий момент через сателлиты планетарного механизма 10 передается на водило 9 и выходной вал 11.
Для получения пятой (прямой) передачи должны быть включены сцепные муфты 14 и 15. Крутящий момент от входного вала 2 через заблокированные планетарные механизмы передается на выходной вал 11.
Шестая передача включается сцепной муфтой 14 и тормозом 17. Крутящий момент от входного вала 2 и солнечной шестерни 3 через, заблокированный муфтой 14, планетарный механизм 4 передается на водило 6. Далее крутящий момент через сателлиты планетарного механизма 7 передается на эпицикл 8, водило 9 планетарного механизма 10 и выходной вал 11.
Первая передача заднего хода включается сцепной муфтой 15 и тормозом 18. Крутящий момент от входного вала 2 и солнечной шестерни 3 через сателлиты планетарного механизма 4 передается на водило 13. Далее, через муфту 15, крутящий момент передается на солнечную шестерню 16 и, через сателлиты планетарного механизма 7, на эпицикл 8, водило 9 планетарного механизма 10 и выходной вал 11.
Для получения второй передачи заднего хода должны быть включены сцепная муфта 15 и тормоз 17. Крутящий момент от входного вала 2 и солнечной шестерни 3 через сателлиты планетарного механизма 4 передается на эпицикл 5 и водило 6. Затем, через сателлиты планетарного механизма 7, крутящий момент передается на эпицикл 8 и далее, как на предыдущей передаче.
Экономический эффект выражается в уменьшении габаритных размеров и массы КП за счет использования планетарных механизмов с меньшим значением параметра К, а также в расширении эксплуатационных возможностей и улучшении маневренности транспортного средства вследствие увеличения числа передач заднего хода.

Формула изобретения
Коробка передач, содержащая корпус с размещенными в нем валами, тремя планетарными механизмами и пятью фрикционными элементами управления, причем солнечная шестерня второго планетарного механизма жестко закреплена на входном валу, а эпицикл этого планетарного механизма связан с водилом первого планетарного механизма и первым тормозом, при этом эпицикл первого планетарного механизма соединен с водилом третьего планетарного механизма и выходным валом, а эпицикл третьего планетарного механизма соединен с водилом второго планетарного механизма, при этом солнечные шестерни первого и третьего планетарных механизмов связаны со вторым и третьим тормозом соответственно, отличающаяся тем, что водило второго планетарного механизма посредством одной сцепной муфты соединено с входным валом, а с помощью другой муфты – с солнечной шестерней первого планетарного механизма.
РИСУНКИ
|
|