|
|
(21), (22) Заявка: 2004116613/03, 31.05.2004
(24) Дата начала отсчета срока действия патента:
31.05.2004
(43) Дата публикации заявки: 01.01.2000
(46) Опубликовано: 20.07.2006
(56) Список документов, цитированных в отчете о поиске:
SU 1607937 A1, 23.11.1990. SU 884716 А, 25.11.1981. SU 880471 A, 30.11.1981. DE 3233985 А1, 15.03.1984. GB 1436430 А, 19.05.1976. US 4049206 А, 20.09.1977.
Адрес для переписки:
610007, г.Киров, ул. Ленина, 166а, ГУ Зональный научно-исследовательский институт сельского хозяйства Северо-Востока им. Н.В. Рудницкого
|
(72) Автор(ы):
Сысуев Василий Алексеевич (RU), Савиных Петр Алексеевич (RU), Алешкин Алексей Владимирович (RU), Чернятьев Николай Александрович (RU), Медведев Олег Юрьевич (RU)
(73) Патентообладатель(и):
Государственное учреждение Зональный научно-исследовательский институт сельского хозяйства Северо-Востока им. Н.В. Рудницкого (RU)
|
(54) МОЛОТКОВАЯ ДРОБИЛКА
(57) Реферат:
Изобретение относится к молотковым дробилкам. Молотковая дробилка содержит дробильную камеру с молотковым ротором, входную горловину, которая расположена по центру дробильной камеры, обводной канал со стенками, переходящими в деку и примыкающими к дробильной камере под прямым углом, в центре обводного канала расположено выгрузное приспособление, снабженное дефлектором, дополнительная стенка обводного канала в месте примыкания к дробильной камере выполнена перфорированной и совместно с внешней стенкой обводного канала образует камеру для отвода запыленного воздуха. Изобретение позволяет повысить эффективность работы дробилки. 1 ил.
Изобретение относится к молотковым дробилкам и может быть использовано в сельскохозяйственной, строительной, горнорудной и других отраслях промышленности.
Известна дробилка, содержащая корпус с молотковым ротором, воздухоотводящий канал, верхний и нижний формирующие каналы, отсекатели и выгрузное устройство (Патент №2031711).
Недостатком данного устройства является увеличение металлоемкости конструкции.
Наиболее близким к изобретению по технической сущности и достигаемому результату является устройство для измельчения сыпучих материалов, включающее дробильную камеру с ротором, загрузочную горловину, выгрузное окно, продуктовый, возвратный каналы (А.с. №1607937).
Недостатком данного устройства является забивание дополнительного канала измельчаемым материалом.
Задачей предлагаемого изобретения является обеспечение эффективной работы дробилки, увеличение пропускной способности и получение продукта, соответствующего зоотехническим требованиям.
Поставленная задача достигается за счет того, что молотковая дробилка, содержащая дробильную камеру с молотковым ротором, входную горловину, расположенную по центру дробильной камеры, обводной канал со стенками, переходящими в деку, и выгрузное приспособление. Согласно изобретению стенки обводного канала примыкают к дробильной камере под прямым углом, при этом обводной канал снабжен дополнительной перфорированной стенкой, примыкающей к дробильной камере и образующей с внешней стенкой обводного канала камеру для отвода запыленного воздуха. Выгрузное приспособление расположено в центре обводного канала.
Соединение стенок обводного канала под прямым углом к дробильной камере позволяет направлять частицы, движущиеся на доизмельчение, непосредственно на молотки ротора. Конструкция дополнительной стенки обводного канала позволяет отделять крупные частицы материала от пыли за счет того, что пыль проходит через отверстия дополнительной стенки обводного канала.
Совокупность указанных признаков позволит обеспечить эффективную работу дробилки, увеличить пропускную способность и получить продукт, соответствующий зоотехническим требованиям.
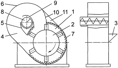
На чертеже изображена молотковая дробилка – общий вид.
Дробилка состоит из дробильной камеры 1 с молотковым ротором 2, входной горловины 3, которая расположена по центру дробильной камеры, обводного канала 4 со стенками 5 и 6, деки 7, выгрузного приспособления, например шнека 8, и дефлектора 9.
Обводной канал 4 образован стенками 5 и 6, переходящими в деку 7 и примыкающими к дробильной камере 1 под прямым углом. При этом обводной канал 4 снабжен дополнительной перфорированной стенкой 10, которая примыкает к дробильной камере 1 под прямым углом в месте пересечения вертикальной плоскости оси ротора 2 с касательной верхней точки дробильной камеры 1, образуя с внешней стенкой 6 обводного канала 4 камеру для отвода запыленного воздуха 11. Внутренняя стенка 5 сопрягается с дробильной камерой 1 под прямым углом в верхней точке деки, расположенной под выгрузным приспособлением.
Выгрузное приспособление, предназначенное для выгрузки измельченных частиц заданного размера, расположено в центре обводного канала 4.
Молотковая дробилка работает следующим образом.
Измельчаемый материал в дробильную камеру 1 подается через входную горловину 3. Молотки ротора 2 измельчают материал и выбрасывают его в обводной канал 4. При этом мелкая фракция проходит по внутренней стенке 5 и выводится выгрузным приспособлением, например шнеком 8, находящимся в центре обводного канала 4. Более крупные частицы по инерции возвращаются в дробильную камеру 1 по внешней стенке 6 обводного канала 4 на доизмельчение. Проходя по дополнительной перфорированной стенке 10 обводного канала 4, крупные частицы измельчаемого материала отделяются от пыли, которая удаляется посредством камеры для отвода запыленного воздуха 11.
За счет того, что дополнительная стенка 10 выполнена перфорированной, крупные частицы измельчаемого материала, проходя по ней, возвращаются в дробильную камеру 1, а пылевидные частицы проходят сквозь отверстия стенки 10 и затем выводятся через камеру 11. Таким образом, при помощи камеры 11 возможно отделять крупные частицы от мелковзвешенных частиц пыли, что позволит обеспечить эффективную работу дробилки, увеличить ее пропускную способность, а также получить продукт, соответствующий зоотехническим требованиям.
Степень измельчения материала регулируется зазором между декой 7 и молотками ротора 2 и посредством дефлектора 9 выгрузного устройства.
Использование предлагаемой дробилки позволит обеспечить эффективную работу дробилки, увеличить пропускную способность и получить продукт, соответствующий зоотехническим требованиям.
Формула изобретения
Молотковая дробилка, содержащая дробильную камеру с молотковым ротором, входную горловину, расположенную по центру дробильной камеры, обводной канал со стенками, переходящими в деку, и выгрузное приспособление, отличающаяся тем, что стенки обводного канала примыкают к дробильной камере под прямым углом, при этом обводной канал снабжен дополнительной перфорированной стенкой, примыкающей к дробильной камере и образующей с внешней стенкой обводного канала камеру для отвода запыленного воздуха, а выгрузочное приспособление расположено в центре обводного канала.
РИСУНКИ
MM4A – Досрочное прекращение действия патента СССР или патента Российской Федерации на изобретение из-за неуплаты в установленный срок пошлины за поддержание патента в силе
Дата прекращения действия патента: 01.06.2006
Извещение опубликовано: 20.12.2007 БИ: 35/2007
|
|