|
|
(21), (22) Заявка: 2004128694/09, 27.09.2004
(24) Дата начала отсчета срока действия патента:
27.09.2004
(43) Дата публикации заявки: 10.03.2006
(46) Опубликовано: 10.07.2006
(56) Список документов, цитированных в отчете о поиске:
RU 2003103135 A, 20.08.2004. RU 2179740 C1, 20.02.2002. SU 1282161 A1, 07.01.1987. US 5764923 A, 09.06.1998.
Адрес для переписки:
305000, г.Курск, Почтамт, а/я 110, Ш.Р. Гойзману
|
(72) Автор(ы):
Белов Леонид Борисович (RU), Гойзман Шимон Рувимович (RU), Полуянов Алексей Викторович (RU), Шкабенко Анна Владимировна (RU)
(73) Патентообладатель(и):
Общество с ограниченной ответственностью “Конус-Медик” (RU)
|
(54) УСТРОЙСТВО ДЛЯ УПРАВЛЕНИЯ
(57) Реферат:
Изобретение относится к устройствам управления, управляющее воздействие которых основано на обработке входных данных, и предназначено для управления процессом восстановления работоспособности объектов. Техническим результатом является обеспечение анализа информации о состоянии процессов восстановления объектов и формирования сигналов, управляющих совокупностью баз данных регистраторов, в зависимости от результатов анализа. Указанный результат достигается за счет того, что в устройство введен ряд последовательных цепей, каждая из которых состоит из анализатора информации, преобразователя параметров информационного потока в управляющие сигналы и блока подачи ресурсов в блоки памяти регистраторов состояния объекта. 1 з.п. ф-лы, 2 ил.
Изобретение относится к устройствам управления, управляющее воздействие которых основано на обработке и анализе входных данных, и предназначено для управления одним или несколькими регистраторами состояния объектов, в частности для оперативного управления лечебными учреждениями, базируясь на обработке и анализе исходящей от них отчетной информации.
Задачей изобретения является создание технических средств, обеспечивающих принятие наиболее рациональных управленческих решений.
Уже известны устройства для управления различными процессами, сущность которых опубликована, например, в а.с. СССР №1282161 [1]. Данное изобретение является устройством для программного управления технологическими процессами различного назначения, формирующим команды блокирования процесса при обнаружении ошибок во время выполнения какой-либо процедуры, и не предусматривает возможности воздействия на объект в зависимости от результатов анализа ошибок. Более корректно решает эти проблемы американская компания «Альтернатив Системз», разработавшая устройство, обеспечивающее комплексный подход к управленческой деятельности, базирующийся на генерировании шаблонов и заполнении их атрибутов из ряда баз данных – предметных указателей-справочников [2]. При этом в данном устройстве предусмотрено множество шаблонов для однократного ввода информации, считываемой в центральной станции с принятием управленческого решения.
Такая схема не обеспечивает многоуровневый анализ с обратными связями и не позволяет гибко и оперативно влиять на меняющуюся ситуацию.
Известно также устройство по патенту РФ №2179740 [3] для анализа состояния объекта в процессе восстановления его работоспособности, которое выполнено в виде совокупности четырех анализаторов информации и блока распределения информационных потоков. При этом каждый анализатор информации включает в себя компаратор, к одному входу которого подключен блок ввода информации, а ко второму – блок памяти с базой данных. В данном устройстве при выполнении каждой следующей процедуры происходит считывание результатов предыдущей операции и дополнение шаблонов новой информацией об объекте, если таковая находится в соответствующей базе данных. Появление новой записи является основанием для выдачи команды на переход шаблона на следующий уровень (процедуру), а отсутствие новой записи – на возврат шаблона по линиям обратной связи на предыдущий уровень для коррекции состояния объекта или дополнения базы данных новой информацией. При этом на последнем этапе процесса, кроме выдачи отчетной информации, также предусмотрена обратная связь для коррекции исходной базы данных шаблонов. В процессе функционирования устройства объем информации в каждой из четырех баз данных естественным образом спонтанно расширяется или, по крайней мере, не сужается.
Дальнейшее развитие устройства для анализа состояния объекта в процессе восстановления его работоспособности отображено в заявке на изобретение №2003103135 от 3 февраля 2003 г. [4]. Это устройство по сути дела является регистратором состояния объектов в процессе восстановления его работоспособности (далее – регистратор состояния объектов), т.к. оно обеспечивает не только анализ состояния объектов (диагностику) на всех этапах процесса восстановления их работоспособности, но и учет затрат на диагностику и восстановление – затрат на оплату труда специалистов по восстановлению, затрат на расходные материалы и комплектующие, затрат на амортизационные отчисления по капитальным средствам и др. Для этой цели в регистраторе предусмотрено введение четырех дополнительных анализаторов информации (вносимой в тот же информационный шаблон). Дополнительные анализаторы имеют конформную структуру, т.к. также содержат блоки ввода информации, блоки памяти с соответствующими базами данных и компараторы, выбирающие из баз данных нужную информацию для занесения в атрибут информационного шаблона. В отличие от первых четырех анализаторов, объемы информации в базах данных дополнительных анализаторов по мере функционирования устройства снижаются (расходуются лекарства, продукты питания, финансовые средства на оплату труда специалистов, снижаются значения ресурса капитальных средств). Поэтому для нормального функционирования такого регистратора требуются управляющие команды на восстановление или на расширение баз данных, записанных в блоки памяти дополнительных анализаторов.
Однако в устройстве по заявке на изобретение №2003103135 средства для формирования команд-сигналов, управляющих совокупностью баз данных регистратора в зависимости от анализа выходной информации, не предусмотрены.
Целью настоящего изобретения является создание устройства для управления, а техническим результатом его реализации является обеспечение объективного анализа информации о состоянии процессов восстановления объектов и формирования сигналов, управляющих совокупностью баз данных одного или нескольких регистраторов, в зависимости от результатов анализа.
Для достижения данного технического результата, в устройство для управления одним или несколькими регистраторами состояния объекта, каждый из которых выполнен в виде совокупности анализаторов информации (включающих компаратор с первым информационным входом и блок памяти с базой данных, подключенный ко второму информационному входу компаратора) и выходного блока распределения информационных потоков, введены подключенные к выходному блоку распределения информационных потоков каждого регистратора состояния объектов ряд последовательных цепей, каждая из которых состоит из анализатора информации, преобразователя параметров информационного потока в управляющие сигналы и блока подачи ресурсов в блоки памяти регистраторов состояния объекта, причем информационный вход компаратора, входящего в состав каждого из анализаторов информации этой цепи, подключен к соответствующему выходу выходного блока распределения информационных потоков корректора состояния, а второй его вход – к своему блоку памяти со специализированной базой данных.
Для повышения эффективности подачи ресурсов в один или несколько регистраторов состояния объекта все преобразователи параметров информационного потока в управляющие сигналы объединены в единый блок приоритетного адресного управления блоками подачи ресурсов.
Благодаря такому техническому решению системы подачи ресурсов обеспечивается обратная связь между устройствами высшего (преобразователи параметров информационного потока в управляющие сигналы) и нижнего (регистраторы состояния объектов) уровней.
Воплощение изобретения иллюстрируется на примере управления здравоохранением (процессом восстановления работоспособности объектов) с чертежами, где на фиг.1 изображена структурная схема устройства для управления программно-аппаратным комплексом (регистратором состояния объекта) одного лечебного учреждения, а на фиг.2 – аналогичная структурная схема устройства для управления программно-аппаратными комплексами (регистраторами состояния объектов) нескольких лечебных учреждений.
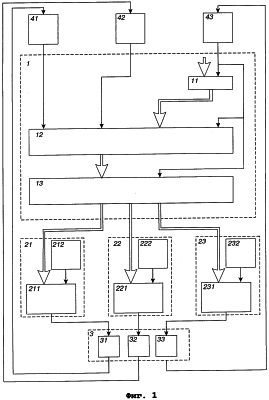
Как видно из схемы на фиг.1, устройство для управления программно-аппаратным комплексом одного лечебного учреждения содержит регистратор 1 (выделен пунктирной рамкой), к выходу которого подсоединены три цепи из последовательно соединенных анализатора информационного потока, преобразователя параметров информационного потока анализатора в управляющие сигналы и блока подачи ресурсов в устройство. При этом блоки подачи ресурсов различных цепей различаются адресными кодами и каждый из них подсоединен к одному из трех каналов устройства 1. Таким образом для корректора 1 каждая такая цепь является цепью обратной управляющей связи. Такими управляющими цепями обратной связи являются показанные на фиг.1 последовательные цепи «анализатор 21 – преобразователь 31 – блок подачи ресурсов 41 на восполнение расходных материалов и комплектующих», «анализатор 22 – преобразователь 32 – блок подачи ресурсов 42 на приобретений капитальных средств (обновлений парка медицинского оборудования)», «анализатор 23 – преобразователь 33 – блок подачи ресурсов 43 на формирование фондов оплаты труда специалистов, участвующих в процессе лечения». Разумеется, таких цепей может быть не только три, а столько, сколько потребуется для эффективного управления процессом здравоохранения.
Регистратор состояния объекта 1 выполнен в виде последовательно соединенных генератора шаблонов историй болезни 11, блока 12 анализаторов (предназначенных для диагностики объектов на всех этапах лечения и учета средств, расходуемых на эти цели) и блока распределения информационных потоков 13. К выходам блока распределения информационных потоков 13 подключены информационные входы компараторов 211, 221 и 231, входящих в состав соответствующих анализаторов 21, 22 и 23. Ко вторым входам компараторов 211, 221 и 231 подключены блоки памяти 212, 222 и 232 со своими специализированными базами данных.
Преобразователи 31, 32, 33 параметров информационного потока анализатора 1 в управляющие сигналы являются известными вычислительными устройствами, работающими по заданной программе. Они объединены в единый блок 3 приоритетного адресного управления блоками подачи ресурсов 41, 42 и 43, выходы которых подсоединены к соответствующим блокам памяти анализаторов регистратора состояния объекта.
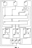
Как показано на фиг.2, структурная схема устройства для управления программно-аппаратным комплексами нескольких лечебных учреждений (регистраторов состояния) А, В, С и т.д. до N содержит те же последовательные цепи «анализатор 21 – преобразователь 31 – блок подачи ресурсов 41», «анализатор 22 – преобразователь 32 – блок подачи ресурсов 42», «анализатор 23 – преобразователь 33 – блок подачи ресурсов 43», к которым параллельно подключены информационные выходы блоков распределения информационных потоков каждого из корректоров А, В, С и т.д. до N, а к выходам блоков подачи ресурсов 41, 42, и 43 параллельно подключены соответствующие входы корректоров А, В, С и т.д. до N.
Устройство работает следующим образом. Генератор шаблонов 11 (фиг.1) генерирует новый или выводит по идентификационным признакам из своей базы данных существующий шаблон истории болезни. Шаблон содержит идентификационные атрибуты пациента – фамилию, имя и отчество больного, пол, возраст, предварительный диагноз и код заболевания по Международному классификатору болезней (МКБ), выбранный из специализированной базы данных. Шаблоны поступают в блок анализаторов 12 (в выходные блоки приборов функциональной и/или лабораторной диагностики, на выходные диагностические блоки хирургических и/или физиотерапевтических аппаратов, выполняющих функции коррекции и/или компенсации состояния здоровья больного). После выполнения коррекции и/или компенсации состояния больного, в атрибуты текущего состояния шаблона истории болезни пациента вводится новая цифровая или аналоговая информация. Эта информация сравнивается с эталонными состояниями пациента, хранящимися в базе данных выходного анализатора блока 12; шаблоны историй болезни с записью информации о состоянии пациента, соответствующей эталонному, попадают в распределитель информации 13, где происходит многоаспектная регистрация входящих шаблонов, позволяющая выдавать различную информацию (отчеты) внешним потребителям по их адресным запросам. Более подробно процедура прохождения шаблонов историй болезни описана в нашем патенте №2179740 (М.кл. G 06 F 17/00 от 20.02.02) и в заявке №2003103135 от 3 февраля 2003 г.
Распределитель информации 13 на каждый из своих выходов выдает информацию строго со своим адресом, соответствующим одному или нескольким атрибутам шаблонов. В частности, на первый выход, например, подается информация об общем количестве зарегистрированных шаблонов (т.е. о количестве пролеченных больных) за определенный период времени, о времени, затраченном на лечение этих больных с тем или иным диагнозом, о затратах на лекарства и питание больных и т.п., на второй выход, например, перечень медицинского оборудования, задействованного для диагностики и лечения того же количества больных, и расход их технического ресурса, на третий – количества врачей и другого медицинского персонала, участвовавшего в процессе диагностики и лечения больных, чьи шаблоны историй болезни зарегистрированы в затребованном периоде времени, и т.д. Информация в цифровом виде поступает на группу анализаторов 21, 22, 23, а точнее на информационные входы их компараторов 211, 221, 231, и сравнивается с информацией баз данных, хранящихся в блоках памяти 212, 222, 232. Так, в анализаторе 21 информация с первого выхода распределителя информации 13 сравнивается с базой данных утвержденных нормативов количества койкодней для различных заболеваний с учетом их сложности, а также с установленными нормативами на медикаменты, на питание, на энергоснабжение и коммунальные услуги в пересчете на одного больного с тем или иным диагнозом, что влияет на принятие решений по материально-техническому обеспечению лечебного учреждения; в анализаторе 22 информация со второго входа распределителя информации 13 сравнивается с нормативными сроками эксплуатации различного оборудования и зданий больницы, что влияет на принятие решения о выделении средств на ремонт и приобретение нового оборудования, ремонт и строительство новых зданий; в анализаторе 23 информация с третьего выхода распределителя информации 13 сравнивается с базой данных утвержденных нормативов по фондам оплаты труда медицинских работников, что влияет на принятие решений по финансированию оплаты труда и другим кадровым вопросам. Информация с анализаторов 21, 22, 23 поступает на преобразователи 31, 32, 33 параметров информационного потока анализатора 1 в управляющие сигналы, объединенные в единый блок 3 приоритетного адресного управления блоками питания.
Величина управляющего сигнала для нужд управления ставится в зависимость от качества работы лечебного учреждения. В частности, преобразователь 31, получая исходные данные от анализатора 21, преобразует их в первую векторную составляющую качества лечебного процесса К1 по программе, реализующей векторную формулу:

где N – общее количество пациентов, находившихся на излечении в отчетном периоде,
kiн – установленный норматив количества койкодней 1-го заболевания с учетом его сложности,
kiф – отчетное количество койкодней i-го заболевания,
Ni – количество пациентов с i-тым заболеванием (SNi=N),
nt – количество отрицательных (в т.ч. летальных) исходов для пациентов t-го возраста,
nti – количество пациентов t-го возраста (Snti=N),
kмн – установленный норматив на медикаменты для одного больного,
kен – установленный норматив на питание одного больного,
kэн – установленный норматив на энергоснабжение и коммунальные услуги в пересчете на одного больного,
kмф – фактические затраты на медикаменты в пересчете на одного больного,
kеф – фактические затраты на питание одного больного,
kэф – фактический затраты на энергоснабжение и коммунальные услуги на одного больного,
mi – нормирующие множители, сумма которых равна 1.
Аналогично преобразователь 32 преобразует данные анализатора 22 во вторую векторную составляющую качества лечебного процесса К2 по векторной формуле:
K2=m6·Aбп/Збп+m7·Aоб/Зоб,
где Абп – амортизационные отчисления на больничные помещения,
Аоб – амортизационные отчисления на медицинское оборудование,
Збп – затраты на обслуживание и ремонт больничных помещений,
Зоб – затраты на ремонт медицинского оборудования,
mi – нормирующие множители, сумма которых равна 1.
И, наконец, преобразователь 33 преобразует данные анализатора 23 в третью векторную составляющую качества лечебного процесса К3 по векторной формуле:
К3=kРФ/k3ф,
где kРФ – средняя заработная плата медицинских работников по России,
kЗФ – средняя заработная плата медицинского персонала больницы по данным отчета.
Для комплексной оценки качества работы больниц применим равнодействующий (суммирующий) вектор «К», рассчитываемый по векторной формуле:
К=аК1+bК2+сК3, где: а, b, с – коэффициенты весомости каждой из трех составляющих оценки качества работы больницы.
При удовлетворительной работе больницы ее отдельные показатели будут равны нормативным, а абсолютные величины векторов K1, K2 и К3 будут равны 1. При поступлении с преобразователя 3 нулевого сигнала, эквивалентного значению К=1, режим работы блоков подачи ресурсов 41, 42 или 43 остается без изменения. При поступлении с какого-либо преобразователя 31, 32 или 33 ненулевого сигнала, соответствующего значению вектора К 1, режим работы соответствующего блоков подачи ресурсов изменяется с учетом коэффициентов весомости каждой из векторных составляющих комплексной оценки качества работы лечебного учреждения. При управлении рядом лечебных учреждений А, В, С…N (фиг.2) преобразователи 3 каждого из лечебных учреждений определяют равнодействующие (суммирующие) векторы КA, КB, КC…КN, которые можно проранжировать по абсолютному значению и программно установить приоритетность в зависимости от ранга учреждения.
Практически предлагаемое устройство может быть реализовано программно с помощью многомерной системы управления базами данных (СУБД) с архитектурой «клиент-сервер», установленной на персональных компьютерах, объединенных локально-вычислительной сетью любой конфигурации. Количество персональных компьютеров и созданных на их основе программно-аппаратных комплексов анализа состояния объектов определяется исходя из организации руководящего органа (департамента здравоохранения или любого другого учреждения подобного назначения) и принятой в нем технологии обработки информации.
Кроме нужд здравоохранения данное устройство может также использоваться для решения задач управления и в других областях техники, например, – для управления предприятиями, специализирующимися на ремонте различных видов оборудования (автомобилей, радиоэлектронного оборудования и т.п. оборудования).
ЛИТЕРАТУРА
1. В.А.Филиппов и др. Устройство для программного управления технологическими процессами. А.С. СССР №1282161, М. кл. G 06 F 15/46/ заявл. 09.01.85, опубл. 07.01.87.
2. D.H.Sturgeon, A.T.Sziklai (Alternative Systems, Inc.). Integrated hazardous substance tracking and compliance. US Pat. 5726884, US C1. 395/209, filed 02.05.94, publ. 10.03.98.
3. А.Б.Алехин и др. Устройство для анализа состояния объекта в процессе восстановления его работоспособности. Патент России №2179740, М. кл. G 06 F 17/00, заявл. 26.06.2000, опубл. 20.02.2002.
4. Л.Б.Белов и др. Устройство для анализа состояния объекта в процессе восстановления его работоспособности. Заявка на патент России №2003103135 от 3 февраля 2003 г., М. кл. G 06 F 17/00, опубл. 20 августа 2004 г.
Формула изобретения
1. Устройство для управления одним или несколькими регистраторами состояния объектов, каждый из которых выполнен в виде выходного блока распределения информационных потоков, связанного с совокупностью анализаторов информации, каждый из которых включает компаратор с первым информационным входом и блок памяти с базой данных, подключенный ко второму информационному входу компаратора, выход которого является выходом анализатора информации, отличающееся тем, что к выходному блоку распределения информационных потоков каждого регистратора состояния объектов подключен ряд последовательных цепей, каждая из которых состоит из анализатора информации, преобразователя параметров информационного потока в управляющие сигналы и блока подачи ресурсов в регистраторы состояния объекта, причем информационный вход компаратора, входящего в состав каждого из анализаторов информации этой цепи, подключен к соответствующему выходу выходного блока распределения информационных потоков, а второй его вход к своему блоку памяти с базой данных.
2. Устройство для управления одним или несколькими регистраторами состояния объектов по п.1, отличающееся тем, что все преобразователи параметров информационного потока в управляющие сигналы объединены в единый блок приоритетного адресного управления блоками подачи ресурсов.
РИСУНКИ
HE4A – Изменение адреса для переписки с обладателем патента Российской Федерации на изобретение
Новый адрес для переписки с патентообладателем:
305000, г. Курск, почтамт, а/я 120, Ш.Р.Гойзману
Извещение опубликовано: 27.09.2006 БИ: 27/2006
|
|