|
|
(21), (22) Заявка: 2005103120/09, 08.02.2005
(24) Дата начала отсчета срока действия патента:
08.02.2005
(46) Опубликовано: 10.07.2006
(56) Список документов, цитированных в отчете о поиске:
US 5129083 А, 07.07.1999. RU 2216767 С1, 20.11.2003. RU 2239232 С1, 27.10.2004. RU 2239229 С1, 27.10.2004. US 5136708 А, 04.08.1992. JP 2003114954 A, 18.04.2003.
Адрес для переписки:
117312, Москва, пр-кт 60-летия Октября, 9, ООО “Когнитивные технологии”, А.Н. Романову
|
(72) Автор(ы):
Арлазаров Владимир Львович (RU), Романов Анатолий Николаевич (RU), Ященко Виктор Васильевич (RU)
(73) Патентообладатель(и):
ООО “Когнитивные технологии” (RU)
|
(54) АВТОМАТИЗИРОВАННАЯ СИСТЕМА ИДЕНТИФИКАЦИИ ДАННЫХ ПОДПИСНЫХ ЛИСТОВ ИЗБИРАТЕЛЕЙ ГАС “ВЫБОРЫ”
(57) Реферат:
Изобретение относится к вычислительной технике, в частности к автоматизированной системе идентификации данных подписных листов избирателей ГАС “Выборы”. Техническим результатом является повышение быстродействия системы путем локализации адресов документальных данных граждан в базе данных системы по идентификаторам их фамилии, имени и отчества. Система содержит блок приема данных подписных листов, блок приема записей базы данных сервера, блок задания типа подписей, блок селекции опорных адресов базы данных сервера, счетчик числа подписей, компараторы, блоки селекции опорных адресов типов подписей, блоки модификации адресов записи и считывания подписей, блок селекции типов подписей, блок селекции числа проверяемых подписей избирателей и блок формирования сигналов записи и считывания подписей избирателей. 12 ил.
Изобретение относится к области вычислительной техники, в частности к автоматизированной системе идентификации данных подписных листов избирателей ГАС “Выборы”.
В соответствии со статьей 55 Федерального закона о подготовке и проведении выборов на территории Российской Федерации Окружные избирательные комиссии обязаны проверить достоверность сведений, содержащихся в подписных листах, представленных кандидатами. Проверке подлежит не менее 50 процентов от необходимого для регистрации количества подписей избирателей в поддержку каждого кандидата и соответствующих им сведений об избирателях, поставивших подписи в подписных листах.
Форма подписного листа приведена на фиг.12. Каждый из избирателей, поддерживающий кандидата, указывает свою фамилию, имя, отчество, адрес проживания, дату рождения, номер паспорта или иного документа и дату подписания.
Для первоначальной проверки отбирается одинаковое количество подписей избирателей, собранных в поддержку каждого кандидата. Подписные листы для выборочной проверки отбираются посредством случайной выборки (жребия). Процедура проведения случайной выборки определяется окружной избирательной комиссией. Проверке подлежат все подписи и соответствующие им сведения, содержащиеся в подписных листах, отобранных для проверки.
По результатам проверки достоверности подписей избирателей и соответствующих им сведений, содержащихся в подписных листах, подпись избирателя может быть признана достоверной либо недостоверной или недействительной.
В случае если при проверке подписных листов обнаруживается несколько подписей одного и того же лица в поддержку выдвижения одного и того же кандидата, достоверной считается только одна подпись, а остальные подписи считаются недействительными.
Недостоверными подписями избирателей считаются:
а) подписи лиц, не обладающих активным избирательным правом в соответствующем избирательном округе, и подписи избирателей, указавших в подписном листе сведения, не соответствующие действительности. В этом случае подпись избирателя признается недостоверной при наличии официальной справки органа внутренних дел Российской Федерации либо заключения эксперта, привлеченного к работе по проверке достоверности подписей избирателей;
б) подписи избирателей без указания каких-либо сведений из требуемых в соответствии с настоящим Федеральным законом либо без указания даты внесения подписи в подписной лист самим избирателем;
в) подписи избирателей, выполненные от имени разных лиц одним лицом или от имени одного лица другим лицом;
г) подписи избирателей, сведения о которых внесены в подписной лист нерукописным способом или карандашом;
д) подписи избирателей с исправлениями в дате внесения подписи в подписной лист избирателем и лицами, удостоверяющими подписные листы, если эти исправления специально не оговорены соответственно избирателем, лицами, удостоверяющими подписные листы, а также подписи избирателей, даты внесения которых проставлены не самими избирателями;
е) подписи избирателей с исправлениями в соответствующих им сведениях об избирателях, если эти исправления специально не оговорены избирателем или лицами, удостоверяющими подписные листы;
ж) все подписи избирателей в подписном листе в случае, если подписной лист не заверен собственноручной подписью лица, проводившего сбор подписей избирателей, и (или) кандидата, либо если эта подпись недостоверна, либо если в сведениях о лице, проводившем сбор подписей избирателей, в дате внесения подписи лицом, проводившим сбор подписей избирателей, кандидатом имеются исправления, специально не оговоренные соответственно лицом, собиравшим подписи избирателей, кандидатом.
В случае если количество обнаруженных при выборочной проверке недостоверных подписей избирателей составит более 15 процентов от количества подписей избирателей, отобранных для проверки, проводится дополнительная проверка в установленном порядке еще 10 процентов подписей избирателей от необходимого для регистрации количества подписей.
В случае если суммарное количество недостоверных и недействительных подписей избирателей, выявленных при выборочной проверке, составит более 15 процентов от общего количества подписей избирателей, подлежащих проверке дальнейшая проверка подписных листов прекращается и регистрация кандидата не производится.
По окончании проверки подписных листов об итогах проверки по каждому кандидату составляется протокол, который подписывается руководителем рабочей группы – членом окружной избирательной комиссии с правом решающего голоса и представляется в окружную избирательную комиссию для принятия соответствующего решения.
В протоколе указываются количество заявленных подписей избирателей, количество представленных подписей избирателей, количество проверенных подписей избирателей, количество подписей избирателей, признанных недостоверными и недействительными, с указанием оснований признания этих подписей недостоверными и недействительными.
Особенность поставленной задачи состоит в том, чтобы осуществить проверку достоверности представленных подписей избирателей не только по их документальным данным, но и по принадлежности граждан к тому избирательному округу, в пределах которого выдвигается кандидат в депутаты.
Естественно, что выполнить подобную работу вручную по большому объему подписей избирателей и по значительному числу кандидатов в крайне ограниченные сроки практически не представляется возможным. На решение этой задачи и направлено предлагаемое техническое решение.
Архитектура предлагаемой системы поясняется структурной схемой, приведенной на фиг.11, где показано, что для выполнения возложенных на нее функций, автоматизированная система идентификации подписных листов избирателей использует средства оперативного анализа и поддержки принятия решений, содержащие как средства сканирования и распознавания данных подписных листов граждан, так и средства ведения базы данных избирателей, представленных “регистром избирателей” ГАС “ВЫБОРЫ”,
Известны системы, которые могли бы быть использованы для решения поставленной задачи [1, 2].
Первая из известных систем содержит блоки приема и хранения данных, соединенные с блоками управления и обработки данных, блоки поиска и селекции, подключенные к блокам хранения данных и отображения, синхронизирующие входы которых соединены с выходами блока управления [1].
Существенный недостаток данной системы состоит в невозможности решения задачи обновления данных, хранимых в памяти в виде соответствующих документов одновременно с решением задачи выдачи содержания этих документов пользователям в реальном масштабе времени.
Известна и другая система, содержащая блоки обработки данных, информационные входы которых соединены с блоками приема данных и управления, а выходы подключены к первой группе блоков памяти, центральный процессор, входы которого соединены с выходами блоков памяти первой группы и блоков обработки данных, а выходы соединены с входами блоков памяти второй группы и блоков отображения данных [2].
Последнее из перечисленных выше технических решений наиболее близко к описываемому.
Его недостаток заключается в невысоком быстродействии системы, обусловленном тем, что выполнение процедуры контроля личностей граждан, приобретающих билеты, реализуется через поиск документальных данных этих граждан по всей базе данных и их последующей обработке центральным процессором, что при больших объемах продаж билетов неизбежно приведет к большим затратам времени.
Цель изобретения – повышение быстродействия системы путем локализации адресов документальных данных избирателей в базе данных системы по идентификаторам их фамилии, имени и отчества.
Поставленная цель достигается тем, что в известную систему, содержащую блок приема данных подписных листов, информационный и синхронизирующий входы которого являются первыми информационным и синхронизирующими входами системы, а первый информационный выход является информационным выходом системы, блок формирования сигналов записи и считывания подписей избирателей, информационный выход которого является адресным выходом системы, а первый и второй синхронизирующие выходы являются первым и вторым синхронизирующими выходами системы соответственно, блок приема записей базы данных сервера, информационный и синхронизирующий входы которого являются вторыми информационным и синхронизирующими входами системы, а синхронизирующий выход соединен со счетным входом счетчика числа подписей, блок задания типа подписей, информационный и синхронизирующий входы которого являются третьими информационным и синхронизирующими входами системы, а информационный и синхронизирующий выходы соединены с информационным и синхронизирующим входами блока селекции типов подписей соответственно, отличающаяся тем, что содержит блок селекции опорных адресов базы данных сервера, информационный вход которого соединен со вторым информационным выходом блока приема данных подписных листов, синхронизирующий вход подключен к синхронизирующему выходу блока приема данных подписных листов, один информационный выход соединен с первым информационным входом блока формирования сигналов записи и считывания подписей избирателей, а синхронизирующий выход соединен с синхронизирующим входом блока формирования сигналов записи и считывания подписей избирателей, первый компаратор, информационные входы которого подключены к выходу счетчика числа подписей и к другому информационному выходу блока селекции опорных адресов базы данных сервера, а первый выход соединен со счетным входом блока формирования сигналов записи и считывания подписей избирателей, второй компаратор, один информационный вход которого подключен к третьему информационному выходу блока приема данных подписных листов, другой информационный вход соединен с первым информационным выходом блока приема записей базы данных сервера, синхронизирующий вход подключен к синхронизирующему выходу блока приема записей базы данных сервера, а один выход соединен с синхронизирующим входом первого компаратора, третий компаратор, один информационный вход которого подключен к второму информационному выходу блока приема записей базы данных сервера, другой информационный вход соединен с четвертым информационным выходом блока приема данных подписных листов, а синхронизирующий вход подключен к другому выходу второго компаратора, блок селекции числа проверяемых подписей избирателей, вход которого соединен со вторым синхронизирующим выходом блока формирования сигналов записи и считывания подписей избирателей, один выход является управляющим выходом системы, а другой выход является сигнальным выходом системы, блоки модификации адресов записи и считывания подписей, синхронизирующие входы которых подключены к соответствующим выходам блока селекции типов подписей, информационные выходы соединены с соответствующими информационными входами блока формирования сигналов записи и считывания подписей избирателей, выходы сигналов управления записью подключены к соответствующим входам сигналов управления записью блока формирования сигналов записи и считывания подписей избирателей, а выходы сигналов управления считыванием соединены с соответствующими входами сигналов управления считыванием блока формирования сигналов записи и считывания подписей избирателей, и блоки селекции опорных адресов типов подписей, установочные входы которых подключены к соответствующему выходу блока селекции числа проверяемых подписей избирателей, информационные выходы соединены с информационными входами соответствующих блоков модификации адресов записи и считывания подписей, синхронизирующие выходы подключены к синхронизирующим входам соответствующих блоков модификации адресов записи и считывания подписей, при этом синхронизирующий вход первого блока селекции опорных адресов типов подписей подключен к другому выходу первого компаратора, синхронизирующий вход второго блока селекции опорных адресов типов подписей подключен к одному выходу третьего компаратора, а синхронизирующий вход третьего блока селекции опорных адресов типов подписей соединен с другим выходом третьего компаратора.
Сущность изобретения поясняется чертежами, где на фиг.1 представлена структурная схема системы, на фиг.2 – структурная схема блока приема данных подписных листов, на фиг.3 – структурная схема блока приема записей базы данных сервера, на фиг.4 – структурная схема блока задания типа подписей, на фиг.5 – блока селекции опорных адресов базы данных сервера, на фиг.6 – структурная схема блоков селекции опорных адресов типов подписей, на фиг.7 – структурная схема блоков модификации адресов записи и считывания подписей, на фиг.8 – структурная схема блока селекции типов подписей, на фиг.9 – структурная схема блока селекции числа проверяемых подписей избирателей, на фиг.10 – структурная схема блока формирования сигналов записи и считывания подписей избирателей.
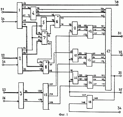
Система (фиг.1) содержит блок 1 приема данных подписных листов, блок 2 приема записей базы данных сервера, блок 3 задания типа подписей, блок 4 селекции опорных адресов базы данных сервера, счетчик 5 числа подписей, первый 6, второй 7 и третий 8 компараторы, блоки 9-11 селекции опорных адресов типов подписей, блоки 12-14 модификации адресов записи и считывания подписей, блок 15 селекции типов подписей, блок 16 селекции числа проверяемых подписей избирателей и блок 17 формирования сигналов записи и считывания подписей избирателей.
На фиг.1 показаны первый 21, второй 22, третий 23 информационные входы системы, первый 24, второй 25 и третий 26 синхронизирующие входы системы, а также информационный 30 и адресный 31 выходы системы, первый 32, второй 33 и третий 34 синхронизирующие выходы системы.
Блок 1 (фиг.2) приема данных подписных листов содержит регистр 40 и элемент 41 задержки. На чертеже показаны информационный 21 и синхронизирующий 24 входы, а также информационные 43-46 и синхронизирующий 47 выходы.
Блок 2 (фиг.3) приема записей базы данных сервера содержит регистр 50 и элемент 51 задержки. На чертеже показаны информационный 22 и синхронизирующий 25 входы, а также информационные 52, 53 и синхронизирующий 54 выходы.
Блок 3 (фиг.4) задания типа подписей содержит регистр 55 и элемент 56 задержки. На чертеже показаны информационный 23 и синхронизирующий 26 входы, а также информационный 58 и синхронизирующий 59 выходы.
Блок 4 (фиг.5) селекции опорных адресов базы данных сервера содержит дешифратор 60, блок 61 памяти, выполненный в виде постоянного запоминающего устройства, регистр 62, элементы 64-66 И и элементы 67, 68 задержки. На чертеже показаны информационный 70 и синхронизирующий 71 входы, а также информационные 72, 73 и синхронизирующий 74 выходы.
Блоки 9-11 (фиг.6) содержат блоки 90 памяти, выполненные в виде постоянного запоминающего устройства, регистры 91, триггеры 92, элементы 93, 94 И, группы элементов 88, 89 И, элемент 95 ИЛИ, элементы 96, 97 задержки. На чертеже показаны синхронизирующий 98 и установочный 99 входы, а также информационный 100 и синхронизирующий 101 выходы.
Блоки 12-14 (фиг.7) модификации адресов записи и считывания подписей содержат реверсивный счетчик 105, компаратор 106, сумматор 107, триггер 108, группу 109 элементов И, элементы 110-114 ИЛИ, элементы 115-120 задержки. На чертеже показаны информационный 122 и первый 123 и второй 124 синхронизирующие входы, а также информационный 125 и первый 126, и второй 127 синхронизирующие выходы.
Блок 15 (фиг.8) селекции типов подписей содержит дешифратор 130 и элементы 131-133 И. На чертеже показаны информационный 135 и синхронизирующий 136 входы, а управляющие 137-139 выходы.
Блок 16 (фиг.9) селекции числа проверяемых подписей избирателей содержит регистр 140, счетчик 141, компаратор 142 и элемент 143 задержки. На чертеже показаны счетный 145 вход, а также управляющие 146, 147 выходы.
Блок 17 (фиг.10) формирования сигналов записи и считывания подписей избирателей содержит счетчик 150, элементы 151-153 ИЛИ, группу 155 элементов ИЛИ и элемент 156 задержки. На чертеже показаны информационные 160-202 входы, синхронизирующий 164 и счетный 165 входы, входы 166-168 управления считыванием и входы 169-171 управления записью, а также адресный 31, первый 32 и второй 33 синхронизирующие выходы.
Все узлы и элементы системы выполнены на стандартных потенциально-импульсных элементах.
Система работает следующим образом.
Каждый подписной лист избирателей, из числа предъявленных для идентификации, сканируется блоком сканирования, распознается и в виде электронного образа подписного листа записывается в буферную память системы (на чертеже не показано). После этого каждая из строк подписного листа последовательно поступает на информационный вход 21 системы.
Кодограмма электронного образа строки подписного листа на входе 21 системы представлена в виде следующей структуры:
| КОД |
КОД |
КОД |
| Кодовая комбинация, образованная начальными буквами Фамилии, Имени, Отчества избирателя |
Фамилия, Имя, Отчество избирателя |
Атрибуты записей, содержащихся в строке подписного листа |
Данная кодограмма с входа 21 системы поступает на информационный вход регистра 40 блока 1, куда заносится синхронизирующим импульсом с входа 24 системы.
Алгоритм обработки каждой строки подписного листа содержит следующую последовательность действий:
| B1 |
Прием очередной строки подписного листа |
| |
| Ф2 |
Формирование опорного адреса базы данных сервера, соответствующего кодовой комбинации начальных букв фамилии, имени, отчества избирателя и считывание содержимого опорного адреса базы данных регистра избирателей |
| |
| С3 |
Сравнение ФИО избирателя из текущей строки подписного листа с ФИО, считанной из базы данных регистра избирателей |
| |
| ПУ4 |
Если сравнения ФИО не произошло, то осуществляется переход к следующему оператору. Если же сравнение ФИО произошло, то управление передается оператору С8. |
| |
| Ф5 |
Формирование очередного адреса базы данных сервера, соответствующего кодовой комбинации начальных букв фамилии, имени, отчества избирателя и считывание содержимого очередного адреса регистра избирателей. |
| ПУ6 |
Подсчет числа принятых строк подписных листов и сравнение его с заданным количеством строк подписных листов. Если число принятых строк меньше заданного числа строк подписных листов, то управление передается оператору С3. Если же число принятых строк подписных листов равно заданному числу строк подписных листов, то управление передается очередному оператору Зп7 |
| |
| Зп7 |
Запись принятой строки подписного листа в базу данных “фиктивных подписей” и переход к оператору В1 |
| |
| С8 |
Сравнение паспортных данных избирателя из текущей строки подписного листа с паспортными данными, считанными из базы данных регистра избирателей |
| |
| ПУ9 |
Если паспортные данные из текущей строки подписного листа не совпадают с паспортными данными, считанными из базы данных регистра избирателей, то управление передается очередному оператору Зп10. Если же паспортные данные из текущей строки подписного листа совпадают с паспортными данными, считанными из базы данных регистра избирателей, то управление передается оператору Зп11 |
| |
| Зп10 |
Запись текущей строки подписного листа в базу данных “фиктивных паспортных данных” и переход к оператору В1 |
| |
| Зп11 |
Запись текущей строки подписного листа в базу данных “истинных подписей” и переход к оператору В1 |
С выхода 43 блока 1 вся входная кодограмма выдается на выход 30 системы.
С выхода 44 блока 1 кодовая комбинация, образованная начальными буквами фамилии, имени и отчества покупателя, поступает на вход 70 блока 4 и далее на вход дешифратора 60.
Дешифратор 60 расшифровывает данную кодовую комбинацию и подготавливает цепь прохождения сигнала с входа 71, открывая один из элементов 64-66 И. Для определенности положим, что высокий потенциал поступил на один вход элемента 65 И.
Параллельно с этим, синхронизирующий импульс с входа 24 системы задерживается элементом 41 блока 1 на время занесения кодограммы в регистр 40 и срабатывания дешифратора 60 и далее опрашивает состояния элементов 64-66 И.
Учитывая то обстоятельство, что открытым по одному входу будет только элемент 65 И, то пройдя этот элемент И, синхроимпульс поступает на вход считывания фиксированной ячейки памяти постоянного запоминающего устройства 61, где хранится код опорного адреса базы данных регистра избирателей и количество записей избирателей, имеющих такую же кодовую комбинацию начальных букв фамилии, имени, отчества.
Структура кодограммы, хранимой в фиксированной ячейке памяти ПЗУ, имеет следующий вид:
| КОД |
КОД |
| Опорный адрес базы данных регистра избирателей, в которой хранятся записи документальных данных регистра избирателей, имеющих такую же кодовую комбинацию начальных букв фамилии, Имени, Отчества, как и в текущей строке подписного листа. |
Количество записей избирателей с указанной кодовой комбинацией начальных букв фамилии, Имени, Отчества. |
Коды опорного адреса базы данных регистра избирателей и количества записей из блока памяти 61 считываются на информационный вход регистра 62.
Параллельно с описанным процессом, тот же импульс считывания с выхода 47 блока 1 задерживается элементом задержки 67 на время считывания содержимого фиксированной ячейки ПЗУ 61 и затем поступает на синхронизирующий вход регистра 62 блока 4, фиксируя в них соответствующие считанные коды.
Код адреса с выхода 72 блока 4 выдается на вход 160 блока 17, откуда подается на информационный вход счетчика 150.
Параллельно с этим, импульс с выхода элемента 67 вновь задерживается элементом 68 на время занесения кода в регистр 62 и затем с выхода 74 блока 4 через синхронизирующий вход 164 блока 17 поступает на синхронизирующий вход счетчика 150 и заносит в него код опорного адреса с выхода 72 регистра 62.
С выхода счетчика 150 код опорного адреса через элементы 155 ИЛИ группы выдается на адресный выход 31 системы, а синхронизирующий импульс с входа 164 блока 17 проходит через элемент 151 ИЛИ, задерживается элементом 156 на время занесения кода опорного адреса в счетчик 150, затем проходит элемент 152 ИЛИ и через выход 32 системы поступает на вход первого канала прерывания сервера базы данных в качестве импульса управления считыванием данных из базы данных регистра избирателей по адресу, сформированному на адресном 31 выходе системы.
По этому сигналу сервер переходит на подпрограмму считывания содержимого ячейки базы данных регистра избирателей по указанному на выходе 31 адресу и выдачи первой записи базы данных регистра избирателей на информационный вход 22 системы и занесения ее в регистр 50 блока 2 синхронизирующим импульсом, поступающим с сервера на вход 25.
Кодограмма первой записи контрольной базы данных на входе 21 системы имеет следующую структуру
| КОД |
КОД |
| Фамилия, Имя, Отчество избирателя |
Атрибуты записи, характеризующие паспортные данные избирателя |
Код фамилии, имени и отчества избирателя с выхода 52 блока 2 поступает на вход 80 компаратора 7, а код фамилии, имени и отчества избирателя из подписного листа поступает с выхода 45 блока 1 на другой вход 79 компаратора 7.
Параллельно с этим процессом, синхронизирующий импульс с входа 25 задерживается элементом 51 на время занесения кода в регистр 50 блока 2 и далее с выхода 54 поступает, во-первых, на счетный вход счетчика 5, который подсчитывает число записей, считанных из базы данных регистра избирателей, а, во-вторых, на синхронизирующий вход 81 компаратора 7.
По этому синхроимпульсу компаратор 7 сравнивает коды фамилии, имени и отчества на его входах и если код фамилии, имени, отчества в регистре 40 блока 1 не совпадает с кодом фамилии, имени, отчества в регистре 50 блока 2, то на выходе 82 компаратора 7 появляется сигнал, который поступает на синхронизирующий вход компаратора 6.
На один информационный вход 75 компаратора 6 с выхода 73 подается код количества записей избирателей в базе данных регистра избирателей с указанной кодовой комбинацией начальных букв фамилии, имени, отчества, а на другой информационный вход 76 – поступает код количества считанных записей базы данных регистра избирателей.
Учитывая, что к этому моменту времени количество записей в счетчике 5 намного меньше, чем количество записей на выходе 73 регистра 62, то на выходе 77 компаратора 7 формируется сигнал, поступающий через вход 165 блока 17 на счетный вход счетчика 150, увеличивающий базовый адрес на единицу и формируя, тем самым, очередной адрес считывания следующей записи из базы данных регистра избирателей.
С выхода счетчика 150 код опорного адреса через элементы 155 ИЛИ группы выдается на адресный выход 31 системы, а синхронизирующий импульс с входа 165 блока 17 проходит через элемент 151 ИЛИ, задерживается элементом 156 на время занесения кода опорного адреса в счетчик 150 и затем проходит элемент 152 ИЛИ и через выход 32 системы поступает на вход первого канала прерывания сервера базы данных в качестве очередного импульса управления считыванием данных из базы данных регистра избирателей по адресу, сформированному на адресном 31 выходе системы.
По этому сигналу сервер вновь переходит на подпрограмму считывания содержимого ячейки базы данных регистра избирателей по указанному на выходе 31 адресу и выдачи очередной записи базы данных регистра избирателей на информационный вход 22 системы и занесения ее в регистр 50 блока 2 синхронизирующим импульсом, поступающим с сервера на вход 25.
Описанный процесс считывания записей избирателей из базы данных регистра избирателей продолжается до тех пор, пока компаратор 7 не зафиксирует факт совпадения входных кодов и на выходе 83 компаратора 7 появится сигнал, который поступает на синхронизирующий вход компаратора 8.
На вход 85 компаратора 8 в данный момент времени подан код паспортных данных избирателя из проверяемого подписного листа с выхода 46 блока 1, а на вход 86 – код паспортных данных с выхода 53 блока 2.
Если паспортные данные избирателя из проверяемого подписного листа не совпадают с паспортными данными избирателя из базы данных регистра избирателей, то на выходе 87 компаратора 8 формируется сигнал, поступающий на вход 98 блока 10, откуда он подается на одни входы элементов 93, 94 И. Однако открытым по одному входу будет только элемент 93 И, так как на один из его входов подается высокий потенциал с инверсного выхода триггера 92, находящегося в исходном состоянии.
В результате этого синхронизирующий импульс с входа 98 проходит элемент 93 И, поступает на вход фиксированной ячейки памяти ПЗУ 90, где хранится опорный адрес буферной зоны памяти сервера, отведенной для хранения тех строк из подписного листа избирателей, в которых у избирателей, имеющих одинаковые фамилию, имя и отчество, выявлены разные паспортные данные, и считывает его на вход регистра 91.
Тот же синхронизирующий импульс с выхода элемента 93 И задерживается элементом 96 на время считывания кода из ПЗУ 90 и, во-первых, поступает на синхронизирующий вход регистра 91, занося в него опорный адрес записи.
Во-вторых, этот же импульс поступает на единичный вход триггера 92 и устанавливает его в единичное состояние, при котором элемент 93 И будет закрыт, а элемент 94 И – открыт. Тем самым будет подготовлена цепь прохождения следующего синхронизирующего импульса с входа 98.
И, наконец, в-третьих, импульс с выхода элемента задержки 96 проходит элемент 95 ИЛИ, вновь задерживается элементом 97 на время занесения кода адреса в регистр 91 и с выхода 101 блока 10 поступает на вход 123 блока 13.
Код адреса записи с выхода 100 блока 10 выдается на вход 122 блока 13 и далее на один вход сумматора 107, к другому входу которого подключен выход счетчика 105, соединенный также с одним входом компаратора 106, на другой вход которого постоянно подан “нулевой код”.
Синхронизирующий импульс с входа 123, во-первых, сразу же через элемент 110 ИЛИ поступает на синхронизирующий вход сумматора 107, который суммирует код опорного адреса с входа 122 с нулевым кодом счетчика 105, находящегося к этому моменту времени в исходном состоянии и выдает оставшийся без изменения код адреса записи на вход элементов 109 И группы.
Во-вторых, этот же импульс проходит элемент 113 ИЛИ и поступает на прямой вход триггера 108, устанавливая последний в единичное состояние, при котором высоким потенциалом с прямого выхода открываются элементы 109 И группы по другому входу, подключая тем самым выход сумматора 107 к выходу 125.
В результате этого опорный адрес записи с входа 125 блока 13 поступает на вход 162 блока 17 и далее через элементы 155 ИЛИ группы выдается на адресный 31 выход системы.
В-третьих, синхронизирующий импульс с входа 123 блока 10 задерживается элементом 115 на время формирования итогового кода на адресном 31 выходе системы и через выход 127 блока 13 поступает на вход 169 блока 17, проходит элемент 153 ИЛИ и выдается на выход 33 системы в качестве сигнала управления записью.
Этот сигнал поступает на вход второго канала прерывания сервера базы данных, по которому сервер переходит на подпрограмму записи содержимого регистра 40 блока 1 с выхода системы 30, в базу данных по адресу, сформированному на выходе 31 системы.
Кроме того, импульс с выхода элемента 115 задержки блока 13 поступает на счетный вход счетчика 105, фиксируя первую запись с фиктивными паспортными данными, а также после задержки элементом 120 на время записи данных в базу данных системы данный импульс проходит вход элемента 114 ИЛИ, устанавливая триггер 108 в исходное состояние. Возвращаясь в исходное состояние триггер 108 закрывает элементы 109 И группы по одному входу и, тем самым, отключает выход сумматора 107 от адресного 31 выхода системы.
Синхронизирующий импульс управления записью строки подписного листа с фиктивными паспортными данными с выхода 33 системы поступает на вход 145 блока 16 и далее поступает на счетный вход счетчика 141, подсчитывающего число записей строк подписных листов в базу данных системы.
Показания счетчика 141 поступают на один информационный вход компаратора 142, на другой информационный вход которого постоянно подано заданное число строк подписных листов, которое подлежит проверке.
По синхронизирующему импульсу с входа 145 блока 16, задержанному элементом 143 на время срабатывания счетчика 141, компаратор 142 сравнивает показания регистра 140 и счетчика 141. Если показания счетчика 141 будут меньше заданного числа строк в регистре 140, то на выходе 146 компаратора 142 формируется сигнал, который поступает на выход 34 в качестве сигнала управления предъявления системе очередной строки подписного листа.
По этому сигналу на вход 21 системы поступает очередная кодограмма электронного образа строки подписного листа, которая вновь поступает на информационный вход регистра 40 блока 1, куда заносится синхронизирующим импульсом с входа 24 системы.
Процесс идентификации строк подписных листов описанным выше образом продолжается до тех пор, пока компаратор 142 блока 16 не зафиксирует факт занесения в базу данных системы всех проверяемых строк подписных листов, который наступит при равенстве показаний регистра 140 и счетчика 141.
В этот момент компаратор 142 формирует сигнал на выходе 147, который, во-первых, выдается на выход 35 системы в качестве сигнала сигнализации об окончании проверки всех строк подписных листов, а, во-вторых, он поступает на установочные входы 99 блоков 9-11, где проходит на инверсные входы триггеров 92 и сбрасывает их в исходное состояние.
Следует подчеркнуть, что блоки 9 и 12 обеспечивают запись в базу данных системы тех строк подписных листов, в которых данные фамилии, имени и отчества избирателя отсутствуют в базе данных регистра избирателей, а блоки 11-14 обеспечивают запись в базу данных тех строк подписных листов, в которых фамилия, имя, отчество и паспортные данные полностью идентифицированы с данными базы данных регистра избирателей.
После получения сигнала с выхода 35 системы об окончании процесса идентификации строк подписных листов система переводится в режим документирования полученных данных.
С этой целью на вход 23 системы последовательно подаются коды следующих признаков:
| КОД |
ХАРАКТЕРИСТИКА ПРИЗНАКА |
| 11 |
СТРОКИ ПОДПИСНОГО ЛИСТА, В КОТОРЫХ ДАННЫЕ ИЗБИРАТЕЛЕЙ ПОЛНОСТЬЮ ИДЕНТИФИЦИРОВАНЫ С ДАННЫМИ БАЗЫ ДАННЫХ РЕГИСТРА ИЗБИРАТЕЛЕЙ |
| 10 |
СТРОКИ ПОДПИСНОГО ЛИСТА, В КОТОРЫХ ФИО ИЗБИРАТЕЛЕЙ ОТСУТСТВУЮТ В БАЗЕ ДАННЫХ РЕГИСТРА ИЗБИРАТЕЛЕЙ |
| 01 |
СТРОКИ ПОДПИСНОГО ЛИСТА, В КОТОРЫХ ПАСПОРТНЫЕ ДАННЫЕ ИЗБИРАТЕЛЕЙ НЕ СООТВЕТСТВУЮТ ПАСПОРТНЫМ ДАННЫМ В БАЗЕ ДАННЫХ РЕГИСТРА ИЗБИРАТЕЛЕЙ |
Работу системы рассмотрим на примере документирования данных с первым признаком, имеющим код 11.
Код первого признака с входа 23 системы заносится в регистр 55 блока 3 синхронизирующим импульсом, поступающим на вход 26 системы. С выхода 58 блока 3 код признака поступает на вход 135 блока 15 и далее на вход дешифратора 130.
Дешифратор расшифровывает код входного признака и открывает по одному входу элемент 133 И, на другой вход которого с входа 136 блока 15 подается импульс с входа 26 системы, задержанный элементом 56 на время занесения кода признака в регистр 55 и срабатывания дешифратора 130.
Синхронизирующий импульс проходит элемент 133 и с выхода 139 блока 15 поступает на вход 124 блока 14, откуда, во-первых, через элемент 113 ИЛИ поступает на единичный вход триггера 108, устанавливая его в единичное состояние, при котором высоким потенциалом с прямого выхода открываются элементы 109 И группы по другому входу, подключая тем самым выход сумматора 107 к выходу 125.
В результате этого адрес последней записи, сохраненной в сумматоре 107 с входа 125 блока 13 поступает на вход 162 блока 17 и далее через элементы 155 ИЛИ группы выдается на адресный 31 выход системы.
Во-вторых, синхронизирующий импульс с входа 124 задерживается элементом 119 на время срабатывания триггера 108 и через элемент 112 ИЛИ выдается на выход 126 блока 14, откуда проходит на вход 168 блока 17, проходит элемент 152 ИЛИ и выдается на выход 32 в качестве сигнала управления считыванием данных.
По этому сигналу сервер переходит на подпрограмму считывания содержимого ячейки базы данных по указанному на выходе 31 адресу и выдачи первой записи базы данных идентифицированных строк подписных листов на средства отображения и печати (на чертеже не показаны).
Кроме того, синхронизирующий импульс с выхода элемента 112 ИЛИ задерживается элементом 117 на время считывания данных из базы данных и, во-первых, поступает на установочный вход сумматора 107, сбрасывая его в исходное состояние, во-вторых, он поступает на вычитающий вход реверсивного счетчика 105, уменьшая его показания на единицу, и, в-третьих, он задерживается элементом 116 на время срабатывания реверсивного счетчика 105 и поступает на синхронизирующий вход компаратора 106.
Компаратор 106 сравнивает показания реверсивного счетчика 105 с нулевым кодом, подаваемым на его другой вход, и пока показания счетчика 105 больше нулевого кода, то на выходе А компаратора 106 формируется сигнал, который, во-первых, через элемент 110 ИЛИ поступает на синхронизирующий вход сумматора 107, который по этому сигналу суммирует код опорного адреса с входа 122 с уменьшенными на единицу показаниями реверсивного счетчика 105 и выдает итоговый адрес на адресный 31 выход системы.
Во-вторых, этот же импульс задерживается элементом 118 задержки на время срабатывания сумматора 107, проходит элемент 112 ИЛИ и выдается на выход 126 блока 14, откуда проходит на вход 168 блока 17, проходит элемент 152 ИЛИ и выдается на выход 32 в качестве очередного сигнала управления считыванием данных.
По этому сигналу сервер вновь переходит на подпрограмму считывания содержимого ячейки базы данных по указанному на выходе 31 адресу и выдачи очередной записи базы данных идентифицированных строк подписных листов на средства отображения и печати (на чертеже не показаны).
Кроме того, синхронизирующий импульс с выхода элемента 112 ИЛИ вновь задерживается элементом 117 на время считывания данных из базы данных и, во-первых, вновь поступает на установочный вход сумматора 107, сбрасывая его в исходное состояние, во-вторых, он вновь поступает на вычитающий вход реверсивного счетчика 105, уменьшая его показания на единицу, и, в-третьих, он задерживается элементом 116 на время срабатывания реверсивного счетчика 105 и поступает на синхронизирующий вход компаратора 106.
Компаратор 106 вновь сравнивает показания реверсивного счетчика 105 с нулевым кодом, подаваемым на его другой вход, и пока показания счетчика 105 больше нулевого кода, то на выходе А компаратора 106 формируется сигнал, который, во-первых, через элемент 110 ИЛИ поступает на синхронизирующий вход сумматора 107, который по этому сигналу суммирует код опорного адреса с входа 122 с уменьшенными на единицу показаниями реверсивного счетчика 105 и выдает итоговый адрес на адресный 31 выход системы.
Описанный процесс считывания данных базы данных продолжается до тех пор, пока компаратор 106 не зафиксирует факт равенства нулю показаний реверсивного счетчика, свидетельствующего о том, что все строки идентифицированных подписных листов выданы на средства отображения и печати.
Этот факт будет подтвержден выдачей импульса на выход В компаратора 106, который поступает на установочные входы реверсивного счетчика 105, сумматора 107 и триггера 108.
Аналогичным образом система работает и при выдаче для документирования данных строк подписных листов избирателей с другими классификационными признаками.
Таким образом, введение новых узлов и блоков позволило существенно повысить быстродействие системы путем локализации адресов документальных данных избирателей в базе данных системы по идентификаторам их фамилии, имени и отчества.
Источники информации
1. Патент США №5136708, М.кл. G 06 F 15/16, 1992.
2. Патент США №5129083, М.кл. G 06 F 12/00, 15/40, 1992 (прототип).
Формула изобретения
Автоматизированная система идентификации данных подписных листов избирателей ГАС “Выборы”, содержащая блок приема данных подписных листов, информационный и синхронизирующий входы которого являются первыми информационным и синхронизирующими входами системы, а первый информационный выход является информационным выходом системы, блок формирования сигналов записи и считывания подписей избирателей, информационный выход которого является адресным выходом системы, а первый и второй синхронизирующие выходы являются первым и вторым синхронизирующими выходами системы соответственно, блок приема записей базы данных сервера, информационный и синхронизирующий входы которого являются вторыми информационным и синхронизирующими входами системы, а синхронизирующий выход соединен со счетным входом счетчика числа подписей, блок задания типа подписей, информационный и синхронизирующий входы которого являются третьими информационным и синхронизирующими входами системы, а информационный и синхронизирующий выходы соединены с информационным и синхронизирующим входами блока селекции типов подписей соответственно, отличающаяся тем, что содержит блок селекции опорных адресов базы данных сервера, информационный вход которого соединен со вторым информационным выходом блока приема данных подписных листов, синхронизирующий вход подключен к синхронизирующему выходу блока приема данных подписных листов, один информационный выход соединен с первым информационным входом блока формирования сигналов записи и считывания подписей избирателей, а синхронизирующий выход соединен с синхронизирующим входом блока формирования сигналов записи и считывания подписей избирателей, первый компаратор, информационные входы которого подключены к выходу счетчика числа подписей и к другому информационному выходу блока селекции опорных адресов базы данных сервера, а первый выход соединен со счетным входом блока формирования сигналов записи и считывания подписей избирателей, второй компаратор, один информационный вход которого подключен к третьему информационному выходу блока приема данных подписных листов, другой информационный вход соединен с первым информационным выходом блока приема записей базы данных сервера, синхронизирующий вход подключен к синхронизирующему выходу блока приема записей базы данных сервера, а один выход соединен с синхронизирующим входом первого компаратора, третий компаратор, один информационный вход которого подключен к второму информационному выходу блока приема записей базы данных сервера, другой информационный вход соединен с четвертым информационным выходом блока приема данных подписных листов, а синхронизирующий вход подключен к другому выходу второго компаратора, блок селекции числа проверяемых подписей избирателей, вход которого соединен со вторым синхронизирующим выходом блока формирования сигналов записи и считывания подписей избирателей, один выход является управляющим выходом системы, а другой выход является сигнальным выходом системы, блоки модификации адресов записи и считывания подписей, синхронизирующие входы которых подключены к соответствующим выходам блока селекции типов подписей, информационные выходы соединены с соответствующими информационными входами блока формирования сигналов записи и считывания подписей избирателей, выходы сигналов управления записью подключены к соответствующим входам сигналов управления записью блока формирования сигналов записи и считывания подписей избирателей, а выходы сигналов управления считыванием соединены с соответствующими входами сигналов управления считыванием блока формирования сигналов записи и считывания подписей избирателей, и блоки селекции опорных адресов типов подписей, установочные входы которых подключены к соответствующему выходу блока селекции числа проверяемых подписей избирателей, информационные выходы соединены с информационными входами соответствующих блоков модификации адресов записи и считывания подписей, синхронизирующие выходы подключены к синхронизирующим входам соответствующих блоков модификации адресов записи и считывания подписей, при этом синхронизирующий вход первого блока селекции опорных адресов типов подписей подключен к другому выходу первого компаратора, синхронизирующий вход второго блока селекции опорных адресов типов подписей подключен к одному выходу третьего компаратора, а синхронизирующий вход третьего блока селекции опорных адресов типов подписей соединен с другим выходом третьего компаратора.
РИСУНКИ
MM4A – Досрочное прекращение действия патента СССР или патента Российской Федерации на изобретение из-за неуплаты в установленный срок пошлины за поддержание патента в силе
Дата прекращения действия патента: 09.02.2007
Извещение опубликовано: 20.06.2008 БИ: 17/2008
|
|