|
|
(21), (22) Заявка: 2004134462/28, 26.11.2004
(24) Дата начала отсчета срока действия патента:
26.11.2004
(46) Опубликовано: 10.07.2006
(56) Список документов, цитированных в отчете о поиске:
US 5709792 A1, 20.01.1998. WO 9012313 A2, 18.10.1990. EP 0234251 A2, 02.09.1987. ЕР 0304266 А2, 22.02.1989. RU 2209425 С1, 27.07.2003.
Адрес для переписки:
141190, Московская обл., г. Фрязино, пр-т Мира, 19, кв.293, В.И. Антоненко
|
(73) Патентообладатель(и):
Антоненко Владимир Иванович (RU)
|
(54) СПОСОБ ОПРЕДЕЛЕНИЯ КОНЦЕНТРАЦИИ КАТАЛИТИЧЕСКИ ОКИСЛЯЕМОГО ГАЗА В ВОЗДУХЕ
(57) Реферат:
Изобретение относится к области газового анализа. Технический результат изобретения: увеличение точности и расширение диапазона определения концентрации в области микроконцентрации окисляемого газа. Сущность: в предлагаемом способе для измерения концентрации одного из множества известных окисляемых газов используют термокаталитический датчик, циклически кратковременно нагреваемый током терморегулятора от температуры окружающего воздуха любой влажности до двух уровней температур в области начала и интенсивного катализа газа. При этом измеряют соответствующие напряжения на нагревателе датчика в холодном состоянии и при двух указанных уровнях разогрева в режиме стабилизации температуры нагревателя. При расчете концентрации газа учитывают влияние параметров окружающей среды воздушной атмосферы по данным трех уровней напряжений нагревателя в каждой из четырех калибровок при разных внешних условиях. 6 з.п. ф-лы, 1 табл., 4 ил.
Область техники.
Настоящее изобретение относится к области газового анализа, а именно к способам определения концентрации одного из множества известных взрывоопасных и токсичных газов, окисляющихся экзотермически на термокаталитическом датчике, в диапазоне от микроконцентраций до нижнего предела распространения пламени.
Предшествующий уровень техники.
Известен способ измерения эффекта экзотермической реакции каталитического окисления горючих газов на пористой поверхности катализатора, помещенного в каталитический реактор с управляемой температурой и измеряемой влажностью исследуемого газа на выходе из реактора (Roger M. Hart, Edwin A. Lewis, Alma К. Schuring. “Catalytic gas calorimeter systems and methods.” EP 0304266 A3, G 01 N 25/36, G 01 N 33/22). Этот способ измерения экзотермического эффекта окисления горючих газов в области микроконцентраций требует точного контроля температуры и влажности газа в каталитическом реакторе, что достигается использованием одного или более термометров и температурных экранов с нагревательными элементами для стабилизации температуры стенок реактора. Для измерения влажности используется внешний датчик, находящийся на выходе из реактора и измеряющий усредненную влажность газа после взаимодействия с катализатором. Полученные данные вводятся в компьютер и тем самым учитывается влияние влажности и температуры катализа. Данный способ имеет погрешности измерения, вызванные локальной неоднородностью газа в реакторе и за его пределами и тем, что локальная температура на поверхности катализатора, а также локальная влажность в порах катализатора при сгорании, например, метана возрастает неконтролируемым образом. Продуктом горения метана является углекислый газ и вода, но датчик влажности на выходе газа из реактора не может почувствовать эти локальные поверхностные эффекты на уровне микроконцентраций, имеющие место и играющие существенную роль в пористом катализаторе, поскольку они усредняются по объему реактора. Это приводит к погрешностям измерений и усложнению методики эксперимента, методика сложная в обслуживании.
Известен способ («Способ распознавания газообразных веществ и устройство для его осуществления», В.И.Антоненко. Патент Российской Федерации, RU 2209425 C1, G 01 N 27/12, 27 июля 2003 г.), в котором для распознавания газов с помощью термокаталитического датчика с источником фотовозбуждения, циклически нагреваемого (с двумя разными скоростями), измеряют текущие значения тепловой мощности нагревателя, температуры и проводимости газочувствительного слоя в газовых смесях, содержащих заранее неизвестные газы при наличии фотовозбуждения, синхронизованного с циклами нагрева. Измеренные величины обрабатываются численными методами на компьютере. Находят энергии активации и температуры особых точек и сравнивают их с эталонными данными калиброванных газовых смесей, заранее измеренными и относящимися к конкретному или аналогичному устройству. При их совпадении распознают состав газосмеси. Исследования повторяют с данным сенсором, в случае необходимости используя различные уровни фотовозбуждения, сменные газовые фильтры с известными фильтрующими свойствами. Вновь анализируют термоспектры и энергии, уточняя химическую природу газов. Данная методика действительно способна выделить полезный сигнал на уровне микроконцентраций, но не устанавливает количественную связь с концентрацией анализируемого газа и не устраняет влияние влаги.
Известен способ (Zdanevitch; Isabelle (Paris, FR); Rose; Gerard (Villers-Saint-Paul, FR). Method of characterizing a gas mixture by catalytic oxidation. United States Patent 5,709,792, G 01 N 027/26. January 20, 1998 – прототип изобретения), в котором используется лишь один сенсор из платиновой проволоки, а для уменьшения влияния внешних условий при определении концентрации газовой смеси метана и других горючих газов в воздухе используется особый режим нагрева. Сам датчик является платиновым термометром сопротивления и нагревателем. Влияние влажности уменьшается за счет дифференциального режима измерения путем выбора двух близких стабилизируемых уровней температуры
T1<Т2, причем 100°С Т2-T11=900°С.
Суть способа состоит в определении в воздушной атмосфере концентрации одного из известных горючих газов, пропорциональной изменению напряжения полезного сигнала U, с помощью периодически кратковременно нагреваемого постоянным током резистивного нагревателя R термокаталитического датчика сначала до температуры нижнего порога T1 – начала каталитического окисления горючего газа и далее до температуры верхнего порога – Т2 в области интенсивного каталитического окисления горючего газа на катализаторе нагревателя с последующим самопроизвольным охлаждением (при выключении тока через нагреватель) до температуры, меньшей нижнего порога T1, при стабилизации двух уровней температур T1<Т2 посредством управляемого источника напряжения терморегулятора U1=U(T1) и U2=U(Т2) соответственно и по достижении постоянного уровня температур нижнего и верхнего порогов T1 и Т2 регистрируют полезный сигнал как разность изменений напряжений нижнего и верхнего порогов

где

– изменения каждого из двух уровней напряжения в условиях отсутствия (U1 0, U2 0 – исходное фоновое значение в чистом воздухе) и наличия горючего газа (U1, U2).
Такой дифференциальный метод позволяет снизить влияние температуры газа (Т0) и его влажности (RH), но не исключить их полностью. Для каждого из анализируемых газов необходимо использовать свою пару температур в диапазоне от 100 до 1000°С. Влияние локальной влажности при работе с метановой смесью на поверхности, разогретой до температуры 800-1000°С, платиновой проволоки не компенсируется. Влажность не может быть не измерена, не скомпенсирована в процессе горения метана. Погрешности, обусловленные неконтролируемым изменением влажности и внешней температуры в области микроконцентраций газов, могут достигать 0,1% об. доли CH4 и более.
Описание изобретения.
Целью настоящего изобретения является разработка дешевого способа определения малых концентраций горючих газов в широкой области температур и влажности с использованием одного каталитического датчика без ограничения типа на основе платинового микропровода, толстых и тонких композиционных пленок, проводящей керамики и иных материалов и элементов микроэлектроники путем устранения влияния внешних климатических факторов – влажности и температуры среды. Способ применим для анализа концентраций в диапазоне от микроконцентраций до нижнего порога взрываемости в воздухе, одного из заранее известных окисляемых газов метанового ряда или из более низкотемпературно-окисляющихся газов – спиртов, ароматических углеводородов или водорода, а также токсичных – СО или NH3 и др. Существенным преимуществом является тот факт, что для измерения концентрации окисляемого газа при компенсации влияния на полезный сигнал и температуры и влажности используется один и тот же единственный термокаталитический датчик, калибруемый в разных внешних условиях при трех значениях температур Т0, T1 и Т2, где Т0 – начальная температура смеси газа в воздухе при выключенном подогреве катализатора (изменяющийся параметр) и нормальном атмосферном давлении, а T1 и Т2 (константы) – температуры начала и интенсивного каталитического окисления газа, например метана. Покрытый катализатором, изолированный платиновый нагреватель такого датчика (фиг.1) служит одновременно и термометром, и датчиком локальной влажности газа в области катализа. Сенсор может быть предварительно прокалиброван в эталонных газах и в чистом воздухе различной влажности и температуры. Вследствие этого расширяется диапазон предельной чувствительности в область микроконцентраций до 0,001% об. доли CH4 и повышается точность измерений в широком диапазоне концентраций.
Поставленная цель достигается следующим образом.
1. Блок-схема измерений. Принцип работы.
Чувствительным элементом является резистивный нагреватель R, выполненный, например, из благородного металла в виде спирали диаметром 200 мкм с 10-20 витками из платиновой проволоки диаметром 10 мкм в оболочке из кварцевого стекла, покрытого катализатором, например пористой керамикой на основе Al2O3 с пропиткой Pt, Pd (или другими активными веществами), которые снижают температуру каталитического окисления метана с 1000 до 400-500°С.
Блок-схема (фиг.2) включения такого резистивного каталитического сенсора содержит управляемый терморегулятор (УТ), выполненный, например, по мостовой схеме Уинстона. УТ по команде микроконтроллера стабилизирует по меньшей мере два уровня температур T1 и Т2, лежащих в области температур: T0, Tmax (T0 – начальная температура катализатора перед нагревом, близкая к температуре окружающей среды, Tmax – максимально допустимая рабочая температура катализатора, достаточная для эффективного окисления метана, типично 550°С для платиновой черни). Ток через нагреватель R обеспечивает УТ и служит для нагрева датчика до заданного уровня температуры, а когда УТ выключен, через датчик протекает малый ток от генератора тока (ГТ), не вызывающий нагрева катализатора, всегда одинаковый в каждом цикле охлаждения. Имеется по меньшей мере один аналого-цифровой преобразователь (АЦП – 16-24-разрядный) для ввода данных в микроконроллер для последующего вычисления концентрации газа.
Датчик последовательно разогревается нагревателем R от исходной температуры Т0: состояние в момент времени t0=0, Т0, R0, U0, до – T1: следует кратковременный t1<0,1 с разогрев до T1, R1, U1 и следующий разогрев до – Т2: t2<0,2 с, R2, U2, после чего нагреватель охлаждается 5-10 с до температуры, близкой к исходной, которая может и отличаться от Т0, поскольку зависит от внешних условий и теплоты сгорания горючего газа, цикл нагрева повторяется. Именно изменение внешних условий – влажности и температуры и следует учесть для компенсации их влияния на полезный сигнал U. Для этого и выполняются следующие четыре калибровки датчика в газовоздушной среде.
2. Калибровка № 1 – в чистом воздухе.
В каждом цикле нагрева-охлаждения, когда терморегулятор отключен, ток нагрева выключен и датчик охлаждается до температуры окружающего воздуха Т0, по достижении которой в момент времени t0 производят измерение падения напряжения на нагревателе U0 вследствие протекания через него не вызывающего разогрева всегда одинакового (в каждом цикле охлаждения) малого тока от некоторого источника тока, далее следуют циклы периодического кратковременного нагрева и охлаждения в чистом воздухе при неизменном атмосферном давлении и произвольной постоянной влажности RH0 (калибровка в чистом воздухе), регистрируют и запоминают три уровня напряжения U0 0, U1 0, U2 0 в моменты времени t0, t1 и t2 соответственно.
3. Калибровка № 2 – по влажности RH. Определение КRH.
С ростом влажности чистого воздуха растут тепловые потери и величины (2, 3)

причем U2> U1, поэтому первое, что надо сделать, – это перейти в пространство вычислений, в котором отсутствует влияние влажности при выбранных двух уровнях температур T1 и Т2 в чистом воздухе при фиксированном значении Т0=const. В линейном приближении это означает выполнение следующего равенства

В чистом воздухе согласно (4) всегда выполняется тождество

т.е. при постоянном значении начальной температуры Т0=const и при любом значении относительной влажности RH чистого воздуха. Коэффициент КRH определяется из равенства (4)

при калибровке по влажности верхние индексы «RH» указывают, что данные значения напряжений получены при калибровке по влажности. Для этого датчик помещают в калибровочную камеру, в которой поддерживается постоянная температура чистого воздуха Т0=const, далее изменяют влажность газа в камере (увеличивают или уменьшают) и регистрируют три уровня напряжения U0 RH, U1 RH, U2 RH в моменты времени t0, t1 и t2 соответственно, контролируя выполнение условия U0 0=U0 RH, и рассчитывают коэффициент влажности КRH (6). Теперь полезный сигнал принимает вид

4. Калибровка № 3 – по приращению начальной температуры. Определение Кт.
За этим следует калибровка по приращению температуры Т0. Датчик помещают в климатическую камеру, чистым воздухом произвольной влажности. Изменяют температуру (увеличивают или уменьшают) на некоторую величину Т до значения Т1, отличной от Т0. Регистрируют три уровня падения напряжения на нагревателе каталитического датчика U0 Т, U1 Т, U2 T в моменты времени t0, t1 и t2 соответственно и рассчитывают температурный коэффициент

Тогда скорректированный (скомпенсированный) по температуре и влажности полезный сигнал (7) принимает вид

5. Калибровка № 4 – по эталонной концентрации – СЭТ
После определения влажностного и температурного коэффициентов КRH и КT следует провести калибровку по эталонной газовой смеси одного горючего газа, например метана, в воздухе. Для этого используют поверочные газовые смеси в баллонах, они сухие, содержат мало влаги и, если бы мы не учитывали изменение влажности газа, то это привело бы к ошибке около 5% и более при дальнейшей работе с увлажненным метаном.
Проводят калибровку по известной эталонной концентрации горючего газа СЭТ в воздухе в пределах нижнего порога взрываемости воздушной смеси, для чего каталитический датчик помещают в эту смесь и регистрируют и запоминают три уровня падения напряжения на нагревателе каталитического датчика U0 ЭТ, U1 ЭТ, U2 ЭТ в моменты времени t0, t1 и t2 соответственно и рассчитывают эталонный сигнал UЭТ. Вычисляют полезный сигнал (9) как эталонный:

6. Определение концентрации горючего газа Сх.
Для вычисления концентрации горючего газа (метана) используется линейнон приближение

где Uх – полезный сигнал, рассчитанный по формуле (9). Для этого на каталитический датчик подают один из известных горючих газов (метан) с неизвестной концентрацией Сх в пределах нижнего порога взрываемости в смеси с воздухом произвольной влажности и температуры ТХ1 и регистрируют и запоминают три уровня падения напряжения на нагревателе каталитического датчика U0 Х, U1 Х, U2 Х в моменты времени t0, t1 и t2 соответственно и рассчитывают его концентрацию Cх по величине полезного сигнала UX:

7. Расширение температурного диапазона.
Вышеприведенные рассуждения выполнены в линейном приближении в окрестности температуры Т0 одного из горючих газов в воздухе. На практике эта окрестность представляет собой множество температур {Т0±10°С}. Поэтому для того, чтобы метод работал в широком диапазоне температур окружающей среды {Tmin, Tmax}, необходимо с шагом, например 20°С, измерить коэффициент КRH (6) для каждой i-ой точки температуры окружающей среды Т0 i, т.е. КRH i из расширенного интервала рабочих температур {Tmin, Tmax}, например

и для каждой температуры окружающей среды поставить в соответствие значение соответствующего ей коэффициента влажности

Таким образом определяют функцию коэффициента влажности KRH (6) от температуры:

Аналогично определяется функция температурного коэффициента KT (8)

8. Измерение концентрации метана в широком диапазоне температур.
Формула (11): Cх=СЭТ/ UЭТ· UХ сохраняет свой вид с учетом функций коэффициентов влажности FRH(T0 i} (15) и температуры FT(T0 i) (16) в полезном сигнале в Ux (12) и в Uэт (10).
9. Изменение знака полезного сигнала.
Все вышеприведенные рассуждения в п.2-8 справедливы для одного из окисляемых газов в воздухе. Но в случае, когда для калибровки используется метан, полезный сигнал (9) (выбранный по температурам начала и интенсивного окисления метана T1 и Т2), положительный U>0 для метана, становится отрицательным при окислении однокомпонентных углеводородов не метанового ряда (например, спирта, ацетона и др.), а также водорода, или окиси углерода, или аммиака.
Очевидно, что после проведения калибровки датчика по метану по п.2-8 можно провести дополнительную калибровку для любого выбранного газа неметанового ряда, например аммиака, не изменяя температур T1 и Т2 по п.2-8.
10. Лучший вариант осуществления изобретения.
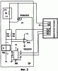
Блок-схема (фиг.2) может быть реализована на известных элементах отечественного и зарубежного производства таких как, термокаталитические датчики ЗАО «Газ-ЭПРИС» ТУ 4215-001-48461704-01, выполненных в металлокерамическом корпусе, микроконтроллеры фирмы Analog Devices ADuC 816, 824, 834, 836 или PIC-контроллеры с внешним АЦП. Предлагаемый способ определения концентрации горючих газов может быть реализован с использованием принципиальной схемы измерений, изображенной на фиг.3, которая выполнена в соответствии с блок-схемой устройства (фиг.2). Для реализации способа измерений в качестве АЦП может использоваться 16-24 разрядный сигма-дельта АЦП, встроенный в микроконвертер AduC8XX, а также стандартные АЦП персонального компьютера и устройство, описанное в изобретении «Способ распознавания газообразных веществ и устройство для его осуществления», В.И.Антоненко. Патент Российской Федерации, RU 2209425 С 1, G 01 N 27/12, 27 июля 2003 г.
АЦП измеряет падение напряжения U0 на резистивном нагревательном элементе R при температуре окружающей среды Т0 (например, в диапазоне -50÷+50°С), при этом ток через него достаточно мал, чтобы вызвать значительный разогрев термометра сопротивления (типично при R=12-20 Ом, генератор тока (ГТ) вырабатывает ток 3 мА, т.е. падение напряжения – около 60 мВ, полевой транзистор D1 закрыт). В качестве генератора тока ГТ может использоваться обычный резистор R1>R. АЦП измеряет также два других пороговых значения напряжений U1 и U2, а микроконтроллер вычисляет полезный сигнал UX (15), пропорциональный концентрации окисляемого на катализаторе заранее известного газа. Теплота передается термометру R и терморегулятор уменьшает напряжение, чтобы скомпенсировать возрастание температуры в результате экзотермического катализа газа.
Терморегулятор ТР, управляемый контроллером, может быть выполнен по мостовой схеме Уинтстона с использованием как цифрового потенциометра DD1 AD 5245BRJ50, способного дискретно задавать температуры T1 и Т2 от Т0 до +600°С, так и с помощью двух коммутируемых резисторов в опорном плече моста, задающих балансировку моста при двух уровнях стабилизируемых температур T1 и Т2, а Т0 получается при несбалансированном мосте, когда транзистор D1 закрыт. Программно мост настроен, например, на стабилизацию двух уровней температур T1=330 °С и Т2=490 °С – для метана.
Описание чертежей
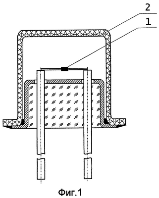
Фигура 1. Термокаталитический датчик.
1. Платиновый нагреватель, покрытый катализатором.
2. Защитный искробезопасный экран из пористой металлокерамики.
Фигура 2. Блок – схема измерений.
R – резистивный нагреватель сенсора.
АЦП – аналого-цифровой преобразователь.
ГТ – генератор тока.
ТР – терморегулятор.
Фигура 3. Принципиальная схема измерений.
R – резистивный нагреватель сенсора, он же термометр.
АЦП – аналого-цифровой преобразователь.
ГТ – генератор тока.
ТР – терморегулятор.
D1 – полевой транзистор в цепи обратной связи ТР.
DD1 – цифровой потенциометр.
Фигура 4. Реакция управляющего напряжения U2 (Т2) от цикла к циклу в произвольных единицах времени при различных последовательных воздействиях:
1. Фоновое значение в чистом воздухе при Т0=23,5°С, RH=50%
2. 1% об. доли СН4.
3. Возрастание относительной влажности чистого воздуха RH от 50 до 98% при Т0=23,5°С.
4. Рост температуры чистого воздуха от 23,5 до 35°С при RH=50%
ТАБЛИЦА.
Сводная таблица отклонения нулевого уровня расчетных концентраций (по метану) по данным измерений в чистом воздухе при различных внешних условиях влажности и температуры согласно прототипу (С) и настоящему способу (СX).
Промышленная применимость
Предлагаемое изобретение может быть использовано в разных отраслях промышленности, а также в космосе на обитаемых орбитальных станциях для измерения концентраций взрывоопасных и токсичных газов в воздухе и для создания высокочувствительных быстродействующих, с временем измерения менее 0,2 с, газоанализаторов и интеллектуальных малогабаритных датчиков, работающих в широком климатическом диапазоне влажностей (0÷100%) и температур (-100÷+150°С). Способ применим к большинству из известных сегодня термокаталитических датчиков, в том числе с использованием технологий толстых и тонких пленок в изделиях микроэлектроники. Способ обеспечит высокие эксплутационные качества и надежность нового поколения компактных эргономичных интеллектуальных датчиков-газоанализаторов в области микроконцентраций взрывоопасных и токсичных газов.
| ТАБЛИЦА |
Внешние условия Т0, T, °C |
Т0=25±0,1
Т=0 |
T0=35±0,1
T=10 |
T0=25±0,1
АТ=0 |
T0=35±0,1
T=10 |
RH, RH, % |
RH=50±0,5
RH=0 |
RH=50±0,5
RH=0 |
RH=50±0,5
RH=40 |
RH=50±0,5
RH=40 |
| Отклонение «нуля» (прототип) С, % об.д. СН4 |
0,000 |
-0,010 |
-0,030 |
-0,040 |
| Настоящий способ Cх, % об.д. CH4 |
0,000 |
0,002 |
0,002 |
0,002 |
Формула изобретения
1. Способ определения концентрации одного из известных окисляемых газов в воздухе до его нижнего концентрационного предела распространения пламени, пропорциональной изменению напряжения полезного сигнала U, с помощью периодически кратковременно нагреваемого постоянным током резистивного нагревателя термокаталитического датчика сначала до температуры нижнего порога T1 – начала каталитического окисления газа и далее до температуры верхнего порога Т2 в области интенсивного каталитического окисления газа на катализаторе нагревателя с последующим самопроизвольным охлаждением (при выключении тока через нагреватель) до температуры, меньшей нижнего порога T1, при стабилизации двух уровней температур T1 и Т2 (T1<Т2) посредством управляемого источника напряжения (тока) терморегулятора U1=U(T1) и U2=U(T2) соответственно и по достижении постоянного уровня температур нижнего и верхнего порогов T1 и Т2 в моменты времени t1 и t2 соответственно регистрируют полезный сигнал как разность изменений измеренных напряжений нижнего и верхнего порогов

где U2=U2 0-U2,
U1=U1 0-U1,
– изменения каждого из двух уровней падения напряжения на нагревателе в условиях отсутствия (U1 0, U2 0 – измеренные исходные фоновые значения в чистом воздухе) и наличия окисляемого газа (U1, U2), отличающийся тем, что в каждом цикле нагрева – охлаждения, когда терморегулятор отключен, ток нагрева выключен и датчик охлаждается до температуры окружающего воздуха Т0, по достижении которой в момент времени t0 падение напряжения на нагревателе достигает значения U0 вследствие протекания через него не вызывающего разогрева, всегда одинакового (в каждом цикле охлаждения) малого тока от некоторого источника тока, далее следует периодический кратковременный разогрев током терморегулятора при стабилизации двух уровней температур T1 и Т2 (T12) в чистом воздухе при неизменном атмосферном давлении и произвольной постоянной влажности RH0 (калибровка №1 в чистом воздухе), регистрируют и запоминают три уровня напряжения U0 0, U1 0, U2 0 в моменты времени t0, t1 и t2 соответственно, далее следует калибровка №2 по величине изменения влажности чистого воздуха, для чего изменяют влажность воздуха до произвольного значения RH, при неизменной температуре Т0 окружающего воздуха, регистрируют и запоминают три уровня напряжения U0 RH, U1 RH, U2 RH в моменты времени t0, t1 и t2 соответственно и рассчитывают коэффициент влажности

контролируя выполнение условия U0 0=U0 RH, далее следует калибровка №3 при изменении температуры Т0 окружающего воздуха, для чего датчик помещают в чистый воздух произвольной влажности с температурой Т1, отличной от Т0, регистрируют и запоминают три уровня падения напряжения на нагревателе каталитического датчика U0 T, U1 T, U2 T в моменты времени t0, t1 и t2 соответственно и рассчитывают температурный коэффициент

далее проводят калибровку №4 по известной эталонной концентрации окисляемого газа СЭТ в воздухе, для чего каталитический датчик помещают в эту смесь, регистрируют и запоминают три уровня падения напряжения на нагревателе каталитического датчика U0 ЭТ, U1 ЭТ, U2 ЭТ в моменты времени t0, t1 и t2 соответственно и рассчитывают эталонный сигнал UЭТ

после чего на каталитический датчик подают один из известных горючих газов с неизвестной концентрацией СХ в смеси с воздухом любой влажности и температурой ТХ1, регистрируют и запоминают три уровня падения напряжения на нагревателе каталитического датчика U0 X, U1 X, U2 X в моменты времени t0, t1 и t2 соответственно, рассчитывают его концентрацию CX по величине полезного сигнала UX:


2. Способ определения концентрации одного из известных окисляемых газов в воздухе по п.1, отличающийся тем, что далее проводят перекалибровки №1-4 эпизодически.
3. Способ определения концентрации одного из известных окисляемых газов в воздухе по п.1, отличающийся тем, что после проведения четырех калибровок №1-4 далее проводят эпизодически только одну калибровку №1 в чистом воздухе, сохраняя результаты остальных калибровок неизменными до их следующей перекалибровки.
4. Способ определения концентрации одного из известных окисляемых газов в воздухе по п.1, отличающийся тем, что после проведения четырех калибровок №1-4 проводят эпизодически только две калибровки: №1 – в чистом воздухе, №4 – в эталонной газо-воздушной смеси, сохраняя результаты остальных калибровок неизменными до их следующей перекалибровки.
5. Способ определения концентрации одного из известных окисляемых газов в воздухе по пп.2-4, отличающийся тем, что калибровки №1-4 проводят в климатических условиях, приближенных к ожидаемым реальным условиям работы каталитического датчика.
6. Способ определения концентрации одного из известных окисляемых газов в воздухе по п.1, отличающийся тем, что калибровки №1-4 проводят при разных известных температурах окружающей среды Т0 i и каждой i-й температуре ставят в соответствие коэффициент влажности Кi RH (Ф2), температурный коэффициент Кi T (Ф3), эталонный сигнал Ui ЭТ (Ф4) с эталонной концентрацией СЭТ и расчетным путем вычисляют полезный сигнал Ui X (Ф5) и концентрацию СX (Ф6) окисляемого газа в окрестности ближайшей i-й температуры T0 i.
7. Способ определения концентрации одного из известных окисляемых газов в воздухе по п.1, примененный к метану – первому окисляемому газу, отличающийся тем, что при анализе другого окисляемого газа, кроме алканов и алкенов, величина полезного сигнала UX имеет противоположный знак метановому значению при тех же значениях температур нижнего и верхнего порогов каталитического окисления метана T1 и Т2, отвечающих началу и интенсивному окислению метана на катализаторе датчика, при выполнении дополнительной калибровки по эталонной концентрации второго газа рассчитывают эталонный сигнал (Ф5) и определяют концентрацию (Ф6) второго газа, тем самым реализуется распознавание по знаку полезного сигнала одного из двух указанных выше газов при его наличии в воздухе.
РИСУНКИ
|
|