|
|
(21), (22) Заявка: 2005112679/06, 26.04.2005
(24) Дата начала отсчета срока действия патента:
26.04.2005
(46) Опубликовано: 10.07.2006
(56) Список документов, цитированных в отчете о поиске:
SU 1590569 A, 07.09.1990. SU 1467225 А1, 23.03.1989. RU 2189456 С1, 20.09.2002. RU 2002073 С1, 30.10.1993. SU 1333783 A1, 30.08.1987. SU 1550189 A1, 15.03.1990. DE 3412922 A, 29.11.1984.
Адрес для переписки:
432027, г.Ульяновск, Северный Венец, 32, ГОУ ВПО “Ульяновский государственный технический университет”, проректору по научной работе
|
(72) Автор(ы):
Шарапов Владимир Иванович (RU), Орлов Михаил Евгеньевич (RU), Шепелев Игорь Николаевич (RU)
(73) Патентообладатель(и):
Государственное образовательное учреждение высшего профессионального образования “Ульяновский государственный технический университет” (RU)
|
(54) СПОСОБ РАБОТЫ ТЕПЛОВОЙ ЭЛЕКТРИЧЕСКОЙ СТАНЦИИ
(57) Реферат:
Изобретение предназначено для нагрева сетевой воды и выработки электроэнергии и может быть использовано на тепловых электрических станциях. Способ работы тепловой электрической станции, по которому отработавший в турбине пар конденсируют в конденсаторе, для чего в последний подают холодную циркуляционную воду, нагретую циркуляционную воду после конденсатора и сетевую воду, поступающую от потребителей, направляют в испаритель теплонасосной установки для испарения хладагента, перед подачей потребителям сетевую воду нагревают в нижнем и верхнем сетевых подогревателях турбины. Нагрев сетевой воды осуществляют последовательно в нижнем сетевом подогревателе турбины, в первой ступени конденсатора теплонасосной установки, связанной с первой ступенью испарителя, в которую подают нагретую циркуляционную воду, в верхнем сетевом подогревателе турбины и во второй ступени конденсатора теплонасосной установки, связанной со второй ступенью испарителя, в которую подают обратную сетевую воду. Изобретение обеспечивает повышение экономичности работы тепловой электрической станции. 1 ил.
Изобретение относится к области теплоэнергетики и может быть использовано на тепловых электрических станциях.
Известен способ работы тепловой электрической станции – аналог, по которому отработавший в турбине пар конденсируют в конденсаторе, для чего в последний подают холодную циркуляционную воду, нагретую циркуляционную воду после конденсатора и сетевую воду, поступающую от потребителей, направляют в испаритель теплонасосной установки для испарения хладагента, перед подачей потребителям сетевую воду нагревают в нижнем и верхнем сетевых подогревателях турбины (см. а.с. SU 1590569 А1 F 01 К 17/02, 07.09.1990). Этот аналог принят в качестве прототипа изобретения.
Недостатками аналогов и прототипа являются ограниченная сфера их применения и пониженная экономичность тепловой электрической станции. Так, при малых расходах подпиточной воды невозможно обеспечить необходимый отвод теплоты от циркуляционной воды и обратной сетевой воды. Повышенная температура обратной сетевой воды приводит к снижению теплофикационной выработки электроэнергии.
Техническим результатом, достигаемым настоящим изобретением, является повышение экономичности работы тепловой электрической станции за счет максимально возможного отвода теплоты от циркуляционной воды и обратной сетевой воды и расширения сферы применения технического решения.
Для достижения этого результата предложен способ работы тепловой электрической станции, по которому отработавший в турбине пар конденсируют в конденсаторе, для чего в последний подают холодную циркуляционную воду, нагретую циркуляционную воду после конденсатора и сетевую воду, поступающую от потребителей, направляют в испаритель теплонасосной установки для испарения хладагента, перед подачей потребителям сетевую воду нагревают в нижнем и верхнем сетевых подогревателях турбины.
Отличием заявленного способа работы тепловой электрической станции является то, что нагрев сетевой воды осуществляют последовательно в нижнем сетевом подогревателе турбины, в первой ступени конденсатора теплонасосной установки, связанной с первой ступенью испарителя, в которую подают нагретую циркуляционную воду, в верхнем сетевом подогревателе турбины и во второй ступени конденсатора теплонасосной установки, связанной со второй ступенью испарителя, в которую подают обратную сетевую воду.
Новый отличительный признак, характеризующий способ работы тепловой электрической станции, позволяет повысить ее экономичность.
Далее рассмотрим сведения, подтверждающие возможность осуществления изобретения с получением искомого технического результата.
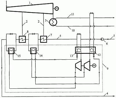
На чертеже изображена принципиальная схема тепловой электрической станции, поясняющая предложенный способ.
Тепловая электрическая станция содержит паровую турбину 1 с отопительными отборами пара 2 и конденсатором 3, подающий 4 и обратный 5 сетевые трубопроводы, сетевой насос 6, нижний 7 и верхний 8 сетевые подогреватели, включенные по нагреваемой среде между подающим 4 и обратным 5 сетевыми трубопроводами и подключенные по греющей среде к отопительным отборам 2, теплонасосную установку 9 с двухступенчатыми испарителем и конденсатором. К конденсатору 3 турбины 1 подключены напорный 10 и сливной 11 трубопроводы циркуляционной воды. Первая ступень испарителя 12 подключена к сливному трубопроводу циркуляционной воды 11, а вторая ступень испарителя 13 подключена к обратному сетевому трубопроводу 5 перед нижним сетевым подогревателем 7. Первая ступень конденсатора 14 теплонасосной установки, связанная с первой ступенью испарителя 12, включена в подающий сетевой трубопровод между нижним 7 и верхним 8 сетевыми подогревателями, вторая ступень конденсатора 15, связанная со второй ступенью испарителя 13, включена в подающий трубопровод сетевой воды 4 после верхнего сетевого подогревателя 8.
Способ работы тепловой электрической станции состоит из следующих операций.
Отработавший в паровой турбине 1 пар конденсируют в конденсаторе турбины 3, для чего в конденсатор турбины 3 по напорному циркуляционному трубопроводу 10 подают охлаждающую воду. Нагретую в конденсаторе турбины 3 воду направляют в первую ступень испарителя 12 теплонасосной установки 9, где ее охлаждают с помощью хладагента, циркулирующего в контуре теплонасосной установки 9, а затем воду отводят по сливному трубопроводу циркуляционной воды 11. Возвращаемую от потребителей по обратному сетевому трубопроводу 5 сетевую воду подают сетевым насосом 6 во вторую ступень испарителя 13 теплонасосной установки 9, где ее охлаждают с помощью хладагента. Перед подачей потребителям сетевую воду последовательно нагревают в нижнем сетевом подогревателе 7, в первой ступени конденсатора 14 теплонасосной установки 9, связанной с первой ступенью испарителя 12 теплонасосной установки 9, в верхнем сетевом подогревателе 8 и во второй ступени конденсатора 15 теплонасосной установки 9, связанной со второй ступенью испарителя 13 теплонасосной установки 9. Благодаря использованию двухступенчатого испарения и двухступенчатой конденсации хладагента теплонасосной установки достигается максимально возможный отвод теплоты от циркуляционной воды и обратной сетевой воды, что способствует увеличению теплофикационной выработки электроэнергии, позволяет повысить экономичность тепловой электрической станции и расширить сферу применения заявленного технического решения.
Формула изобретения
Способ работы тепловой электрической станции, по которому отработавший в турбине пар конденсируют в конденсаторе, для чего в последний подают холодную циркуляционную воду, нагретую циркуляционную воду после конденсатора и сетевую воду, поступающую от потребителей, направляют в испаритель теплонасосной установки для испарения хладагента, перед подачей потребителям сетевую воду нагревают в нижнем и верхнем сетевых подогревателях турбины, отличающийся тем, что нагрев сетевой воды осуществляют последовательно в нижнем сетевом подогревателе турбины, в первой ступени конденсатора теплонасосной установки, связанной с первой ступенью испарителя, в которую подают нагретую циркуляционную воду, в верхнем сетевом подогревателе турбины и во второй ступени конденсатора теплонасосной установки, связанной со второй ступенью испарителя, в которую подают обратную сетевую воду.
РИСУНКИ
MM4A – Досрочное прекращение действия патента СССР или патента Российской Федерации на изобретение из-за неуплаты в установленный срок пошлины за поддержание патента в силе
Дата прекращения действия патента: 27.04.2007
Извещение опубликовано: 10.09.2008 БИ: 25/2008
NF4A – Восстановление действия патента СССР или патента Российской Федерации на изобретение
Дата, с которой действие патента восстановлено: 20.03.2010
Извещение опубликовано: 20.03.2010 БИ: 08/2010
|
|