|
|
(21), (22) Заявка: 2005101573/09, 24.01.2005
(24) Дата начала отсчета срока действия патента:
24.01.2005
(46) Опубликовано: 27.06.2006
(56) Список документов, цитированных в отчете о поиске:
RU 2155433 C1, 27.08.2000. RU 2020710 C1, 30.09.1994. US 3942090 A, 02.03.1976.
Адрес для переписки:
432001, г.Ульяновск, ул. К. Маркса, 12, ЗАО “Контактор”, А.Ф. Кузьмину
|
(72) Автор(ы):
Силкин Евгений Михайлович (RU), Кузьмин Александр Федорович (RU)
(73) Патентообладатель(и):
Закрытое акционерное общество “Контактор” (RU)
|
(54) ИНВЕРТОР ТОКА
(57) Реферат:
Изобретение относится к преобразовательной технике и может быть использовано в качестве источника питания для индукционного нагревателя. Обеспечивается технический результат – повышение надежности работы инвертора тока (ИТ). ИТ содержит подключенный к входным выводам (ВЫ) ИТ через первый и второй дроссели (ДР) фильтра (1), (2) однофазный мост (ОМ) на четырех тиристорах (ТИ) (3-6), четыре последовательные цепи (ПЦ) из конденсатора (КЕ) (7-10) и резистора (РЕ) (11-14), ПЦ из первого коммутирующего ДР (15), первого коммутирующего КН (16), шунтирующего выходные ВЫ ИТ, и второго коммутирующего ДР (18), включенную в диагональ переменного тока ОМ, зашунтированную вторым коммутирующим КН (19), кремниевый симметричный ограничитель напряжения (ОН) (20), шунтирующий ВЫ постоянного тока ОМ. Последовательно с ТИ (3-6) зашунтированы встречными ДИ (25-28). ДИ (21-24) зашунтированы ОН (29-32). ПЦ из КН (7-10) РЕ (11-14) шунтируют ПЦ соединения ТИ (3-6) и ДИ (21-24). 1 ил.
Изобретение относится к преобразовательной технике и может быть использовано в качестве источника питания для индукционного нагревателя.
Известен инвертор тока, содержащий подключенный к входным выводам инвертора тока через дроссель фильтра однофазный мост на тиристорах, четыре последовательные цепи из конденсатора и резистора, последовательную цепь из первого коммутирующего дросселя, коммутирующего конденсатора, шунтирующего выходные выводы инвертора тока, и второго коммутирующего дросселя, включенную в диагональ переменного тока однофазного моста, последовательные цепи из конденсатора и резистора шунтируют тиристоры (Тиристорно-конденсаторные источники питания для электротехнологии / О.Г.Булатов, А.И.Царенко, В.Д.Поляков и др. – М.: Энергоатомиздат, 1989. – 180 С.).
Недостатком инвертора тока является низкая надежность работы из-за высоких значений коммутационных потерь в тиристорах, низкой перегрузочной способности, высоких перенапряжений на элементах схемы инвертора тока при выключении тиристоров.
Недостатком инвертора тока является низкая надежность работы из-за высоких значений коммутационных потерь в тиристорах, низкой перегрузочной способности, высоких перенапряжений на элементах схемы инвертора тока при выключении тиристоров.
Наиболее близким по технической сущности к изобретению является инвертор тока (П. 2155433 РФ, МКИ H 02 М 7/521. Инвертор тока / Силкин Е.М. и др. – Заявл. 01.03.94, Опубл. 10.06.96. – Бюл. N 16), который и рассматривается в качестве прототипа.
Прототип содержит подключенный к входным выводам инвертора тока через первый и второй дроссели фильтра однофазный мост на тиристорах, четыре последовательные цепи из конденсатора и резистора, последовательную цепь из первого коммутирующего дросселя, первого коммутирующего конденсатора, шунтирующего выходные выводы инвертора тока, и второго коммутирующего дросселя, включенную в диагональ переменного тока однофазного моста, зашунтированную вторым коммутирующим конденсатором, кремниевый симметричный ограничитель напряжения, шунтирующий выводы постоянного тока однофазного моста, последовательные цепи из конденсатора и резистора шунтируют тиристоры.
Недостатком прототипа является низкая надежность работы из-за высоких значений коммутационных потерь в тиристорах, низкой перегрузочной способности тиристоров в условиях жесткой коммутации, высоких перенапряжений на элементах схемы инвертора тока при выключении тиристоров.
Изобретение направлено на решение задачи повышения надежности работы инвертора тока, что является целью изобретения.
Указанная цель достигается тем, что в инверторе тока, содержащем подключенный к входным выводам инвертора тока через первый и второй дроссели фильтра однофазный мост на тиристорах, четыре последовательные цепи из конденсатора и резистора, последовательную цепь из первого коммутирующего дросселя, первого коммутирующего конденсатора, шунтирующего выходные выводы инвертора тока, и второго коммутирующего дросселя, включенную в диагональ переменного тока однофазного моста, зашунтированную вторым коммутирующим конденсатором, кремниевый симметричный ограничитель напряжения, шунтирующий выводы постоянного тока однофазного моста, последовательно с тиристорами включены последовательные диоды, тиристоры зашунтированы встречными диодами, последовательные диоды зашунтированы кремниевыми симметричными ограничителями напряжения, последовательные цепи из конденсатора и резистора шунтируют последовательные цепи соединения тиристора и последовательного диода.
Существенным отличием, характеризующим изобретение, является повышение надежности работы инвертора тока на индукционный нагреватель за счет снижения коммутационных потерь в тиристорах, коммутационных перенапряжений на элементах при выключении тиристоров.
Повышение надежности работы инвертора тока на индукционный нагреватель является полученным техническим результатом, обусловленным введением новых элементов и связей, т.е. отличительными признаками. Таким образом, отличительные признаки заявляемого инвертора тока являются существенными.
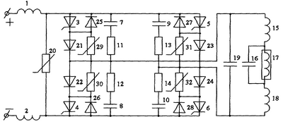
На чертеже приведена схема инвертора тока.
Инвертор тока содержит подключенный к входным выводам ининвертора тока через первый и второй дроссели фильтра 1, 2 однофазный мост на четырех тиристорах 3-6, четыре последовательные цепи из конденсатора 7-10 и резистора 11-14, последовательную цепь из первого коммутирующего дросселя 15, первого коммутирующего конденсатора 16, шунтирующего выходные выводы 17 инвертора тока, и второго коммутирующего дросселя 18, включенную в диагональ переменного тока однофазного моста, зашунтированную вторым коммутирующим конденсатором 19, кремниевый симметричный ограничитель напряжения 20, шунтирующий выводы постоянного тока однофазного моста. Последовательно с тиристорами включены последовательные диоды 21-24. Тиристоры зашунтированы встречными диодами 25-28. Последовательные диоды зашунтированы кремниевыми симметричными ограничителями напряжения 29-32. Последовательные цепи из конденсатора и резистора шунтируют последовательные цепи соединения тиристора и последовательного диода.
Инвертор тока работает следующим образом.
Тиристоры диагоналей моста инвертора 3, 6 и 4, 5 включаются поочередно с частотой, равной частоте выходного напряжения инвертора тока, определяемой собственной частотой параллельного колебательного контура, образованного индукционным нагревателем 17 и первым коммутирующим конденсатором 16. Причем включение очередной пары тиристоров 3, 6 или 4, 5 происходит с опережением момента перехода мгновенного значения напряжения на конденсаторе 16 параллельного колебательного контура через нулевое значение. Указанный контур обладает высокой добротностью (10-40), в результате чего напряжение на индукционном нагревателе 17 и конденсаторе 16 имеет форму, близкую к синусоидальной. Индуктивность дросселей фильтра 1, 2 имеет большую величину и выбирается из условия обеспечения сглаживания пульсаций входного тока. Поэтому входной ток инвертора тока сглажен, а ток, протекающий через тиристоры 3-6 и последовательные диоды 21-24, имеет форму, близкую к прямоугольной. Полный период выходного напряжения состоит из двух интервалов (полупериодов), соответствующих различным сочетаниям включенного и выключенного состояний тиристоров однофазного моста 3-6. Электромагнитные процессы в каждом из полупериодов протекают аналогично. При отпирании тиристоров 3-6 осуществляется перезаряд первого и второго коммутирующих конденсаторов 16, 19 по цепям 16-18-24-6-2-“-“-“+”-1-3-21-15-16 и 19-24-6-2-“-“-“+”-1-3-21-19. Одновременно с перезарядом первого и второго коммутирующих конденсаторов 16, 19 от источника питания инвертора тока происходит непрерывный разряд указанных конденсаторов через индукционный нагреватель (цепь нагрузки) 17 по цепям 16-17-16 и 19-15-17-18-19. К индукционному нагревателю 17 прикладывается напряжение условно положительной полярности. В момент включения тиристоров 3, 6 напряжение на первом и втором коммутирующих конденсаторах 16,19 условно отрицательное (“+” на нижних обкладках на чертеже). Уровень этого напряжения равен
u=((v E)/cosb)sinb,
где v – постоянный схемный коэффициент, Е – постоянное напряжение на входе инвертора тока, b – угол опережения (угол между моментом включения очередной пары тиристоров и моментом перехода напряжения на конденсаторах 16, 19 через нулевое значение). Поэтому в момент включения транзисторов 3, 6 конденсаторы 16, 19 также начинают разряжаться по цепям 16-18-24-6-4-22-15-16, 16-18-23-5-3-21-3-15-16 и 19-24-6-4-22-19, 19-23-5-3-21-19. Дроссели 15, 18 ограничивают скорость разряда первого коммутирующего конденсатора 16, имеющего большую емкость по сравнению со вторым коммутирующим конденсатором 19, и скорость спада (нарастания) тока через тиристоры 3-6 и последовательные диоды 21-24. Ток тиристоров 4, 5 и последовательных диодов 22, 23 спадает от максимального значения до нулевого, а ток тиристоров 3, 6 и последовательных диодов 21, 24 нарастает от нулевого значения до максимального. Таким образом, осуществляется коммутация тиристоров 3-6 и последовательных диодов 21-24. При обрыве обратного тока последовательных диодов 22, 23 (восстановление) ток разряда конденсаторов 16, 19 замыкается через конденсаторы 8, 9 и резисторы 12, 13 RC-цепей по цепям 16-18-24-6-8-12-15-16, 16-18-13-9-3-21-15-16 и 19-24-6-8-12-19, 19-13-9-3-21-19. Энергия, накопленная в электромагнитном поле первого и второго коммутирующих дросселей 15, 18 (а также соединительных шин), частично переходит в конденсаторы 8, 9 и частично рассеивается в резисторах 12, 13 и индукционном нагревателе 17. При превышении напряжением на конденсаторах 8, 9 номинального напряжения кремниевых симметричных ограничителей напряжения 30, 31 включаются встречные диоды 26, 27 и энергия конденсаторов 8, 9 далее рассеивается на указанных кремниевых симметричных ограничителях напряжения 30, 31 в контурах 8-26-30-12-8 и 9-13-31-27-9.
Коммутационные потери в тиристорах 4, 5 и последовательных диодах 22, 23, а также уровни коммутационных перенапряжений на элементах схемы инвертора тока ограничиваются. Напряжения на коммутирующих конденсаторах 16, 19 в интервале коммутации не успевают изменить знак, и к последовательным цепям тиристор-последовательный диод 4, 22 и 5, 23 прикладывается обратное (отрицательное) напряжение. Далее при работе тиристоров 3, 6 после окончания коммутационного интервала в интервале времени, когда напряжение на конденсаторах 16, 19 остается условно отрицательным, конденсаторы 8, 9 разряжаются на индукционный нагреватель 17, причем энергия, накопленная в конденсаторах 8, 9, возвращается (рекуперируется) в индукционный нагреватель 17 до полного их разряда. Кремниевые симметричные ограничители напряжения 30, 31 обеспечивают дополнительную защиту тиристоров 4, 5 и последовательных диодов 22, 23 от перенапряжений отрицательной полярности при выключении. Кремниевый симметричный ограничитель напряжения 20 уменьшает величину импульса перенапряжения отрицательной полярности при выключении последовательных диодов 22, 23 на выводах постоянного тока моста и защищает элементы схемы инвертора тока от аварийных перенапряжений положительной полярности при обрыве цепи индукционного нагревателя 17. В интервале приложения отрицательного напряжения к последовательным цепям тиристор-последовательный диод 4, 22 и 5, 23 тиристоры 4, 5 восстанавливают свои управляющие свойства. Интервал опережения выбирается из условия обеспечения достаточного времени для восстановления тиристорами 4, 5 своих управляющих свойств.
При дальнейшей работе инвертора тока напряжение на коммутирующих конденсаторах 16, 19 изменяет знак и становится условно положительным. По истечении первого интервала, равного половине периода выходного переменного напряжения, осуществляется включение тиристоров 4, 5. Электромагнитные процессы в инверторе тока после включении транзисторов 4, 5 протекают аналогично описанным. Очередное включение транзисторов 3, 6 заканчивает период. В индукционном нагревателе 17 при этом формируется полная волна выходного переменного напряжения. Часть энергии перенапряжения, накопленной в электрическом поле второго коммутирующего конденсатора 19 на интервалах коммутации, используется непосредственно в нагрузочной цепи 17. В результате, при одинаковой эффективности снижения перенапряжений возможно выполнение RC-цепей 7, 11-10, 14 на меньшую установленную мощность и снизить потери в тиристорах 3-6 и последовательных диодах 21-24.
По сравнению с прототипом существенно повышается надежность работы инвертора тока за счет снижения коммутационных потерь и перенапряжений. Это обеспечивается рациональным набором и взаимным резервированием защитных цепей. Недопустимые импульсные перенапряжения на тиристорах и диодах отсутствуют. Причем ограничиваются перенапряжения прямой (аварийные) и обратной полярностей. В том числе, при обрыве цепи нагрузки 17 уровни перенапряжений на элементах инвертора тока ограничиваются на уровне номинального напряжения кремниевого симметричного ограничителя напряжения 20. Коммутирующие дроссели 15, 18 ограничивают скорости нарастания и спада тока тиристоров 3-6 и последовательных диодов 21-24 при коммутациях, что также снижает уровни коммутационных перенапряжении при работе на индукционный нагреватель. Обратное напряжение на тиристорах 3-6 отсутствует, что обеспечивается включением в схему встречных диодов 25-28. В результате, коммутационные потери в тиристорах 3-6, имеющих более низкую по сравнению с диодами 21-24 перегрузочную способность, при выключении существенно снижаются. Коммутационные потери и перенапряжения при восстановлении последовательных диодов 21-24 также уменьшаются за счет ограничения уровней перенапряжений кремниевыми симметричными ограничителями напряжения 29-32, устанавливаемыми в непосредственной близости от защищаемых цепей тиристор-диод 3, 21-6, 24. Все это повышает надежность работы инвертора тока. Тиристоры 3-6 в заявляемом инверторе тока могут иметь более низкий класс по напряжению, что позволяет выполнить их с меньшими временами выключения. В результате, повышается устойчивость инвертора тока к срывам инвертирования. Последовательные диоды 21-24 могут иметь более высокий класс по напряжению при одинаковых динамических характеристиках по сравнению с тиристорами 3-6. Перенапряжения, приводящие к выходу из строя полупроводниковых приборов, в инверторах тока, работающих с опережением, как известно, имеют место при выключениях приборов. Возможность использования последовательных диодов 21-24 на повышенные классы напряжения позволяет обеспечить более высокую надежность работы инвертора тока. Повышение надежности работы инвертора тока оценивается по времени наработки на отказ. Заявляемый инвертор тока по сравнению с прототипом при выполнении на одинаковую выходную мощность имеет время наработки на отказ более высокое в 1,3-1,4 раза.
По сравнению с прототипом увеличивается коэффициент полезного действия инвертора тока за счет уменьшения потерь в элементах схемы, в том числе демпфирующих RC-цепях.
По сравнению с прототипом уменьшается стоимость элементов инвертора тока за счет возможности использования элементов (тиристоров, диодов, конденсаторов и др.) на меньшие допустимые напряжения.
Формула изобретения
Инвертор тока, содержащий подключенный к входным выводам инвертора тока через первый и второй дроссели фильтра однофазный мост на тиристорах, четыре последовательные цепи из конденсатора и резистора, последовательную цепь из первого коммутирующего дросселя, первого коммутирующего конденсатора, шунтирующего выходные выводы инвертора тока, и второго коммутирующего дросселя, включенную в диагональ переменного тока однофазного моста, зашунтированную вторым коммутирующим конденсатором, кремниевый симметричный ограничитель напряжения, шунтирующий выводы постоянного тока однофазного моста, отличающийся тем, что последовательно с тиристорами включены последовательные диоды, тиристоры зашунтированы встречными диодами, последовательные диоды зашунтированы кремниевыми симметричными ограничителями напряжения, последовательные цепи из конденсатора и резистора шунтируют последовательные цепи соединения тиристора и последовательного диода.
РИСУНКИ
MM4A – Досрочное прекращение действия патента СССР или патента Российской Федерации на изобретение из-за неуплаты в установленный срок пошлины за поддержание патента в силе
Дата прекращения действия патента: 25.01.2007
Извещение опубликовано: 20.06.2008 БИ: 17/2008
|
|