|
|
(21), (22) Заявка: 2005103334/09, 09.02.2005
(24) Дата начала отсчета срока действия патента:
09.02.2005
(46) Опубликовано: 27.06.2006
(56) Список документов, цитированных в отчете о поиске:
SU 1577023 A1, 07.07.1990. SU 1067576 А, 15.01.1980. GB 2002601 А, 21.02.1979.
Адрес для переписки:
350072, г.Краснодар, ул. Московская, 2, ГОУВПО “КубГТУ”, отдел интеллектуальной и промышленной собственности, М.Л. Чехомову
|
(72) Автор(ы):
Атрощенко Валерий Александрович (RU), Крылов Александр Леонидович (RU), Суртаев Николай Алексеевич (RU)
(73) Патентообладатель(и):
Государственное образовательное учреждение высшего профессионального образования “Кубанский государственный технологический университет” (ГОУВПО “КубГТУ”) (RU)
|
(54) ТРЕХФАЗНЫЙ УПРАВЛЯЕМЫЙ ВЫПРЯМИТЕЛЬ
(57) Реферат:
Изобретение относится к силовой преобразовательной технике и может быть использовано в системах электропитания постоянным током, для питания электроприводов постоянного тока, в силовых выпрямительных установках, питающихся от источников электрической энергии ограниченной мощности. В трехфазном управляемом выпрямителе, состоящем из блока силовых вентилей, собранных по трехфазной мостовой схеме, входного и выходного фильтра, датчика выпрямленного напряжения и системы управления, содержащей в своем составе устройство согласования, в блоке силовых вентилей в качестве ключей используются полностью управляемые вентили (транзисторы), а в систему управления входят генератор пилообразного напряжения, формирователь импульсов управления, циклический регистр сдвига, устройство сравнения фазных напряжений и схема выбора включаемых вентилей. Причем выход генератора пилообразного напряжения подключен к первому входному выводу формирователя импульсов управления, ко второму входному выводу которого подключен выход датчика выпрямленного напряжения. Выходной вывод формирователя импульсов управления подключен к входному выводу циклического регистра сдвига, имеющего три выходных вывода, которыми он подключен к трем из шести входных выводов схемы выбора включаемых вентилей. К остальным трем входным выводам схемы выбора включаемых вентилей подключены выходные выводы устройства сравнения фазных напряжений. Тремя своими входными выводами устройство сравнения фазных напряжений подключено к фазным напряжениям питающей сети. Шесть выходных выводов схемы выбора включаемых вентилей через устройство согласования соединено с управляющими выводами силовых вентилей блока силовых вентилей. Техническим результатом является обеспечение коэффициента мощности трехфазного управляемого выпрямителя, равного единице, и уменьшение массы и габаритов трехфазного управляемого выпрямителя. 3 ил.
Изобретение относится к силовой преобразовательной технике и может быть использовано в системах электропитания постоянным током, для питания электроприводов постоянного тока, в силовых выпрямительных установках, питающихся от источников электрической энергии ограниченной мощности.
Известен трехфазный мостовой неуправляемый выпрямитель [Руденко B.C., Сенько В.И., Чиженко И.М. Основы преобразовательной техники. Учебник для вузов. – M.: Высш. школа, 1980, 424 с.]. Основными составными элементами выпрямителя являются понижающий трансформатор и блок силовых вентилей. Понижающий трансформатор предназначен для согласования высокого питающего напряжения и низкого напряжения на выходе выпрямителя. Вентили выполняют преобразование рода тока.
Основными недостатками такого выпрямителя являются большие масса и габариты из-за использования согласующего трансформатора, низкое качество выпрямленного напряжения, выражающееся в высоком уровне пульсаций выпрямленного напряжения и отсутствии его регулирования и стабилизации, а также малое значение коэффициента мощности, обусловленное высоким содержанием высших гармоник в спектре тока, потребляемого из питающей сети. Последние недостатки определяют низкий уровень электромагнитной совместимости указанного выпрямителя с питающей сетью и с нагрузкой.
Наиболее близким из известных является трехфазный мостовой управляемый выпрямитель [Руденко B.C., Сенько В.И., Чиженко И.М. Основы преобразовательной техники. Учебник для вузов. – M.: Высш. школа, 1980, 424 с.]. Основными составными элементами выпрямителя являются понижающий трансформатор, блок силовых вентилей, собранных по трехфазной мостовой схеме, входной и выходной фильтры, датчик выпрямленного напряжения и система управления. В состав системы управления входят: ноль-орган, фазосдвигающее устройство, распределитель импульсов и устройство согласования, обеспечивающее согласование системы управления с силовой частью.
В качестве вентилей в трехфазном мостовом управляемом выпрямителе используются силовые низкочастотные не полностью управляемые вентили-тиристоры. Как известно, не полностью управляемые вентили позволяют управлять только моментом их включения (открытия), а запирание вентилей происходит независимо от системы управления при возникновении условий запирания. Следовательно, применение не полностью управляемых вентилей не позволяет гибко управлять трехфазным мостовым управляемым выпрямителем и произвольно (эффективно) формировать ток, потребляемый из питающей сети, и выпрямленное напряжение.
По условиям работы трехфазный мостовой управляемый выпрямитель потребляет из питающей сети ток, форма которого отличается от синусоидальной, т.е. в спектре потребляемого тока содержатся высшие гармонические составляющие. Кроме того, первая гармоника тока отстает по фазе от первой гармоники питающего напряжения ( 1 0). Причем чем больше угол управления, тем больше искажение формы тока (больше высших гармоник в спектре тока), потребляемого из питающей сети, и тем больше фазовый сдвиг между первыми гармониками тока и напряжения.
В результате коэффициент мощности трехфазного мостового управляемого выпрямителя, вычисленный по формуле

где – коэффициент мощности;
Р, S – активная и полная мощности, потребляемые выпрямителем;
U1, I1 и cos 1 – первые гармоники тока и напряжения, а также угол фазового сдвига между ними;
U, I – действующие значения полного напряжения и полного тока выпрямителя, содержащие в своем составе как первые, так и высшие гармоники;
U, i – коэффициенты искажения напряжения и тока соответственно, если высшие гармоники отсутствуют, то коэффициенты искажения равны единице,
будет примерно равен 0,8 при угле управления, равном нулю, и уменьшается до 0,5 при углах управления, равных 60-70 электрическим градусам. Для обеспечения устойчивой стабилизации выпрямленного напряжения трехфазные мостовые управляемые выпрямители работают на углах управления больших, чем 50 электрических градусов. Поэтому значение коэффициента мощности трехфазных мостовых управляемых выпрямителей значительно меньше единицы.
Кроме того, выпрямленное напряжение трехфазного мостового управляемого выпрямителя, выполненного на не полностью управляемых вентилях, содержит в своем спектре низкочастотные гармонические составляющие (от 300 Гц и выше). Причем глубина пульсаций выпрямленного напряжения, а следовательно, амплитудные значения высших гармонических составляющих, зависят от угла управления выпрямителя. Чем больше угол управления, тем больше глубина пульсаций.
Для уменьшения пульсаций выпрямленного напряжения на выходе трехфазных управляемых и неуправляемых выпрямителей устанавливают сглаживающие фильтры [Руденко B.C. и др. Основы преобразовательной техники. Учебник для вузов. – М.: Высш. школа, 1980, 424 с.], которые обеспечивают фильтрацию высших гармонических составляющих выпрямленного напряжения и тем самым обеспечивают уменьшение коэффициента пульсаций:

где Кn – коэффициент пульсаций выпрямленного напряжения;
Ud – постоянная составляющая выпрямленного напряжения;
Um (n) – амплитудное значение n-ной гармонической составляющей выпрямленного напряжения,
а следовательно, обеспечивают электромагнитную совместимость выпрямителя с нагрузкой.
Отличительной особенностью выходных фильтров трехфазных мостовых управляемых выпрямителей на не полностью управляемых вентилях является то, что они рассчитаны на фильтрацию низкочастотных гармонических составляющих (от 300 Гц). Это обуславливает большую массу и габариты составных элементов фильтра и выпрямителя в целом [Руденко B.C., Сенько В.И., Чиженко И.М. Основы преобразовательной техники. Учебник для вузов. – М.: Высш. школа, 1980, 424 с.].
Что касается входных фильтров трехфазных мостовых управляемых выпрямителей, то они не рассчитаны на фильтрацию низкочастотных гармонических составляющих тока, потребляемого выпрямителем из питающей сети, а применяются только для фильтрации высокочастотных гармонических составляющих, обусловленных коммутациями вентилей выпрямителя. Поэтому входной фильтр трехфазного мостового управляемого выпрямителя, во-первых, не удаляет из спектра тока, потребляемого из питающей сети, низкочастотные гармонические составляющие и, следовательно, практически не повышает значение коэффициента мощности трехфазного управляемого выпрямителя, а во-вторых, имеет небольшие массу и габариты.
Таким образом, основными недостатками трехфазного мостового управляемого выпрямителя являются большие масса и габариты, а также малое значение коэффициента мощности, особенно при больших углах управления. Последний недостаток обуславливают низкий уровень электромагнитной совместимости трехфазного мостового управляемого выпрямителя с питающей сетью.
Задачей изобретения является создание трехфазного управляемого выпрямителя, обеспечивающего высокий уровень электромагнитной совместимости с питающей сетью, а также его малые массу и габариты.
Техническим результатом является обеспечение коэффициента мощности трехфазного управляемого выпрямителя равного единице и уменьшение массы и габаритов трехфазного управляемого выпрямителя.
Технический результат достигается тем, что в трехфазном управляемом выпрямителе, состоящем из блока силовых вентилей, собранных по трехфазной мостовой схеме, входного и выходного фильтра, датчика выпрямленного напряжения и системы управления, содержащей в своем составе устройство согласования, в блоке силовых вентилей в качестве ключей устанавливаются полностью управляемые вентили (транзисторы), а в систему управления входят генератор пилообразного напряжения, формирователь импульсов управления, циклический регистр сдвига, устройство сравнения фазных напряжений и схема выбора включаемых вентилей. Причем выход генератора пилообразного напряжения подключен к первому входному выводу формирователя импульсов управления, ко второму входному выводу которого подключен выход датчика выпрямленного напряжения. Выходной вывод формирователя импульсов управления подключен к входному выводу циклического регистра сдвига, имеющего три выходных вывода, которыми он подключен к трем из шести входных выводов схемы выбора включаемых вентилей. К остальным трем входным выводам схемы выбора включаемых вентилей подключены выходные выводы устройства сравнения фазных напряжений. Тремя своими входными выводами устройство сравнения фазных напряжений подключено к фазным напряжениям питающей сети. Шесть выходных выводов схемы выбора включаемых вентилей через устройство согласования соединено с управляющими выводами силовых вентилей блока силовых вентилей.
Использование в составе трехфазного управляемого выпрямителя полностью управляемых вентилей, а также применение перечисленных элементов системы управления позволяет гибко управлять ключами на частоте, в несколько тысяч раз превышающей частоту переключений в трехфазном мостовом управляемом выпрямителе. Благодаря реализованному алгоритму работы трехфазного управляемого выпрямителя его входной ток имеет практически синусоидальную форму при угле фазового сдвига относительно первой гармоники питающего напряжения, равном нулю, а выпрямленное напряжение содержит в своем спектре только постоянную составляющую. Высокочастотные составляющие входного тока “замыкаются” на входном фильтре, а высокочастотные составляющие выпрямленного напряжения – на выходном фильтре. Так как входной и выходной фильтры рассчитаны на подавление гармонических составляющих с номерами, превышающими десять килогерц, то реактивные элементы фильтров имеют малую массу и габариты.
Указанные отличительные особенности трехфазного управляемого выпрямителя позволяют: во-первых, обеспечить коэффициент мощности выпрямителя (формула 1), равный единице; а во-вторых, уменьшить массу и габариты трехфазного управляемого выпрямителя за счет исключения из его состава силового трехфазного трансформатора, а также за счет уменьшения массы и габаритов выходного фильтра.
Таким образом, совокупность существенных признаков изобретения, изложенных в формуле изобретения, способствует достижению желаемого технического результата.
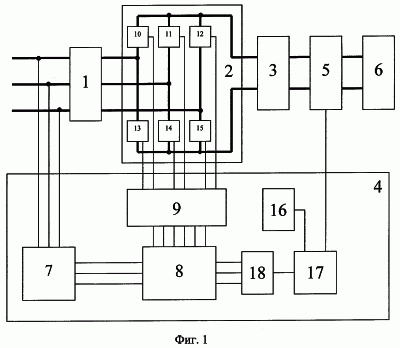
На фиг.1 представлена структурная схема трехфазного управляемого выпрямителя.
На фиг.2 и 3 приведены временные диаграммы, поясняющие его работу.
Трехфазный управляемый выпрямитель (фиг.1) состоит из входного фильтра 1, блока силовых вентилей 2, собранных по трехфазной мостовой схеме, выходного фильтра 3, системы управления 4 и датчика выпрямленного напряжения 5. К выпрямителю подключается нагрузка 6.
В состав системы управления 4 включены: устройство сравнения фазных напряжений 7, входные выводы которого соединены с фазными проводниками питающей сетью, а выходные выводы – с тремя входными выводами схемы выбора включаемых вентилей 8; устройство согласования 9, подключенное своими входными выводами к выходным выводам схемы выбора включаемых вентилей 8, а выходными выводами – к управляющим выводам силовых вентилей 10, 11, 12, 13, 14, 15 блока силовых вентилей 2; генератор пилообразного напряжения 16, подключенный к первому входному выводу формирователя импульсов управления 17, выполненного на базе компаратора, ко второму входному выводу которого подключен датчик выходного напряжения 5, и циклический регистр сдвига 18, соединенный входным выводом с формирователем импульсов управления 17, а выходными выводами – с другими тремя входными выводами схемы выбора включаемых вентилей 8.
Выпрямитель работает следующим образом.
Генератор пилообразного напряжения 16 формирует пилообразное напряжение на частоте преобразования (фиг.2, кривая 1, а). Частота преобразования определяется возможностями элементной базы выпрямителя и может составлять от единиц килогерц до сотен килогерц. Для наглядности представления принципа действия выпрямителя на временных диаграммах фиг.2 частота преобразования выбрана равной примерно 3 кГц.
Пилообразное напряжение подается на один из входов компаратора, входящего в состав формирователя импульсов управления 17. На второй вход того же компаратора подается напряжение от датчика выпрямленного напряжения 5 (фиг.2, кривая 1, b), которое пропорционально выпрямленному напряжению выпрямителя. В компараторе производится сравнение двух сигналов и на его выходе по результату сравнения формируется последовательность из логических нулей и единиц. Причем на интервалах, где пилообразное напряжение больше напряжения датчика выпрямленного напряжения, на выходе компаратора формируется сигнал логической единицы, а на остальных интервалах – формируется сигнал логического нуля. В результате на выходе формирователя импульсов управления 17 получается последовательность импульсов (фиг.2, кривая 2). Частота импульсов определяет частоту переключения вентилей, а ширина каждого импульса соответствует времени открытого состояния соответствующей пары транзисторов. Поскольку время открытого состояния транзисторов пропорционально величине выпрямленного напряжения, то, изменяя скважность импульсов, регулируется выпрямленное напряжение трехфазного управляемого выпрямителя.
Сформированная последовательность импульсов поступает на циклический регистр сдвига 18, который распределяет полученные импульсы поочередно по трем каналам. Первый канал (фиг.2, кривая 3) управляет подключением к нагрузке междуфазного напряжения UAB, второй канал (фиг.2, кривая 4) – подключением напряжения UBC, а третий канал (фиг.2, кривая 5) – подключением напряжения UCA. Сигналы циклического регистра сдвига подаются на схему выбора включаемых вентилей 8.
Одновременно с сигналами от циклического регистра сдвига 18 (фиг.1) на схему выбора включаемых вентилей 8 подаются сигналы от устройства сравнения фазных напряжений 7. Эти сигналы подаются также по трем каналам (фиг.2, кривые 7-9) в виде логических нулей и единиц. Первый канал (фиг.2, кривая 7) имеет единичный потенциал, если междуфазное напряжение uab (фиг.2, кривые 6) положительное, и нулевой потенциал – если отрицательное. Потенциал второго канала (фиг.2, кривая 8) отражает знак междуфазного напряжения ubc (фиг.2, кривые 6), а потенциал третьего канала (фиг.2, кривая 9) – знак междуфазного напряжения uca (фиг.2, кривые 6).
Схема выбора включаемых вентилей 8 (фиг.1), сопоставляя сигналы от циклического регистра сдвига 18 об очередности и времени подключения междуфазных напряжений к нагрузке с информацией от устройства сравнения 7 о полярности соответствующего напряжения, формирует сигналы управления силовыми вентилями (фиг.2, кривые 10-15). Причем кривые 10, 11, 12, 13, 14 и 15 соответствуют сигналам управления вентилями 10, 11, 12, 13, 14 и 15. Указанные сигналы передаются по шести каналам к устройству согласования 9 (фиг.1).
Устройство согласования 9 предназначено для согласования сигналов управления, вырабатываемых системой управления, с сигналами силовой схемы выпрямителя по напряжению и мощности, а также, если необходимо, для гальванической развязки силовой схемы и системы управления, т.е. на выходе устройства согласования форма сигналов останется такой же, как и на ее входе.
В конечном итоге сигналы управления 10-15 (фиг.2), воздействуя на вентили 10-15 (фиг.1) блока силовых вентилей 2, обеспечивают потребление входных токов ia, ib и ic, форма которых приведена на кривых 16-18 (фиг.2). При этом на выходе блока силовых вентилей 2, формируется выпрямленное напряжение ud, форма которого показана на диаграмме 19 (фиг.2). Токи ia‘, ib‘ и ic‘ и напряжение ud‘ соответствуют режиму работы выпрямителя без входного и выходного фильтров.
На фиг.2 приведены диаграммы выпрямителя для пониженной частоты преобразования. Для получения мгновенных значений токов и напряжений выпрямителя на реальной частоте преобразования на фиг.3 приведены временные диаграммы, аналогичные диаграммам 6, 16-19 (фиг.2), для частоты преобразования 15 кГц. Кроме того, на фиг.3 приведена система трехфазных напряжений ua, ub, uc (кривая 2).
Как видно из временных диаграмм 3-5 (фиг.2), форма токов, потребляемых блоком силовых вентилей 2 (фиг.1) выпрямителя, отличается от синусоидальной (токи ia‘, ib‘ и ic‘). Однако использование входного фильтра 1 (фиг.1) обеспечивает фильтрацию высокочастотных гармоник во входных цепях выпрямителя.
В результате токи, потребляемые выпрямителем из питающей сети по каждой фазе (фиг.3, кривые 3-5), становятся практически синусоидальными (ia, ib, ic) и синфазными с питающими напряжениями ua, uв, uc (фиг.3, кривые 2), т.е. cos 1=0.
Это означает, что коэффициент мощности предлагаемого выпрямителя, вычисляемый по формуле 1, будет практически равен единице. Следовательно, выпрямитель будет обеспечивать полную электромагнитную совместимость с питающей сетью.
Использование выходного фильтра обеспечивает сглаживание выпрямленного напряжения выпрямителя. В результате выпрямленное напряжение выпрямителя будет содержать только постоянную составляющую ud, что, в свою очередь, означает, что коэффициент пульсаций выпрямленного напряжения, вычисляемый по формуле 2, будет равен нулю, т.е. выпрямитель будет обеспечивать полную электромагнитную совместимость с нагрузкой.
Причем масса и габариты выходного фильтра предлагаемого выпрямителя будут существенно ниже массы и габаритов аналога. Это объясняется тем, что частота гармоник предлагаемого выпрямителя на один-два порядка превышает частоту гармонического спектра аналога. А, как известно [Руденко B.C., Сенько В.И., Чиженко И.М. Основы преобразовательной техники. Учебник для вузов. – М.: Высш. школа, 1980, 424 с.], электрические параметры и размеры реактивных элементов высокочастотного фильтра значительно ниже, чем низкочастотного фильтра. Следовательно, масса и габариты фильтра для предлагаемого выпрямителя будут значительно меньше, чем у аналога.
Поэтому уменьшение массы и габаритов предлагаемого выпрямителя по сравнению с аналогом обеспечивается не только за счет отсутствия силового согласующего трансформатора, но и за счет уменьшения массы и габаритов выходного фильтра.
Формула изобретения
Трехфазный управляемый выпрямитель, состоящий из блока силовых вентилей, собранных по трехфазной мостовой схеме, входного и выходного фильтра, датчика выпрямленного напряжения и системы управления, содержащей в своем составе устройство согласования, отличающийся тем, что в блоке силовых вентилей в качестве ключей установлены полностью управляемые вентили – транзисторы, а в систему управления входят генератор пилообразного напряжения, формирователь импульсов управления, циклический регистр сдвига, устройство сравнения фазных напряжений и схема выбора включаемых вентилей, причем выход генератора пилообразного напряжения подключен к первому входному выводу формирователя импульсов управления, ко второму входному выводу которого подключен выход датчика выпрямленного напряжения, а выходной вывод формирователя импульсов управления подключен к входному выводу циклического регистра сдвига, имеющего три выходных вывода, которыми он подключен к трем из шести входных выводов схемы выбора включаемых вентилей, к остальным трем входным выводам схемы выбора включаемых вентилей подключены выходные выводы устройства сравнения фазных напряжений, которое тремя своими входными выводами подключено к фазным проводникам питающей сети, а шесть выходных выводов схемы выбора включаемых вентилей через устройство согласования соединены с управляющими выводами силовых вентилей блока силовых вентилей.
РИСУНКИ
MM4A – Досрочное прекращение действия патента СССР или патента Российской Федерации на изобретение из-за неуплаты в установленный срок пошлины за поддержание патента в силе
Дата прекращения действия патента: 10.02.2008
Извещение опубликовано: 10.12.2009 БИ: 34/2009
|
|