|
|
(21), (22) Заявка: 2004139168/09, 31.12.2004
(24) Дата начала отсчета срока действия патента:
31.12.2004
(46) Опубликовано: 27.06.2006
(56) Список документов, цитированных в отчете о поиске:
Интегральные микросхемы. Микросхемы для импульсных источников питания и их применение. М.: ДОДЭКА, 2000, с.198, рис.4. SU 692029 A, 17.10.1979. RU 2210851 С2, 20.08.2003. US 6094365 А, 25.07.2000.
Адрес для переписки:
191124, Санкт-Петербург, пл. Растрелли, 2, ОАО “РИРВ”, первому заместителю генерального директора Б.В. Шебшаевичу
|
(72) Автор(ы):
Швецов Юрий Кузьмич (RU)
(73) Патентообладатель(и):
Открытое акционерное общество “Российский институт радионавигации и времени” (RU)
|
(54) ПРЕОБРАЗОВАТЕЛЬ НАПРЯЖЕНИЯ ПОСТОЯННОГО ТОКА
(57) Реферат:
Изобретение относится к электротехнике и может быть использовано в преобразователях напряжения постоянного тока с гальванической развязкой входной и выходной цепей. Достигаемым техническим результатом является получение преобразователя напряжения постоянного тока с обратной связью по выходному напряжению и гальванической развязкой входной и выходной цепей, обеспечиваемой без использования оптопары путем формирования в цепи обратной связи переменного напряжения, отвечающего выходному напряжению преобразователя, передаче этого напряжения через развязывающий трансформатор и формирования из него напряжения обратной связи. Преобразователь содержит входной фильтр, выходной фильтр-выпрямитель и силовой трансформатор, вторичная обмотка которого связана с входными выводами выходного фильтра-выпрямителя, а первичная обмотка связана через силовой электронный ключ с выходными выводами входного фильтра, причем управляющий вход силового электронного ключа связан через согласующую цепь с выходом схемы управления, а вход обратной связи схемы управления через цепь обратной связи связан с выходными выводами выходного фильтра-выпрямителя. Цепь обратной связи содержит развязывающий трансформатор и вспомогательный электронный ключ. Первичная обмотка развязывающего трансформатора зашунтирована размагничивающим элементом и подключена через вспомогательный электронный ключ к выходным выводам выходного фильтра-выпрямителя, вторичная обмотка развязывающего трансформатора через выпрямитель подключена к входу обратной связи схемы управления, а управляющий вход вспомогательного электронного ключа подключен к выходу цепи формирования коммутирующих импульсов. Согласующая цепь, связывающая управляющий вход силового электронного ключа с выходом схемы управления, может быть выполнена в виде согласующего трансформатора, первичная обмотка которого подключена к выходу схемы управления, а вторичная – к управляющему входу силового электронного ключа. Цепь формирования коммутирующих импульсов может быть выполнена в виде дополнительной вторичной обмотки силового трансформатора или в виде дополнительной вторичной обмотки указанного согласующего трансформатора. 2 ил.
Изобретение относится к электротехнике и может быть использовано в преобразователях напряжения постоянного тока с гальванической развязкой входной и выходной цепей.
Системы питания большинства многоблочных комплексов радиоэлектронной аппаратуры строятся по принципу использования общего источника первичного электропитания и формирования из него с помощью источников вторичного электропитания ряда напряжений для электропитания отдельных радиоэлектронных блоков, входящих в состав комплекса, см., например, [1] – RU №2201645 (C1), H 02 J 1/00, 27.03.2003. В случае, когда источником первичного электропитания питания является источник напряжения постоянного тока, источники вторичного электропитания выполняются на основе преобразователей напряжения постоянного тока, осуществляющих преобразование напряжения постоянного тока одного номинала в напряжение постоянного тока другого номинала, а также, при необходимости, стабилизацию выходного напряжения и его дополнительную фильтрацию.
Среди преобразователей, выполняющих функции преобразования напряжения постоянного тока одного номинала в напряжение постоянного тока другого номинала, отдельное место занимают импульсные преобразователи с гальванической развязкой входной и выходной цепей. В общем виде принцип действия этих преобразователей заключается в преобразовании входного напряжения постоянного тока в импульсное путем коммутации входного тока силовым электронным ключом, установленным в силовой цепи последовательно с первичной обмоткой силового трансформатора, и последующем выпрямлении и фильтрации импульсного напряжения, снимаемого с вторичной обмотки силового трансформатора (см., например, [2] – Ю.Розанов, М.Рябчинский, А.Кваснюк. “Вторичные источники питания: от сетевого трансформатора до корректора коэффициента мощности”. CHIP NEWS. Инженерная микроэлектроника, №2, 2004, с.4-8, рис.7). В этих преобразователях стабилизация выходного напряжения осуществляется путем изменения относительной длительности замкнутого состояния силового электронного ключа под воздействием схемы управления, при этом используются способы широтно- или частотно-импульсной модуляции (ШИМ и ЧИМ соответственно) или их комбинации.
Например, известен преобразователь напряжения постоянного тока с гальванической развязкой входной и выходной цепей, описанный в [3] – RU №2210851 (С2), Н 02 М 3/335, 20.08.2003, содержащий входной конденсатор, выполняющий функцию входного фильтра, силовой трансформатор, силовой электронный ключ, схему управления силовым электронным ключом и выходной фильтр-выпрямитель. Входные “плюсовой” и “минусовой” зажимы преобразователя соединены с первым и вторым выводами входного конденсатора. С первым выводом входного конденсатора соединен также первый вывод первичной обмотки силового трансформатора, второй вывод которого через силовой электронный ключ соединен с вторым выводом входного конденсатора. Первый и второй выводы вторичной обмотки силового трансформатора подключены через выходной фильтр-выпрямитель к “плюсовому” и “минусовому” выходным зажимам преобразователя. Управляющий вход силового электронного ключа подключен к выходу схемы управления, выполняющей функцию ШИМ-контроллера, реализующего способ ШИМ-модуляции относительной длительности замкнутого состояния силового электронного ключа. Схема управления связана цепью обратной связи с дополнительной обмоткой силового трансформатора.
Преобразователь, описанный в [3], реализует схему однотактного обратноходового преобразователя, характеризующуюся тем, что передача энергии осуществляется на интервале выключенного состояния силового электронного ключа. В этом преобразователе входное напряжение подается на первичную обмотку силового трансформатора через силовой электронный ключ, управляемый ШИМ-контроллером в зависимости от напряжения обратной связи, снимаемого с вторичной обмотки силового трансформатора через цепь обратной связи. Напряжение обратной связи, снимаемое с вторичной обмотки силового трансформатора, определяется входным напряжением. Это позволяет отслеживать изменения входного напряжения и осуществлять регулировку выходного напряжения с учетом этих изменений. Однако, поскольку напряжение на обмотке обратной связи не учитывает прямого падения напряжения на омическом сопротивлении вторичной обмотки силового трансформатора и выходного фильтра-выпрямителя, выходное напряжение такого преобразователя будет изменяться при изменении тока нагрузки.
Аналогичным недостатком (изменение выходного напряжения при изменении тока нагрузки) обладают преобразователи, в которых в качестве сигнала обратной связи используется напряжение, снимаемое с резистивного датчика тока, устанавливаемого в цепи “электронный ключ – первичная обмотка трансформатора”.
Для стабилизации выходного напряжения преобразователя в условиях изменения тока нагрузки используют обратную связь по выходному напряжению.
Например, в известных однотактных преобразователях напряжения постоянного тока, описанных в [4] – DE №2613896, Н 02 Н 7/127, 13.10.1977 и [5] – RU №2107380 (C1), H 02 M 3/335, 20.03.1998, применяется комбинированная обратная связь по входному току и выходному напряжению, причем в контур обратной связи по выходному напряжению входят последовательно соединенные регулятор напряжения и широтно-импульсный модулятор. Применение обратной связи по выходному напряжению позволяет стабилизировать выходное напряжение преобразователей [4] и [5] в условиях изменения как входного напряжения, так и тока нагрузки, а кроме этого решить задачу отключения преобразователей в условиях короткого замыкания по выходу. Однако в преобразователях [4] и [5] цепь обратной связи по выходному напряжению выполнена без гальванической развязки, что лишает преобразователи [4] и [5] такого важного свойства как гальваническая развязка входной и выходной цепей.
Известным решением, обеспечивающим в рассматриваемом классе преобразователей необходимую гальваническую развязку в цепи обратной связи по выходному напряжению, является использование для этих целей оптопары, см., например, [6] – US №6094365, H 02 M 3/335, Н 02 Н 7/122, 25.07.2000; [7] – И.Безверхний. “Микросхемы фирмы Power Integrations для сетевых импульсных источников питания”. СНБР NEWS. Инженерная микроэлектроника, №2, 2004, с.24-28, рис.1, 3, 6; [8] – Интегральные микросхемы: Микросхемы для импульсных источников питания и их применение. М., ДОДЭКА, 2000, с.198, рис.4.
Оптопара представляет собой комбинацию излучателя, например ИК-диода, и фотоприемника, обеспечивающих преобразование напряжения постоянного тока в соответствующий ему оптический сигнал, а затем преобразование этого оптического сигнала в напряжение постоянного тока. Оптопара является идеальным с точки зрения простоты реализации техническим средством, позволяющим реализовать канал передачи аналогового сигнала, представленного напряжением постоянного тока, от датчика к приемнику без гальванической связи между ними.
Известный из [8] обратноходовый преобразователь напряжения постоянного тока с гальванической развязкой входной и выходной цепей, использующий оптопару в цепи обратной связи по выходному напряжению, принят в качестве прототипа.
Функциональная схема преобразователя-прототипа содержит входной фильтр, силовой трансформатор с силовым электронным ключом и выходной фильтр-выпрямитель. Входные выводы входного фильтра и выходные выводы выходного фильтра-выпрямителя образуют, соответственно, вход и выход преобразователя. Первый вывод первичной обмотки силового трансформатора подключен к первому выходному выводу входного фильтра. Второй вывод первичной обмотки силового трансформатора подключен через силовой электронный ключ к второму выходному выводу входного фильтра. Выводы вторичной обмотки силового трансформатора подключены к входным выводам выходного фильтра-выпрямителя.
Управляющий вход силового электронного ключа подключен через согласующую цепь к выходу схемы управления, связанной цепью питания с выходными выводами входного фильтра.
Вход обратной связи схемы управления подключен к выходу цепи обратной связи по выходному напряжению, вход которой подключен к выходным выводам выходного фильтра выпрямителя.
Цепь обратной связи по выходному напряжению содержит оптопару, обеспечивающую гальваническую развязку выхода преобразователя и входа обратной связи схемы управления.
Входной фильтр в простейшем случае, представленном в [8], выполнен в виде конденсатора. Возможно выполнение входного фильтра в виде LC или CLC фильтров соответственно L-образной или П-образной конфигурации.
Выходной фильтр-выпрямитель в простейшем случае может содержать выпрямительный диод, один из выводов которого соединен с выводом вторичной обмотки силового трансформатора, а другой – с выводом фильтрующего конденсатора, подключенного другим своим выводом к другому выводу вторичной обмотки силового трансформатора. В более сложном случае, отраженном в [8], к выпрямительному диоду подключен П-образный CLC фильтр.
Схема управления в преобразователе-прототипе выполнена с использованием ЧИМ-контроллера на базе микросхемы серии 1055ЕУ5.
Силовой электронный ключ выполнен в виде полевого транзистора, а согласующая цепь – в виде резистивного делителя напряжения.
Принцип работы преобразователя-прототипа заключается в следующем. Отфильтрованное входным фильтром входное напряжение постоянного тока поступает на первичную обмотку силового трансформатора через силовой электронный ключ, периодически открываемый и закрываемый управляющими импульсами, формируемыми схемой управления. Тем самым осуществляется преобразование входного напряжения постоянного тока в импульсное. При этом, когда силовой электронный ключ открыт, ток в первичной обмотке силового трансформатора линейно увеличивается, а когда этот ключ закрывается, магнитный поток в сердечнике силового трансформатора начинает уменьшаться, вызывая ток в цепи его вторичной обмотки. Ток вторичной обмотки выпрямляется и фильтруется с помощью выходного фильтра-выпрямителя и поступает к потребителю. Стабилизация выходного напряжения осуществляется за счет соответствующего изменения параметров управляющих импульсов, вызывающих изменения в соотношении между открытым и закрытым состояниями силового электронного ключа. Изменение параметров управляющих импульсов осуществляется под действием сигнала обратной связи, поступающего с выхода преобразователя по цепи обратной связи через оптопару на вход обратной связи схемы управления.
Применение обратной связи по выходному напряжению позволяет в преобразователе-прототипе решить задачу стабилизации выходного напряжения в условиях изменения входного напряжения и тока нагрузки, а использование оптоопары в цепи обратной связи позволяет обеспечить при этом необходимую гальваническую развязку входной и выходной цепей преобразователя.
Однако в ряде случаев указанное применение оптопары ухудшает показатели надежности, в частности показатель долговечности. Дело в том, что оптопара обладает свойством старения, проявляющимся, в частности, в изменении коэффициента передачи. При этом процесс старения зависит от условий эксплуатации и в неблагоприятных условиях эксплуатации может протекать ускоренно, приводя к преждевременной потери работоспособности преобразователя.
Задачей, на решение которой направлено заявляемое изобретение, является разработка преобразователя напряжения постоянного тока с обратной связью по выходному напряжению, в котором гальваническая развязка входной и выходной цепей обеспечивается без использования оптопары. Задача решается путем формирования в цепи обратной связи переменного напряжения, отвечающего выходному напряжению преобразователя, передаче этого напряжения через развязывающий трансформатор и формирования из него напряжения обратной связи.
Сущность заявляемого изобретения заключается в следующем. Преобразователь напряжения постоянного тока содержит входной фильтр, входные выводы которого образуют вход преобразователя, выходной фильтр-выпрямитель, выходные выводы которого образуют выход преобразователя, и силовой трансформатор, вторичная обмотка которого подключена к входным выводам выходного фильтра-выпрямителя, а первичная обмотка подключена первым своим выводом к первому выходному выводу входного фильтра, а вторым своим выводом через силовой электронный ключ подключена к второму выходному выводу входного фильтра, при этом управляющий вход силового электронного ключа подключен через согласующую цепь к выходу схемы управления, а вход обратной связи схемы управления подключен к выходу цепи обратной связи по выходному напряжению преобразователя. В отличие от прототипа, указанная цепь обратной связи содержит развязывающий трансформатор и вспомогательный электронный ключ, причем первичная обмотка развязывающего трансформатора защунтирована размагничивающим элементом и подключена первым своим выводом к первому выходному выводу выходного фильтра-выпрямителя, а вторым своим выводом через вспомогательный электронный ключ подключена к второму выходному выводу выходного фильтра-выпрямителя, вторичная обмотка развязывающего трансформатора через выпрямитель подключена к входу обратной связи схемы управления, а управляющий вход вспомогательного электронного ключа подключен к выходу цепи формирования коммутирующих импульсов.
В частных случаях реализации согласующая цепь, связывающая управляющий вход силового электронного ключа с выходом схемы управления, может быть выполнена в виде согласующего трансформатора, первичная обмотка которого подключена к выходу схемы управления, а вторичная – к управляющему входу силового электронного ключа, а цепь формирования коммутирующих импульсов может быть выполнена в виде дополнительной вторичной обмотки силового трансформатора или в виде дополнительной вторичной обмотки согласующего трансформатора.
Сущность изобретения и возможность его осуществления поясняются чертежами, представленным на фиг.1 и 2.
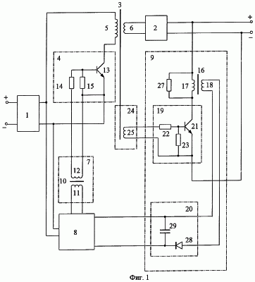
На фиг.1 представлен пример функциональной схемы заявляемого преобразователя напряжения постоянного тока для случая, когда цепь формирования коммутирующих импульсов выполнена в виде дополнительной вторичной обмотки силового трансформатора.
На фиг.2 представлен пример функциональной схемы заявляемого преобразователя напряжения постоянного тока для случая, когда цепь формирования коммутирующих импульсов выполнена в виде дополнительной вторичной обмотки согласующего трансформатора.
Заявляемый преобразователь напряжения постоянного тока (далее преобразователь) в рассматриваемых примерах выполнения (фиг.1 и 2) содержит входной фильтр 1, входные выводы которого образуют вход преобразователя, выходной фильтр-выпрямитель 2, выходные выводы которого образуют выход преобразователя, а также силовой трансформатор 3 и силовой электронный ключ 4.
Первичная обмотка 5. силового трансформатора 3 подключена первым своим выводом к первому выходному выводу входного фильтра 1, а вторым своим выводом через силовой электронный ключ 4 подключена к второму выходному выводу входного фильтра 1. Вторичная обмотка 6 силового трансформатора 3 подключена к входным выводам выходного фильтра-выпрямителя 2.
Входной фильтр 1 в простейшем случае выполнен в виде С-фильтра, реализованного на одном конденсаторе, при этом первые входной и выходной выводы входного фильтра 1 соединены между собой и с первым выводом этого конденсатора, а вторые входной и выходной выводы входного фильтра 1 соединены между собой и с вторым выводом этого конденсатора (на фиг.1 и 2 не показано). Возможно выполнение входного фильтра 1 в виде LC или CLC фильтров L-образной или П-образной конфигурации соответственно (на фиг.1 и 2 не показано).
Выходной фильтр-выпрямитель 2 в простейшем случае состоит из выпрямительного диода и фильтрующего конденсатора, соединенных между собой своими первыми выводами, при этом первые выходной и входной выводы выходного фильтра-выпрямителя 2 соединены, соответственно, с первым и вторым выводами указанного выпрямительного диода, а вторые выходной и входной выводы выходного фильтра-выпрямителя 2 соединены между собой и с вторым выводом указанного фильтрующего конденсатора (на фиг.1 и 2 не показано). В более сложных реализациях вместо указанного фильтрующего конденсатора может применяться, например, L-образный LC фильтр или П-образный CLC фильтр.
Управляющий вход силового электронного ключа 4 подключен через согласующую цепь 7 к выходу схемы 8 управления, связанной цепью питания с выходными выводами входного фильтра 1. Вход обратной связи схемы 8 управления подключен к выходу цепи 9 обратной связи, вход которой подключен к выходным выводам выходного фильтра-выпрямителя 2.
В рассматриваемых примерах, представленных на фиг.1 и 2, согласующая цепь 7 выполнена в виде согласующего трансформатора 10, первичная обмотка 11 которого подключена к выходу схемы 8 управления, а вторичная обмотка 12 – к управляющему входу силового электронного ключа 4.
В рассматриваемых примерах силовой электронный ключ 4 выполнен на транзисторе 13, например типа 2Т866А, с двумя резисторами 14 и 15, где резистор 14 включен последовательно с выводом “база” транзистора 13, а резистор 15 включен параллельно выводам “база” и “эмиттер” транзистора 13, при этом вывод резистора 14, не связанный с выводом “база” транзистором 13, и вывод резистора 15, связанный с выводом “эмиттер” транзистора 13, образуют управляющий вход силового электронного ключа 4.
Схема 8 управления может быть выполнена, например, как в прототипе на основе микросхемы 1055ЕУ5, реализующей функцию ЧИМ-контроллера, включенной в соответствии со схемой, представленной в [8]. Возможно выполнение схемы 8 управления с использованием ШИМ-контроллера, например как в аналоге [3].
Цепь 9 обратной связи содержит развязывающий трансформатор 16 с первичной 17 и вторичной 18 обмотками, вспомогательный электронный ключ 19 и выпрямитель 20. При этом первичная обмотка 17 развязывающего трансформатора 16 подключена первым своим выводом к первому выходному выводу выходного фильтра-выпрямителя 2, вторым своим выводом подключена через вспомогательный электронный ключ 19 к второму выходному выводу выходного фильтра-выпрямителя 2, а вторичная обмотка 18 развязывающего трансформатора 16 подключена через выпрямитель 20 к входу обратной связи схемы 8 управления.
В рассматриваемых примерах вспомогательный электронный ключ 19 выполнен на транзисторе 21, например типа 2Т3117А, с двумя резисторами 22 и 23, где резистор 22 включен последовательно с выводом “база” транзистора 21, а резистор 23 включен параллельно выводам “база” и “эмиттер” транзистора 21, при этом вывод резистора 22, не связанный с выводом “база” транзистором 21, и вывод резистора 23, связанный с выводом “эмиттер” транзистора 21, образуют управляющий вход вспомогательного электронного ключа 19.
Управляющий вход вспомогательного электронного ключа 19 подключен к выходу цепи 24 формирования коммутирующих импульсов. Цепь 24 формирования коммутирующих импульсов может быть выполнена, например, в виде дополнительной вторичной обмотки 25 силового трансформатора 3, как это показано на фиг.1, или в виде дополнительной вторичной обмотки 26 согласующего трансформатора 10, как это показано на фиг.2. Возможно выполнение цепи 24 формирования коммутирующих импульсов в виде генератора импульсов постоянной длительности (на фиг.1 и 2 не показано).
Первичная обмотка 17 развязывающего трансформатора 16 зашунтирована размагничивающим элементом 27. В рассматриваемых примерах, представленных на фиг.1 и 1, в качестве размагничивающего элемента 27 применен резистор. Возможно применение в качестве размагничивающего элемента 27 диода (на фиг.1 и 2 не показано).
В рассматриваемых примерах, представленных на фиг.1 и 2, первичная обмотка
17 развязывающего трансформатора 16 подключена первым своим выводом непосредственно к первому выходному выводу выходного фильтра-выпрямителя 2, что справедливо для случая, когда значение выходного напряжения преобразователя не превышает допустимого напряжения транзистора 21. В случае, когда значение выходного напряжения преобразователя превышает допустимое напряжение транзистора 21, первичная обмотка 17 развязывающего трансформатора 16 подключается первым своим выводом к первому выходному выводу выходного фильтра-выпрямителя 2 через делитель напряжения, образованный, например, включенными последовательно между первым и вторым выходными выводами выходного фильтра-выпрямителя 2 стабилитроном и резистором, точка соединения которых образует выход делителя напряжения (на фиг.1 и 2 не показано).
В рассматриваемых примерах, представленных на фиг.1 и 2, выпрямитель 20 содержит выпрямительный диод 28 и фильтрующий конденсатор 29, первые выводы которых соединены между собой, вторые выводы подключены к вторичной обмотке 18 развязывающего трансформатора 16, а кроме этого второй вывод фильтрующего конденсатора 29 и соединенные между собой первые выводы выпрямительного диода 28 и фильтрующего конденсатора 29 подключены к входу обратной связи схемы 8 управления.
Работа заявляемого преобразователя происходит следующим образом.
Отфильтрованное входным фильтром 1 входное напряжение постоянного тока поступает на схему 8 управления в качестве питающего напряжения, а также на первичную обмотку 5 силового трансформатора 3 через силовой электронный ключ 4.
Схема 8 управления формирует на своем выходе управляющие импульсы, которые через согласующую цепь 7 (в рассматриваемых примерах через трансформатор 10 с первичной 11 и вторичной 12 обмотками) поступают на управляющий вход силового электронного ключа 4 (в рассматриваемых примерах на резисторы 14 и 15, связанные с выводам “база” и “эмиттер” транзистора 13).
Под действием управляющих импульсов силовой электронный ключ 4 периодически открывается и закрывается, осуществляя преобразование входного напряжения постоянного тока в импульсное. При этом, когда силовой электронный ключ 4 открыт, ток в первичной обмотке 5 силового трансформатора 3 линейно увеличивается, а когда силовой электронный ключ 4 закрывается, магнитный поток в сердечнике силового трансформатора 3 начинает уменьшаться, вызывая ток в цепи его вторичной обмотки 6.
Снимаемое с вторичной обмотки 6 напряжение поступает на входные выводы выходного фильтра-выпрямителя 2, где выпрямляется и фильтруется.
С выходных выводов фильтра-выпрямителя 2 выходное напряжение преобразователя, представляющее собой напряжение постоянного тока определенного номинала, поступает к потребителю.
Стабилизация выходного напряжения преобразователя в случаях изменения входного напряжения и/или тока нагрузки осуществляется за счет соответствующего изменения параметров формируемых схемой 8 управления управляющих импульсов, вызывающих изменения в соотношении между открытым и закрытым состояниями силового электронного ключа 4. Изменение параметров управляющих импульсов осуществляется под действием напряжения обратной связи, поступающего на вход обратной связи схемы 8 управления по цепи 9 обратной связи.
Напряжение обратной связи формируется в цепи 9 обратной связи следующим образом. Выходное напряжение преобразователя поступает с выходных выводов выходного фильтра-выпрямителя 2 на первичную обмотку 17 развязывающего трансформатора 16 через вспомогательный электронный ключ 19, состоящий из транзистора 21 и резисторов 22 и 23. Вспомогательный электронный ключ 19 периодически открывается и закрывается коммутирующими импульсами, поступающими на его управляющий вход с выхода цепи 24 формирования коммутирующих импульсов. При этом в варианте выполнения, представленном на фиг.1, коммутирующие импульсы поступают с дополнительной вторичной обмотки 25 силового трансформатора 4 синхронно с импульсами, поступающими с его вторичной обмотки 6 на входные выводы выходного фильтра-выпрямителя 2 (т.е. на “обратном ходу” преобразователя), а в варианте выполнения, представленном на фиг.2, коммутирующие импульсы поступают с дополнительной вторичной обмотки 26 согласующего трансформатора 10 синхронно с импульсами, осуществляющими коммутацию силового электронного ключа 4 (т.е. на “прямом ходу” преобразователя). За счет коммутации вспомогательного электронного ключа 19 в контуре, образованном первичной обмоткой 17 трансформатора 16 и размагничивающим элементом 27, возникает переменное напряжение, которое в соответствии с коэффициентом трансформации развязывающего трансформатора 16 передается во вторичную обмотку 18. Напряжение, снимаемое с вторичной обмотки 18 развязывающего трансформатора 16, поступает на выпрямитель 20, где выпрямляется и фильтруется с помощью выпрямительного диода 28 и фильтрующего конденсатора 29, образуя напряжение обратной связи. С выхода выпрямителя 20 напряжение обратной связи поступает на вход обратной связи схемы 8 управления, изменяя параметры формируемых ею управляющих импульсов и, следовательно, соотношение между открытым и закрытым состояниями силового электронного ключа 4 таким образом, что выходное напряжение преобразователя остается на заданном уровне при изменениях входного напряжения и/или тока нагрузки.
Особенностью работы заявляемого преобразователя в рассматриваемых примерах (фиг.1 и 2) является то, что обратная связь управляет не только соотношением между открытым и закрытым состояниями силового электронного ключа 4, но и соотношением между открытым и закрытым состояниями вспомогательного электронного ключа 19, причем характер управляющих воздействий одинаков для обоих ключей и увеличение (уменьшение) времени закрытого состояния силового электронного ключа 4 сопровождается аналогичным увеличением (уменьшением) времени закрытого состояния вспомогательного электронного ключа 19. Фактически в рассматриваемых примерах реализована двухконтурная схема обратной связи, где основной контур обратной связи, регулирующий выходное напряжение преобразователя, дополнен вспомогательным контуром обратной связи в самой цепи 9 обратной связи. Это положительно влияет на помехоустойчивость преобразователя в условиях воздействия импульсных помех и делает более плавными переходные процессы при скачкообразных изменениях входного напряжения и/или тока нагрузки.
Таким образом, рассмотренное показывает, что заявляемое изобретение осуществимо и решает поставленную задачу по разработке преобразователя напряжения постоянного тока с обратной связью по выходному напряжению, в котором гальваническая развязка входной и выходной цепей обеспечивается без использования оптопары путем формирования в цепи обратной связи переменного напряжения, отвечающего выходному напряжению преобразователя, передаче этого напряжения через развязывающий трансформатор и формирования из него напряжения обратной связи.
Источники информации
1. RU №2201645 (C1), H 02 J 1/00, опубл. 27.03.2003.
2. Ю.Розанов, М.Рябчинский, А.Кваснюк. Вторичные источники питания: от сетевого трансформатора до корректора коэффициента мощности. – CHIP NEWS. Инженерная микроэлектроника, №2, 2004, с.4-8, рис.7.
3. RU №2210851 (С2), Н 02 М 3/335, опубл. 20.08.2003.
4. DE №2613896, H 02 H 7/127, опубл. 13.10.1977.
5. RU №2107380 (C1), H 02 M 3/335, опубл. 20.03.1998.
6. US №6094365, H 02 M 3/335, Н 02 Н 7/122, опубл. 25.07.2000.
7. И.Безверхний. Микросхемы фирмы Power Integrations для сетевых импульсных источников питания. – CHIP NEWS. Инженерная микроэлектроника, №2, 2004, с.24-28, рис.1, 3, 6.
8. Интегральные микросхемы: Микросхемы для импульсных источников питания и их применение. М., ДОДЖА, 2000, с.198, рис.4.
Формула изобретения
Преобразователь напряжения постоянного тока, содержащий входной фильтр, входные выводы которого образуют вход преобразователя, выходной фильтр-выпрямитель, выходные выводы которого образуют выход преобразователя, и силовой трансформатор, вторичная обмотка которого подключена к входным выводам выходного фильтра-выпрямителя, а первичная обмотка подключена первым своим выводом к первому выходному выводу входного фильтра, а вторым своим выводом через силовой электронный ключ подключена к второму выходному выводу входного фильтра, при этом управляющий вход силового электронного ключа подключен через согласующую цепь к выходу схемы управления, а вход обратной связи схемы управления подключен к выходу цепи обратной связи по выходному напряжению преобразователя, отличающийся тем, что указанная цепь обратной связи содержит развязывающий трансформатор и вспомогательный электронный ключ, причем первичная обмотка развязывающего трансформатора зашунтирована размагничивающим элементом и подключена первым своим выводом к первому выходному выводу выходного фильтра-выпрямителя, а вторым своим выводом через вспомогательный электронный ключ подключена к второму выходному выводу выходного фильтра-выпрямителя, вторичная обмотка развязывающего трансформатора через выпрямитель подключена к входу обратной связи схемы управления, а управляющий вход вспомогательного электронного ключа подключен к выходу цепи формирования коммутирующих импульсов, при этом указанная согласующая цепь выполнена в виде согласующего трансформатора, первичная обмотка которого подключена к выходу схемы управления, а вторичная – к управляющему входу силового электронного ключа, а цепь формирования коммутирующих импульсов выполнена в виде дополнительной вторичной обмотки этого согласующего трансформатора.
РИСУНКИ
|
|