|
|
(21), (22) Заявка: 2004136799/02, 15.12.2004
(24) Дата начала отсчета срока действия патента:
15.12.2004
(46) Опубликовано: 27.06.2006
(56) Список документов, цитированных в отчете о поиске:
RU 2240903 C1, 27.11.2004. SU 1098703 A, 23.06.1984. RU 2152857 C1, 20.07.2000. DE 50005550 A, 08.04.2004. DE 19951717 A, 13.06.2001. US 2003108234 A, 12.06.2003. US 2003111450 A, 19.06.2003.
Адрес для переписки:
300600, г.Тула, пр. Ленина, 92, ТулГУ, патентно-лицензионный сектор
|
(72) Автор(ы):
Соколов Эдуард Михайлович (RU), Панарин Владимир Михайлович (RU), Воронцов Николай Иванович (RU), Воронцова Наталья Вадимована (RU), Рощупкин Эдуард Валерьевич (RU), Соколовский Руслан Викторович (RU)
(73) Патентообладатель(и):
Государственное образовательное учреждение высшего и профессионального образования Тульский государственный университет (ТулГУ) (RU)
|
(54) УСТРОЙСТВО АВТОМАТИЧЕСКОГО УПРАВЛЕНИЯ ПОЛОЖЕНИЕМ СВАРОЧНОЙ ГОРЕЛКИ
(57) Реферат:
Изобретение относится к области сварки, в частности к устройству автоматического управления положением сварочной головки, и может найти применение в различных отраслях машиностроения для автоматизации сварочных процессов, а именно для автоматизации электродуговой сварки разделанных и угловых швов в среде защитных газов и под флюсом. Выход источника питания дуги подключен к второму входу первого отключающего устройства, выход которого подключен к шунту в сварочной цепи. Выход шунта подсоединен к сварочной горелке и подключен к входам датчика величины сварочного тока, выход которого подключен к входам первого и второго компараторов и третьему входу аналогового коммутатора. Выход первого компаратора подключен к первым входам первого и второго триггеров. Выход второго компаратора подключен к первому входу аналогового коммутатора. Выходы аналогового коммутатора подключены к первой, второй, третьей, четвертой, пятой, шестой, седьмой, восьмой, девятой, десятой, одиннадцатой аналоговой памяти, выходы которой подключены к первым входам первого, второго, третьего, четвертого, пятого, шестого, седьмого, восьмого, девятого, десятого, одиннадцатого устройства сравнения, ко вторым входам которых подключены выходы первой, второй, третьей, четвертой, пятой, шестой, седьмой, восьмой, девятой, десятой, одиннадцатой постоянной аналоговой памяти. Выходы первого, второго, третьего, четвертого, пятого устройств сравнения подключены к входам первого сумматора. Выход шестого устройства сравнения подключен к входу усилителя привода управления высотой. Выходы седьмого, восьмого, девятого, десятого, одиннадцатого устройств сравнения подключены к входам второго сумматора. Выход первого сумматора подключен к второму входу двенадцатого устройства сравнения и второму входу третьего сумматора. К первому входу третьего сумматора и первому входу двенадцатого устройства сравнения подключен выход второго сумматора. Выход третьего сумматора подключен к входу первого умножителя и к первому входу регулируемого усилителя амплитуды колебаний электрода, ко второму входу которого подключен второй выход задатчика колебаний, первый выход которого подключен ко второму входу аналогового коммутатора. Выход регулируемого усилителя амплитуды колебаний электрода подключен к первому входу четвертого сумматора. Выход первого умножителя подключен к третьему входу пятого сумматора. Выход двенадцатого устройства сравнения подключен к входу масштабирующего усилителя, выход которого подключен к входу второго умножителя и второму входу четвертого сумматора. Выход четвертого сумматора подключен к входам третьего и четвертого компараторов и первому входу первого аналогового ключа. Выход третьего компаратора подключен к второму входу первого триггера и третьему входу второго триггера. Выход четвертого компаратора подключен к третьему входу первого триггера и второму входу второго триггера. Выход первого триггера подключен к второму входу первого аналогового ключа. Выход второго триггера подключен к второму входу второго аналогового ключа, к первому входу которого подключен выход первого аналогового ключа. Выход второго аналогового ключа соединен с первым входом приводом движения горелки поперек стыка. Выход второго умножителя подключен к второму входу пятого сумматора. Выход усилителя привода управления высотой подключен к входу третьего умножителя и первому входу привода управления высотой. Выход третьего умножителя подключен к первому входу пятого сумматора, выход которого подключен к входу пятого компаратора, выход которого подключен первому входу второго отключающего устройства и второму входу первого отключающего устройства. К второму входу второго отключающего устройства подключен источник питания приводов. Выход второго отключающего устройства соединен с вторым входом привода движения сварочной горелки поперек стыка и вторым входом привода управления высотой. Привод управления высотой и привод движения сварочной горелки поперек стыка управляют движением сварочной горелки. Технический результат заключается в повышении качества сварного соединения. 1 ил.
Изобретение относится к области автоматизации сварочных процессов, более точно – к автоматизации электродуговой сварки разделанных и угловых швов в среде защитных газов и под флюсом. Оно может найти применение в машиностроении и приборостроении.
До настоящего времени большинство процессов электродуговой сварки ведется вручную, требует высокой квалификации сварщика и поддается автоматизации на массовом производстве лишь при условии качественной разделки швов и высокой точности установки деталей по отношению к сварочному стенду. Это связано с тем, что для получения качественного шва при прочих равных условиях необходимо непрерывное совмещение оси горелки с серединой стыка. Таким образом, указанное совмещение является необходимым условием автоматизации электросварочного процесса.
Известно устройство управления движением сварочной горелки относительно оси стыка при механизированном процессе сварки, содержащее датчик сварочного тока, датчик знака отклонения дуги, аналоговые интеграторы, схему управления, привод перемещения сварочной горелки поперек стыка и схему управления этим приводом (патент ФРГ №2533448, опубликованный 27.01.77 г., МПК5 В 23 К 9/10).
Недостатком данного устройства является то, что измерение электрических параметров дуги производят в течение одного периода ее качания поперек стыка и, следовательно, результат его зависит от флуктуации тока или напряжения, характерных для процесса электросварки, что снижает качество получаемого шва.
Наиболее близким по технической сущности является устройство, содержащее источник питания дуги, шунт в сварочной цепи, сварочную горелку, датчик величины сварочного тока, аналоговый коммутатор, аналоговую память, устройства сравнения, постоянную аналоговую память, первый и второй сумматоры, компараторы, аналоговые ключи, усилитель привода управления высотой, привод управления высотой, привод движения сварочной горелки поперек стыка (патент на изобретение РФ №2240903 от 27.11.2004 г.).
Недостаток этого устройства состоит в том, что оно имеет повышенную инерционность за счет использования фильтров.
Задачей изобретения является повышение качества сварного соединения.
Поставленная цель достигается тем, что в известное устройство, содержащее источник питания дуги, шунт в сварочной цепи, сварочную горелку, датчик величины сварочного тока, первый аналоговый коммутатор, первую, вторую, третью, четвертую, пятую, шестую, седьмую, восьмую, девятую, десятую, одиннадцатую аналоговую память, первое, второе, третье, четвертое, пятое, шестое, седьмое, восьмое, девятое, десятое, одиннадцатое, двенадцатое устройство сравнения, первую, вторую, третью, четвертую, пятую, шестую, седьмую, восьмую, девятую, десятую, одиннадцатую постоянную аналоговую память, первый и второй сумматоры, первый, второй и третий компараторы, первый и второй аналоговые ключи, усилитель привода управления высотой, привод управления высотой, привод движения сварочной горелки поперек стыка, дополнительно введены первое и второе отключающее устройство, третий, четвертый и пятый сумматор, регулируемый усилитель амплитуды колебаний электрода, задатчик колебаний, четвертый и пятый компараторы, первый и второй триггеры, первый, второй и третий умножители, масштабирующий усилитель, источник питания приводов, причем выход источника питания дуги подключен к второму входу первого отключающего устройства, выход которого подключен к шунту в сварочной цепи, выход которого подсоединен к сварочной горелке и подключен к входам датчика величины сварочного тока, выход которого подключен к входам первого и второго компараторов и третьему входу аналогового коммутатора, выход первого компартора подключен к первым входам первого и второго триггеров, выход второго компаратора подключен к первому входу аналогового коммутатора, выходы аналогового коммутатора подключены к первой, второй, третьей, четвертой, пятой, шестой, седьмой, восьмой, девятой, десятой, одиннадцатой аналоговой памяти, выходы которой подключены к первым входам первого, второго, третьего, четвертого, пятого, шестого, седьмого, восьмого, девятого, десятого, одиннадцатого устройства сравнения, ко вторым входам которых подключены выходы первой, второй, третьей, четвертой, пятой, шестой, седьмой, восьмой, девятой, десятой, одиннадцатой постоянной аналоговой памяти, выходы первого, второго, третьего, четвертого, пятого устройств сравнения подключены к входам первого сумматора, выход шестого устройства сравнения подключен к входу усилителя привода управления высотой, выходы седьмого, восьмого, девятого, десятого, одиннадцатого устройств сравнения подключены к входам второго сумматора, выход первого сумматора подключен к второму входу двенадцатого устройства сравнения и второму входу третьего сумматора, к первому входу третьего сумматора и первому входу двенадцатого устройства сравнения подключен выход второго сумматора, выход третьего сумматора подключен к входу первого умножителя и к первому входу регулируемого усилителя амплитуды колебаний электрода, ко второму входу которого подключен второй выход задатчика колебаний, первый выход которого подключен ко второму входу аналогового коммутатора, выход регулируемого усилителя амплитуды колебаний электрода подключен к первому входу четвертого сумматора, выход первого умножителя, подключен к третьему входу пятого сумматора, выход двенадцатого устройства сравнения подключен к входу масштабирующего усилителя, выход которого подключен к входу второго умножителя и второму входу четвертого сумматора, выход четвертого сумматора подключен к входам третьего и четвертого компараторов и первому входу первого аналогового ключа, выход третьего компаратора подключен к второму входу первого триггера и третьему входу второго триггера, выход четвертого компаратора подключен к третьему входу первого триггера и второму входу второго триггера, выход первого триггера подключен к второму входу первого аналогового ключа, выход второго триггера подключен к второму входу второго аналогового ключа, к первому входу которого подключен выход первого аналогового ключа, выход второго аналогового ключа соединен с первым входом приводом движения горелки поперек стыка, выход второго умножителя подключен к второму входу пятого сумматора, выход усилителя привода управления высотой подключен к входу третьего умножителя и первому входу привода управления высотой, выход третьего умножителя подключен к первому входу пятого сумматора, выход которого подключен к входу пятого компаратора, выход которого подключен к первому входу второго отключающего устройства и второму входу первого отключающего устройства, к второму входу второго отключающего устройства подключен источник питания приводов, выход второго отключающего устройства соединен с вторым входом привода движения сварочной горелки поперек стыка и вторым входом привода управления высотой, привод управления высотой и привод движения сварочной горелки поперек стыка управляют движением сварочной горелки.
В устройстве автоматического управления положением сварочной горелки, аналоговый коммутатор, аналоговая память, устройства сравнения, сумматоры, компараторы, аналоговые ключи используются по своему прямому назначению и широко известны в электротехнике. Однако совокупность соединений, указанная выше, в патентной и научно-технической литературе не обнаружены.
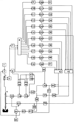
Сущность предлагаемого изобретения поясняется чертежом, где представлена структурная схема устройства автоматического управления сварочной горелкой.
Устройство автоматического управления положением сварочной горелки содержит источник питания дуги 1, соединенный с вторым входом первого отключающего устройства 2, выход которого подключен к шунту в сварочной цепи 3, выход которого подсоединен к сварочной горелке 4 и подключен к входам датчика величины сварочного тока 5, выход которого подключен к входам первого 6 и второго 7 компараторов и третьему входу аналогового коммутатора 8, выход второго компаратора 7 подключен к первому входу аналогового коммутатора 8, выходы аналогового коммутатора 8 подключены к первой 9, второй 10, третьей 11, четвертой 12, пятой 13, шестой 14, седьмой 15, восьмой 16, девятой 17, десятой 18, одиннадцатой 19 аналоговой памяти, выходы которой подключены к первым входам первого 20, второго 21, третьего 22, четвертого 23, пятого 24, шестого 25, седьмого 26, восьмого 27, девятого 28, десятого 29, одиннадцатого 30 устройства сравнения, ко вторым входам которых подключены выходы первой 31, второй 32, третьей 33, четвертой 34, пятой 35, шестой 36, седьмой 37, восьмой 38, девятой 39, десятой 40, одиннадцатой 41 постоянной аналоговой памяти, выходы первого 20, второго 21, третьего 22, четвертого 23, пятого 24 устройств сравнения подключены к входам первого сумматора 42, выход шестого устройства сравнения 25 подключен к входу усилителя привода управления высотой 59, выходы седьмого 26, восьмого 27, девятого 28, десятого 29, одиннадцатого 30 устройств сравнения подключены к входам второго сумматора 43, выход первого сумматора 42 подключен к второму входу двенадцатого устройства сравнения 56 и второму входу третьего сумматора 44, к первому входу третьего сумматора 44 и первому входу двенадцатого устройства сравнения 56 подключен выход второго сумматора 43, выход третьего сумматора 44 подключен к входу первого умножителя 51 и к первому входу регулируемого усилителя амплитуды колебаний электрода 45, ко второму входу которого подключен второй выход задатчика колебаний 46, первый выход которого подключен ко второму входу аналогового коммутатора 8, выход регулируемого усилителя амплитуды колебаний электрода 45 подключен к первому входу четвертого сумматора 52, выход первого умножителя 51, подключен к третьему входу пятого сумматора 61, выход двенадцатого устройства сравнения 56 подключен к входу масштабирующего усилителя 57, выход которого подключен к входу второго умножителя 58 и второму входу четвертого сумматора 52, выход четвертого сумматора 52 подключен к входам третьего 47 и четвертого 48 компараторов и первому входу первого аналогового ключа 53, выход первого компаратора 6 подключен к первым входам первого 49 и второго 50 триггеров, выход третьего компаратора 47 подключен к второму входу первого триггера 49 и третьему входу второго триггера 50, выход четвертого компаратора 48 подключен к третьему входу первого триггера 49 и второму входу второго триггера 50, выход первого триггера 49 подключен к второму входу первого аналогового ключа 53, выход второго триггера 50 подключен к второму входу второго аналогового ключа 54, к первому входу которого подключен выход первого аналогового ключа 53, выход второго аналогового ключа 54 соединен с первым входом привода движения горелки поперек стыка 55, выход второго умножителя 58 подключен к второму входу пятого сумматора 61, выход усилителя привода управления высотой 63 подключен к входу третьего умножителя 60 и первому входу привода управления высотой 63, выход третьего умножителя 60 подключен к первому входу пятого сумматора 61, выход которого подключен к входу пятого компаратора 62, выход которого подключен к первому входу второго отключающего устройства 64 и второму входу первого отключающего устройства 2, к второму входу второго отключающего устройства 64 подключен источник питания приводов 65, выход второго отключающего устройства 64 соединен с вторым входом привода движения сварочной горелки поперек стыка 55 и вторым входом привода управления высотой 63, привод управления высотой 63 и привод движения сварочной горелки поперек стыка 55 управляют движением сварочной горелки 4.
Устройство автоматического управления положением сварочной горелки работает следующим образом.
Устройство автоматического управления сварочной горелкой работает следующим образом: задатчик колебаний 46 задает колебания сварочной горелки 4 поперек шва. Аналоговое напряжение этих колебаний поступает на регулируемый усилитель амплитуды колебаний электрода 45. Положение сварочной горелки 4 в цифровом виде поступает на вход аналогового коммутатора 8. При движении сварочной горелки 4 из одного крайнего положения в другое крайнее положение поперек шва на шунте 3 возникают колебания тока. Датчик величины сварочного тока 5 преобразует их в напряжение. С выхода датчика тока 5 сигнал поступает на вход аналогового коммутатора 8, на вход первого компаратора 6 и на вход второго компаратора 7. С помощью аналогового коммутатора 8 (за один проход сварочной горелки из одного крайнего положения в другое) осуществляется выборка значений тока в одиннадцати точках. Если при прохождении очередной точки отсутствует короткое замыкание, то второй компаратор 7 разрешает запись сигнала на первую 9, вторую 10, третью 11, четвертую 12, пятую 13, шестую 14, седьмую 15, восьмую 16, девятую 17, десятую 18, одиннадцатую 19 ячейку аналоговой памяти. Если во время прохождения очередной точки присутствует короткое замыкание, то второй компаратор 7 запрещает запись мгновенного значения тока. С выхода ячеек аналоговой памяти сигналы поступают на входы первого 20, второго 21, третьего 22, четвертого 23, пятого 24, шестого 25, седьмого 26, восьмого 27, девятого 28, десятого 29, одиннадцатого 30 устройств сравнения. В первой 31, второй 32, третьей 33, четвертой 34, пятой 35, шестой 36, седьмой 37, восьмой 38, девятой 39, десятой 40, одиннадцатой 41 ячейках постоянной аналоговой памяти записан образ свариваемого стыка. С выхода первой 31, второй 32, третьей 33, четвертой 34, пятой 35, шестой 36, седьмой 37, восьмой 38, девятой 39, десятой 40, одиннадцатой 41 ячейках постоянной аналоговой памяти сигналы поступают на вторые входы первого 20, второго 21, третьего 22, четвертого 23, пятого 24, шестого 25, седьмого 26, восьмого 27, девятого 28, десятого 29, одиннадцатого 30 устройств сравнения. С выходов первого 20, второго 21, третьего 22, четвертого 23, пятого 24 устройств сравнения сигналы поступают на входы первого сумматора 42, выход шестого 25 устройства сравнения подключен к входу усилителя привода управления высотой сварочной горелки 59. С выхода усилителя привода управления высотой сварочной горелки 59 сигнал поступает на привод управления высотой 63, а привод управления высотой 63 изменяет положение сварочной горелки 4 над стыком по высоте. С выходов седьмого 26, восьмого 27, девятого 28, десятого 29, одиннадцатого 30 устройств сравнения сигналы поступают на входы второго сумматора 43. Сигналы с первого сумматора 42 и второго сумматора 43 поступают на третий сумматор 44 и двенадцатое устройство сравнения 56. Сигнал с выхода третьего сумматора 44 поступает на регулируемый усилитель амплитуды колебаний электрода 45, изменяя коэффициент усиления этого усилителя. Сигнал с двенадцатого устройство сравнения 56 поступает на масштабирующий усилитель 57. На выходе регулируемого усилителя амплитуды колебаний электрода 45 будет присутствовать напряжение, задающее колебания сварочного электрода. На выходе масштабирующего усилителя 57 выделяется сигнал, пропорциональный отклонению сварочной горелки 4 от линии стыка. Сигналы с регулируемого усилителя амплитуды колебаний электрода 45 и масштабирующего усилителя 57 поступают на четвертый сумматор 52. Сигнал с четвертого сумматора 52 проходит через первый аналоговый ключ 53, второй аналоговый ключ 54 и управляет приводом движения сварочной горелки поперек стыка 55. Сигнал с четвертого сумматора 52 поступает также на третий компаратор 47 и четвертый компаратор 48. При отклонении сварочной горелки 4 от линии стыка в одну сторону третий компаратор 47 выдает на выходе единицу, а четвертый компаратор 48 выдает на выходе ноль. При отклонении сварочной горелки 4 в другую сторону от линии стыка третий компаратор 47 выдает на выходе ноль, а четвертый компаратор 48 выдает на выходе единицу. Сигнал с третьего компаратора 47 поступает на управляющий вход первого триггера 49 и вход сброса второго триггера 50. Сигнал с выхода четвертого компаратора 48 поступает на управляющий вход второго триггера 50 и вход сброса первого триггера 49. С выхода первого компаратора 6 сигнал поступает на сихронизирующие входы первого 49 и второго 50 триггеров. В случае, если сварочная горелка 4 приближается к стенке шва, сварочный ток возрастает, на выходе первого компаратора 6 появляется единица, срабатывает соответствующий триггер 49 или 50 и размыкается первый 53 или второй 54 аналоговый ключ. С привода движения сварочной горелки поперек стыка 55 снимается сигнал и движение сварочной горелки 4 к стенке прекращается. При поступлении сигнала движения в противоположную сторону третий 47 и четвертый 48 компараторы инвертируют свои выходные сигналы и сработавший триггер сбрасывается в ноль, а соответствующий первый 53 или второй 54 аналоговый ключ снова замыкается и на привод движения сварочной горелки поперек стыка 55 снова будет подаваться управляющее напряжение. Сварочная горелка 4 будет двигаться от стенки. На вход первого умножителя 51 сигнал поступает с регулируемого усилителя амплитуды колебаний электрода 45, на вход второго умножителя 58 сигнал поступает с масштабирующего усилителя 57, на вход третьего умножителя 60 поступает с усилителя привода управления высотой 59. Умножители перемножают поступившие сигналы сами на себя. Выходные сигналы умножителей 51, 58 и 60 суммируются пятым сумматором 61. Сигнал с пятого сумматора 61 поступает на пятый компаратор 62. Если суммарная ошибка по амплитуде колебаний, отклонению от линии стыка и высоте сварочной горелки над стыком превышает заданный порог, пятый компаратор 62 выдает логическую единицу. Напряжение с источника питания приводов 65 через второе отключающее устройство 64 поступает на привод движения сварочной горелки поперек стыка 55 и привод управления высотой 63. При появлении на выходе пятого компаратора 62 логической единицы она подается на первое отключающее устройство 2 и второе отключающее устройство 64. Первое отключающее устройство 2 размыкается и обесточивает цепь сварки. Второе отключающее устройство 64 при поступлении логической единицы отключает напряжение питания с приводов 55 и 63.
Таким образом, по сравнению с прототипом предлагаемое устройство обеспечивает большую точность слежения по стыку, введены ограничения движения сварочной горелки при обнаружении препятствия и отключение устройства если ошибка суммы среднеквадратичных отклонений превышает заданный порог, чем достигается повышение качества сварного соединения.
Формула изобретения
Устройство автоматического управления положением сварочной горелки, содержащее источник питания дуги, шунт в сварочной цепи, сварочную горелку, датчик величины сварочного тока, первый аналоговый коммутатор, первую – одиннадцатую аналоговые памяти, первое – двенадцатое устройства сравнения, первую – одиннадцатую постоянные аналоговые памяти, первый и второй сумматоры, первый, второй и третий компараторы, первый и второй аналоговые ключи, усилитель привода управления высотой, привод управления высотой и привод движения сварочной горелки поперек стыка для управления движением сварочной горелки, отличающееся тем, что дополнительно введены первое и второе отключающие устройства, третий, четвертый и пятый сумматоры, регулируемый усилитель амплитуды колебаний электрода, задатчик колебаний, четвертый и пятый компараторы, первый и второй триггеры, первый, второй и третий умножители, масштабирующий усилитель, источник питания приводов, причем выход источника питания дуги подключен к второму входу первого отключающего устройства, выход которого подключен к шунту в сварочной цепи, выход которого подсоединен к сварочной горелке и подключен к входам датчика величины сварочного тока, выход которого подключен к входам первого и второго компараторов и третьему входу аналогового коммутатора, выход первого компаратора подключен к первым входам первого и второго триггеров, выход второго компаратора подключен к первому входу аналогового коммутатора, выходы аналогового коммутатора подключены к первой – одиннадцатой аналоговым памятям, выходы которых подключены к первым входам первого – одиннадцатого устройств сравнения, ко вторым входам которых подключены выходы первой – одиннадцатой постоянных аналоговых памятей, выходы первого, второго, третьего, четвертого, пятого устройств сравнения подключены к входам первого сумматора, выход шестого устройства сравнения подключен к входу усилителя привода управления высотой, выходы седьмого, восьмого, девятого, десятого, одиннадцатого устройств сравнения подключены к входам второго сумматора, выход первого сумматора подключен к второму входу двенадцатого устройства сравнения и второму входу третьего сумматора, к первому входу третьего сумматора и первому входу двенадцатого устройства сравнения подключен выход второго сумматора, выход третьего сумматора подключен к входу первого умножителя и к первому входу регулируемого усилителя амплитуды колебаний электрода, ко второму входу которого подключен второй выход задатчика колебаний, первый выход которого подключен ко второму входу аналогового коммутатора, выход регулируемого усилителя амплитуды колебаний электрода подключен к первому входу четвертого сумматора, выход первого умножителя подключен к третьему входу пятого сумматора, выход двенадцатого устройства сравнения подключен к входу масштабирующего усилителя, выход которого подключен к входу второго умножителя и второму входу четвертого сумматора, выход четвертого сумматора подключен к входам третьего и четвертого компараторов и первому входу первого аналогового ключа, выход третьего компаратора подключен к второму входу первого триггера и третьему входу второго триггера, выход четвертого компаратора подключен к третьему входу первого триггера и второму входу второго триггера, выход первого триггера подключен к второму входу первого аналогового ключа, выход второго триггера подключен к второму входу второго аналогового ключа, к первому входу которого подключен выход первого аналогового ключа, выход второго аналогового ключа соединен с первым входом приводом движения горелки поперек стыка, выход второго умножителя подключен ко второму входу пятого сумматора, выход усилителя привода управления высотой подключен к входу третьего умножителя и первому входу привода управления высотой, выход третьего умножителя подключен к первому входу пятого сумматора, выход которого подключен к входу пятого компаратора, выход которого подключен к первому входу второго отключающего устройства и второму входу первого отключающего устройства, к второму входу второго отключающего устройства подключен источник питания приводов, выход второго отключающего устройства соединен с вторым входом привода движения сварочной горелки поперек стыка и вторым входом привода управления высотой.
РИСУНКИ
MM4A – Досрочное прекращение действия патента СССР или патента Российской Федерации на изобретение из-за неуплаты в установленный срок пошлины за поддержание патента в силе
Дата прекращения действия патента: 16.12.2006
Извещение опубликовано: 10.08.2008 БИ: 22/2008
|
|